Advanced CNC First Year CBT Paper – Set -07

0%
1

यह पेपर 2 घंटे का है 2 घंटे बाद पेपर अपने आप सबमिट हो जायेगा और आप चाहें तो 2 घंटे से पहले भी सबमिट कर सकते है|

सॉरी समय समाप्त हो गया|


Advanced CNC Machining Technician First Year CBT Paper (Quiz -7)

इस पेपर में 75 प्रशन है जिसमे  Trade Theory  के 38 प्रशन,  Workshop Calculation के 06 प्रशन, Engineering Drawing के 06 प्रशन, Employability Skill  के 50 प्रशन , प्रत्येक प्रशन 2 मार्क्स का है और किसी प्रकार की नेगेटिव मार्किंग नहीं है|

1 / 75

Category: Advanced CNC Machining Technician First Year CBT Paper (TT)

1. What is the necessity point angle of drill for drilling mild steel? |
माइल्ड स्टील की ड्रिलिंग के लिए ड्रिल का आवश्यक पॉइंट एंगल क्या है?

2 / 75

Category: Advanced CNC Machining Technician First Year CBT Paper (TT)

2. What is the surface irregularities which are suffer imposed on a widely spaced component of surface texture? |
सरफेस की अनियमितताएं क्या हैं जो सरफेस टेक्सचर के व्यापक रूप से फैले हुए कम्पोनेंट पर लागू होती हैं?

3 / 75

Category: Advanced CNC Machining Technician First Year CBT Paper (TT)

3. What is use of ethernet and wifi connectivity is provided for connecting CNC controller to computer? |
CNC कंट्रोलर को कंप्यूटर से जोड़ने के लिए ईथरनेट और wifi कनेक्टिविटी का क्या उपयोग किया जाता है?

4 / 75

Category: Advanced CNC Machining Technician First Year CBT Paper (TT)

4. Which mode keys suitable to move the machine axes to a desired location? |
मशीन अक्षों को वांछित स्थान पर ले जाने के लिए कौन से मोड कुंजी उपयुक्त है?

5 / 75

Category: Advanced CNC Machining Technician First Year CBT Paper (TT)

5. Which type of personal protective equipment is recommended to handle loads with rough surfaces and jagged edges? |
रफ सरफेस और जैग्ड एज वाले लोड्स को हैंडल करने के लिए किस प्रकार के व्यक्तिगत सुरक्षा उपकरण को अनुशंसित किया जाता है?

6 / 75

Category: Advanced CNC Machining Technician First Year CBT Paper (TT)

6. Which function key is used to start the copy operation? |
कॉपी ऑपरेशन शुरू करने के लिए किस फ़ंक्शन कुंजी का उपयोग किया जाता है?

7 / 75

Category: Advanced CNC Machining Technician First Year CBT Paper (TT)

7. What is the function of emergency stop key in CNC machine? |
CNC मशीन में इमरजेंसी स्टॉप कुंजी का क्या कार्य है?

8 / 75

Category: Advanced CNC Machining Technician First Year CBT Paper (TT)

8. What is physical or virtual item or service you sell to serve a customer's need or want? |
किसी ग्राहक की आवश्यकता या इच्छा को पूरा करने के लिए आप कौन सी भौतिक या आभासी वस्तु या सेवा बेचते हैं?

9 / 75

Category: Advanced CNC Machining Technician First Year CBT Paper (TT)

9. Which one is not a benefit of using replaceable inserts for turning tools? |
टर्निंग टूल्स के लिए रीप्लैसबल इन्सर्ट का उपयोग करने का कौन सा लाभ नहीं है?

10 / 75

Category: Advanced CNC Machining Technician First Year CBT Paper (TT)

10. What is the use of Sub-programs? |
सब-प्रोग्राम का उपयोग क्या है?

11 / 75

Category: Advanced CNC Machining Technician First Year CBT Paper (TT)

11. What is the function of G01 Code? |
G01 कोड का क्या फंक्शन है?

12 / 75

Category: Advanced CNC Machining Technician First Year CBT Paper (TT)

12. Name the pillar 4 of the total productive maintenance? |
टोटल प्रोडक्टिव मेंटेनेंस के पिलर 4 का नाम बताएं?

13 / 75

Category: Advanced CNC Machining Technician First Year CBT Paper (TT)

13. For programming in which submenu we can select the feed rate, spindle speed, tool number and offset number? |
प्रोग्रामिंग के लिए हम किस सबमेनू में फीड रेट, स्पिंडल स्पीड, टूल नंबर और ऑफसेट नंबर का चयन कर सकते हैं?

14 / 75

Category: Advanced CNC Machining Technician First Year CBT Paper (TT)

14. In the format M03 S1000, What does 'S' stands for? |
M03 S1000 फॉर्मेट में, 'S' का क्या अर्थ है?

15 / 75

Category: Advanced CNC Machining Technician First Year CBT Paper (TT)

15. What is the result of Drop of coolant levels below the limit? |
कूलैंट लेवल का लिमिट से नीचे गिरने का परिणाम क्या होता है?

16 / 75

Category: Advanced CNC Machining Technician First Year CBT Paper (TT)

16. What is the full form of WJM in advanced machining processes? |
एडवांस मशीनिंग प्रोसेस में WJM का फुल फॉर्म क्या है?

17 / 75

Category: Advanced CNC Machining Technician First Year CBT Paper (TT)

17. What is the function of G87 code? |
G87 कोड का कार्य क्या है?

18 / 75

Category: Advanced CNC Machining Technician First Year CBT Paper (TT)

18. What is the another term of machine reference position? |
मशीन रिफरेन्स पोजीशन का दूसरा टर्म क्या है?

19 / 75

Category: Advanced CNC Machining Technician First Year CBT Paper (TT)

19. What is the G-Code for circular interpolation counter clock wise? |
सर्कुलर इन्टरपोलेशन काउंटर क्लॉक वाइज के लिए G-कोड क्या है?

20 / 75

Category: Advanced CNC Machining Technician First Year CBT Paper (TT)

20. In the mastercam in which menu the revolve option exists? |
मास्टरकैम में किस मेनू में रिवॉल्व विकल्प मौजूद होता है?

21 / 75

Category: Advanced CNC Machining Technician First Year CBT Paper (TT)

21. What is the use of Constant “Z” machining? |
कॉन्स्टैंट "Z" मशीनिंग का क्या उपयोग है?

22 / 75

Category: Advanced CNC Machining Technician First Year CBT Paper (TT)

22. What is the least count of a vernier calliper? |
वर्नियर कैलिपर का लीस्ट काउंट क्या है?

23 / 75

Category: Advanced CNC Machining Technician First Year CBT Paper (TT)

23. What is the full form of TPM? |
TPM का फुल फॉर्म क्या है?

24 / 75

Category: Advanced CNC Machining Technician First Year CBT Paper (TT)

24. What are the trends that have a major effect on product and product decision? |
वे कौन से रुझान हैं जो उत्पाद और उत्पाद निर्णय पर बड़ा प्रभाव डालते हैं?

25 / 75

Category: Advanced CNC Machining Technician First Year CBT Paper (TT)

25. For what reason total productive maintenance is required? |
किस कारण से टोटल प्रोडक्टिव मेंटेनेंस की आवश्यकता होती है?

26 / 75

Category: Advanced CNC Machining Technician First Year CBT Paper (TT)

26. What characteristics of product quality tells you about the probability that a product will perform its function for a given period of time under specified conditions? |
प्रोडक्ट क्वालिटी की कौन सी विशेषताएँ आपको इस संभावना के बारे में बताती हैं कि कोई प्रोडक्ट निर्दिष्ट शर्तों(स्पेसिफाइड कंडीशन) के तहत एक निश्चित अवधि के लिए अपना कार्य करेगा?

27 / 75

Category: Advanced CNC Machining Technician First Year CBT Paper (TT)

27. What is incremental program? |
इंक्रीमेंटल प्रोग्राम क्या है?

28 / 75

Category: Advanced CNC Machining Technician First Year CBT Paper (TT)

28. What is the test which tells whether the component or system has materials, dimensions and other features as specified in the design? |
वह कौन सा टेस्ट है जो बताता है कि कम्पोनेंट या सिस्टम में मटेरियल्स, डायमेंशन और अन्य फीचर्स हैं जैसा कि डिज़ाइन में निर्दिष्ट है?

29 / 75

Category: Advanced CNC Machining Technician First Year CBT Paper (TT)

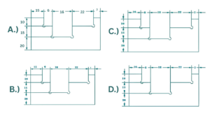
29. Image belong to________ |
इमेज ________ से संबंधित है

30 / 75

Category: Advanced CNC Machining Technician First Year CBT Paper (TT)

30. Which of the following is necessary for the complete study of surface roughness? |
सरफेस रफ़नेस के संपूर्ण अध्ययन के लिए निम्नलिखित में से क्या आवश्यक है?

31 / 75

Category: Advanced CNC Machining Technician First Year CBT Paper (TT)

31. Which part provides linear travel to the tool in CNC lathe? |
CNC लेथ में कौन सा भाग टूल को लीनियर ट्रेवल प्रदान करता है?

32 / 75

Category: Advanced CNC Machining Technician First Year CBT Paper (TT)

32. Depending upon operation which of the following does not fit in the category of Goods? |
ऑपरेशन के आधार पर निम्नलिखित में से कौन गुड्स की केटेगरी में फिट नहीं बैठता है?

33 / 75

Category: Advanced CNC Machining Technician First Year CBT Paper (TT)

33. What does M20 code stands for? |
M20 कोड का मतलब क्या है?

34 / 75

Category: Advanced CNC Machining Technician First Year CBT Paper (TT)

34. What is the full form of MRR? |
MRR का फुल फॉर्म क्या है?

35 / 75

Category: Advanced CNC Machining Technician First Year CBT Paper (TT)

35. Which of the following key is used to generate the program in mastercam? |
मास्टरकैम में प्रोग्राम जेनरेट करने के लिए निम्नलिखित में से किस कुंजी का उपयोग किया जाता है?

36 / 75

Category: Advanced CNC Machining Technician First Year CBT Paper (TT)

36. Which one of the below is an disadvantage of cobalt? |
निम्नलिखित में से कौन सा कोबाल्ट की हानि है?

37 / 75

Category: Advanced CNC Machining Technician First Year CBT Paper (TT)

37. What is the application of G83 canned cycle? |
G83 कैन्ड साईकल का अनुप्रयोग क्या है?

38 / 75

Category: Advanced CNC Machining Technician First Year CBT Paper (TT)

38. What is the use of G04 code? |
G04 कोड का क्या उपयोग है ?

39 / 75

Category: Workshop Calculation and Science CBT Paper (I)

1. Which property of metal has its power of returning to its original shape after the applied force is released?|
धातु की कौन सा गुण बल लगाने पर विरूपित तथा बल हटाने पर वापस अपने पूर्वावस्था मे आने की झमता रखता है?

40 / 75

Category: Workshop Calculation and Science CBT Paper (I)

2. What is termed as the quantity of matter contained in a body?|
वस्तु में निहित पदार्थ की मात्रा को क्या कहा जाता है?

41 / 75

Category: Workshop Calculation and Science CBT Paper (I)

3. Which among the following is an insulator?|
निम्नलिखित में से कौन एक कुचालक है?

42 / 75

Category: Workshop Calculation and Science CBT Paper (I)

4. What is called mass per unit volume of a substances?|
किसी पदार्थ के द्रव्यमान प्रति इकाई आयतन को क्या कहते हैं?

43 / 75

Category: Workshop Calculation and Science CBT Paper (I)

5. What is the value of tan 45o if sin 45o = 1/√ 2?|
tan 45o कितना होगा, यदि sin 45o = 1/√2 है।

44 / 75

Category: Workshop Calculation and Science CBT Paper (I)

6. What is the product of 0.003 x 0.5? |
0.003 x 0.5 का गुणनफल क्या है?

45 / 75

Category: Engineering Drawing CBT Paper (I)

1. Identify the name of the triangle? |
त्रिभुज का नाम लिखिए?

46 / 75

Category: Engineering Drawing CBT Paper (I)

2. Identify the line 'b'? |
लाइन 'b' को पहचानें?

47 / 75

Category: Engineering Drawing CBT Paper (I)

3. Is this correct aligned system dimension?
क्या यह सही संरेखित सिस्टम आयाम है?

48 / 75

Category: Engineering Drawing CBT Paper (I)

4. What is the trimmed size of A4 sheet? |
A4 शीट का ट्रिम किया हुआ आकार क्या है?

49 / 75

Category: Engineering Drawing CBT Paper (I)

5. Identify the correct aligned system dimension? |
सही संरेखित सिस्टम आयाम की पहचान करें?

50 / 75

Category: Engineering Drawing CBT Paper (I)

6. Is this single stroke inclined letter 'A' is correct as per IS standard? |
IS मानक के अनुसार क्या यह सिंगल स्ट्रोक वर्टिकल लेटर 'A' सही है?

51 / 75

Category: Employability Skill CBT Paper (I)

1. In face to face communication, “tone of voice” accounts for __________|
आमने-सामने के संचार में, "टोन ऑफ वौइस् " __________ है

52 / 75

Category: Employability Skill CBT Paper (I)

2. Entrepreneurship is also termed as…..|
उद्यमिता को ........... भी कहा जाता है

53 / 75

Category: Employability Skill CBT Paper (I)

3. The expansion of SIDO is………… |
SIDO का विस्तार ………

54 / 75

Category: Employability Skill CBT Paper (I)

4. Communication that involves exchanging information without use of words is called __________|
कम्यूनिकेशन जिसमें शब्दों के उपयोग के बिना सूचना का आदान-प्रदान शामिल है, __________ कहलाता है

55 / 75

Category: Employability Skill CBT Paper (I)

5. Which shortcut is used to save a word file in MS-Word? |
MS-Word में किसी वर्ड फाइल को सेव करने के लिए किस शॉर्टकट का प्रयोग किया जाता है?

56 / 75

Category: Employability Skill CBT Paper (I)

6. How does Gemini help users? |
जेमिनी उपयोगकर्ताओं की कैसे मदद करता है?

57 / 75

Category: Employability Skill CBT Paper (I)

7. Which of these expenses are incurred when we move to a new city?|
जब हम किसी नए शहर में जाते हैं तो इनमें से कौन सा खर्च होता है?

58 / 75

Category: Employability Skill CBT Paper (I)

8. The way money is saved, spent and invested……..|
जिस तरह से पैसा बचाया जाता है, खर्च किया जाता है और निवेश किया जाता है……..

59 / 75

Category: Employability Skill CBT Paper (I)

9. Which of these is a sign of good stress? |
अच्छे तनाव का संकेत इनमें से कौन सा है?

60 / 75

Category: Employability Skill CBT Paper (I)

10. It is best to ask __________ questions when asking questions. |
प्रश्न पूछते समय __________ प्रश्न पूछना सबसे अच्छा है।

61 / 75

Category: Employability Skill CBT Paper (I)

11. Which of the following is data? |
पुढीलपैकी काय डेटा आहे?

62 / 75

Category: Employability Skill CBT Paper (I)

12. The study of right and wrong in human endeavors is called __________ |
मानव प्रयासों में सही और गलत के अध्ययन को __________ कहा जाता है

63 / 75

Category: Employability Skill CBT Paper (I)

13. Which one is a “don’t” in interview etiquette? |
इंटरव्यू एटिकेट में “don’t” क्या है?

64 / 75

Category: Employability Skill CBT Paper (I)

14. Hard Skill…..|
कठिन कौशल…..।

65 / 75

Category: Employability Skill CBT Paper (I)

15. Which of the following does not constitute your identity?|
आपकी पहचान को गठित करने में निम्नलिखित में से कौन-सा नहीं है?

66 / 75

Category: Employability Skill CBT Paper (I)

16. In Excel, the intersection of a row and column is called a _________|
एक्सेल में, किसी रो (पंक्ति) और कॉलम (स्तंभ) के इंटरसेक्शन (प्रतिच्छेदन) को ............ कहा जाता है l

67 / 75

Category: Employability Skill CBT Paper (I)

17. What makes General AI different from other types of AI? |
जनरल ए.आई. अन्य प्रकार की ए.आई. से अलग क्या बनाता है?

68 / 75

Category: Employability Skill CBT Paper (I)

18. An illegal activity committed on the internet is called___________ |
इंटरनेट पर की गई एक अवैध गतिविधि को ............ कहा जाता है l

69 / 75

Category: Employability Skill CBT Paper (I)

19. In MS Excel, to insert a formula in cell, we must begin the entry with an operator ___________ |
एमएस एक्सेल में, सेल में एक सूत्र इन्सर्ट (सम्मिलित) करने के लिए, हमें प्रविष्टि को एक ऑपरेटर के साथ शुरू करनी चाहिए -

70 / 75

Category: Employability Skill CBT Paper (I)

20. __________ are the qualities that are considered negative, and need to be worked on.|
__________ ऐसे गुण हैं जिन्हें नकारात्मक माना जाता है और जिन पर काम करने की आवश्यकता है।

71 / 75

Category: Employability Skill CBT Paper (I)

21. The expansion of LAN is ___________|
"LAN" का विस्तार है -

72 / 75

Category: Employability Skill CBT Paper (I)

22. Which one of the following options shows the synonyms for a word, we type in MS word?|
निम्नलिखित में से कौन सा विकल्प एक शब्द के पर्यायवाची को दर्शाता है, जिसे हम एमएस वर्ड में टाइप करते हैं?

73 / 75

Category: Employability Skill CBT Paper (I)

23. Money invested in purchasing of raw materials, payment of wages and salaries, rental, electricity etc comes under………..|
कच्चे माल की खरीद, मजदूरी और वेतन, किराये, बिजली आदि के भुगतान में निवेश किया गया पैसा आता है।

74 / 75

Category: Employability Skill CBT Paper (I)

24. Based on the information that you get through probing, you will be in a better position to make _______.|
जांच के दौरान आपको जो जानकारी मिलती है, उसके आधार पर आप _________ बनाने की बेहतर स्थिति में होंगे।

75 / 75

Category: Employability Skill CBT Paper (I)

25. Information like date of birth, permanent address form a part of one’s ______ in the resume.|
जन्म तिथि, स्थायी पता जैसी जानकारी रिज्यूमे में किसी के ______ का हिस्सा होती है।

Your score is

The average score is 56%

0%

Exit

WhatsApp और YouTube चैनल से जुड़े रहना

FREE MOCK TEST

यहाँ आपको फ्री में प्रैक्टिस करने के लिए CBT पेपर मिलेगे जो DGT भारत सरकार के पैटर्न पर आधारित है। प्रत्येक पेपर 2 घंटे का होगा और उसमे 75 प्रशन होंगे। पेपर सबमिट करने के बाद आपको आपका स्कोर परसेंटेज प्रदर्शित होगा।

STUDY MATERIAL

यहाँ पेड कोर्स है इसमें आपको प्रत्येक सब्जेक्ट के 10 गुना प्रशन मिलेगे | जैसे: EMPLOYABILITY SKILL में 25 प्रशन पेपर में आते है तो यहाँ आपको 250 प्रशन मिलेगे और TRADE THEORY के 500 प्रशन| WC और ED के 60 यदि आपकी ट्रेड में होंगे तो !

अन्य नौकरिया

PRADAN Taluk Coordinator Recruitment 2025: कर्नाटक में 32-36 हजार वेतन के साथ नई भर्ती

भारत के सामाजिक विकास क्षेत्र में अग्रणी संस्था PRADAN (Professional Assistance for Development...

Bank of India Recruitment 2025: स्केल-II, III और IV ऑफिसर्स की बड़ी भर्ती – आवेदन शुरू

भारत सरकार का प्रमुख सार्वजनिक क्षेत्र का बैंक बैंक ऑफ इंडिया (BOI) ने वर्ष 2025 के लिए विभिन्न...

SBI Specialist Cadre Officer (Manager/Deputy Manager Digital Platforms) Recruitment 2025- Only Interview

भारतीय स्टेट बैंक (SBI), भारत का सबसे बड़ा सार्वजनिक क्षेत्र का बैंक, ने वर्ष 2025 के लिए विशेषज्ञ...

SBI Specialist Cadre Officer (Credit Analyst) Recruitment 2025- Only Interview

भारतीय स्टेट बैंक (SBI) ने वर्ष 2025 के लिए रेगुलर बेसिस पर स्पेशलिस्ट कैडर ऑफिसर्स पदों पर भर्ती की...

🚀 भारत की ईवी क्रांति का हिस्सा बनें | साइट इंजीनियर (इलेक्ट्रिकल) की भर्ती ⚡

📍 स्थान: बैंगलोर | गोवा | अहमदाबाद | मुंबई | पुणे | लखनऊ🏢 कंपनी: एकता टेलीकम्यूनिकेशन्स प्रा. लि.💼...

नॉर्दर्न कोलफील्ड लिमिटेड (एन०सी०एल) तकनीशियन भर्ती 2025 – आवेदन करें 200 पोस्ट के लिए।

नॉर्दर्न कोलफील्ड लिमिटेड (एन०सी०एल) द्वारा तकनीशियन पद की भर्ती के लिए आवेदन पत्र जारी कर दिया गया...

बेसिक शिक्षा विभाग में भर्ती (पद नाम-Social Worker Cum Childhood Educator, पद -135)

बेसिक शिक्षा विभाग में होने जा रही है Social Worker cum Early Childhood Educator के पद पर भर्ती, यह...

Medical Education Department में भर्ती (पद नाम-Patient Helper, पद -24)

चिकित्सा शिक्षा विभाग में होने जा रही है Patient Helper (रोगी सहायक)  के पद पर भर्ती, यह भर्ती...

Leave a Comment

Your email address will not be published. Required fields are marked *

You cannot copy content of this page

Scroll to Top