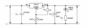
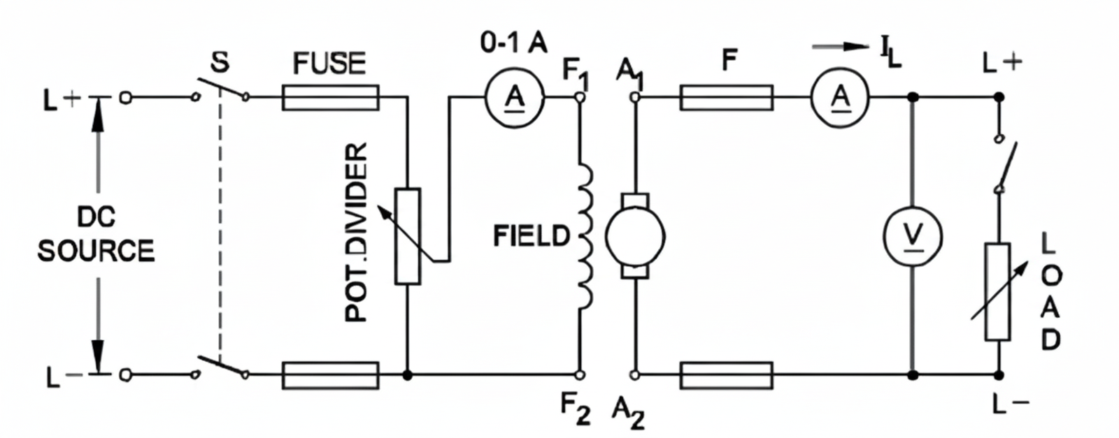
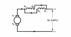
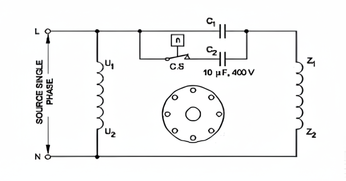
Electrician Second Year CBT Paper –Free Practice Set -8By itikegyani.com / January 17, 2025 0% 43 यह पेपर 2 घंटे का है 2 घंटे बाद पेपर अपने आप सबमिट हो जायेगा और आप चाहें तो 2 घंटे से पहले भी सबमिट कर सकते है| पेपर देने के लिए आपको हमारी वेबसाइट पर login करना अनिवार्य है|सॉरी समय समाप्त हो गया|Electrician CBT Paper Second Year (Quiz -8)इस पेपर में 75 प्रशन है जिसमे Trade Tehory के 38 प्रशन, Workshop Calculation and Science के 06 प्रशन, Engineering Drawing के 06 प्रशन, Employability Skill के 25 प्रशन , प्रत्येक प्रशन 2 मार्क्स का है और किसी प्रकार की नेगेटिव मार्किंग नहीं है| 1 / 75 Category: Employability Skill CBT Paper (II)1. Hi, how are you, whats up, these are examples of _______ | नमस्ते, आप कैसे हैं, क्या चल रहा है, ये _______ के उदाहरण हैं । A. impolite communication | इम्पलाइट कम्युनिकेशन B. formal communication | फॉर्मल कम्युनिकेशन C. informal communication | इनफॉर्मल कम्युनिकेशन D. polite communication | पोलाइट कम्युनिकेशन 2 / 75 Category: Employability Skill CBT Paper (II)2. What are some advantages of informal communication at the workplace? | वर्कप्लेस पर इनफॉर्मल कम्युनिकेशन के क्या लाभ हैं? A. Makes things more official at work | कार्यस्थल पर चीज़ों को और अधिक आधिकारिक बनाता है B. Helps people work together better | लोगों को एक साथ मिलकर बेहतर ढंग से काम करने में मदद मिलती है C. Makes people talk less | लोगों को कम बात करने देता है D. Creates a strict environment at work | कार्यस्थल पर सख्त वातावरण बनाता है 3 / 75 Category: Employability Skill CBT Paper (II)3. During a job interview, which of the following responses shows good formal communication? | नौकरी के लिए साक्षात्कार के दौरान, निम्नलिखित में से कौन सी प्रतिक्रिया अच्छा फॉर्मल कम्युनिकेशन दर्शाती है? A. "Uh, I guess I can do a little bit of everything." | "उह, मुझे लगता है कि मैं थोड़ा-थोड़ा सब कुछ कर सकता हूं।" B. "My top three skills are problem-solving, teamwork, and attention to detail." | "मेरे टॉप तीन कौशल हैं प्रॉब्लम-सॉल्विंग, टीम वर्क, और डिटेल पर ध्यान देना।" C. "I don't know, I never really thought about it." | "मैं नहीं जानता, मैंने वास्तव में इसके बारे में कभी नहीं सोचा था।" D. "I'm pretty good at a lot of things." | "मैं बहुत सी चीज़ों में बहुत अच्छा हूँ।" 4 / 75 Category: Employability Skill CBT Paper (II)4. Which is an example of a self-employment? | स्व-रोज़गार का उदाहरण कौन सा है? A. Driving for a taxi company | एक टैक्सी कंपनी के लिए ड्राइविंग B. Working full-time at a company | "एक कंपनी में पूरे समय काम करना C. Teaching subjects or skills as a personal tutor | व्यक्तिगत शिक्षक के रूप में विषयों या कौशलों को पढ़ाना D. Being a student at a university | एक विश्वविद्यालय में एक छात्र होना 5 / 75 Category: Employability Skill CBT Paper (II)5. Important factors to think about before migrating _______ | प्रवास करने से पहले विचार करने योग्य महत्वपूर्ण कारक _______ A. easy job | आसान कार्य B. tourist place | पर्यटन स्थल C. cost of living | जीवन यापन की लागत D. freedom | स्वतंत्रता 6 / 75 Category: Employability Skill CBT Paper (II)6. If you want to work in a foreign country, to migrate safely, you have to _______ | यदि आप विदेश में काम करना चाहते हैं, तो सुरक्षित प्रवास के लिए आपको _______ । A. Move and ask for confirmation. | आगे बढ़ना और पुष्टि के लिए पूछना चाहिए B. Think how you spend your money. | सोचिए आपको अपना पैसा कैसे खर्च करना चाहिए C. Leave to foreign country without informing anyone. | बिना किसी को बताए विदेश चले जाना चाहिए D. Learn about the place, confirm the job before moving | आगे बढ़ने से पहले जगह के बारे में जान लेना और नौकरी पक्की कर लेना चाहिए 7 / 75 Category: Employability Skill CBT Paper (II)7. What does it mean to think like a business person? | एक बिजनेसमैन की तरह सोचने का क्या मतलब है? A. Being scared to try new things | नई चीजों को आजमाने से डरना B. Not liking change | परिवर्तन पसंद नहीं आना C. Only thinking about money | सिर्फ पैसों के बारे में सोचना D. Seeing problems as things to fix | समस्याओं को ठीक करने योग्य चीजों के रूप में देखना 8 / 75 Category: Employability Skill CBT Paper (II)8. What is an important future workplace skill for employees? | कर्मचारियों के लिए भविष्य का महत्वपूर्ण कार्यस्थल कौशल क्या है? A. Doing manual work | मैन्युअल वर्क करना B. Planning holidays | छुट्टियों की योजना बनाना C. Networking and relationship-building | नेटवर्किंग और संबंध निर्माण करना D. Doing paperwork | कागजी कार्रवाई करना 9 / 75 Category: Employability Skill CBT Paper (II)9. If a teammate is struggling to complete their assigned task, what should you do? | यदि टीम का कोई साथी अपना निर्धारित कार्य पूरा करने में संघर्ष कर रहा है, तो आपको क्या करना चाहिए? A. Criticize them for not being efficient | कार्यकुशल न होने के कारण उनकी आलोचना करनी चाहि B. Ignore their struggle and focus on your own tasks | उनके संघर्ष को नजरअंदाज करके और अपने कार्यों पर ध्यान केंद्रित करना चाहिए C. Offer to help and support them to complete their task | उनके टास्क को पूरा करने के लिए उन्हें हेल्प और सपोर्ट ऑफर करना चाहिए D. Complain to the superior about their lack of contribution | उनके योगदान की कमी के बारे में सुपीरियर से कम्प्लेन करना चाहिए 10 / 75 Category: Employability Skill CBT Paper (II)10. The word 'resume' comes from French and means ________ | रेज़्यूमे' शब्द फ़्रेंच भाषा से आया है और इसका अर्थ ________ है । A. Experience | अनुभव B. education | शिक्षा C. placement | प्लेसमेंट D. summary | संक्षेप 11 / 75 Category: Employability Skill CBT Paper (II)11. For career growth and _________ we need to build ______ | करियर ग्रोथ और _________ के लिए हमें ______ बनाने की जरूरत है A. sustainability, new skills | स्थायित्व, नए कौशल B. skills, bridges | कौशल, ब्रिज C. sustainability, dams | स्थायित्व, डैम D. skills, sustainability | कौशल, स्थायित्व 12 / 75 Category: Employability Skill CBT Paper (II)12. In a team where members have different ideas and there is a disagreement, what should be done? | एक टीम में जहां सदस्यों के विचार अलग-अलग हों और असहमति हो, तो क्या किया जाना चाहिए? A. Discuss both ideas and find a way to make everyone agree | दोनों विचारों पर चर्चा करना और सभी को सहमत कराने का तरीका खोजना चाहिए B. Let them argue | उन्हें बहस करने दीजिए C. Choose one idea without discussion | बिना किसी चर्चा के एक विचार चुनना चाहिए D. Ask someone else to decide | किसी और से निर्णय लेने के लिए कहना चाहिए 13 / 75 Category: Employability Skill CBT Paper (II)13. Which one is a search engine?| कौन एक सर्च इंजन है? A. Flicker | फ़्लिकर B. Face book | फेसबुक C. Hotmail | हॉटमेल D. Google | गूगल 14 / 75 Category: Employability Skill CBT Paper (II)14. If you are making a new app useful for the people. Why it is important to test it? | अगर आप लोगों के लिए उपयोगी कोई नया ऐप बना रहे हैं। इसका टेस्ट करना क्यों आवश्यक है? A. To show people how good you are at making apps | लोगों को यह दिखाने के लिए कि आप ऐप्स बनाने में कितने अच्छे हैं B. To see how people use it and make it better | यह देखने के लिए कि लोग इसका उपयोग कैसे करते हैं और इसे बेहतर बनाते हैं C. Because it's fun to watch others try your app | क्योंकि दूसरों को अपना ऐप आज़माते हुए देखना मज़ेदार है D. To check if people like the colors and pictures | यह जांचने के लिए कि लोगों को रंग और तस्वीरें पसंद हैं या नहीं 15 / 75 Category: Employability Skill CBT Paper (II)15. What will keep evolving there by making jobs undergo changes? | ऐसा क्या विकसित होता रहेगा जिससे नौकरियों में परिवर्तन आएगा? A. Investment | इन्वेस्टमेंट B. Technology | टेक्नोलॉजी C. Workforce | वर्कफोर्स D. Time | टाइम 16 / 75 Category: Employability Skill CBT Paper (II)16. While applying for a job through email, what are the documents need to be attached? | ईमेल के माध्यम से नौकरी के लिए आवेदन करते समय, कौन से डाक्यूमेंट्स संलग्न करने की आवश्यकता है? A. Address Proof | निवास प्रमाण पत्र B. Resume, Course and Training Certificates | बायोडाटा, कोर्स और प्रशिक्षण प्रमाणपत्र C. Birth certificate | जन्म प्रमाणपत्र D. Photographs from childhood | बचपन की फोटो 17 / 75 Category: Employability Skill CBT Paper (II)17. ___________ is a code of behaviour that is based on respect, values and professionalism. | __________ व्यवहार का एक कोड है जो सम्मान, मूल्यों और व्यावसायिकता पर आधारित है। A. Education | शिक्षा B. Experience | अनुभव C. Business | व्यवसाय D. Workplace etiquette | कार्यस्थल शिष्टाचार 18 / 75 Category: Employability Skill CBT Paper (II)18. The ability to connect well with people _______ | लोगों के साथ अच्छी तरह जुड़ने की क्षमता _______ है । A. interpersonal skill | इंटरपर्सनल स्किल B. creativity | क्रिएटिविटी C. leadership | लीडरशिप D. time management | टाइम मैनेजमेंट 19 / 75 Category: Employability Skill CBT Paper (II)19. While talking about your business plan to the audience, how will you make them to understand your product better? | दर्शकों को अपने बिज़नेस प्लान के बारे में बात करते समय, आप उन्हें अपने प्रोडक्ट को बेहतर ढंग से कैसे समझाएँगे? A. Share overall business costs | ओवरऑल बिज़नेस लागत शेयर करना B. Repeat yourself multiple times | "अपने आप को कई बार दोहराएं" C. Tell a joke | एक जोक सुनाएँ D. Give demo of the product/service | प्रोडक्ट/सर्विस का डेमो दीजिए 20 / 75 Category: Employability Skill CBT Paper (II)20. What is called a media presentation shared over the Internet? | इंटरनेट पर साझा की जाने वाली मीडिया प्रेजेंटेशन को क्या कहा जाता है? A. Live telecast | लाइव टेलीकास्ट B. Webcast | वेबकास्ट C. Live media | लाइव मीडिया D. Seminar | सेमिनार 21 / 75 Category: Employability Skill CBT Paper (II)21. While presenting your business plan to audience, how will you engage them to connect with you?| दर्शकों के सामने अपनी व्यवसाय योजना प्रस्तुत करते समय, आप उन्हें अपने साथ कैसे जोड़ेंगे? A. Avoid eye contact with the audience | दर्शकों से आँख मिलाने से बचें B. Practice until you can confidently present your plan | अभ्यास तब तक करें जब तक आप आत्मविश्वास से अपनी योजना प्रस्तुत न कर सकें C. Share a story or an experience that shaped your idea | एक कहानी या अनुभव साझा करें जिसने आपके विचार को आकार दिया D. Repeat yourself multiple times | अपने आप को कई बार दोहराएं 22 / 75 Category: Employability Skill CBT Paper (II)22. Which of the following is a green practice? | निम्नलिखित में से कौन सा ग्रीन प्रैक्टिस है? A. Not separating recycle waste | रीसायकल कचरे को अलग नहीं करना B. Grow plants wherever possible | जहां भी संभव हो पौधे उगाना C. Using high power air conditioners | हाई पावर वाले एयर कंडीशनर का उपयोग करना D. Not using plastic containers | प्लास्टिक के कंटेनर का उपयोग नहीं करना 23 / 75 Category: Employability Skill CBT Paper (II)23. What is the standard way in which computers connected wireless? | कंप्यूटरों को वायरलेस तरीके से कनेक्ट करने का मानक तरीका क्या है? A. WAN | वैन B. ISP | आई0एस0पी C. LAN | लेन D. Wi-Fi | वाई-फाई 24 / 75 Category: Employability Skill CBT Paper (II)24. ______________is a file storage and synchronization service of cloud computing developed by Google. | ______________गूगल द्वारा विकसित क्लाउड कंप्यूटिंग की एक फ़ाइल स्टोरेज और सिंक्रनाइज़ेशन सेवा है। A. Hard disc | हार्ड डिस्क B. Internet Explorer | इंटरनेट एक्स्प्लोरर C. Google Drive | गूगल ड्राइव D. Netflix | नेटफ्लिक्स 25 / 75 Category: Electrician First Year CBT Paper (TT)1. Which type of load is protected by the L-series MCB? | L-श्रेणी MCB के द्वारा किस प्रकार के भार को सुरक्षित किया जाता है? A. Motors | मोटर B. Hand tools | दस्ती औजार C. Geyser | गीजर D. Air conditioner | वातानुकूलक 26 / 75 Category: Electrician Second Year CBT Paper (TT)1. What is the name of line insulator as shown in the figure? | चित्र में दिखाए गए लाइन इन्सुलेटर का नाम क्या है? A. Disc type insulator | डिस्क प्रकार इन्सुलेटर B. Shackle type insulator | शैकल प्रकार इन्सुलेटर C. Pin type insulator | पिन प्रकार इन्सुलेटर D. Suspension type insulator | निलंबन प्रकार इन्सुलेटर 27 / 75 Category: Electrician Second Year CBT Paper (TT)2. What is the purpose of the damper winding in a synchronous motor at starting? | सिंक्रोनस मोटर में स्टार्टिंग के समय डैम्पर वाइंडिंग का क्या उद्देश्य होता है? A. Produce a high magnetic-field to maintain a constant speed | एक नियत गति बनाए रखने के लिए एक उच्च चुंबकीय-क्षेत्र का निर्माण करें B. Produces a torque and runs near the synchronous speed | एक टॉर्क उत्पन्न करता है और सिंक्रोनस गति के करीब चलता है C. Produces a high current to oppose the stator flux | स्टेटर फ्लक्स का विरोध करने के लिए एक उच्च धारा उत्पन्न करता है D. Produces a high voltage to oppose the stator flux | स्टेटर फ्लक्स का विरोध करने के लिए एक उच्च वोल्टेज उत्पन्न करता है 28 / 75 Category: Electrician Second Year CBT Paper (TT)3. Calculate the speed of an alternator having 2 poles at a frequency of 50 Hz. | 50 हर्ट्ज की आवृत्ति पर 2 ध्रुवों वाले एक अल्टरनेटर की गति की गणना करें? A. 2500 rpm B. 6000 rpm C. 3000 rpm D. 1500 rpm 29 / 75 Category: Electrician Second Year CBT Paper (TT)4. Which device has very high input impedance, low noise output, good linearity and low inter electrode capacity? | किस उपकरण में बहुत अधिक इनपुट प्रतिबाधा, कम शोर निर्गत, अच्छा रैखिकता और कम अंतर इलेक्ट्रोड क्षमता है? A. NPN transistor | एनपीएन ट्रांजिस्टर B. PNP transistor | पीएनपी ट्रांजिस्टर C. Uni junction transistor | यूनीजंक्शन ट्रांजिस्टर D. Field effect transistor | फील्ड इफ़ेक्ट ट्रांजिस्टर 30 / 75 Category: Electrician Second Year CBT Paper (TT)5. What is the formula to calculate the resonance frequency in an oscillator circuit? | एक दोलन सर्किट में अनुनाद आवृत्ति की गणना करने का सूत्र क्या है? A. Fᵣ=1/2πLC B. Fᵣ=1/√(2πLC) C. Fᵣ=1/(LC√2π) D. Fᵣ=1/2π√LC 31 / 75 Category: Electrician Second Year CBT Paper (TT)6. How the opposite polarity of adjacent poles of a 4 pole DC motor is obtained? | 4 पोल डीसी मोटर के आसन्न ध्रुवों की विपरीत ध्रुवता कैसे प्राप्त की जाती है? A. By making the current flow in opposite direction | धारा को विपरीत दिशा में प्रवाहित करके B. By making the current flow in same direction | धारा को एक ही दिशा में प्रवाहित करके C. By decreasing the number of turns in coil | कुंडली में फेरों की संख्या घटाकर D. By increasing the number of turns in coil | कुंडली में फेरों की संख्या बढ़ाकर 32 / 75 Category: Electrician Second Year CBT Paper (TT)7. What happens, if time delay relay of an auto star delta starter still in closed condition after starting? | यदि ऑटो स्टार डेल्टा स्टार्टर का टाइम डिले रिले शुरू होने के बाद भी बंद स्थिति में हो तो क्या होगा? A. Motor runs normally | मोटर सामान्य रूप से चलती है B. Motor runs in delta only | मोटर केवल डेल्टा में चलती है C. Motor runs in high speed | मोटर हाई स्पीड में चलती है D. Motor runs in star only | मोटर केवल स्टार में चलती है 33 / 75 Category: Electrician Second Year CBT Paper (TT)8. What is the name of the winding test as shown in the circuit? | सर्किट में दिखाए गए वाइंडिंग परीक्षण का नाम क्या है? A. Continuity test | निरंतरता टेस्ट B. Short circuit test | शॉर्ट सर्किट टेस्ट C. Polarity test | ध्रुवता टेस्ट D. Insulation test | इंसुलेशन टेस्ट 34 / 75 Category: Electrician Second Year CBT Paper (TT)9. Which formula is used to calculate the speed of DC motor? | DC मोटर की गति की गणना करने के लिए किस सूत्र का उपयोग किया जाता है? A. N=K(EbΦ/60) B. N=K(EbΦ/120) C. N=K(Eb/Φ) D. N=K(Φ/Eb) 35 / 75 Category: Electrician Second Year CBT Paper (TT)10. How many number of parallel paths are in a wave wounded 6 pole DC machine? | एक तरंग घायल 6 ध्रुव DC मशीन में कितने समानांतर पथ हैं? A. 8 B. 2 C. 4 D. 6 36 / 75 Category: Electrician Second Year CBT Paper (TT)11. What is the name of instrument used to measure the insulation resistance of an alternator? | अल्टरनेटर के इन्सुलेशन प्रतिरोध को मापने के लिए उपयोग किए जाने वाले उपकरण का नाम क्या है? A. Series type ohmmeter | श्रृंखला प्रकार ओममीटर B. Shunt type ohmmeter | शंट प्रकार ओममीटर C. Multimeter | मल्टीमीटर D. Megger | मेगर 37 / 75 Category: Electrician Second Year CBT Paper (TT)12. What is the total turn-on time (ton) while transistor makes a transition from V2 to V1? | ट्रांजिस्टर V2 से V1 में परिवर्तन करते समय कुल टर्न-ऑन टाइम (ton) क्या है? A. ton= tr+ td+ ts B. ton= tr - ts C. ton= tr - td D. ton= td + t 38 / 75 Category: Electrician Second Year CBT Paper (TT)13. Which is the classification of drive according to dynamics and transients? | डायनामिक्स और ट्रांजिएंट्स के अनुसार ड्राइव का वर्गीकरण कौन सा है? A. Automatic control drive | स्वचालित नियंत्रण ड्राइव B. Controlled Transiet period | कंट्रोल्ड ट्रांसिएंट पीरियड C. Short time duty drive | शॉर्ट टाइम ड्यूटी ड्राइव D. Intermittent duty drive सविराम ड्यूटी ड्राइव 39 / 75 Category: Electrician Second Year CBT Paper (TT)14. Which method of speed control is only applicable for 3 phase slipring induction motor? | गति नियंत्रण की कौन सी विधि केवल 3 कला की स्लिप रिंग इंडक्शन मोटर के लिए आरोपित है? A. Rotor rheostat speed control | रोटर रिओस्टेट गति नियंत्रण B. Changing the number of stator poles method | स्टेटर ध्रुव विधि की संख्या को बदलना C. Changing the applied frequency method | आरोपित आवृत्ति विधि को बदलना D. Cascade operation method | कैस्केड संचालन विधि 40 / 75 Category: Electrician Second Year CBT Paper (TT)15. Which type of speed control of D.C series motor as shown in the figure? | चित्र में दिखाए अनुसार D.C श्रृंखला मोटर का गति नियंत्रण किस प्रकार का है? A. Field diverter method | फील्ड डायवर्टर विधि B. Field tapping method | फील्ड टेपिंग विधि C. Field parallel method | क्षेत्र समानांतर विधि D. Armature diverter method |आर्मेचर डायवर्टर विधि 41 / 75 Category: Electrician Second Year CBT Paper (TT)16. What is the reason of using shielded cable for connecting low signal circuits in D.C drives? | डी.सी. ड्राइव में कम सिग्नल सर्किट को जोड़ने के लिए परिरक्षित केबल का उपयोग करने का क्या कारण है? A. Good appearance | अच्छी दिखावट B. Eliminates the electrical interference | विधुत हस्तक्षेप को समाप्त करता है C. Protects from mechanical injuries | यांत्रिक चोटों से बचाता है D. Easy for connection | कनेक्शन के लिए आसान 42 / 75 Category: Electrician Second Year CBT Paper (TT)17. Which drive is classified according to mode of operation? | ऑपरेशन के मोड के अनुसार किस ड्राइव को वर्गीकृत किया गया है? A. Continuous duty drive | निरंतर ड्यूटी ड्राइव B. Group drive | समूह ड्राइव C. Individual drive | व्यक्तिगत ड्राइव D. Manual drive | मैनुअल ड्राइव 43 / 75 Category: Electrician Second Year CBT Paper (TT)18. Which test in winding is illustrated as shown in the figure? | चित्र में दर्शाए अनुसार वाइंडिंग में कौन सा परीक्षण दर्शाया गया है? A. Short circuit test | शॉर्ट सर्किट टेस्ट B. Polarity test | ध्रुवता टेस्ट C. Continuity test | निरंतरता परीक्षण D. Ground test | ग्राउंड टेस्ट 44 / 75 Category: Electrician Second Year CBT Paper (TT)19. What is the reason for providing two separate Earthing in the panel board? | पैनल बोर्ड में दो अलग-अलग अर्थिंग प्रदान करने का क्या कारण है? A. Ensure one earthing in case of other failure | अन्य विफलता के मामले में एक अर्थिंग सुनिश्चित करें B. Reduce the voltage drop in panel board | पैनल बोर्ड में वोल्टेज ड्रॉप को कम करें C. Panel board is made in metal box | पैनल बोर्ड धातु के बक्से में बनाया गया है D. Control the stray field in the panel | पैनल में स्ट्रे क्षेत्र को नियंत्रित करें 45 / 75 Category: Electrician Second Year CBT Paper (TT)20. What is the difference in the current control of MOSFET compared to JFETs? | JFETs की तुलना में MOSFET के वर्तमान नियंत्रण में क्या अंतर है? A. Using N material instead of P material | पी सामग्री के बजाय एन सामग्री का उपयोग करना B. Using P material instead of N material | एन सामग्री के बजाय पी सामग्री का उपयोग करना C. Using N material gate instead of P material | पी सामग्री के बजाय एन सामग्री गेट का उपयोग करना D. Insulating layer instead of junction | जंक्शन के बजाय इन्सुलेट परत 46 / 75 Category: Electrician Second Year CBT Paper (TT)21. Which type of single phase motor is illustrated as shown in the diagram? | चित्र में दिखाए अनुसार किस प्रकार की एकल चरण मोटर को दर्शाया गया है? A. Capacitor start induction run motor | कैपेसिटर स्टार्ट इंडक्शन रन मोटर B. Capacitor start capacitor run motor | कैपेसिटर स्टार्ट कैपेसिटर रन मोटर C. Permanent capacitor motor | स्थायी संधारित्र मोटर D. Universal motor | यूनिवर्सल मोटर 47 / 75 Category: Electrician Second Year CBT Paper (TT)22. Which metal is used to make the pole core of large DC machine? | बड़ी DC मशीन के पोल कोर को बनाने के लिए किस धातु का उपयोग किया जाता है? A. Cast steel | ढलवां इस्पात B. Soft iron | नर्म लोहा C. Stainless steel | स्टेनलेस स्टील D. Cast iron | ढलवां लोहा 48 / 75 Category: Electrician Second Year CBT Paper (TT)23. What is the name of the D.C generator as shown in the circuit? | जैसा कि सर्किट में दिखाया गया है, D.C जनरेटर का नाम क्या है? A. Separately excited generator | अलग से उतेजित जनरेटर B. Shunt generator | शंट जनरेटर C. Compound generator | यौगिक जनरेटर D. Series generator | श्रेणी जनरेटर 49 / 75 Category: Electrician Second Year CBT Paper (TT)24. What is the type of A.C voltage stabilizer? | A.C वोल्टेज स्टेबलाइजर का प्रकार क्या है? A. Constant voltage transformer stabilize | नियत वोल्टेज ट्रांसफार्मर स्थिर B. Servo voltage stabilizer | सर्वो वोल्टेज स्टेबलाइजर C. Automatic voltage stabilizer | स्वचालित वोल्टेज स्टेबलाइजर D. Manual stepped voltage stabilizer | मैनुअल स्टेप्ड वोल्टेज स्टेबलाइजर 50 / 75 Category: Electrician Second Year CBT Paper (TT)25. What is the formula for the efficiency of a D.C generator? | D.C जनरेटर की दक्षता का फॉर्मूला क्या है? A. Output/(Input - Losses) B. Input/Output C. Output/(Output + Losses) D. (Input + Losses)/Input 51 / 75 Category: Electrician Second Year CBT Paper (TT)26. Which is the function of an inverter? | इन्वर्टर का कार्य कौन सा है? A. Converts A.C voltage into higher A.C voltage | A.C वोल्टेज को उच्च A.C वोल्टेज में परिवर्तित करता है B. Converts D.C voltage into A.C voltage | D.C वोल्टेज को A.C वोल्टेज में परिवर्तित करता है C. Converts D.C voltage into higher D.C voltage | D.C वोल्टेज को उच्च D.C वोल्टेज में परिवर्तित करता है D. Converts A.C voltage into D.C voltage | A.C वोल्टेज को D.C वोल्टेज में परिवर्तित करता है 52 / 75 Category: Electrician Second Year CBT Paper (TT)27. Which circuit, the limit switches are used? | किस सर्किट में लिमिट स्विच का उपयोग किया जाता है? A. Street lighting सड़क प्रकाश B. Battery Charging Circuit | बैटरी चार्जिंग सर्किट C. Lift circuits | लिफ्ट सर्किट D. Domestic power circuits | घरेलू बिजली सर्किट 53 / 75 Category: Electrician Second Year CBT Paper (TT)28. What is the use of synchroscope? | सिंक्रोस्कोप का उपयोग क्या है? A. Adjust the output voltage | आउटपुट वोल्टेज को समायोजित करें B. Indicate the correct instant for paralleling | समानता के लिए सही तुरंत संकेत दें C. Adjust the supply frequency | आपूर्ति आवृत्ति समायोजित करें D. Adjust the phase sequence | फेज़ अनुक्रम समायोजित करें 54 / 75 Category: Electrician Second Year CBT Paper (TT)29. What is the name of the AC single phase motor as shown in the diagram? | चित्र में दर्शाए गए AC सिंगल फेज मोटर का नाम क्या है? A. Shaded pole motor | शेडेड पोल मोटर B. Resistance start induction run motor | रेज़िस्टेंस स्टार्ट इंडक्शन रन मोटर C. Universal motor | यूनिवर्सल मोटर D. Permanent capacitor motor | स्थायी संधारित्र मोटर 55 / 75 Category: Electrician Second Year CBT Paper (TT)30. Which are the two points that the brush contact resistance measured in D.C machines? | D.C मशीनों में, वे कौन से दो बिंदु हैं जो ब्रश संपर्क प्रतिरोध को मापते हैं? A. Resistance between the brush and armature | ब्रश और आर्मेचर के बीच प्रतिरोध B. Resistance between the brush and commutator | ब्रश और कम्यूटेटर के बीच प्रतिरोध C. Resistance between the brush and brush holder | ब्रश और ब्रश होल्डर के बीच प्रतिरोध D. Resistance between the opposite brushes | विपरीत ब्रश के बीच प्रतिरोध 56 / 75 Category: Electrician Second Year CBT Paper (TT)31. Which material is used as wedges in winding process? | वाइंडिंग प्रक्रिया में वेजेज के रूप में किस सामग्री का उपयोग किया जाता है? A. Cotton | कपास B. Bamboo | बांस C. Terylene | टेरीलीन D. Empire | एम्पायर 57 / 75 Category: Electrician Second Year CBT Paper (TT)32. What is the name of the part marked as ‘X’ of the winding machine as shown in the figure? | चित्र में दर्शाए अनुसार वाइंडिंग मशीन के ‘X’ से चिह्नित भाग का नाम क्या है? A. Wire guides | तार गाइड B. Wire feed | तार का चारा C. Spool carrier | स्पूल वाहक D. Mandrel | खराद का धुरा 58 / 75 Category: Electrician Second Year CBT Paper (TT)33. Which turbine is used for high head in the hydro power plant? | जल विधुत संयंत्र में उच्च हेड के लिए किस टरबाइन का उपयोग किया जाता है? A. Francis turbines | फ्रांसिस टर्बाइन B. Kaplan turbines | कापलान टर्बाइन C. Reaction turbines | प्रतिक्रिया टरबाइन D. Impulse | turbines 59 / 75 Category: Electrician Second Year CBT Paper (TT)34. What is the name of the regulator circuit as shown in the figure? | चित्र में दिखाए अनुसार रेगुलेटर सर्किट का नाम क्या है? A. Variable output voltage regulator | परिवर्तनीय आउटपुट वोल्टेज नियामक B. Fixed output voltage regulator | फिक्स्ड आउटपुट वोल्टेज रेगुलेटर C. Adjustable regulator | समायोज्य नियामक D. Basic positive regulator | बुनियादी सकारात्मक नियामक 60 / 75 Category: Electrician Second Year CBT Paper (TT)35. Calculate the percentage slip in a 3 phase induction motor having 6 poles with a frequency of 50 Hertz running with the actual speed of 960 rpm? | 50 Hertz की आवृत्ति वाले 6 ध्रुवों वाले 3 फेज प्रेरण मोटर में प्रतिशत स्लिप की गणना करें जो 960 rpm की वास्तविक गति से चल रही हो? A. 3% B. 4% C. 5% D. 2% 61 / 75 Category: Electrician Second Year CBT Paper (TT)36. Which type of armature winding is illustrated as shown in the figure? | चित्र में दिखाए अनुसार किस प्रकार की आर्मेचर वाइंडिंग दर्शाई गई है? A. Progressive lap winding | प्रगतिशील लैप वाइंडिंग B. Retrogressive lap winding | रिट्रोग्रेसिव लैप वाइंडिंग C. Triplex wave winding | ट्रिपलेक्स वेव वाइंडिंग D. Duplex wave winding | ड्यूपलेक्स वेव वाइंडिंग 62 / 75 Category: Electrician Second Year CBT Paper (TT)37. Why the pre heating is necessary for the rewounded AC motors before varnishing? | वार्निशिंग से पहले रिवाइंडेड AC मोटर के लिए प्री हीटिंग क्यों आवश्यक है? A. To dry out the varnish quickly in winding | वाइंडिंग में वार्निश को जल्दी से सुखाने के लिए B. To easy flow of varnish in the winding | वाइंडिंग में वार्निश के आसान प्रवाह के लिए C. To decrease the insulation resistance value | इन्सुलेशन प्रतिरोध मान को कम करने के लिए D. To dry out the moisture in the windings | वाइंडिंग में नमी को सुखाने के लिए 63 / 75 Category: Engineering Drawing CBT Paper (II)1. Which is the static machine that increase or decrease the AC voltage? | एसी वोल्टेज को बढ़ाने या घटाने वाली स्टेटिक मशीन कौन सी है? A. Induction motor | इंडक्शन मोटर B. Transformer | ट्रांसफार्मर C. Alternator | आल्टरनेटर D. Generator | जनरेटर 64 / 75 Category: Engineering Drawing CBT Paper (II)2. Identify the symbol used for microphone (general) in electrical and electronic circuits. | इलेक्ट्रिकल और इलेक्ट्रॉनिक सर्किट में माइक्रोफोन (सामान्य) के लिए उपयोग किए जाने वाले प्रतीक को पहचान करें। A. Option C | विकल्प C B. Option A | विकल्प A C. Option D | विकल्प D D. Option B | विकल्प B 65 / 75 Category: Engineering Drawing CBT Paper (II)3. Identify the wave form. | वेव फार्म को पहचानें A. Saw-tooth wave | सॉ-टूथ वेव B. Square wave | स्क्वेर वेव C. Sine wave | साइन वेव D. Triangle wave | त्रिकोण वेव 66 / 75 Category: Engineering Drawing CBT Paper (II)4. Which is protective device? | सुरक्षात्मक उपकरण कौन सा है? A. Resistor | रेसिस्टार B. Capacitor | कैपसिटर C. Fuse | फ्यूज़ D. Magnet | मैग्नेट 67 / 75 Category: Engineering Drawing CBT Paper (II)5. What is the material of line insulator? | लाइन इन्सुलेटर की सामग्री क्या है? A. Porcelain clay | प्रोर्सलिन क्ले B. Aluminium | अल्युमीनियम C. Rubber | रबड़ D. Copper | ताँबा 68 / 75 Category: Engineering Drawing CBT Paper (II)6. What is the name of the symbol? | प्रतीक का नाम क्या है? A. Microphone | माइक्रोफ़ोन B. Dynamic microphone | डायनामिक माइक्रोफोन C. Condenser microphone | कंडेंसर माइक्रोफोन D. Loud speaker | लाउड स्पीकर 69 / 75 Category: Workshop Calculation and Science CBT Paper (II)1. How the years is denoted in simple interest calculations? | साधारण ब्याज में साल को कैसे दर्शाया जाता है? A. r B. P C. n D. I 70 / 75 Category: Workshop Calculation and Science CBT Paper (II)2. What is the expanded form of (a+b)2?| (a+b)2 का विस्तारित रूप क्या है? A. a² + 2ab + b² B. a² - 2ab + b² C. -a² - 2ab + b² D. a² + 2ab - b² 71 / 75 Category: Workshop Calculation and Science CBT Paper (II)3. What is the term, for the details of materials, brand name, grade of quality, rating of current and voltage etc.? | पदार्थों का विवरण, ब्रांड नाम, गुणवत्ता की श्रेणी, धारा और वोल्टेज की रेटिंग आदि के लिए कौन-सा शब्द प्रयोग किया जाता है? A. Specification of materials | सामग्रियों की विशिष्टता B. Raw materials | कच्चा माल C. Drawing | चित्र D. Price catalogue | मूल्य सूची 72 / 75 Category: Workshop Calculation and Science CBT Paper (II)4. Which is used to reduce the friction in machine parts? | मशीन भागों में घर्षण को कम करने के लिए किसका उपयोग किया जाता है? A. Petrol | पेट्रोल B. Kerosene | मिट्टी का तेल C. Water | पानी D. Lubricants | स्नेहक 73 / 75 Category: Workshop Calculation and Science CBT Paper (II)5. What is the term used for the method of calculating various quantities and expenditure on a particular job or process? | किसी विशिष्ट कार्य या प्रक्रिया में विभिन्न मात्राओं और व्यय की गणना करने की विधि के लिए प्रयोग में ली जाने वाली शब्दावली क्या है? A. Drawing | चित्रकला B. Plan | योजना C. Specification | विवरण D. Estimation | आंकलन 74 / 75 Category: Workshop Calculation and Science CBT Paper (II)6. What is the value of a x a2 x a3 x a4 ? | a x a2 x a3 x a4 का मान क्या है? A. a¹⁰ B. a⁹ C. a⁸ D. a⁷ 75 / 75 Category: ES 2 Year Module 4- Professional Skills1. What does working well together mean? A. Sharing ideas and listening B. Offering to help when someone needs it C. Finding solutions together D. All of these Your score isThe average score is 52% 0% Restart quiz Exit WhatsApp और YouTube चैनल से जुड़े रहनाWhats App Fitter Free CBT Practice SetCOPA Free Practice SetDraughtsman Civil Free CBT Practice SetDraughtsman Mechanic Free CBT Practice SetFashion Design & TechnologyElectronic Mechanic Free CBT Practice Set अत्यधिक चर्चा में ITI Supplementary Exam Eligibility December 2025: Attendance और FA से जुड़े महत्वपूर्ण नियम | DGT के नए आदेश की पूरी जानकारी NCVT सप्लीमेंट्री/लेफ्टओवर परीक्षा (दिसम्बर-2025): उत्तर प्रदेश के प्रशिक्षार्थियों के लिए SCVT पोर्टल पर पंजीकरण शुरू SIDH पोर्टल पर कब होंगे बाकी बचे Trainee Migrate? CTS एडमिशन और डेटा अपलोड की अंतिम तिथि क्या है? DGT API Schedule PRADAN Taluk Coordinator Recruitment 2025: कर्नाटक में 32-36 हजार वेतन के साथ नई भर्ती Bank of India Recruitment 2025: स्केल-II, III और IV ऑफिसर्स की बड़ी भर्ती – आवेदन शुरू PNB LBO भर्ती 2025: पंजाब नेशनल बैंक में 750 लोकल बैंक ऑफिसर पदों पर आवेदन शुरू – योग्यता, सिलेबस, चयन प्रक्रिया और ऑनलाइन फॉर्म