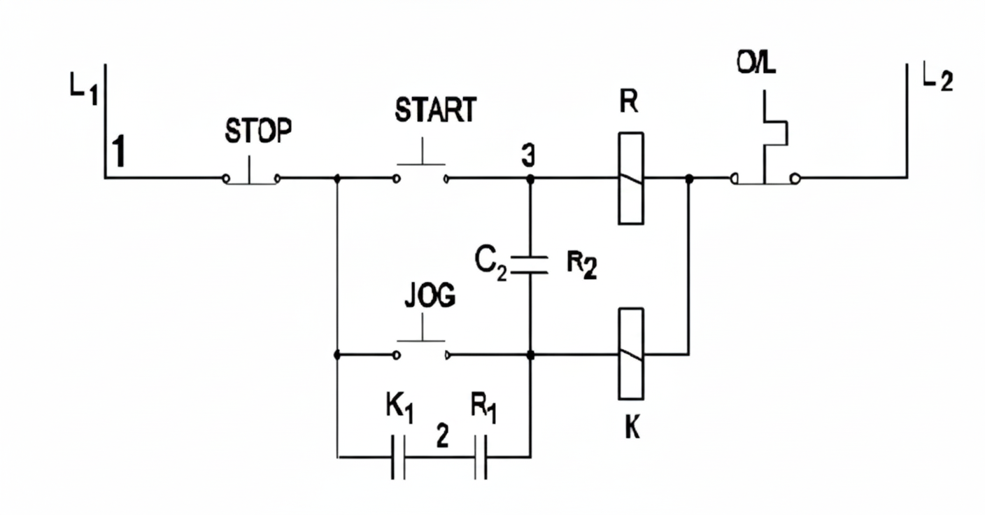
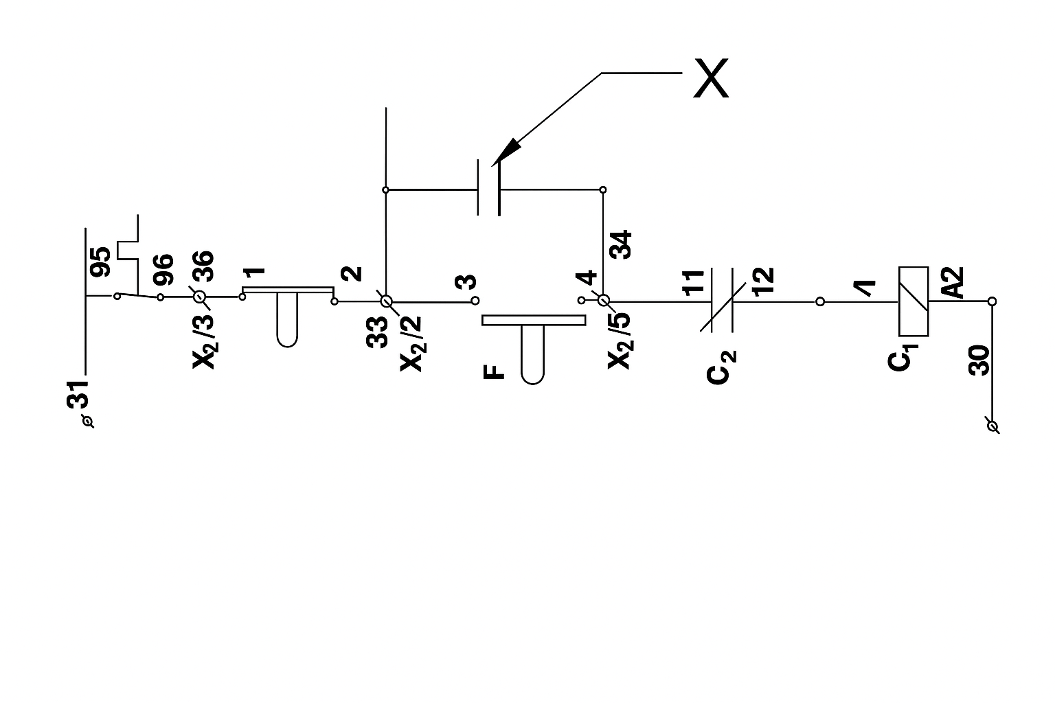
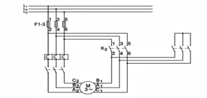
Electrician Second Year – Trade Theory Set – 06By itikegyani.com / April 1, 2025 /25 16 Electrician Second Year - Trade Theory Practice Set 06यहाँ प्रत्येक पेपर में 25 महत्वपूर्ण प्रश्न होते हैं। यह क्विज ITI परीक्षा की तैयारी के लिए बेहद उपयोगी हैं, जिससे आप कहीं भी, कभी भी अध्ययन और अभ्यास कर सकते हैं। ITI के ज्ञानी द्वारा तैयार किए गए ये मॉक प्रैक्टिस पेपर परीक्षा के पैटर्न के अनुसार बनाए गए हैं, जिससे आपको वास्तविक परीक्षा का अनुभव मिलेगा और आत्मविश्वास बढ़ेगा। 1 / 25 Category: Electrician Second Year CBT Paper (TT)1. Which term refers that the mass of a substance liberated from an electrolyte by one coulomb of electricity? | किस शब्द से तात्पर्य है कि किसी पदार्थ का द्रव्यमान इलेक्ट्रोलाइट से एक कूलाम विधुत द्वारा मुक्त होता है? A. Electro chemical equivalent | विधुत रासायनिक तुल्यांक B. Electro plating | विधुत लेपन C. Electro copying | इलेक्ट्रो नकल D. Electrolysis | विधुत अपघटन 2 / 25 Category: Electrician Second Year CBT Paper (TT)2. Which operation the control circuit is used? कण्ट्रोल सर्किट का उपयोग किस ऑपरेशन में किया जाता है? A. Forward and reverse | आगे और पीछे B. Remote control | रिमोट कंट्रोल C. Sequential control अनुक्रमिक नियंत्रण D. Inching | इन्चिंग 3 / 25 Category: Electrician Second Year CBT Paper (TT)3. What is the name of the symbol as shown in the figure? | चित्र में दर्शाए गए प्रतीक का नाम क्या है? A. Induction motor, three phase with wound rotor | प्रेरण मोटर, घाव रोटर के साथ तीन चरण B. Induction motor, three phase delta connected | इंडक्शन मोटर, तीन चरण डेल्टा जुड़ा हुआ C. Induction motor, three phase squirrel cage | प्रेरण मोटर, तीन चरण स्क्विरल केज D. Induction motor, three phase star connected | इंडक्शन मोटर, थ्री फेज स्टार कनेक्टेड 4 / 25 Category: Electrician Second Year CBT Paper (TT)4. Which type of testing of winding is illustrated as shown in the figure? | जैसा कि चित्र में दिखाया गया है, वाइंडिंग का किस प्रकार का परीक्षण दर्शाया गया है? A. Polarity test | ध्रुवता टेस्ट B. Short circuit test | शॉर्ट सर्किट टेस्ट C. Resistance test | प्रतिरोध परीक्षण D. Voltage drop test | वोल्टेज ड्रॉप परीक्षण 5 / 25 Category: Electrician Second Year CBT Paper (TT)5. Why the rotor bars are mounted in a slightly skewed position in 3 phase motor? | रोटर चालकों को 3 कला मोटर में थोड़ी तिरछी स्थिति में क्यों रखा जाता है? A. Produce more uniform rotor field and torque | अधिक समान रोटर क्षेत्र और बलाघूर्णका उत्पादन करें B. Generate minimum flux | न्यूनतम फ्लक्स उत्पन्न करें C. Maintain the rotor speed constant | रोटर गति को स्थिर बनाए रखें D. Reduce the stray losses | स्ट्रे हानि कम करें 6 / 25 Category: Electrician Second Year CBT Paper (TT)6. Which device is avoided in the panel board assembly? | पैनल बोर्ड असेंबली में किस उपकरण से बचा जाता है? A. Sensors | सेंसर B. Indicating lamp | संकेत दीपक C. Isolating switch | विलगित स्विच D. Push button switch | पुश बटन स्विच 7 / 25 Category: Electrician Second Year CBT Paper (TT)7. Which is a passive component? | एक निष्क्रिय घटक कौन सा है? A. Diac | डायक B. Diode | डायोड C. Transistor | ट्रांजिस्टर D. Capacitor | कैपसिटर 8 / 25 Category: Electrician Second Year CBT Paper (TT)8. What is the use of the voltage dependent resistor? | वोल्टेज पर निर्भर प्रतिरोधक का उपयोग क्या है? A. For the temperature compensation | तापमान क्षतिपूर्ति के लिए B. For the impendance measurement | प्रतिबाधा माप के लिए C. For the over voltage protection | ओवर वोल्टेज सुरक्षा के लिए D. For the resistance measurement | प्रतिरोध माप के लिए 9 / 25 Category: Electrician Second Year CBT Paper (TT)9. What is the name of the circuit as shown in the diagram? | चित्र में दिखाए गए सर्किट का नाम क्या है? A. Power circuit of star delta starter | स्टार डेल्टा स्टार्टर का पावर सर्किट B. Power circuit of rotor resistance starter | रोटर प्रतिरोध स्टार्टर का पावर सर्किट C. Control circuit of rotor resistance starter | रोटर प्रतिरोध स्टार्टर का नियंत्रण सर्किट D. Control circuit of star delta starter | स्टार डेल्टा स्टार्टर का नियंत्रण सर्किट 10 / 25 Category: Electrician Second Year CBT Paper (TT)10. What is the name of the substation that all equipment of substation is installed within the station building? | उस सबस्टेशन का नाम क्या है जिसके सभी उपकरण स्टेशन भवन के भीतर स्थापित किए गए हैं? A. Pole mounted substation | पोल माउंटेड सबस्टेशन B. Indoor substation | इनडोर सबस्टेशन C. Outdoor substation | आउटडोर सब स्टेशन D. Plinth mounted substation | प्लिंथ माउंटेड सबस्टेशन 11 / 25 Category: Electrician Second Year CBT Paper (TT)11. Which is the correct sequence of operation of contactors for operating an automatic star delta starter? | स्वचालित स्टार डेल्टा स्टार्टर के संचालन के लिए संपर्ककों के संचालन का सही क्रम कौन सा है? A. Star→Timer→Delta→Main B. Main→Star→Delta→Timer C. Star→Main→Timer→Delta D. Main→Timer→Delta→Star 12 / 25 Category: Electrician Second Year CBT Paper (TT)12. What is the function of collar as shown in the figure? | जैसा कि चित्र में दिखाया गया है, कॉलर का क्या कार्य है? A. Helps tightening material for flange | निकले हुए किनारे के लिए सामग्री को कसने में मदद करता है B. Provides insulation for coil tapping | कुंडल टेपिंग के लिए इन्सुलेशन प्रदान करता है C. Provides insulation for heat transfer from coil | कुंडल से ऊष्मा स्थास्तांतरण के लिए इन्सुलेशन प्रदान करता है D. Provides insulation around field | क्षेत्र के चारों ओर इन्सुलेशन प्रदान करता है 13 / 25 Category: Electrician Second Year CBT Paper (TT)13. Why the A.C drives are better suited for high speed operation? | हाई स्पीड ऑपरेशन के लिए A.C ड्राइव बेहतर क्यों है? A. No brushes and commutation | कोई ब्रश और कम्यूटेशन नहीं B. Robust in construction | निर्माण में मजबूत C. Having lighter gauge winding | हल्की गेज वाइंडिंग होना D. High starting torque | हाई स्टार्टिंग टॉर्क 14 / 25 Category: Electrician Second Year CBT Paper (TT)14. What is the name of the part marked as ‘X’ of the winding machine as shown in the figure? | चित्र में दर्शाए अनुसार वाइंडिंग मशीन के ‘X’ से चिह्नित भाग का नाम क्या है? A. Mandrel | खराद का धुरा B. Wire guides | तार गाइड C. Spool carrier | स्पूल वाहक D. Wire feed | तार का चारा 15 / 25 Category: Electrician Second Year CBT Paper (TT)15. Which DC Motor is designed to work with the full load limits? | कौन सी DC मोटर पूर्ण भार सीमा के साथ काम करने के लिए डिज़ाइन की गई है? A. Shunt motor | शंट मोटर B. Cumulative compound motor | संचयी यौगिक मोटर C. Series motor | श्रेणी मोटर D. Differential compound motor | विभेदक यौगिक मोटर 16 / 25 Category: Electrician Second Year CBT Paper (TT)16. What is the name of the amplifier as shown in the circuit? | सर्किट में दर्शाए गए एम्प्लीफायर का नाम क्या है? A. Small signal amplifier | छोटा सिग्नल एम्पलीफायर B. Power amplifier | पॉवर एम्पलीफायर C. Voltage amplifier | वोल्टेज एम्पलीफायर D. Current amplifier | करंट एम्पलीफायर 17 / 25 Category: Electrician Second Year CBT Paper (TT)17. What is the reason for widened barrier in a reverse biased diode? | रिवर्स बायस्ड डायोड में चौड़ी बाधा का कारण क्या है? A. Electron in N material is drifted to negative terminal | N सामग्री में इलेक्ट्रॉन ऋणात्मक टर्मिनल की ओर प्रवाहित होता है B. Minority carriers in two materials are neutralised | दो सामग्रियों में अल्पसंख्यक वाहक उदासीन होना C. Electrons and holes are attracted towards supply terminals | इलेक्ट्रॉन और होल आपूर्ति टर्मिनलों की ओर आकर्षित होते हैं D. Holes in P material attracted to positive terminal | P सामग्री में होल सकारात्मक टर्मिनल की ओर आकर्षित होते हैं 18 / 25 Category: Electrician Second Year CBT Paper (TT)18. What is the name of the part of DC generator as shown in the figure? | चित्र में दर्शाए गए DC जनरेटर के भाग का नाम क्या है? A. Yoke (or) frame | योक (या) फ्रेम B. Pole core | ध्रुव कोर C. Pole shoes | पोल शू D. Stator | स्टेटर 19 / 25 Category: Electrician Second Year CBT Paper (TT)19. What is the phase displacement between winding in 3 phase motor? | 3 कला मोटर में वाइडिंग के बीच कला विस्थापन क्या है? A. 180° | १८०° B. 360 degree / ३६० डिग्री C. 120° | १२०° D. 90° | ९०° 20 / 25 Category: Electrician Second Year CBT Paper (TT)20. What is the name of the D.C generator as shown in the circuit? | जैसा कि सर्किट में दिखाया गया है, D.C जनरेटर का नाम क्या है? A. Compound generator | यौगिक जनरेटर B. Shunt generator | शंट जनरेटर C. Separately excited generator | अलग से उतेजित जनरेटर D. Series generator | श्रेणी जनरेटर 21 / 25 Category: Electrician Second Year CBT Paper (TT)21. What is the name of the device marked as ‘X’ as shown in the figure? | चित्र में दिखाए अनुसार ‘X’ से चिह्नित डिवाइस का नाम क्या है? A. Main contact | मुख्य संपर्क B. Start button | स्टार्ट बटन C. Stop button | स्टॉप बटन D. Auxiliary contact | सहायक संपर्क 22 / 25 Category: Electrician Second Year CBT Paper (TT)22. What is the voltage regulation in percentage if the load is removed from an alternator, the voltage rises from 480V to 660V. | यदि किसी अल्टरनेटर से लोड हटा दिया जाए तो वोल्टेज 480V से 660V तक बढ़ जाता है तो वोल्टेज विनियमन प्रतिशत में क्या होगा? A. 38.5% B. 27.2% C. 37.5% D. 32.5% 23 / 25 Category: Electrician Second Year CBT Paper (TT)23. What is the full form of NTC resistors? | NTC रेसिस्टर्स का पूर्ण रूप क्या है? A. Negative Temperature Co-efficient Resistor | ऋणात्मक तापमान गुणांक प्रतिरोधक B. Non Temperature Co-efficient Resistor | गैर तापमान गुणांक प्रतिरोधक C. Natural Temperature Co-efficient Resistor | प्राकृतिक तापमान गुणांक प्रतिरोधक D. Neutral Temperature Co-efficient Resistor | तटस्थ तापमान गुणांक प्रतिरोधक 24 / 25 Category: Electrician Second Year CBT Paper (TT)24. Which type of armature winding is illustrated as shown in the figure? | चित्र में दिखाए अनुसार किस प्रकार की आर्मेचर वाइंडिंग दर्शाई गई है? A. Progressive lap winding | प्रगतिशील लैप वाइंडिंग B. Triplex wave winding | ट्रिपलेक्स वेव वाइंडिंग C. Duplex wave winding | ड्यूपलेक्स वेव वाइंडिंग D. Retrogressive lap winding | रिट्रोग्रेसिव लैप वाइंडिंग 25 / 25 Category: Electrician Second Year CBT Paper (TT)25. Which type of machine in industries is provided with multi motor electric drive? | उद्योगों में किस प्रकार की मशीन मल्टी मोटर इलेक्ट्रिक ड्राइव के साथ प्रदान की जाती है? A. Air Compressor | एयर कम्पेसर B. Heavy duty electric drilling machine | भारी कार्य इलेक्ट्रिक ड्रिलिंग मशीन C. Shearing machine | शेयरिंग मशीन D. Rolling machine | घुमाने वाली मशीन Your score isThe average score is 55% 0% Restart quiz Exit Workshop CalculationEngineering DrawingEmployability SkillElectrician CBT PapersWhatsApp और YouTube चैनल से जुड़े रहनाWhats App अत्यधिक चर्चा में ITI Supplementary Exam Eligibility December 2025: Attendance और FA से जुड़े महत्वपूर्ण नियम | DGT के नए आदेश की पूरी जानकारी NCVT सप्लीमेंट्री/लेफ्टओवर परीक्षा (दिसम्बर-2025): उत्तर प्रदेश के प्रशिक्षार्थियों के लिए SCVT पोर्टल पर पंजीकरण शुरू SIDH पोर्टल पर कब होंगे बाकी बचे Trainee Migrate? CTS एडमिशन और डेटा अपलोड की अंतिम तिथि क्या है? DGT API Schedule PRADAN Taluk Coordinator Recruitment 2025: कर्नाटक में 32-36 हजार वेतन के साथ नई भर्ती Bank of India Recruitment 2025: स्केल-II, III और IV ऑफिसर्स की बड़ी भर्ती – आवेदन शुरू PNB LBO भर्ती 2025: पंजाब नेशनल बैंक में 750 लोकल बैंक ऑफिसर पदों पर आवेदन शुरू – योग्यता, सिलेबस, चयन प्रक्रिया और ऑनलाइन फॉर्म