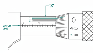
Fitter First Year – Trade Theory Set – 11By itikegyani.com / April 6, 2025 /25 3 Fitter First Year - Trade Theory Practice Set 11यहाँ प्रत्येक पेपर में 25 महत्वपूर्ण प्रश्न होते हैं। यह क्विज ITI परीक्षा की तैयारी के लिए बेहद उपयोगी हैं, जिससे आप कहीं भी, कभी भी अध्ययन और अभ्यास कर सकते हैं। ITI के ज्ञानी द्वारा तैयार किए गए ये मॉक प्रैक्टिस पेपर परीक्षा के पैटर्न के अनुसार बनाए गए हैं, जिससे आपको वास्तविक परीक्षा का अनुभव मिलेगा और आत्मविश्वास बढ़ेगा। 1 / 25 Category: Fitter First Year CBT Paper (TT)1. Which metal is resistant to many types of acids? | कौन सी धातु कई प्रकार के अम्लों के लिए प्रतिरोधी है? A. Chromium | क्रोमियम B. Nickel | निकल C. Lead | लीड D. Tin | टिन 2 / 25 Category: Fitter First Year CBT Paper (TT)2. Name the material for jaws of 3 jaw chuck. | 3 जबड़े चक के जबड़े के लिए सामग्री का नाम बताइए। A. Medium carbon steel | मध्यम कार्बन स्टील B. Low carbon steel | कम कार्बन स्टील C. High carbon steel | उच्च कार्बन स्टील D. Tool steel | उपकरण स्टील 3 / 25 Category: Fitter First Year CBT Paper (TT)3. Which reamer will have a long taper lead? | कौन से रीमर में लंबा टेपर लीड होगा? A. Helical fluted reamer | हेलीकल फ्लूट रीमर B. Socket reamer | सॉकेट रीमर C. Hand reamer | हैण्ड रीमर D. Machine reamer | मशीन रीमर 4 / 25 Category: Fitter First Year CBT Paper (TT)4. What is the range of carbon content in cast iron alloy? | कास्ट आयरन एलाय में कार्बन कंटेंट की रेंज क्या होती है? A. 2 to 4% B. 5 to 9% C. 6 to 9% D. 10 to 12% 5 / 25 Category: Fitter First Year CBT Paper (TT)5. Name the joint made by fastening two edges of sheet metal together | शीट धातु के दो किनारों को एक साथ जोड़ने द्वारा बनाया गया जॉइंट का नाम बताए A. Groove | ग्रूव B. Hem | हेम C. Seam | सीम D. Notch | नौच 6 / 25 Category: Fitter First Year CBT Paper (TT)6. What is the name of part marked ‘X’ in dial gauge? | डायल गेज में ‘X’ के रूप में चिह्नित भाग का नाम क्या है? A. Plunger | प्लंजर B. Anvil | एनविल C. Stem | स्टेम D. Pointer | प्वांइटर 7 / 25 Category: Fitter First Year CBT Paper (TT)7. Which process blow out the cylinder valve socket before connecting the regulator? | रेगुलेटर को जोड़ने से पहले सिलेंडर वाल्व सॉकेट को कौन सी प्रक्रिया ब्लो आउट कर देती है? A. Cracking | क्रेकिंग B. Pressure testing | दबाव परीक्षण C. Back fire | बेक फायर D. Flash back | फ़्लैश बेक 8 / 25 Category: Fitter First Year CBT Paper (TT)8. Which part is mainly supporting the lengthy job in lathe machine? | कौन सा भाग मुख्य रूप से खराद मशीन में लंबी जॉब को सपोर्ट करता है? A. Dog carrier | डॉग कैरियर B. Steady rest | स्टैडि रेस्ट C. Face plate | फेस प्लेट D. Dead centre | डेड सेन्टर 9 / 25 Category: Fitter First Year CBT Paper (TT)9. Which is the vertical distance from crest to the root? | क्रेस्ट से रूट तक की ऊर्ध्वाधर दूरी कौन सी है? A. Flank | फ्लेंक B. Pitch | पिच C. Depth | गहराई D. Lead | लीड 10 / 25 Category: Fitter First Year CBT Paper (TT)10. What is the equipment used to protect the body from flying spark during gas cutting? | गैस कटिंग के दौरान शरीर को उड़ने वाली चिंगारी से बचाने के लिए उपयोग किए जाने वाले उपकरण क्या हैं? A. Leather cap | चमड़े की टोपी B. Leather apron | चमड़े का एप्रन C. Cutting goggles | कटिंग गोगल्स D. Leather shoes | चमड़े के जूते 11 / 25 Category: Fitter First Year CBT Paper (TT)11. Which is the immediate life saving procedure? | तत्काल जीवन रक्षक प्रक्रिया कौन सी है? A. First Aid | प्राथमिक चिकित्सा B. Medical treatment | चिकित्सा उपचार C. Call a doctor | चिकित्षक को बुलाओ D. Intensive care | गहन देखभाल 12 / 25 Category: Fitter First Year CBT Paper (TT)12. What is the purpose of type “N” twist drills? | टाइप “N” ट्विस्ट ड्रिल का उद्देश्य क्या है? A. Used for brittle material | भंगुर सामग्री के लिए इस्तेमाल B. Used for normal low carbon steel | सामान्य निम्न कार्बन स्टील के लिए उपयोग C. Used for hard material | कठोर मटेरियल के लिए इस्तेमाल D. Used for soft and tough material | नरम और सख्त सामग्री के लिए उपयोग 13 / 25 Category: Fitter First Year CBT Paper (TT)13. Which part in drilling machine is to achieve different speed? | ड्रिलिंग मशीन में कौन सा भाग विभिन्न गति प्राप्त करने के लिए है? A. Jockey pulley | जॉकी पुल्ली B. Flat pulley | फ्लैट पुल्ली C. Stepped pulley | स्टेप पुल्ली D. Fast and loose pulley | फ़ास्ट एंड लूस पुल्ली 14 / 25 Category: Fitter First Year CBT Paper (TT)14. Which sheet metal is easiest to joint and solder? | जोड़ और सोल्डर के लिए कौन सी धातु की शीट सबसे आसान है? A. Stainless sheet | स्टेनलेस शीट B. Galvanised iron | जस्ता लोहा C. Tinned plate | टिन्ड प्लेट D. Lead | लीड 15 / 25 Category: Fitter First Year CBT Paper (TT)15. Name the tool used to check the squareness of a sheet. | शीट के चौकोरपन की जाँच करने के लिए उपयोग किए जाने वाले उपकरण का नाम बताइए। A. Radius gauge | त्रिज्या गेज B. Standard wire gauge | मानक तार गेज C. Try square | ट्राई स्क्वायर D. Steel rule | स्टील रूल 16 / 25 Category: Fitter First Year CBT Paper (TT)16. What is the flux used for soldering in the form of powder and evaporates while heating? | पाउडर के रूप में सोल्डरिंग के लिए इस्तेमाल किया जाने वाला फ्लक्स कौनसा है जो गर्म करते समय वाष्पित हो जाता है? A. Zinc chloride | जिंक क्लोराइड B. Ammonium chloride | अमोनियम क्लोराइड C. Hydrochloric acid | हाइड्रोक्लोरिक एसिड D. Resin | रेसिन 17 / 25 Category: Fitter First Year CBT Paper (TT)17. Calculate the tap drill size for M10 x 1.25. | M10 x 1.25 के लिए टैप ड्रिल साइज़ की गणना करें। A. 8.8 mm B. 8.7 mm C. 8.65 mm D. 8.75 mm 18 / 25 Category: Fitter First Year CBT Paper (TT)18. What is the use of bevel protractor? | बेवेल प्रोट्रैक्टर का उपयोग क्या है? A. Measure the depth | गहराई नापना B. Measure the angle | कोण को मापना C. Set the work piece | कार्य खण्ड को सेट करें D. Check the length | लंबाई की जांच 19 / 25 Category: Fitter First Year CBT Paper (TT)19. What is measured with telescopic gauge? | टेलिस्कोपिंग गेज से क्या नापा जाता है? A. Depth | गहराई B. Size of holes, slots and recesses | छिद्र स्लोट औ रिससेसों C. Angular dimension | कोणीय डायमेन्शन D. External dimension | बाहरी डायमेन्शन 20 / 25 Category: Fitter First Year CBT Paper (TT)20. What is the name of the process of finishing the drilled hole? | ड्रिल किए गए छेद को फिनिश करने की प्रक्रिया का क्या नाम है? A. Reaming | रीमिंग B. Spot facing | स्पॉट फेसिंग C. Counter sinking | काउंटर सिंकिंग D. Counter boring | काउंटर बोरिंग 21 / 25 Category: Fitter First Year CBT Paper (TT)21. What is the name of gauge? इस गेज का नाम क्या है? A. Radius gauge | त्रिज्या गेज B. Feeler gauge | फीलर गेज C. Pitch gauge | पिच गेज D. Angle gauge | एंगल गेज 22 / 25 Category: Fitter First Year CBT Paper (TT)22. What is called the metal deposited during one pass? | एक पास में जमा होने वाली धातु को क्या कहते हैं? A. Run | रन B. Root run | रूट रन C. Backing run | बैकिंग रन D. Sealing run | सीलिंग रन 23 / 25 Category: Fitter First Year CBT Paper (TT)23. How the brazing operation is prevented from atmospheric affects? | वायुमंडलीय प्रभावों से ब्रेजिंग ऑपरेशन को कैसे रोका जाता है? A. By using filler rod | फिलर रॉड का उपयोग करके B. By using flux | फ्लक्स का उपयोग करके C. By using spelter | स्पेल्टर का उपयोग करके D. By using flame | लौ का उपयोग करके 24 / 25 Category: Fitter First Year CBT Paper (TT)24. What is the name of the part marked as ‘X’ in vernier micrometer? | वर्नियर माइक्रोमीटर में 'X’ के रूप में चिह्नित भाग का नाम क्या है? A. Barrel | बैरल B. Vernier division | वर्नियर डिवीजन C. Thimble | थिम्बल D. Datum line | डेटम लाइन 25 / 25 Category: Fitter First Year CBT Paper (TT)25. What is the name of the angle in the drill bit marked as ‘X’? | ड्रिल बिट में 'X' के द्वारा चिह्नित किया गया कोण का क्या नाम है? A. Chisel angle | छेनी का कोण B. Rake angle | रेक कोण C. Lip clearance angle | लिप क्लीयरेंस कोण D. Point angle | बिंदु कोण Your score isThe average score is 72% 0% Restart quiz Exit Workshop CalculationEngineering DrawingEmployability SkillFitter Second Year CBT PapersWhatsApp और YouTube चैनल से जुड़े रहनाWhats App अत्यधिक चर्चा में ITI Supplementary Exam Eligibility December 2025: Attendance और FA से जुड़े महत्वपूर्ण नियम | DGT के नए आदेश की पूरी जानकारी NCVT सप्लीमेंट्री/लेफ्टओवर परीक्षा (दिसम्बर-2025): उत्तर प्रदेश के प्रशिक्षार्थियों के लिए SCVT पोर्टल पर पंजीकरण शुरू SIDH पोर्टल पर कब होंगे बाकी बचे Trainee Migrate? CTS एडमिशन और डेटा अपलोड की अंतिम तिथि क्या है? DGT API Schedule PRADAN Taluk Coordinator Recruitment 2025: कर्नाटक में 32-36 हजार वेतन के साथ नई भर्ती Bank of India Recruitment 2025: स्केल-II, III और IV ऑफिसर्स की बड़ी भर्ती – आवेदन शुरू PNB LBO भर्ती 2025: पंजाब नेशनल बैंक में 750 लोकल बैंक ऑफिसर पदों पर आवेदन शुरू – योग्यता, सिलेबस, चयन प्रक्रिया और ऑनलाइन फॉर्म