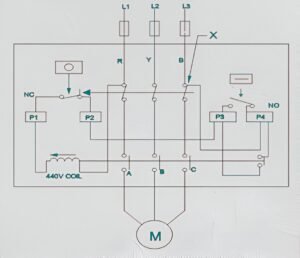
RAC Second Year CBT Paper – Set -07By itikegyani.com / March 30, 2025 /75 18 यह पेपर 2 घंटे का है 2 घंटे बाद पेपर अपने आप सबमिट हो जायेगा और आप चाहें तो 2 घंटे से पहले भी सबमिट कर सकते है|सॉरी समय समाप्त हो गया|Refrigeration and Air Conditioning Technician CBT Paper Second Year (Quiz -07)इस पेपर में 75 प्रशन है जिसमे Trade Tehory के 38 प्रशन, Workshop Calculation and Science के 06 प्रशन, Engineering Drawing के 06 प्रशन, Employability Skill के 25 प्रशन , प्रत्येक प्रशन 2 मार्क्स का है और किसी प्रकार की नेगेटिव मार्किंग नहीं है| 1 / 75 Category: Workshop Calculation and Science CBT Paper (II)1. What is the formula for circumference of a circle? वृत्त की परिधि का सूत्र क्या है? A. πr² B. 2πr C. πd²/4 D. πr 2 / 75 Category: Workshop Calculation and Science CBT Paper (II)2. What is the purpose of a lubricant? | स्नेहक का उद्देश्य क्या है? A. To reduce friction | घर्षण को कम करने के लिए B. To increase friction | घर्षण को बढ़ाने के लिए C. To reduce pressure | दबाव को कम करने के लिए D. To increase the pressure | दबाव बढ़ाने के लिए 3 / 75 Category: Workshop Calculation and Science CBT Paper (II)3. Which line is called as chord?| कौन सी लाइन को ज्या कहा जाता है? A. AB B. OD C. OE D. ED 4 / 75 Category: Workshop Calculation and Science CBT Paper (II)4. What is the centre of gravity of a sphere? | किसी गोले की गुरुत्व का केंद्र क्या है? A. At the diameter | व्यास पर B. At the radius | त्रिज्या पर C. At the centre | केंद्र में D. On the circumference | परिधि पर 5 / 75 Category: Workshop Calculation and Science CBT Paper (II)5. What is a hand book? | पुस्तिका क्या है? A. Model book of various works | विभिन्न कार्य का मॉडल बुक B. Type of reference work or other collection of instruction | संदर्भ कार्य का प्रकार या अनुदेश का अन्य संग्रह C. Dictionary of materials | सामग्री का शब्दकोश D. Design book of latest works | नवीनतम कार्य का डिजाइन बुक 6 / 75 Category: Engineering Drawing CBT Paper (II)1. Name the part marked X. | X के रूप में चिह्नित भाग का नाम बताइए। A. Needle | नीड़ल B. Strainer | स्ट्रैइनर C. Bellow | बेल्लो D. Spring | स्प्रिंग 7 / 75 Category: Engineering Drawing CBT Paper (II)2. Symbol in above image is of air dryer or not? | उपरोक्जोत चित्र में जो सिंबल दिखाया गया है क्या वो एयर ड्रायर का प्रतीक है? A. No | नहीं B. Yes | हाँ 8 / 75 Category: Engineering Drawing CBT Paper (II)3. Name the symbol. | प्रतीक का नाम बताइए। A. Resistor | रेसिस्टर B. Inductor | इंडक्टर C. Capacitor | संधारित्र D. Diode | डायोड 9 / 75 Category: Engineering Drawing CBT Paper (II)4. The best shape of ducts in air conditioning is_______ | एयर कंडीशनिंग में नलिकाओं का सबसे अच्छा आकार ____ है. A. Rectangular | आयताकार B. triangular | त्रिकोणीय C. square | वर्ग D. Round | गोल 10 / 75 Category: Engineering Drawing CBT Paper (II)5. Which is not a part of refrigeration cycle? | कौन-सा रेफ्रीजरेशन साइकल का भाग नहीं है ? A. Compressor | कंप्रेसर B. Thermostat |थर्मोस्टेट C. Condenser | कंडेनसर D. Freezer | फ्रीज़र 11 / 75 Category: Engineering Drawing CBT Paper (II)6. Is the symbol shown in above image is for normally closed push button switch? | क्या उपरोक्त चित्र में दिखाया गया प्रतीक सामान्य रूप से बंद पुश बटन स्विच का प्रतीक है? A. No | नहीं B. Yes | हाँ 12 / 75 Category: Employability Skill CBT Paper (II)1. _______ is when a group of people work together to finish something. | _______ तब होता है जब लोगों का एक समूह किसी चीज़ को पूरा करने के लिए एक साथ काम करता है। A. Business | व्यवसाय B. Team work | टीम वर्क C. Experience | अनुभव D. Education | शिक्षा 13 / 75 Category: Employability Skill CBT Paper (II)2. Complete the sentence with suitable describing words | उचित वर्णनात्मक शब्दों से वाक्य पूरा करें There is a _________ garden with lovely flowers. A. big | बिग B. good | गूड C. spacious | स्पसीअस D. beautiful | ब्यूटीफुल 14 / 75 Category: Employability Skill CBT Paper (II)3. While working in a project, you understand that you did a mistake. What should you do? | किसी प्रोजेक्ट में काम करते समय आपको समझ आता है कि आपसे गलती हो गई। आपको क्या करना चाहिये? A. Tell your boss about the mistake | गलती के बारे में अपने बॉस को बताना चाहिए B. Blame team members for the mistake | गलती के लिए टीम के सदस्यों को दोष देना चाहिए C. Wait for someone else to find out your mistake | अपनी गलती जानने के लिए किसी और का इंतजार करना चाहिए D. Ignore the mistake and continue working | गलती को नजरअंदाज करना और काम जारी रखना चाहिए 15 / 75 Category: Employability Skill CBT Paper (II)4. A green practice involves any activity that ________ | ग्रीन प्रैक्टिस में कोई भी गतिविधि शामिल होती है जो ________ A. generates pollution | प्रदूषण उत्पन्न करता है B. protects and takes care of the environment and resources | पर्यावरण और संसाधनों की रक्षा और देखभाल करता है C. involves consuming too much. | इसमें बहुत अधिक उपभोग करना शामिल है D. causes harm to the environment. | पर्यावरण को हानि पहुँचाता है 16 / 75 Category: Employability Skill CBT Paper (II)5. If you want to work in a foreign country, to migrate safely, you have to _______ | यदि आप विदेश में काम करना चाहते हैं, तो सुरक्षित प्रवास के लिए आपको _______ । A. Move and ask for confirmation. | आगे बढ़ना और पुष्टि के लिए पूछना चाहिए B. Learn about the place, confirm the job before moving | आगे बढ़ने से पहले जगह के बारे में जान लेना और नौकरी पक्की कर लेना चाहिए C. Leave to foreign country without informing anyone. | बिना किसी को बताए विदेश चले जाना चाहिए D. Think how you spend your money. | सोचिए आपको अपना पैसा कैसे खर्च करना चाहिए 17 / 75 Category: Employability Skill CBT Paper (II)6. When searching for new information on Google, why is it important to use the right words? | Google पर नई जानकारी खोजते समय सही शब्दों का उपयोग करना क्यों महत्वपूर्ण है? A. To find correct and useful information | सही और उपयोगी जानकारी पाने के लिए B. To change the color of the search page | सर्च पेज का रंग बदलने के लिए C. To learn a new language | एक नई भाषा सीखने के लिए D. To make the screen brighter | स्क्रीन को ब्राइट बनाने के लिए 18 / 75 Category: Employability Skill CBT Paper (II)7. Your community wants to reduce plastic waste. How can you use design thinking to find new ideas to solve this problem? | आपका समुदाय प्लास्टिक अपशिष्ट को कम करना चाहता है। इस समस्या को हल करने के लिए नए विचार खोजने के लिए आप डिज़ाइन थिंकिंग का उपयोग कैसे कर सकते हैं? A. Blame others for the plastic waste issue | प्लास्टिक कचरे के मुद्दे के लिए दूसरों को दोष देकर B. Make more things with plastic because they're easy to use | प्लास्टिक से अधिक चीज़ें बनाएं क्योंकि उनका उपयोग करना आसान होता है C. Work together with shops or people nearby to find ways to use less plastic | प्लास्टिक का कम उपयोग करने के तरीके खोजने के लिए दुकानों या आस-पास के लोगों के साथ मिलकर काम करके D. Ignore the problem because it's too difficult to solve | समस्या पर ध्यान न देकर क्योंकि इसे हल करना बहुत कठिन है 19 / 75 Category: Employability Skill CBT Paper (II)8. You are requested to complete the given assignment by Monday This is an example of _______ | आपसे अनुरोध है कि दिए गए कार्य को सोमवार तक पूरा करें। यह _______ का एक उदाहरण है । A. formal communication | फॉर्मल कम्युनिकेशन B. an order | एक आर्डर C. informal communication | इनफॉर्मल कम्युनिकेशन D. a request | एक रिक्वेस्ट 20 / 75 Category: Employability Skill CBT Paper (II)9. Which of the following is a formal introduction in a job interview? | निम्नलिखित में से कौन सा नौकरी साक्षात्कार में औपचारिक(फॉर्मल) परिचय है? A. "hello.. You can start the interview!" | "हैलो... आप इंटरव्यू शुरू कर सकते हैं!" B. "Good morning. Thank you for the opportunity." | "सुप्रभात, अवसर देने के लिए धन्यवाद।" C. "Hey, nice to meet you!" | "हे, तुमसे मिलकर अच्छा लगा!" D. "Hi, whats your name?" | "हाय, आपका नाम क्या है?" 21 / 75 Category: Employability Skill CBT Paper (II)10. When a manufacturer trying to make a better school bag using design thinking. What would be the next step after understanding the students need in a bag? | जब कोई निर्माता डिज़ाइन थिंकिंग का उपयोग करके एक बेहतर स्कूल बैग बनाने की कोशिश कर रहा है तब विद्यार्थियों को एक बैग की आवश्यकता समझाने के बाद नेक्स्ट स्टेप क्या होगा? A. Ask students to test the bags | विद्यार्थियों से बैग का टेस्ट करने को कहना B. Plan different bag designs | विभिन्न बैग डिजाइनों की प्लान बनाना C. Choose the material for the bag | बैग के लिए मटेरियल चुनना D. Choose the colour of the bag | बैग का रंग चुनना 22 / 75 Category: Employability Skill CBT Paper (II)11. If a co-worker asks for a support with a task, proper way of responding is _________ | यदि कोई सहकर्मी किसी कार्य के लिए सहायता मांगता है, तो प्रतिक्रिया देने का उचित तरीका _________ है A. sure, I can help. What do you need? | ज़रूर, मैं मदद कर सकता हूँ। आपको किस चीज़ की जरूरत है? B. send a formal request via email | ईमेल के माध्यम से एक औपचारिक अनुरोध रिक्वेस्ट भेजना C. i am too busy right now | मैं इस समय बहुत व्यस्त हूं। D. ask, you don't even know this much? | पूछो, तुम्हें इतना भी नहीं पता? 23 / 75 Category: Employability Skill CBT Paper (II)12. ______________is a file storage and synchronization service of cloud computing developed by Google. | ______________गूगल द्वारा विकसित क्लाउड कंप्यूटिंग की एक फ़ाइल स्टोरेज और सिंक्रनाइज़ेशन सेवा है। A. Netflix | नेटफ्लिक्स B. Hard disc | हार्ड डिस्क C. Google Drive | गूगल ड्राइव D. Internet Explorer | इंटरनेट एक्स्प्लोरर 24 / 75 Category: Employability Skill CBT Paper (II)13. __________ is a list of your qualifications, your skills and work experience. | __________ आपकी योग्यताओं, कौशलों और कार्य अनुभव की एक सूची है। A. Curriculum | करिकुलम B. Mark sheet | मार्क शीट C. Syllabus | सिलेबस D. Resume | रिज्यूम 25 / 75 Category: Employability Skill CBT Paper (II)14. Good practice for green mind set is _________ | ग्रीन माइंड सेट के लिए अच्छा अभ्यास _________ है A. keep lights on all the times | हर समय लाइट ऑन रखना B. taking lot of printouts | बहुत सारे प्रिंटआउट लेना C. using aircondictioners all the time | हर समय एयर कंडीशनर का उपयोग करना D. Separate and recycle waste | कचरे को अलग करें और उसका पुनर्चक्रण करें 26 / 75 Category: Employability Skill CBT Paper (II)15. A person who is associated with the starting of a business is called _______ | वह व्यक्ति जो किसी व्यवसाय की शुरुआत से जुड़ा होता है उसे _______ कहा जाता है A. Merchant | व्यापारी B. Entrepreneur | उद्यमी C. Sales Executive | सेल्स एग्जीक्यूटिव D. Businessman | व्यवसायी 27 / 75 Category: Employability Skill CBT Paper (II)16. Why is it good to think about what you learn? | आप जो सीखते हैं उस पर विचार करना क्यों अच्छा है? A. It's a good time pass | यह अच्छा टाइम पास है B. It improves handwriting. | इससे लिखावट में सुधार होता है। C. It helps to remember and understand better. | इससे याद रखने और बेहतर समझने में मदद मिलती है D. All are doing | सभी कर रहे 28 / 75 Category: Employability Skill CBT Paper (II)17. What is required for your career growth and sustainability? | आपके करियर की वृद्धि और स्थिरता के लिए क्या आवश्यक है? A. Build new skills | नए कौशल का निर्माण करें B. Good behaviour | अच्छा व्यवहार C. Opportunity | अवसर D. Degree | डिग्री 29 / 75 Category: Employability Skill CBT Paper (II)18. You have an Instagram page for jewellery business. What should you do to connect with viewers? | आपके पास आभूषण व्यवसाय के लिए एक इंस्टाग्राम पेज है। आपको दर्शकों से जुड़ने के लिए क्या करना चाहिए? A. Post about a T.V. show you like | आपको पसंद आने वाले टीवी शो के बारे में पोस्ट करके B. Post cooking videos | खाना पकाने के वीडियो पोस्ट करके C. Post dance reels | डांस रील्स पोस्ट करके D. Share daily updates about your business as Stories on social media | सोशल मीडिया पर स्टोरीज़ के रूप में अपने व्यवसाय के बारे में दैनिक अपडेट शेयर करके 30 / 75 Category: Employability Skill CBT Paper (II)19. While applying for a position as fitter, which of the following email subject lines would be the most suitable? | फिटर के पद के लिए आवेदन करते समय, निम्नलिखित में से कौन सी ईमेल विषय पंक्ति सबसे उपयुक्त होगी? A. Urgent Attention Needed | तत्काल ध्यान देने की आवश्यकता है B. Applying for a new Job | नई नौकरी के लिए आवेदन कर रहे हैं C. Fitter Job needed | "फिटर जॉब की जरूरत है D. Application for Fitter Position - [Your Name] | फिटर पद हेतु आवेदन - [आपका नाम] 31 / 75 Category: Employability Skill CBT Paper (II)20. What does it mean to think like a business person? | एक बिजनेसमैन की तरह सोचने का क्या मतलब है? A. Seeing problems as things to fix | समस्याओं को ठीक करने योग्य चीजों के रूप में देखना B. Only thinking about money | सिर्फ पैसों के बारे में सोचना C. Being scared to try new things | नई चीजों को आजमाने से डरना D. Not liking change | परिवर्तन पसंद नहीं आना 32 / 75 Category: Employability Skill CBT Paper (II)21. One of the informations in an informal conversation with a co-worker is _________ | किसी को-वर्कर के साथ इनफॉर्मल कन्वर्सेशन में दी गई जानकारी में से एक है _________ A. asking about their experience | उनके अनुभव के बारे में पूछना B. asking about their house. | उनके घर के बारे में पूछना C. asking about their roles in the company. | कंपनी में उनकी भूमिकाओं के बारे में पूछना D. asking about the office timing. | ऑफिस टाइमिंग के बारे में पूछना 33 / 75 Category: Employability Skill CBT Paper (II)22. When presenting your business plan to a potential investor, you should be clear about ________ | किसी पोटेंशियल इन्वेस्टर के सामने अपनी बिज़नेस प्लान प्रस्तुत करते समय आपको ________ के बारे में स्पष्ट होना चाहिए A. investment, expected customers, potential earnings | निवेश, अपेक्षित ग्राहक, संभावित कमाई B. expected profit | अपेक्षित लाभ C. staff strength | कर्मचारियों की संख्या D. bank loan | बैंक लोन 34 / 75 Category: Employability Skill CBT Paper (II)23. What does having a green mindset mean? | ग्रीन माइंडसेट रखने का क्या मतलब है? A. Ignoring pollution and waste management | प्रदूषण एवं अपशिष्ट प्रबंधन की अनदेखी करना B. Using resources without considering sustainability | स्थिरता पर विचार किए बिना संसाधनों का उपयोग करना C. Making choices that harm the environment | ऐसे विकल्प चुनना जो पर्यावरण को नुकसान पहुंचाते हैं D. Caring for the environment and using resources wisely | पर्यावरण की देखभाल करना और संसाधनों का बुद्धिमानी से उपयोग करना 35 / 75 Category: Employability Skill CBT Paper (II)24. Which of the following statements shows good teamwork? | निम्नलिखित में से कौन सा कथन अच्छी टीम वर्क को दर्शाता है? A. Working together towards a common goal | एक समान लक्ष्य की दिशा में मिलकर काम करना B. Keeping all ideas to yourself | सारे विचार अपने तक ही सीमित रखना C. Ignoring others' ideas and opinions | दूसरों के विचारों और राय को नजरअंदाज करना D. Criticizing teammates' efforts | टीम के साथियों के प्रयासों की आलोचना करना 36 / 75 Category: Employability Skill CBT Paper (II)25. While going for a picnic with friends, you have been asked to bring disposable plates and cups. With green mind set, your action will be ________ | दोस्तों के साथ पिकनिक पर जाते समय डिस्पोजेबल प्लेट और कप लाने को कहा गया है, ग्रीन माइंड सेट के साथ, आपका कार्य ________ होगा A. ignore the invite to the picnic. | पिकनिक के निमंत्रण को नजरअंदाज करना B. bring reusable plates and cups | रीयूज़बल प्लेट और कप लाना C. bring green color disposable plates and cups. | ग्रीन कलर की डिस्पोजेबल प्लेट्स और कप लेकर आना D. say yes and bring disposable plates and cups. | हाँ कहना और डिस्पोजेबल प्लेट और कप ले आना 37 / 75 Category: Workshop Calculation and Science CBT Paper (I)1. What is colour of a metal piece when heated to 250oC while doing the tempering process? | टैम्परिंग प्रक्रिया करते समय एक धातु के टुकड़े को 250oC पर गर्म किया जाता है, तो उस धातु के टुकड़े का रंग क्या होगा? A. Purple | बैंगनी B. Brown | भूरा C. Pale | पीला D. Blue | नीला 38 / 75 Category: Refrigeration and Air Conditioning Technician Second Year CBT Paper (TT)1. What is the minimum temperature difference in water required between inlet and outlet of water cooled condenser? | वाटर कूल्ड कंडेनसर मे इनलेट पनि और आउटलेट के पानी के बीच में न्यूनतम तापमान अंतर क्या है? A. 15°C B. 10°C C. 5°C D. 20°C 39 / 75 Category: Refrigeration and Air Conditioning Technician Second Year CBT Paper (TT)2. Which type of evaporator generally used in Ice candy plant/machine? | आइस कैंडी संयंत्र/मशीन में आमतौर पर किस प्रकार का बाष्पीकरणकर्ता उपयोग किया जाता है? A. Immersion coil type evaporator | विसर्जन कुंडल प्रकार बाष्पीकरणकर्ता B. DX type evaporator | डीएक्स प्रकार बाष्पीकरणकर्ता C. Flooded type evaporator | बाढ़ग्रस्त प्रकार का बाष्पीकरणकर्ता D. Plate type evaporator | प्लेट प्रकार बाष्पीकरणकर्ता 40 / 75 Category: Refrigeration and Air Conditioning Technician Second Year CBT Paper (TT)3. Why the miscibility of refrigerant and oil is preferred in car AC? | कार के AC में रेफ्रिजरेंट और तेल की गलत पहचान क्यों पसंद की जाती है? A. Lubricate the heat exchangers | हीट एक्सचेंजर्स को लुब्रिकेट करें B. Lubricate the moving parts of TEV | TEV के चलते भागों को लुब्रिकेट करें C. Lubricate the clutch assembly | क्लच असेंबली को लुब्रिकेट क D. Circulate oil back to compressor | कंप्रेसर को वापस तेल परिचालित करें 41 / 75 Category: Refrigeration and Air Conditioning Technician Second Year CBT Paper (TT)4. What is the purpose of using expansion device in vapour compression cycle? | वाष्प संपीड़न चक्र में विस्तार डिवाइस का उपयोग करने का उद्देश्य क्या है? A. Increase the fluid temperature | तरल पदार्थ का तापमान बढ़ाएं B. Increase refrigerant pressure | रेफ्रीजरेंट दबाव बढ़ाएँ C. Decrease the vapour temperature | वाष्प तापमान में कमी D. Reduce refrigerant pressure | रेफ्रीजरेंट दबाव कम करें 42 / 75 Category: Refrigeration and Air Conditioning Technician Second Year CBT Paper (TT)5. Which components are used in AHU of central AC plant? | केंद्रीय AC संयंत्र के AHU में कौन से घटकों का उपयोग किया जाता है? A. Air filter, Compressor, Condenser | एयर फिल्टर, कंप्रेसर, कंडेंसर B. Condenser, Fan, Compressor | कंडेंसर, पंखा, कंप्रेसर C. Evaporator, Compressor, Blower | वाष्पीकरण करनेवाला, कंप्रेसर, ब्लोअर D. Blower, Air filter, Evaporator | ब्लोअर, एयर फिल्टर, वाष्पीकरण करनेवाला 43 / 75 Category: Refrigeration and Air Conditioning Technician Second Year CBT Paper (TT)6. What is the name of part marked as X in electronic expansion valve? | इलेक्ट्रॉनिक विस्तार वाल्व में X के रूप में चिह्नित भाग का नाम क्या है? A. Motor | मोटर B. Piston sleeve | पिस्टन स्लीव C. Orifice assembly | ओरिफिस असेंबली D. Lead screw | लीड स्क्रू 44 / 75 Category: Refrigeration and Air Conditioning Technician Second Year CBT Paper (TT)7. Which fill material is more energy efficient for cooling tower? | कूलिंग टावर के लिए कौन सी फिल मटेरियल अधिक ऊर्जा कुशल है? A. Plastic | प्लास्टिक B. Splash fill | स्प्लैश फिल C. Wood | वुड D. Film-fill | फिल्म -फिल 45 / 75 Category: Refrigeration and Air Conditioning Technician Second Year CBT Paper (TT)8. What is the name of property the lowest temperature at that point, oil ceases to flow? | उस गुण का क्या नाम है जिस बिंदु पर न्यूनतम तापमान पर तेल बहना बंद हो जाता है? A. Clog point | क्लॉग पॉइंट B. Flock point | फ्लॉक पॉइंट C. Pour point | पोर पॉइंट D. Flash point | फ़्लैश पॉइंट 46 / 75 Category: Refrigeration and Air Conditioning Technician Second Year CBT Paper (TT)9. Which operating condition opens the HPC control switch in car AC? | कार AC में HPC कंट्रोल स्विच किस ऑपरेटिंग स्थिति को खोलता है? A. If there is continuous rain outside | अगर बाहर लगातार बारिश हो रही है B. If condenser pressure exceeds safe limit | यदि कंडेनसर दबाव सुरक्षित सीमा से अधिक है C. If there is continuous air velocity | यदि निरंतर वायु वेग है D. If evaporator pressure exceeds safe limit | अगर बाष्पीकरणकर्ता दबाव सुरक्षित सीमा से अधिक हो जाता है 47 / 75 Category: Refrigeration and Air Conditioning Technician Second Year CBT Paper (TT)10. What is the advantage of flake ice over cube ice for preserving foodstuff? | खाद्य पदार्थों के संरक्षण के लिए क्यूब बर्फ पर फ्लेक बर्फ का क्या फायदा है? A. Little food is preserved | थोड़ा भोजन संरक्षित है B. Less contact with food | भोजन के साथ कम संपर्क C. More weight | अधिक वजन D. More contact with foodstuff | खाद्य पदार्थों के साथ अधिक संपर्क 48 / 75 Category: Refrigeration and Air Conditioning Technician Second Year CBT Paper (TT)11. Which point indicate fresh air entering point? | कौन सा बिंदु ताजी हवा के प्रवेश बिंदु को दर्शाता है? A. Y | वाई B. Z | जेड C. X | एक्स D. W | डब्लू 49 / 75 Category: Refrigeration and Air Conditioning Technician Second Year CBT Paper (TT)12. What is the ratio of absolute discharge pressure to absolute suction pressure? | “निरपेक्ष चूषण दाब पर निरपेक्ष निर्वहन दबाव का अनुपात क्या है? A. Volumetric efficiency | वोलुमेट्रिक दक्षता B. Compression ratio | कंप्रेशन अनुपात C. Mechanical efficiency | यांत्रिक दक्षता D. Clearance volume | क्लीयरेंस वॉल्यूम 50 / 75 Category: Refrigeration and Air Conditioning Technician Second Year CBT Paper (TT)13. What is the purpose of clearance volume in a reciprocating compressor? | रेसिप्रोकेटिंग कंप्रेसर में क्लीयरेंस वॉल्यूम का उद्देश्य क्या है? A. Control discharge pressure | कंट्रोल डिस्चार्ज प्रेशर B. Free movement of piston | पिस्टन का मुक्त आवागमन C. Prevent damages of piston and valve plate | पिस्टन और वाल्व प्लेट के नुकसान को रोकना D. Cylinder head cooling | सिलेंडर हेड कूलिंग 51 / 75 Category: Refrigeration and Air Conditioning Technician Second Year CBT Paper (TT)14. Which one part of visible cooler is normally made of stainless steel for long life and easy maintenance? | लंबे जीवन और आसान रखरखाव के लिए दृश्यमान कूलर का कौन सा हिस्सा आमतौर पर स्टेनलेस स्टील से बना होता है? A. Door frame | डूर फ्रेम B. Inner liner | इनर लाइनर C. Outer casing | आउटर केसिंग D. Evaporator | ईवापोरेटर 52 / 75 Category: Refrigeration and Air Conditioning Technician Second Year CBT Paper (TT)15. What is the function of part marked as X? | X के रूप में चिह्नित भाग का कार्य क्या है? A. Circulate the brine solution | नमकीन घोल परिचालित करें B. Heat the brine solution | नमकीन घोल को गर्म करें C. Pump the brine solution | नमकीन घोल को पंप करें D. Freeze the brine solution | नमकीन घोल को फ्रीज करें 53 / 75 Category: Refrigeration and Air Conditioning Technician Second Year CBT Paper (TT)16. Which load is first started in cold storage using water cooled condenser? | कौन सा विद्युत उपकरण सबसे पहले कोल्ड स्टोरेज में वाटर कूल्ड कंडेनसर का उपयोग करके शुरू किया जाता है? A. Compressor motor | कंप्रेसर मोटर B. Condenser water pump | कंडेनसर पानी पंप C. Door alarm bell | डोर बेल अलार्म D. Cooling tower fan | कूलिंग टॉवर फ़ैन 54 / 75 Category: Refrigeration and Air Conditioning Technician Second Year CBT Paper (TT)17. What is the process of removing the frost accumulated in the surface of evaporator? | बाष्पीकरणकर्ता की सतह में जमा हुए ठंढ को हटाने की प्रक्रिया क्या है? A. Frosting | ठंडा करना B. Defrosting | डिफ्रोस्टिंग C. Scaling | स्केलिंग D. Descaling | डिस्केलिंग 55 / 75 Category: Refrigeration and Air Conditioning Technician Second Year CBT Paper (TT)18. What is the minimum cross sectional area of the ducts used with bus AC? | बस AC के साथ उपयोग किए जाने वाले ड्क्ट का न्यूनतम क्रॉस सेक्शन क्षेत्र क्या है? A. 400 cm² B. 500 cm² C. 600 cm² D. 700 cm² 56 / 75 Category: Refrigeration and Air Conditioning Technician Second Year CBT Paper (TT)19. What is the name of component marked as X in motor starter? | मोटर स्टार्टर में X के रूप में चिह्नित घटक का नाम क्या है? A. PTC relay | PTC रिले B. Thermostat | थर्मोस्टेट C. Thermal OLP | थर्मल OLP D. Selector switch | सलेक्टर स्विच 57 / 75 Category: Refrigeration and Air Conditioning Technician Second Year CBT Paper (TT)20. What is the advantage of using variable speed pump for each coil flow? | प्रत्येक कॉइल फ्लो के लिए परिवर्तनीय गति पंप का उपयोग करने का क्या फायदा है? A. Eliminates the control valve | नियंत्रण वाल्व को हटा देता है B. Only need three control valve | केवल तीन नियंत्रण वाल्व की जरूरत है C. Only need two control valve | केवल दो नियंत्रण वाल्व की जरूरत है D. Only need one control valve | केवल एक नियंत्रण वाल्व की जरूरत है 58 / 75 Category: Refrigeration and Air Conditioning Technician Second Year CBT Paper (TT)21. What is the name of damper inside the duct? | डक्ट के अंदर डेंपर का क्या नाम है? A. Butterfly | बटरफ्लाइ B. Splitter | स्प्लीट्टर C. Multiple vane | मल्टिपल फलक D. Single vane | एकल फलक 59 / 75 Category: Refrigeration and Air Conditioning Technician Second Year CBT Paper (TT)22. What is the name of the flux used for Galvanising iron metal soldering? | गैल्वनाइजिंग आयरन मेटल सोल्डरिंग के लिए प्रयुक्त फ्लक्स का क्या नाम है? A. Nitric acid | नाइट्रिक एसिड B. Hydrochloric acid | हाइड्रोक्लोरिक एसिड C. Sulphuric acid | सल्फ्यूरिक एसिड D. Carbolic acid | कार्बोलिक एसिड 60 / 75 Category: Refrigeration and Air Conditioning Technician Second Year CBT Paper (TT)23. What is the function of magnetic clutch in an automobile air conditioner? | ऑटोमोबाइल एयर कंडीशनर में चुंबकीय क्लच का क्या कार्य है? A. Start and stop the evaporator blower | ईवापोरटर ब्लोअर को स्टार्ट और स्टॉप करना B. Check Rpm of engine shaft | इंजन शाफ्ट के Rpm की जांच करना C. Start and stop the compressor electro magnetically | कंप्रेसर इलेक्ट्रो को चुंबकीय रूप से स्टार्ट करना और स्टॉप करना D. Check Rpm of compressor shaft | कंप्रेसर शाफ्ट के Rpm की जांच करना 61 / 75 Category: Refrigeration and Air Conditioning Technician Second Year CBT Paper (TT)24. What is the limitation for DOL starters in package AC? | पैकेज एसी में DOL स्टार्टर्स के लिए सीमा क्या है? A. Up to 10 HP B. Up to 5 HP C. Up to 8 HP D. Up to 3 HP 62 / 75 Category: Refrigeration and Air Conditioning Technician Second Year CBT Paper (TT)25. Which type of heat is considered for tube light’s heat gain in AC space? | एसी स्पेस में ट्यूब लाइट की हीट को किस प्रकार की हीट मे सामील किया जाता है? A. Sensible heat | सेंसिबल ऊष्मा B. Conduction heat चालन ऊष्मा C. Latent heat गुप्त उष्मा D. Specific heat विशिष्ट ऊष्मा 63 / 75 Category: Refrigeration and Air Conditioning Technician Second Year CBT Paper (TT)26. What is the name of part marked as ‘x’ in receiver-drier used in automobile air-conditioner? | ऑटोमोबाइल एयर कंडीशनर में प्रयुक्त रिसीवर-ड्रियर में x ’के रूप में चिह्नित भाग का नाम क्या है? A. Filter pads | फ़िल्टर पैड B. Desiccant | डिसिकेंट C. Liquid refrigerant | तरल रेफ्रिजरेंट D. Pick-up tube | पिक-अप ट्यूब 64 / 75 Category: Refrigeration and Air Conditioning Technician Second Year CBT Paper (TT)27. What is the name of component marked as x in wiring of package AC? | पैकेज एसी की वायरिंग में x के रूप में चिह्नित घटक का नाम क्या है? A. Internal thermostat | आंतरिक थर्मोस्टेट B. DOL starter | DOL स्टार्टर C. Heater | हीटर D. Pressure stat | प्रैशर स्टार्ट 65 / 75 Category: Refrigeration and Air Conditioning Technician Second Year CBT Paper (TT)28. What is the advantage of using indirect expansion chiller AC system? | अप्रत्यक्ष विस्तार चिलर एसी सिस्टम का उपयोग करने का क्या फायदा है? A. Quick cooling | जल्दी ठंडा होना B. Cooling tower is not needed | कूलिंग टॉवर की जरूरत नहीं है C. Less quantity of primary refrigerant | कम मात्रा में प्राथमिक रेफ्रीजरेंट D. Less quantity of secondary refrigerant | कम मात्रा में माध्यमिक प्रशीतक 66 / 75 Category: Refrigeration and Air Conditioning Technician Second Year CBT Paper (TT)29. Which unit is suitable where air throw is limited to around 4 metres (13 feet)? | कौन सी इकाई उपयुक्त है जहाँ वायु फेंकना लगभग 4 मीटर (13 फीट) तक सीमित है? A. Central air conditioner plant | सेंट्रल एयर कंडीशनर प्लांट B. Package air conditioner plant | पैकेज एयर कंडीशनर संयंत्र C. Industrial air conditioner plant | औद्योगिक एयर कंडीशनर संयंत्र D. Window air conditioner | विंडो एयर कंडीशनर 67 / 75 Category: Refrigeration and Air Conditioning Technician Second Year CBT Paper (TT)30. Why crank case heater is used in the Refrigeration & air conditioner compressor oil sump? | रेफ्रिजरेशन और एयर कंडीशनर कम्प्रेसर ऑयल सम्प में क्रैंक केस हीटर का उपयोग क्यों किया जाता है? A. Improve miscibility property of oil | ऑयल की मिश्रणीयता संपत्ति में सुधार करें B. Minimise refrigerant being absorbed in the oil | ऑयल में अवशोषित होने वाले रेफ्रिजरेंट को कम करें C. Improve lubricity of oil | ऑयल की चिकनाहट में सुधार D. Improve viscosity of oil | ऑयल की श्यानता में सुधार 68 / 75 Category: Refrigeration and Air Conditioning Technician Second Year CBT Paper (TT)31. What is the purpose of gland packing in water line valves of chiller AC plant? | चिलर एसी प्लांट की वॉटर लाइन वाल्व में ग्लैंड पैकिंग का उद्देश्य क्या है? A. Prevent leakage | रिसाव को रोकें B. Reduce valve noise | वाल्व शोर को कम करें C. Control water flow | पानी के प्रवाह को नियंत्रित करें D. Smooth handling of valve | वाल्व की स्मूथ हैंडलिंग 69 / 75 Category: Refrigeration and Air Conditioning Technician Second Year CBT Paper (TT)32. What term is used while refrigeration cycle component transfer heat from the hot vapour refrigerant to the condensing medium? | रेफ्रिजरेशन साईकल कम्पोनेंट गर्म वाष्प रेफ्रिजरेंट से कन्डेंसिंग माध्यम में ऊष्मा स्थानांतरित करते समय किस शब्द का उपयोग किया जाता है? A. Refrigeration capacity | रेफ्रिजरेशन कैपेसिटी B. Evaporator capacity | ईवापोरेटर कैपेसिटी C. Unit capacity | यूनिट कैपेसिटी D. Condenser capacity | कंडेंसर कैपेसिटी 70 / 75 Category: Refrigeration and Air Conditioning Technician Second Year CBT Paper (TT)33. Which one point in figure indicate cooling coil(AHU)? | चित्र में कौन सा बिंदु कूलिंग कॉइल (AHU) को दर्शाता है? A. W | डब्लू B. Z | जेड C. Y | वाई D. X | एक्स 71 / 75 Category: Refrigeration and Air Conditioning Technician Second Year CBT Paper (TT)34. Which components is used to circulate the high pressure/high temperature vapour through its pipe? | इसके पाइप के माध्यम से उच्च दबाव/उच्च तापमान वाष्प को प्रसारित करने के लिए किस घटक का उपयोग किया जाता है? A. Capillary | कैपिलरी B. Condenser | कंडेनसर C. Evaporator | ईवापोरेटर D. Compressor | कंप्रेसर 72 / 75 Category: Refrigeration and Air Conditioning Technician Second Year CBT Paper (TT)35. What is the method of flushing the indoor coils? | इनडोर कॉइल्स को फ्लश करने के लिए क्या प्रयोग किया जाता है? A. Chemical cleaning | रासायनिक सफाई B. Mechanical cleaning | यांत्रिक सफाई C. Using nitrogen | नाइट्रोजन D. Pressurised air | दबाव वाली हवा 73 / 75 Category: Refrigeration and Air Conditioning Technician Second Year CBT Paper (TT)36. Which part of DX type central AC plant work for reducing the pressure and amount of liquid refrigerant in Refrigeration cycle? | DX प्रकार के सेंट्रल AC प्लांट का कौन सा भाग प्रशीतन चक्र में तरल रेफ्रिजरेंट के दबाव और मात्रा को कम करने के लिए काम करता है? A. Evaporator | एवापोरेटर B. Drier strainer | ड्रायर स्ट्रेनर C. Liquid receiver | तरल रिसीवर D. Expansion valve | विस्तार वाल्व 74 / 75 Category: Refrigeration and Air Conditioning Technician Second Year CBT Paper (TT)37. Why crank case heater is used in the Refrigeration & air conditioner compressor oil sump? | रेफ्रिजरेशन और एयर कंडीशनर कम्प्रेसर ऑयल सम्प में क्रैंक केस हीटर का उपयोग क्यों किया जाता है? A. Improve miscibility property of oil | ऑयल की मिश्रणीयता संपत्ति में सुधार करें B. Improve viscosity of oil | ऑयल की श्यानता में सुधार C. Minimise refrigerant being absorbed in the oil | ऑयल में अवशोषित होने वाले रेफ्रिजरेंट को कम करें D. Improve lubricity of oil | ऑयल की चिकनाहट में सुधार 75 / 75 Category: Refrigeration and Air Conditioning Technician Second Year CBT Paper (TT)38. Which controls the speed of blower fan motor to vary air cooling or heating in car AC? | कार AC में एयर कूलिंग या हीटिंग को अलग करने के लिए ब्लोअर फैन मोटर की गति को नियंत्रित करता है? A. Ambient and cabinet temperature | परिवेश और कैबिनेट तापमान B. Selector switch and resistors | चयनकर्ता स्विच और प्रतिरोधक C. Increase or decrease refrigerant flow | रेफ्रीजरेंट प्रवाह में वृद्धि या कमी D. Thermostat and return-air sensor | थर्मोस्टेट और रिटर्न-एयर सेंसर Your score isThe average score is 45% 0% Restart quiz Exit WhatsApp और YouTube चैनल से जुड़े रहनाWhats App अत्यधिक चर्चा में ITI Supplementary Exam Eligibility December 2025: Attendance और FA से जुड़े महत्वपूर्ण नियम | DGT के नए आदेश की पूरी जानकारी NCVT सप्लीमेंट्री/लेफ्टओवर परीक्षा (दिसम्बर-2025): उत्तर प्रदेश के प्रशिक्षार्थियों के लिए SCVT पोर्टल पर पंजीकरण शुरू SIDH पोर्टल पर कब होंगे बाकी बचे Trainee Migrate? CTS एडमिशन और डेटा अपलोड की अंतिम तिथि क्या है? DGT API Schedule PRADAN Taluk Coordinator Recruitment 2025: कर्नाटक में 32-36 हजार वेतन के साथ नई भर्ती Bank of India Recruitment 2025: स्केल-II, III और IV ऑफिसर्स की बड़ी भर्ती – आवेदन शुरू PNB LBO भर्ती 2025: पंजाब नेशनल बैंक में 750 लोकल बैंक ऑफिसर पदों पर आवेदन शुरू – योग्यता, सिलेबस, चयन प्रक्रिया और ऑनलाइन फॉर्म