Electrician First Year – Trade Theory – MCQ- 1 to 50 Questions (Free Course Preview )
Electrician – Trade Theory (Study Material)
(First Year)
MULTIPLE CHOICE QUESTIONS WITH ANSWER – 01 TO 50
(FREE COURSE PREVIEW)
Q.1) What is the reactive power in a 3 phase system, if the active power is 4 KW and the apparent power is 5 KVA? | 3 फेज प्रणाली में प्रतिक्रियाशील शक्ति क्या है, यदि सक्रिय शक्ति 4 KW है और स्पष्ट शक्ति 5 KVA है?
A.) 1 KVAR | 1 केवीएआर
B.) 3 KVAR | 3 केवीएआर
C.) 4 KVAR | 4 केवीएआर
D.) 2 KVAR | 2 केवीएआर
Answer : B.) 3 KVAR | 3 केवीएआर
Q.2) What is the expansion of AWG? | AWG का विस्तार क्या है?
A.) American Wire Gauge | अमेरिकन वायर गोज
B.) American Wire Grade | अमेरिकन वायर ग्रेड
C.) American Wire Guard | अमेरिकन वायर गार्ड
D.) American Wire Group | अमेरिकन वायर ग्रुप
Answer : A.) American Wire Gauge | अमेरिकन वायर गोज
Q.3) When the neutral current is zero in 3 phase system? | 3 फेज प्रणाली में न्यूट्रल करंट शून्य कब होती है?
A.) 3 phase domestic load | 3 फेज घरेलू लोड
B.) 3 phase commercial load | 3 फेज व्यवसायिक लोड
C.) Unbalanced star system | असंतुलित स्टार प्रणाली
D.) Balanced star system | संतुलित स्टार प्रणाली
Answer : D.) Balanced star system | संतुलित स्टार प्रणाली
Q.4) Which condition is to be satisfied if two single phase transformers are connected in parallel? | यदि दो सिंगल फेज ट्रांसफार्मर समानांतर में जुड़े हों तो कौन सी शर्त पूरी होनी चाहिए?
A.) Same cooling method | वही शीतलन विधि
B.) Same type | इसी प्रकार का
C.) Same polarity | समान ध्रुवीयता
D.) Same capacity | समान क्षमता
Answer : C.) Same polarity | समान ध्रुवीयता
Q.5) What is the working temperature of tungsten filament vacuum lamp? | टंगस्टन फिलामेंट वैक्यूम लैंप का कार्य तापमान कितना होता है?
A.) 2000℃
B.) 1800℃
C.) 2300℃
D.) 1500℃
Answer : C.) 2300℃
Q.6) What is the purpose of the shunt resistor ‘R2’ used in series type Ohm meter circuit? | श्रेणी प्रकार ओम मीटर सर्किट में प्रयुक्त शंट प्रतिरोधक ‘R2’ का उद्देश्य क्या है?

A.) To prevent the excess current in the circuit | सर्किट में अत्यधिक करंट को रोकने के लिए
B.) To adjust the zero position of the pointer | पॉइंटर की शून्य स्थिति को समायोजित करने के लिए
C.) To increase the value of meter resistance | मीटर प्रतिरोध का मान बढ़ाने के लिए
D.) To limit the current in the circuit | सर्किट में करंट को सीमित करने के लिए
Answer : B.) To adjust the zero position of the pointer | पॉइंटर की शून्य स्थिति को समायोजित करने के लिए
Q.7) Calculate the hot resistance of 200W / 250V rated lamp. | 200W/250V रेटेड लैंप के गर्म प्रतिरोध की गणना करें।
A) 62.5Ω | 62.5 ओम
B) 312.5Ω | 312.5 ओम
C) 625Ω | 625 ओम
D) 31.25Ω | 31.25 ओम
Answer: B) 312.5Ω | 312.5 ओम
Q.8) Which formula is used to calculate the impedance (z) of a RLC series circuit? | RLC श्रेणी परिपथ की प्रतिबाधा (z) की गणना करने के लिए किस सूत्र का उपयोग किया जाता है?
A.) Z = R² + (Xᴌ ~ Xᴄ )²
B.) Z = √(R – (Xᴌ ~ Xᴄ))
C.) Z = √(R² + (Xᴌ ~ Xᴄ))
D.) Z = √(R² + (Xᴌ ~ Xᴄ)²)
Answer : B.) Z = √(R – (Xᴌ ~ Xᴄ))
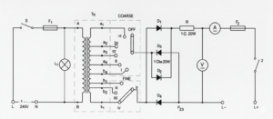
Q.9) What is the function of fine selector switch in battery charger? | बैटरी चार्जर में फाइन सेलेक्टर स्विच का कार्य क्या है?

A.) Selection of voltage range | वोल्टेज परास का चुनाव
B.) Selection of charging method | आवेशन विधि का चुनाव
C.) Selection of current rating | धारा रेटिंग का चुनाव
D.) Selection of charging time | आवेशन समय का चुनाव
Answer : C.) Selection of current rating | धारा रेटिंग का चुनाव
Q.10) What is the formula to calculate the three phase power (P) if the line voltage is (VL), line current is (IL) and phase angle is (‘θ’)? | यदि लाइन वोल्टेज (VL) है, लाइन धारा (IL) है और फेज एंगल (‘θ’) है, तो थ्री फेज पॉवर (P) की गणना करने का सूत्र क्या है?
A.) P = 3 VL IL Cosθ
B.) P = √3VL IL Sinθ
C.) P=√3VL IL Cosθ
D.) P = 3 VL IL Sinθ
Answer : C.) P=√3VL IL Cosθ
Q.11) What indicates the shape of a BH curve (Hysteresis loop) of material? | सामग्री के BH वक्र (हिस्टैरिसीस लूप) का आकार क्या दर्शाता है?
A.) Reluctance of the material | पदार्थ का रिलक्टेंस
B.) Pulling power of the magnetic material | चुंबकीय पदार्थ की खींचने की शक्ति
C.) Magnetic properties of the material | पदार्थ की चुम्बकीय विशेषताएं
D.) Field intensity of the substance | पदार्थ की क्षेत्र तीव्रता
Answer : C.) Magnetic properties of the material | पदार्थ की चुम्बकीय विशेषताएं
Q.12) What is the name of the tool as shown in the figure? | चित्र में दिखाए गए उपकरण का नाम क्या है?

A.) Claw hammer | क्लॉ हैमर
B.) Cross pein hammer | क्रॉस पीन हैमर
C.) Tack hammer | टैक हैमर
D.) Ball pein hammer | स्ट्रेट पीन हैमर
Answer : D.) Ball pein hammer | स्ट्रेट पीन हैमर
Q.13) Which is used for making solar cell? | सौर सेल बनाने के लिए किसका उपयोग किया जाता है?
A.) Copper | तांबा
B.) Aluminium | एल्यूमिनियम
C.) Silver | चाँदी
D.) Silicon | सिलिकॉन
Answer : D.) Silicon | सिलिकॉन
Q.14) Which type of insulation tape is used for domestic wiring? | घरेलू वायरिंग के लिए किस प्रकार के इन्सुलेशन टेप का उपयोग किया जाता है?
A.) PVC tape | PVC टेप
B.) Rubber tape | रबर टेप
C.) Friction tape | घर्षण टेप
D.) Varnished cambric tape | वार्निश कैम्ब्रिक टेप
Answer : A.) PVC tape | PVC टेप
Q.15) What is the effect of buckling defect in a lead acid battery? | सीसा अम्ल बैटरी में बकलिंग दोष का क्या प्रभाव पडता है?
A.) Increasing the internal resistance | आतंरिक प्रतिरोध में वृद्धि
B.) Increasing the density of electrolyte | इलेक्ट्रोलाइट का घनत्व बढ़ाना
C.) Reducing the density of electrolyte | इलेक्ट्रोलाइट का घनत्व कम करना
D.) Bending of the electrodes | इलेक्ट्रोडों का मुड़ जाना
Answer : D.) Bending of the electrodes | इलेक्ट्रोडों का मुड़ जाना
Q.16) Why the load of a power transformer is disconnected before the off load tap changing operation? | ऑफ लोड टैप बदलने की प्रक्रिया से पहले पावर ट्रांसफार्मर का लोड क्यों काट दिया जाता है?
A.) To avoid the heavy sparking at the contact points | संपर्क बिंदुओं पर भारी स्पार्किंग से बचने के लिए
B.) To disconnect the tappings from neutral point | उदासीन बिंदु से टैपिंग को विसंयोजित करने के लिए
C.) To disconnect the moving contact of the diverter | डायवर्टर के चलते हुए संपर्क को विसंयोजित करने के लिए
D.) To provide an electrical isolation for the windings | वाइंडिंग के लिए एक विद्युत अलगाव प्रदान करने के लिए
Answer : A.) To avoid the heavy sparking at the contact points | संपर्क बिंदुओं पर भारी स्पार्किंग से बचने के लिए
Q.17) Which instrument is an example of an integrating instrument? | कौन सा उपकरण एकीकृत उपकरण का एक उदाहरण है?
A.) Energy meter | ऊर्जा मीटर
B.) Tangent galvanometer | स्पर्शरेखा गैल्वेनोमीटर
C.) AC voltmeter | एसी वोल्टमीटर
D.) DC voltmeter | डीसी वोल्टमीटर
Answer : A.) Energy meter | ऊर्जा मीटर
Q.18) What is the reading of the ohmmeter connected across the opened ‘R2’ resistor as shown in the circuit? | सर्किट में दिखाए अनुसार खुले ‘R2’ प्रतिरोधक से जुड़े ओममीटर का पाठ्यांक क्या है?

A.) Indicate infinite resistance | अनंत प्रतिरोध दर्शाएँ
B.) Indicate zero reading | शून्य रीडिंग दर्शाएँ
C.) Sum of the resistance of R1 and R3 only | केवल R1 और R3 के प्रतिरोध का योग
D.) Difference in the value of the resistance of R1 and R3 only | केवल R1 और R3 के प्रतिरोध के मान में अंतर
Answer : A.) Indicate infinite resistance | अनंत प्रतिरोध दर्शाएँ
Q.19) What is the function of circuit breaker? | सर्किट ब्रेकर का कार्य क्या है?
A.) Connects the circuit automatically at abnormal condition | असामान्य स्थिति में सर्किट को स्वचालित रूप से जोड़ता है
B.) Breaks the circuit automatically at normal condition | असामान्य स्थिति में सर्किट स्वचालित रूप से टूट जाता है
C.) Makes the circuit automatically at abnormal condition | असामान्य स्थिति में सर्किट को स्वचालित रूप से बनाता है
D.) Breaks the circuit automatically at abnormal condition | असामान्य स्थिति में सर्किट स्वचालित रूप से टूट जाता है
Answer : D.) Breaks the circuit automatically at abnormal condition | असामान्य स्थिति में सर्किट स्वचालित रूप से टूट जाता है
Q.20) Which electrolyte used in carbon zinc dry cells? | कार्बन जस्ता शुष्क सेल में कौन सा विद्युत अपघट्य उपयोग किया जाता है?
A.) Dilute sulphuric acid | तनु सल्फ्यूरिक अम्ल
B.) Potassium hydroxide | पोटेशियम हाइड्रोक्साइड
C.) Ammonium chloride | अमोनियम क्लोराइड
D.) Concentrated hydrochloric acid | सान्द्र सल्फ्यूरिक अम्ल
Answer : C.) Ammonium chloride | अमोनियम क्लोराइड
Q.21) Where the pipe jumper is used in the wiring? | वायरिंग में पाइप जम्पर का उपयोग कहां किया जाता है?
A.) To make through holes on the wall | दीवार पर छेद बनाना
B.) To chip the wall for fixing switch boxes | स्विच बॉक्स फिक्स करने के लिए दीवार पर चिप लगाना
C.) To make holes on wooden board | लकड़ी के बोर्ड पर छेद करने के लिए
D.) To make pilot holes on the wall for fixing accessories | एक्सेसरीजों को फिक्स करने के लिए दीवार पर पायलट छेद बनाना
Answer : A.) To make through holes on the wall | दीवार पर छेद बनाना
Q.22) What is the advantage of stepped core arrangement in the larger transformers? | बड़े ट्रांसफार्मरों में स्टेप्ड कोर व्यवस्था का क्या लाभ है?
A.) Reduces the hysteresis loss | हिस्टैरिसीस हानि को कम करता है
B.) Minimizes the copper use | तांबे के उपयोग को कम करता है
C.) Reduces the eddy current loss | एडी करंट हानि को कम करता है
D.) Reduces the space for core | कोर के लिए जगह कम कर देता है
Answer : B.) Minimizes the copper use | तांबे के उपयोग को कम करता है
Q.23) What is the name of the tool as shown in the figure? | चित्र में दिखाए गए उपकरण का नाम क्या है?

A.) Side cutting plier | साइड कटिंग प्लायर
B.) Wire stripper | वायर स्ट्रिपर
C.) Crimping tool | क्रिम्पिंग टूल
D.) Cutting plier | कटिंग प्लायर
Answer : C.) Crimping tool | क्रिम्पिंग टूल
Q.24) What is the use of dipsoldering method? | डिपसोल्डरिंग विधि का उपयोग क्या है?
A.) Piping and cable soldering work | पाइपिंग और केबल सोल्डरिंग का काम
B.) Soldering of tin sheets | टिन शीट की सोल्डरिंग
C.) Hard soldering | हार्ड सोल्डरिंग
D.) Soldering miniature components on PCB | PCB पर छोटे-छोटे घटकों की सोल्डरिंग
Answer : D.) Soldering miniature components on PCB | PCB पर छोटे-छोटे घटकों की सोल्डरिंग
Q.25) Which factor is affected due to the loading effect on measuring instruments? | मापन उपकरणों पर लोडिंग प्रभाव के कारण कौन सा कारक प्रभावित होता है?
A.) Low influence error | कम प्रभाव त्रुटि
B.) Low sensitivity | कम संवेदनशीलता
C.) High sensitivity | उच्च संवेदनशील
D.) High influence error | उच्च प्रभाव त्रुटि
Answer : B.) Low sensitivity | कम संवेदनशीलता
Q.26) Which is an absolute instrument? | एक निरपेक्ष उपकरण कौन सा है?
A.) Ammeter | एमीटर
B.) Volt meter | वोल्ट मीटर
C.) Tangent galvanometer | स्पर्शरेखा गैल्वेनोमीटर
D.) Energy meter | ऊर्जा मापी
Answer : C.) Tangent galvanometer | स्पर्शरेखा गैल्वेनोमीटर
Q.27) Why separate wiring is recommended for home theatre wiring and power wiring? | होम थिएटर वायरिंग और पावर वायरिंग के लिए अलग वायरिंग की सिफारिश क्यों की जाती है?
A.) To avoid the mechanical vibration | यांत्रिक कंपन से बचने के लिए
B.) To maintain the voltage level constant | वोल्टेज स्तर को स्थिर बनाए रखने के लिए
C.) To avoid the electrical interference | विद्युतीय हस्तक्षेप से बचने के लिए
D.) To reduce the power loss | बिजली की हानि को कम करने के लिए
Answer : C.) To avoid the electrical interference | विद्युतीय हस्तक्षेप से बचने के लिए
Q.28) What is the formula to calculate the resonance frequency? | प्रतिध्वनि आवृत्ति की गणना करने का सूत्र क्या है?
A.) 1/2√(LC)
B.) 1/2π√(LC)
C.) 2π√(LC)
D.) 1/2πLC
Answer : B.) B.) 1/2π√(LC)
Q.29) Which method of magnetization is used to make commercial purpose permanent magnets? | व्यावसायिक उद्देश्य के लिए स्थायी चुम्बक बनाने के लिए चुम्बकीकरण की किस विधि का उपयोग किया जाता है?
A.) Single touch method | एकल स्पर्श विधि
B.) Divided touch method | विभाजित स्पर्श विधि
C.) Induction method | प्रेरण विधि
D.) Double touch method | दोहरी स्पर्श विधि
Answer : C.) Induction method | प्रेरण विधि
Q.30) What will be the change in value of capacitance if the distance of the plates are decreased in the capacitor? | यदि संधारित्र में प्लेटों की दूरी कम कर दी जाए तो धारिता के मान में क्या परिवर्तन होगा?
A.) Remains same | समान रहेगा
B.) Decreases | कम होगा
C.) Becomes zero | शून्य हो जायेगा
D.) Increases | बढ़ेगा
Answer : D.) Increases | बढ़ेगा
Q.31) Which disposal method of waste save lot of energy? | अपशिष्ट के निपटान की कौन सी विधि बहुत अधिक ऊर्जा बचाती है?
A.) Composting | खाद बनाना
B.) Land fill | लैंडफिल
C.) Incineration | भस्मीकरण
D.) Recycling | रीसाइक्लिंग
Answer : D.) Recyclin | रीसाइक्लिंग
Q.32) What is the unit of insulation resistance? | इन्सुलेशन प्रतिरोध की इकाई क्या है?
A.) Mega ohm | मेगा ओम
B.) Milli ohm | मिली ओम
C.) Ohm | ओम
D.) Kilo ohm | किलो ओम
Answer : A.) Mega ohm | मेगा ओम
Q.33) Which formula is used to calculate the power of a DC circuit? | DC सर्किट की शक्ति की गणना करने के लिए किस सूत्र का उपयोग किया जाता है?
A.) Current x resistance
B.) Voltage x time
C.) Voltage x resistance
D.) Current x voltage
Answer : D.) Current x voltage
Q.34) What is the unit of capacitance? | धारिता की इकाई क्या है?
A.) Farad | फैराड
B.) Henry | हेनरी
C.) Coulomb | कूलम्ब
D.) Mho | मओ
Answer : A.) Farad | फैराड
Q.35) Which type of lighting system is used for flood and industrial lighting? | फ्लड और औद्योगिक प्रकाश व्यवस्था के लिए किस प्रकार की प्रकाश व्यवस्था का उपयोग किया जाता है?
A.) Indirect lighting | अप्रत्यक्ष प्रकाश
B.) Direct lighting | प्रत्यक्ष प्रकाश
C.) Semi-direct lighting | अर्ध-प्रत्यक्ष प्रकाश
D.) Semi-indirect lighting | अर्ध-अप्रत्यक्ष प्रकाश
Answer : B.) Direct lighting | प्रत्यक्ष प्रकाश
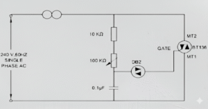
Q.36) What is the name of the circuit as shown in the figure? | चित्र में दिखाए गए सर्किट का नाम क्या है?

A.) Electronic voltage stabilizer | इलेक्ट्रॉनिक वोल्टेज स्टेबलाइजर
B.) Electronic fan regulator | इलेक्ट्रॉनिक पंखा नियामक
C.) Electronic voltage multiplier | इलेक्ट्रॉनिक वोल्टेज गुणक
D.) Electronic triggering circuit of SCR | SCR का इलेक्ट्रॉनिक ट्रिगर सर्किट
Answer : B.) Electronic fan regulator | इलेक्ट्रॉनिक पंखा नियामक
Q.37) What is the name of the symbol indicates as shown in the figure? | चित्र में दिखाए गए प्रतीक का नाम क्या है?

A.) Exhaust fan | निकास पंखा
B.) Table fan | मेज़ पंखा
C.) Bracket fan | ब्रकेट पंखा
D.) Ceiling fan | छत का पंखा
Answer : D.) Ceiling fan | छत का पंखा
Q.38) What is the purpose of ignitor in high pressure sodium vapour lamp circuit? | उच्च दबाव सोडियम वाष्प लैंप सर्किट में चिंगारी देने वाले का उद्देश्य क्या है?
A.) Increases the running current | रनिंग करंट को बढ़ाता है
B.) Decreases the starting current | आरंभिक धारा को घटाता है
C.) Generates high voltage pulse at starting | शुरू करने पर उच्च वोल्टेज पल्स उत्पन्न करता है
D.) Increases the running voltage | चल रहे वोल्टेज को बढ़ाता है
Answer : C.) Generates high voltage pulse at starting | शुरू करने पर उच्च वोल्टेज पल्स उत्पन्न करता है
Q.39) What is the purpose of U bend marked as ‘X’ in geyser as shown in the figure? | चित्र में दिखाए अनुसार गीजर में ‘X’ से चिह्नित यू बेंड का उद्देश्य क्या है?

A.) Restricts the air locking inside the tank | टैंक के अंदर हवा के लॉक को प्रतिबंधित करता है
B.) Reduces the pressure of outlet pipe | निर्गत पाइप के दबाव को कम करता है
C.) Avoids the forming of scales | स्केल के बनने से बचा जाता है
D.) Prevents draining of water | पानी की निकासी को रोकता है
Answer : D.) Prevents draining of water | पानी की निकासी को रोकता है
Q.40) Which is the diamagnetic substance? | प्रतिचुम्बकीय पदार्थ कौन सा है?
A.) Platinum | प्लैटिनम
B.) Steel | स्टील
C.) Air | वायु
D.) Water | जल
Answer : D.) Water | जल
Q.41) What is the reading of the micrometer as shown in the figure? | चित्र में दर्शाए अनुसार माइक्रोमीटर का पाठ्यांक क्या है?

A.) 5.05 mm | 5.05 मिमी
B.) 4.55 mm | 4.55 मिमी
C.) 4.05 mm | 4.05 मिमी
D.)5.00 mm | 5.00 मिमी
Answer : B.) 4.55 mm | 4.55 मिमी
Q.42) How to identify the moving iron type instrument? | चल लौह प्रकार के उपकरण की पहचान कैसे करें?
A.) Terminal marked (+) only | केवल चिह्नित (+) सिरे
B.) Terminal marked (+) and (-) | टर्मिनल चिह्नित (+) और (-)
C.) One terminal coloured red | लाल रंग का एक सिरा
D.) No terminal marking | कोई सिरा अंकन नहीं
Answer : D.) No terminal marking | कोई सिरा अंकन नहीं
Q.43) Which method is used to reduce the earth resistance value of a existing earth electrode? | मौजूदा अर्थ इलेक्ट्रोड के अर्थ प्रतिरोध मान को कम करने के लिए किस विधि का उपयोग किया जाता है?
A.) Keeping the earth pits in wet condition always | अर्थ पिट को हमेशा गीली अवस्था में रखना
B.) Adding more sand and charcoal in earth pits | गड्ढे में और रेत तथा चारकोल भरना
C.) Increasing the length of electrode | इलेक्ट्रोड की लंबाई बढ़ाना
D.) Increasing the diameter of earth electrode | भू इलेक्ट्रोड का व्यास बढ़ाना
Answer : A.) Keeping the earth pits in wet condition always | अर्थ पिट को हमेशा गीली अवस्था में रखना
Q.44) What is the name of the diagram as shown in the figure? | चित्र में दर्शाए गए आरेख का नाम क्या है?

A.) Installation plan | स्थापना योजना
B.) Wiring diagram | वायरिंग आरेख
C.) Schematic diagram | योजनाबद्ध आरेख
D.) Layout plan | लेआउट आरेख
Answer : A.) Installation plan | स्थापना योजना
Q.45) What is the possible range to measure the size of the wire in a Standard Wire Gauge (SWG)? | मानक वायर गेज (SWG) में तार के आकार को मापने की संभावित सीमा क्या है?
A.) 0-42
B.) 0-36
C.) 0-44
D.) 0-38
Answer : B.) 0-36
Q.46) What is the value of resistance of an open circuit? | एक खुले सर्किट के प्रतिरोध का मान क्या है?
A.) Infinity | अनंत
B.) Medium | अधिक
C.) Zero | शून्य
D.) Low |कम
Answer : A.) Infinity | अनंत
Q.47) Which is the cold cathode lamp? | कोल्ड कैथोड लैंप कौन सा है?
A.) Mercury vapour lamp | पारा वाष्प लैंप
B.) Neon sign lamp | नीयन संकेत दीपक
C.) Fluorescent lamp | फ्लोरोसेंट लैंप
D.) Halogen lamp | हेलोजन लैंप
Answer : B.) Neon sign lamp | नीयन संकेत दीपक
Q.48) What is the form factor (Kf) for the sinusoidal AC? | साइनसॉइडल AC के लिए फॉर्म फैक्टर (Kf) क्या है?
A.) 2.22
B.) 1.11
C.) 1.00
D.) 4.44
Answer : B.) 1.11
Q.50) What is the function of stirrer motor in micro wave oven? | माइक्रोवेव ओवन में स्टिरर मोटर का कार्य क्या है?
A.) Spreads the heat uniformly | ऊष्मा को समान रूप से फैलाता है
B.) Exhausts the hot air outside | गर्म हवा को बाहर निकालता है
C.) Revolves and reflects the electromagnetic energy | घूमता है और विद्युत चुम्बकीय ऊर्जा को दर्शाता है
D.) Draws cooling air inside | अंदर ठंडी हवा खींचता है
Answer : C.) Revolves and reflects the electromagnetic energy | घूमता है और विद्युत चुम्बकीय ऊर्जा को दर्शाता है
सैंपल पेपर के प्रशन समाप्त हो गए है पूरा कोर्स पढने के लिए आपको कोर्स खरीदना पड़ेगा।
📘 आपको इस कोर्स में क्या मिलेगा:
पाठ्यक्रम में नामांकन के बाद, छात्रों को ऑनलाइन लॉगिन आईडी के माध्यम से निम्न अध्ययन सामग्री प्रदान की जाएगी:
-
Trade Theory MCQ उत्तर सहित (500+ प्रश्न)
विद्युत सर्किट, केबलिंग, मोटर, जनरेटर, ट्रांसफॉर्मर, इंसुलेशन आदि विषयों पर आधारित प्रश्न। -
Workshop Calculation and Science MCQ उत्तर सहित (60+ प्रश्न)
Ohm’s Law, Power, Energy, Resistance, Current, Voltage, Series-Parallel Circuit जैसे गणनात्मक विषयों पर आधारित प्रश्न। -
Engineering Drawing उत्तर सहित (60+ प्रश्न)
Electrical Symbol Reading, Wiring Diagrams, Block Diagrams, Circuit Layouts पर आधारित प्रश्न। -
Employability Skill MCQ उत्तर सहित (260+ प्रश्न)
Soft Skills, Communication, IT Basics, Entrepreneurship आदि पर आधारित प्रश्न। -
Practical Questions (वर्कशॉप आधारित प्रश्न)
वायरिंग लेआउट, इंस्टॉलेशन प्रैक्टिस, फॉल्ट डिटेक्शन, इंस्ट्रूमेंट यूसेज, आदि से जुड़े प्रैक्टिकल प्रश्न।
Best of Luck for Exam


२
hum apki kya sahayta kar sakte hai