Refrigeration and Air Conditioning Technician First Year – Free Course Preview
Refrigeration and Air Conditioning Technician – Trade Theory (Study Material)
First Year
MULTIPLE CHOICE QUESTIONS WITH ANSWER – 01 TO 50
Q.1) How much is the maximum capacity of refrigerant to be filled in a returnable service cylinder? |
रिटरनेबल सर्विस सिलेंडर में रेफ्रिजरेंट की अधिकतम क्षमता कितनी भरी जानी है?
A) Up to 90%
B) Up to 80%
C) Up to 85%
D) Up to 95%
Answer: B) Up to 80%
Q.2) What is the part marked as X in tube cutter? |
ट्यूब कटर में X के रूप में चिह्नित भाग क्या है?

A) Cutting wheel | कटिंग व्हील
B) Reamer | रीमर
C) Roller wheel | रोलर व्हील
D) Tightening knob | टाइटनिंग नोब
Answer: C) Roller wheel | रोलर व्हील
Q.3) Which safety device is used for compressor motor in window air conditioner? |
विंडो एयर कंडीशनर में कंप्रेसर मोटर के लिए किस सुरक्षा उपकरण का उपयोग किया जाता है?
A) Starting capacitor | संधारित्र शुरू करना
B) Relay | रिले
C) Over load protector | ओवर लोड प्रोटेक्टर
D) Running capacitor | चल संधारित्र
Answer: C) Over load protector | ओवर लोड प्रोटेक्टर
Q.4) What is the name of component symbolized? |
प्रतीक किये गए घटक का नाम क्या है?

A) Transistor | ट्रांजिस्टर
B) Capacitor | कैपेसिटर
C) SCR | एससीआर
D) DIAC | डीआईऐसी
Answer: D) DIAC | डीआईऐसी
Q.5) What is the energy of a body by virtue of its position? |
किसी शरीर की ऊर्जा उसकी स्थिति के आधार पर क्या है?
A) Potential energy | स्थितिज ऊर्जा
B) Kinetic energy | गतिज ऊर्जा
C) Electrical energy | विद्युत ऊर्जा
D) Wind energy | वायु ऊर्जा
Answer: A) Potential energy | स्थितिज ऊर्जा
Q.6) hich extinguishes the fire of flammable liquids? |
ज्वलनशील तरल पदार्थों की आग को कौन बुझाता है?
A) CO₂ | CO₂
B) Water | पानी
C) Oil | तेल
D) Air | वायु
Answer: A) CO₂ | CO₂
Q.7) Which refrigerant property is desirable for V.C system? |
V.C प्रणाली के लिए कौन सा रेफ्रिजरेंट गुण वांछनीय है?
A) Low latent heat valve | कम अव्यक्त ताप वाल्व वाला
B) Low boiling point | कम क्वथनांक वाला
C) Corrosive to metals | धातुओं के लिए संक्षारक वाला
D) Low Dielectric strength | कम बिजली के धाराप्रवाह को रोकने वाली ताकत वाला
Answer: B) Low boiling point | कम क्वथनांक वाला
Q.8) What is the value of resistance as per colour codes? |
रंग कोड के अनुसार रेजिस्टेंस का मान क्या है?

A) 2 K3 Ω ± 5%
B) 3 K3 Ω ± 10%
C) 5 K3 Ω ± 20%
D) 4 K3 Ω ± 15%
Answer: B) 3 K3 Ω ± 10%
Q.9) What is the name of joint between pieces located at right angle to each other? |
एक दूसरे के समकोण पर स्थित टुकड़ों के बीच जॉइंट का नाम क्या है?
A) T – Joint | T – जॉइंट
B) Lap joint | लैप जॉइंट
C) Grooved joint | ग्रूव्ड जॉइंट
D) Butt joint | बट जॉइंट
Answer: A) T – Joint | T – जॉइंट
Q.10) Which is the point angle of a twist drill used for zinc alloy? |
जस्ता मिश्र धातु के लिए उपयोग की जाने वाली मोड़ ड्रिल का बिंदु कोण कितना होता है?
A) 100°
B) 125°
C) 90°
D) 118°
Answer: D) 118°
Q.11) Where the thermal bulb is fixed in frost free refrigerator? |
फ्रोस्ट फ्री रेफ्रिजरेटर में थर्मल बल्ब कहाँ फ़िक्स किया जाता है?
A) Liquid line | लिक्विड लाइन पर
B) Last coil of evaporator | एवापोरेटर की अंतिम क्वाइल पर
C) Last coil of condenser | कंडेनसर के अंतिम क्वाइल पर
D) Discharge line | डिस्चार्ज लाइन पर
Answer: B) Last coil of evaporator | एवापोरेटर की अंतिम क्वाइल पर
Q.12) Which gas is produced by the chemical reaction of carbide and water? |
कार्बाइड और पानी की रासायनिक प्रतिक्रिया से कौन सी गैस उत्पन्न होती है?
A) Nitrogen | नाइट्रोजन
B) Carbon dioxide | कार्बन डाइऑक्साइड
C) Acetylene | एसीटिलीन
D) Oxygen | ऑक्सीजन
Answer: C) Acetylene | एसीटिलीन
Q.13) What is the component used in frost free refrigerator? |
फ्रोस्ट फ्री रेफ्रिजरेटर में उपयोग किया जाने वाला घटक क्या है?

A) Over load protector | ओवर लोड प्रोटेक्टर
B) Timer | टाइमर
C) PTC relay | PTC रिले
D) Defrost heater | डीफ्रॉस्ट हीटर
Answer: D) Defrost heater | डीफ्रॉस्ट हीटर
Q.14) What is the equivalent absolute scale for centigrade? |
सेंटीग्रेड के लिए बराबर निरपेक्ष पैमाना क्या है?
A) Celsius | सेल्सीयस
B) Kelvin | केल्विन
C) Rankine | रैंकिन
D) Fahrenheit | फारेनहाइट
Answer: B) Kelvin | केल्विन
Q.15) What is the name of the soldering tool? |
सोल्डरिंग टूल का नाम क्या है?

A) Soldering gun | सोल्डरिंग गन
B) Soldering iron | सोल्डरिंग आयरन
C) Blow lamp | ब्लो लैंप
D) Pot and ladle | पॉट एंड लेडल
Answer: A) Soldering gun | सोल्डरिंग गन
Q.16) Which international agency standardises the numbering system for identifying refrigerants? |
रेफ्रीजिरेटर की पहचान के लिए कौन सी अंतर्राष्ट्रीय एजेंसी नंबरिंग प्रणाली का मानकीकरण करती है?
A) DW142
B) ISO
C) ASHRAE
D) ISHRAE
Answer: C) ASHRAE
Q.17) What is the colour of oxygen hose pipe in oxy – acetylene welding set? |
ऑक्सी – एसिटिलीन वेल्डिंग सेट में ऑक्सीजन होस पाइप का रंग क्या होता है?
A) Maroon | मेरून
B) Black | काली
C) Red | लाल
D) Green | हरा
Answer: B) Black | काली
Q.18) What is the ratio of oxygen to acetylene in neutral flame for brazing? |
ब्रेज़िंग के लिए न्यूट्रल फ्लेम में एसिटिलीन के लिए ऑक्सीजन का अनुपात क्या है?
A) 1:2
B) 1:3
C) 1:1
D) 2 :1
Answer: C) 1:1
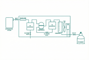
Q.19) What is the refrigerant recovery method? |
रेफ्रिजरेंट रिकवरी विधि क्या है?

A) Passive method of recovery | पैसिव मेथड ऑफ़ रिकवरी
B) Active method of recovery | एक्टिव मेथड ऑफ़ रिकवरी
C) Use of systems compressor for recovery | युस ऑफ़ सिस्टम कंप्रेसर फॉर रिकवरी
D) Charge migration method of recovery | चेंज माइग्रेशन मेथड ऑफ़ रिकवरी
Answer: B) Active method of recovery | एक्टिव मेथड ऑफ़ रिकवरी
Q.20) What is the advantage of using flux in brazing? |
ब्रेज़िंग में फ्लक्स का उपयोग करने का क्या फायदा है?
A) Chemical reaction | रासायनिक प्रतिक्रिया
B) Prevent Oxidation | ऑक्सीकरण रोकें
C) Over heating | ज्यादा हिटिंग
D) Melting tubes | ट्युब्स का पिघलना
Answer: B) Prevent Oxidation | ऑक्सीकरण रोकें
Q.21) What is the storage capacity of oxygen cylinder? |
ऑक्सीजन सिलेंडर की स्टोरेज कैपेसिट क्या है?
A) 5 m³
B) 3 m³
C) 6 m³
D) 7 m³
Answer: D) 7 m³
Q.22) Which device protects the compressor motor from drawing more current? |
कौन सा उपकरण कंप्रेसर मोटर को अधिक करंट खींचने से बचाता है?
A) Thermostat | थर्मोस्टेट
B) OLP | ओएलपी
C) Door switch | डोर स्विच
D) Relay | रिले
Answer: B) OLP | ओएलपी
Q.23) What is the boiling point of pure water in centigrade scale? |
सेंटीग्रेड स्केल में शुद्ध पानी का क्वथनांक क्या है?
A) 0°C
B) 212°C
C) 100°C
D) 32°C
Answer: C) 100°C
Q.24) What is the cooling capacity of 0.5 TR in BTU / hr? |
BTU / hr में 0.5 TR की शीतलन क्षमता क्या है?
A) 18000
B) 24000
C) 6000
D) 12000
Answer: C) 6000
Q.25) Which is a positive displacement compressor? |
एक पोजिटिव डिस्प्लेसमेंट कंप्रेसर कौन सा है?
A) Scroll compressor | स्क्रॉल कंप्रेसर
B) Centrifugal compressor | सेन्ट्रीफ्यूगल कंप्रेसर
C) Oil pump | आयल पंप
D) Water pump | वाटर पंप
Answer: A) Scroll compressor | स्क्रॉल कंप्रेसर
Q.26) What is the capacity of doing work? |
कार्य करने की क्षमता क्या है?
A) Work | काम
B) Energy | ऊर्जा
C) Power | शक्ति
D) Force | बल
Answer: B) Energy | ऊर्जा
Q.27) What is the part marked as X in tube bender? |
ट्यूब बेंडर में X के रूप में चिह्नित भाग क्या है?

A) Clamp | क्लैंप
B) Handle | हैंडल
C) Operating lever | ऑपरेटिंग लीवर
D) Degree of bends | डिग्री ऑफ़ बेंड
Answer: D) Degree of bends | डिग्री ऑफ़ बेंड
Q.28) What is the part marked as X? |
भाग को X के रूप में चिह्नित किया गया है?

A) Blower | ब्लोअर
B) Condenser | कंडेनसर
C) Fan | पंखा
D) Blower motor | वायु निस्सारण मोटर
Answer: C) Fan | पंखा
Q.29) Which operation is in progress?
कौन सा ऑपरेशन चल रहा है?

A) Open the front grill | सामने की ग्रिल खोलें
B) Clean the condenser | कंडेंसर को साफ करें
C) Test the blower fan | ब्लोअर के पंखे का परीक्षण करें
D) Open the louvers of unit | इकाई के लॉवर्स खोलें
Answer: A) Open the front grill | सामने की ग्रिल खोलें
Q.30) Which operation is in progress with capacitor? |
कैपेसिटर के साथ कौन सा ऑपरेशन चल रहा है?

A) Cleaning | क्लीनिंग
B) Charging | चार्जिंग
C) Testing | टेस्टिंग
D) Discharging | डिसचार्जिंग
Answer: D) Discharging | डिसचार्जिंग
Q.31) Which terminals are momentarily shorted to start the compressor motor without relay? |
रिले के बिना कंप्रेसर मोटर को शुरू करने के लिए कौन से टर्मिनलों को क्षणिक रूप से छोटा किया जाता है?
A) S and R terminal | S और R टर्मिनल
B) S and compressor body | S और कंप्रेसर बॉडी
C) C and S terminal | C और S टर्मिनल
D) C and R terminal | C और R टर्मिनल
Answer: A) S and R terminal | S और R टर्मिनल
Q.32) Which tool is used for tightening the odd size bolts and nuts? |
ओड साइज़ के बोल्ट और नट्स को कसने के लिए किस उपकरण का उपयोग किया जाता है?
A) Ring spanner | रिंग स्पेनर
B) Adjustable spanner | एडजस्टेबल स्पैनर
C) Socket set | सॉकेट सेट
D) Nose pliers | नोज़ प्लायर्स
Answer: B) Adjustable spanner | एडजस्टेबल स्पैनर
Q.33) What is the maximum TR capacity operated with 1ϕ AC supply? |
1ϕ AC आपूर्ति के साथ अधिकतम TR क्षमता किसमें संचालित होती है?
A) 2.0 TR
B) 5 TR
C) 1.5 TR
D) 1.00 TR
Answer: A) 2.0 TR
Q.34) Which winding of compressor motor is directly connected across voltage relay coil? |
कंप्रेसर मोटर की कौन सी वाइंडिंग सीधे वोल्टेज रिले कॉइल से जुड़ी होती है?
A) Running winding | रनिंग वाइंडिंग
B) Auxiliary winding | सहायक वाइंडिंग
C) Main winding | मुख्य वाइंडिंग
D) Starting winding | घुमावदार शुरू
Answers: D) Starting winding | घुमावदार शुरू
Q.35) Where the refrigerant is stored in split AC during pump down operation? |
पंप डाउन ऑपरेशन के दौरान स्पिरिट एसी में विभाजित किया जाता है?
A) Evaporator | बाष्पीकरण करनेवाला
B) Condenser | कंडेनसर
C) Accumulator | एकुम्लेटर
D) Compressor | कंप्रेसर
Answer: B) Condenser | कंडेनसर
Q.36) Which factors produce work? |
कौन से कारक काम का उत्पादन करते हैं?
A) Force and power | बल और शक्ति
B) Force and time | बल और समय
C) Force and distance | बल और दूरी
D) Time and distance | समय और दूरी
Answer: C) Force and distance | बल और दूरी
Q.37) Which colour is used for painting condenser coil? |
कंडेनसर कॉइल पेंटिंग के लिए किस रंग का उपयोग किया जाता है?
A) Red | लाल
B) Green | हरा
C) Blue | नीला
D) Black | काला
Answer: D) Black | काला
Q.38) Which type of insulating material is used for making ice box to cool beverages? |
शीत पेय पदार्थों के लिए आइस बॉक्स बनाने के लिए किस प्रकार की इन्सुलेट सामग्री का उपयोग किया जाता है?
A) Thermocol | थर्मोकोल
B) Glass wool | ग्लास वूल
C) Fibre glass | फाइबर ग्लास
D) Tar felt | टार फेल्ट
Answer: A) Thermocol | थर्मोकोल
Q.39) What is the physical change of refrigerant in evaporator? |
बाष्पीकरण में रेफ्रीजरेंट का भौतिक परिवर्तन क्या है?
A) Vapour to solid | वाष्प को ठोस
B) Solid to liquid | तरल से ठोस
C) Vapour to liquid | वाष्प से तरल
D) Liquid to vapour | तरल से वाष्प
Answer: D) Liquid to vapour | तरल से वाष्प
Q.40) Which component is connected in series with defrost heater in a frost free refrigerator? |
ठंढ मुक्त रेफ्रिजरेटर में डीफ़्रॉस्ट हीटर के साथ श्रृंखला में कौन सा घटक जुड़ा हुआ है?
A) Cabinet bulb | कैबिनेट बल्ब
B) Door switch | द्वार का स्विच
C) Heating element | हिटिंग एलिमेंट
D) Bimetal thermo | बायमेटल थर्मो
Answer: D) Bimetal thermo | बायमेटल थर्मो
Q.41) Which cooling medium is used to condense the refrigerant vapour in plate and tube condenser? |
प्लेट और ट्यूब कंडेनसर में रेफ्रिजरेट वाष्प को संघनित करने के लिए किस शीतलन माध्यम का उपयोग किया जाता है?
A) Brine solution | बराइन सलूशन
B) Water | वाटर
C) Natural Air | नेचुरल एयर
D) Forced Air | फोर्स्ड एयर
Answer: C) Natural Air | नेचुरल एयर
Q.42) Which control device is used to maintain the room air temperature? |
कमरे के तापमान को बनाए रखने के लिए किस नियंत्रण उपकरण का उपयोग किया जाता है?
A) Relay | रिले
B) OLP | ओएलपी
C) Selector switch | सलेक्टर स्विच
D) Thermostat |थर्मोस्टेट
Answer: D) Thermostat |थर्मोस्टेट
Q.43) Which bearing is used in condenser motor of outdoor unit in ductable multi split air conditioner? |
डक्टेबल मल्टी स्प्लिट एयर कंडीशनर में आउटडोर यूनिट के कंडेनसर मोटर में कौन सा बेअरिंग होता है?
A) Thrust bearing | थ्रस्ट बेअरिंग
B) Sleeve bearing | स्लीव बेअरिंग
C) Ball bearing | बॉल बियरिंग
D) Open ball bearing | ओपन बॉल बेयरिं
Answer: B) Sleeve bearing | स्लीव बेअरिंग
Q.44) Which testing is carried out on hermetic compressor? |
हेर्मेटिक कंप्रेसर पर कौन सा परीक्षण किया जाता है?

A) Identification of terminal | टर्मिनल की पहचान
B) Starting compressor | स्टार्टिंग कंप्रेसर
C) Grounded compressor motor | ग्राउंडेड कंप्रेसर मोटर
D) Open circuit | ओपन परिपथ
Answer: C) Grounded compressor motor | ग्राउंडेड कंप्रेसर मोटर
Q.45) Which sheet is used to check the tightness of door gasket of a refrigerator? |
रेफ्रिजरेटर की डोर गैसकेट की टिगनेस की जांच के लिए कौनसी शीट का उपयोग किया जाता है?
A) Copper | तांबा
B) Zinc | जस्ता
C) Plastic | प्लास्टिक
D) Rubber | रबर
Answer: C) Plastic | प्लास्टिक
Q.46) Which type of condenser is directly placed on water spray and air? |
किस प्रकार का कंडेनसर सीधे पानी के स्प्रे और हवा पर रखा जाता है?
A) Shell and tube condenser | शेल और ट्यूब कंडेनसर
B) Air cooled condenser | एयर कूल्ड कंडेनसर
C) Water cooled condenser | वाटर कूल्ड कंडेनसर
D) Evaporative condenser | एवापोरेटीवे कंडेनसर
Answer: D) Evaporative condenser | एवापोरेटीवे कंडेनसर
Q.47) Which insulating material is poured as liquid? |
किस इन्सुलेट सामग्री को तरल के रूप में डाला जाता है?
A) Poly Urethane Foam (PUF) | पॉली यूरेटेन फोम (PUF)
B) Glass Wool | ग्लास वूल
C) Wood Shave | वुड शेव
D) Cork Board | कॉर्क बोर्ड
Answer: A) Poly Urethane Foam (PUF) | पॉली यूरेटेन फोम (PUF)
Q.48) Which instrument is used to identify the terminals of a compressor motor? |
कंप्रेसर मोटर के टर्मिनलों की पहचान करने के लिए किस उपकरण का उपयोग किया जाता है?
A) Ohm meter | ओम मीटर
B) Voltmeter | वाल्टमीटर
C) Anemometer | एनीमोमीटर
D) Ammeter | एम्मिटर
Answer: A) Ohm meter | ओम मीटर
Q.49) How the maximum reverse voltage across the diode is termed in reverse biased condition? |
डायोड में अधिकतम रिवर्स वोल्टेज को रिवर्स बायस्ड स्थिति में कैसे कहा जाता है?
A) Diode voltage | डायोड वोल्टेज
B) Ripple frequency | रिप्पल फ्रीक्वेंसी
C) Peak inverse voltage | पीक इनवर्स वोल्टेज
D) Peak rectification voltage | पीक रेक्टिफिकेशन वोल्टेज
Answer: C) Peak inverse voltage | पीक इनवर्स वोल्टेज
Q.50) Which is adjusted to the size of electrode in welding process? |
वेल्डिंग प्रक्रिया में इलेक्ट्रोड के आकार को किससे समायोजित किया जाता है?
A) Thickness | मोटाई
B) Ampere | एम्पियर
C) Conductor | कंडक्टर
D) Length | लंबाई
Answer: B) Ampere | एम्पियर
सैंपल पेपर के प्रशन समाप्त हो गए है पूरा कोर्स पढने के लिए आपको कोर्स खरीदना पड़ेगा।
📘 आपको इस कोर्स में क्या मिलेगा:
पाठ्यक्रम में नामांकन के बाद, छात्रों को ऑनलाइन लॉगिन आईडी के माध्यम से निम्न अध्ययन सामग्री प्रदान की जाएगी:
-
Trade Theory MCQ उत्तर सहित (200+ प्रश्न)
विद्युत सर्किट, केबलिंग, मोटर, जनरेटर, ट्रांसफॉर्मर, इंसुलेशन आदि विषयों पर आधारित प्रश्न। -
Workshop Calculation and Science MCQ उत्तर सहित (47+ प्रश्न)
Ohm’s Law, Power, Energy, Resistance, Current, Voltage, Series-Parallel Circuit जैसे गणनात्मक विषयों पर आधारित प्रश्न। -
Engineering Drawing उत्तर सहित (60+ प्रश्न)
Electrical Symbol Reading, Wiring Diagrams, Block Diagrams, Circuit Layouts पर आधारित प्रश्न। -
Employability Skill MCQ उत्तर सहित (260+ प्रश्न)
Soft Skills, Communication, IT Basics, Entrepreneurship आदि पर आधारित प्रश्न। -
Practical Questions (वर्कशॉप आधारित प्रश्न)
वायरिंग लेआउट, इंस्टॉलेशन प्रैक्टिस, फॉल्ट डिटेक्शन, इंस्ट्रूमेंट यूसेज, आदि से जुड़े प्रैक्टिकल प्रश्न।
End of Subject Trade Theory Question from 01 to 50
Go to Next page for Questions from 01 to 100
Best of Luck for Exam

