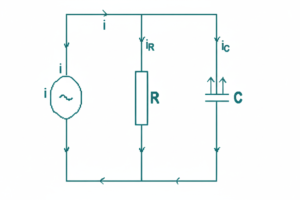
Electrician First Year – Trade Theory Set – 05By itikegyani.com / March 13, 2025 /25 81 Electrician First Year - Trade Theory Practice Set 05यहाँ प्रत्येक पेपर में 25 महत्वपूर्ण प्रश्न होते हैं। यह क्विज ITI परीक्षा की तैयारी के लिए बेहद उपयोगी हैं, जिससे आप कहीं भी, कभी भी अध्ययन और अभ्यास कर सकते हैं। ITI के ज्ञानी द्वारा तैयार किए गए ये मॉक प्रैक्टिस पेपर परीक्षा के पैटर्न के अनुसार बनाए गए हैं, जिससे आपको वास्तविक परीक्षा का अनुभव मिलेगा और आत्मविश्वास बढ़ेगा। 1 / 25 Category: Electrician First Year CBT Paper (TT)1. What is the phase displacement in a single phase AC circuit?/ एकल फेज AC सर्किट में फेज विस्थापन क्या है? A. 180 Degree/ 180 डिग्री B. 270 Degree/ 270 डिग्री C. 120 Degree/ 120 डिग्री D. 90 Degree/ 90 डिग्री 2 / 25 Category: Electrician First Year CBT Paper (TT)2. What is the unit of sensitivity in voltmeter? | वोल्टमीटर में संवेदनशीलता की इकाई क्या है? A. (Ohm / volt) | (ओम / वोल्ट) B. (Ohm metre) | (ओम मीटर) C. (Volt / ohm) | (वोल्ट / ओम) D. (Ohm / metre) | (ओम / मीटर) 3 / 25 Category: Electrician First Year CBT Paper (TT)3. Which is proportional for the deflection of ohmmeter needle in earth resistance tester? | पृथ्वी प्रतिरोध परीक्षक में ओह्ममीटर सुई के विक्षेपण किसके आनुपातिक है? A. Current in potential coil | विभव कुंडली में धारा B. Current in current coil | धारा कुंडली में धारा C. Speed of the handle rotation | हैंडल घूर्णन की गति D. Ratio of the current in two coils | दो कुंडलियों में धारा का अनुपात 4 / 25 Category: Electrician First Year CBT Paper (TT)4. What is the formula to find voltage drop of a A.C single phase wiring circuit? | A.C एकल फेज वायरिंग परिपथ के वोल्टेज पात को निकालने का सूत्र क्या है? A. Voltage drop = I/R volt | वोल्टेज ड्रॉप = I/R वोल्ट B. Voltage drop = I²R volt | वोल्टेज ड्रॉप = I²R वोल्ट C. Voltage drop = IR volt | वोल्टेज ड्रॉप = IR वोल्ट D. Voltage drop = IR/2 volt | वोल्टेज ड्रॉप = IR/2 वोल्ट 5 / 25 Category: Electrician First Year CBT Paper (TT)5. Which load condition the phase currents of a 3 phase circuit are same? | 3 चरण सर्किट की चरण धाराएं किस लोड स्थिति में समान होती हैं? A. At unbalanced resistive load | असंतुलित प्रतिरोधक भार पर B. At unbalanced inductive load | असंतुलित प्रेरणिक भार पर C. At unbalanced RLC load | असंतुलित RLC भार पर D. At balanced load | संतुलित लोड पर 6 / 25 Category: Electrician First Year CBT Paper (TT)6. What is the formula to calculate the line current (IL) of R-C parallel circuit as shown in the figure?/ चित्र में दिखाए अनुसार R-C समान्तर परिपथ की लाइन धारा (IL) की गणना करने का सूत्र क्या है? (चित्र 1 को IL में बदलें) A. Iʟ=Iʀ-Ic B. Iʟ=√(Iʀ²+Ic²) C. Iʟ=Iʀ²+Ic² D. Iʟ=Iʀ+Ic 7 / 25 Category: Electrician First Year CBT Paper (TT)7. Why separate wiring is recommended for home theatre wiring and power wiring? | होम थिएटर वायरिंग और पावर वायरिंग के लिए अलग वायरिंग की सिफारिश क्यों की जाती है? A. To reduce the power loss | बिजली की हानि को कम करने के लिए B. To maintain the voltage level constant | वोल्टेज स्तर को स्थिर बनाए रखने के लिए C. To avoid the mechanical vibration | यांत्रिक कंपन से बचने के लिए D. To avoid the electrical interference | विद्युतीय हस्तक्षेप से बचने के लिए 8 / 25 Category: Electrician First Year CBT Paper (TT)8. What is the unit of capacitance? | धारिता की इकाई क्या है? A. Coulomb | कूलम्ब B. Mho | मओ C. Henry | हेनरी D. Farad | फैराड 9 / 25 Category: Electrician First Year CBT Paper (TT)9. What is the purpose of U bend marked as ‘X’ in geyser as shown in the figure?/ चित्र में दिखाए अनुसार गीजर में ‘X’ से चिह्नित यू बेंड का उद्देश्य क्या है? A. Reduces the pressure of outlet pipe / निर्गत पाइप के दबाव को कम करता है B. Restricts the air locking inside the tank / टैंक के अंदर हवा के लॉक को प्रतिबंधित करता है C. Prevents draining of water / पानी की निकासी को रोकता है D. Avoids the forming of scales स्केल के बनने से बचा जाता है 10 / 25 Category: Electrician First Year CBT Paper (TT)10. Which method is used to reduce the value of earth resistance? | भू-प्रतिरोध का मान कम करने के लिए किस विधि का प्रयोग किया जाता है? A. By reducing the size of earth electrode | अर्थ इलेक्ट्रोड का आकार को कम करके B. By pouring water in the earth pit at repeated intervals | मिट्टी के गड्ढे में समय-समय पर पानी डालने से C. By decreasing the depth of earth electrodes | अर्थ इलेक्ट्रोड की गहराई को कम करके D. By connecting a number of earth electrodes in series | कई अर्थ इलेक्ट्रोडों को श्रृंखला में जोड़कर 11 / 25 Category: Electrician First Year CBT Paper (TT)11. What is the rated AC voltage for single phase domestic supply in India? | भारत में सिंगल फेज घरेलू आपूर्ति के लिए रेटेड AC वोल्टेज क्या है? A. 440 V | 440 वोल्ट B. 240 V | 240 वोल्ट C. 415 V | 415 वोल्ट D. 110 V | 110 वोल्ट 12 / 25 Category: Electrician First Year CBT Paper (TT)12. Why the outer tube of a high pressure metal halide lamp made of boro silicate glass? | उच्च दाब धातु हैलाइड लैंप की बाहरी ट्यूब बोरो सिलिकेट ग्लास से क्यों होती है? A. Reduce the ultra violet radiation from lamp | लैंप से पराबैंगनी विकिरण को कम करें B. Increase the lighting effect | प्रकाश प्रभाव बढ़ाएँ C. Withstand heavy temperature | भारी तापमान को सहन करे D. Withstand atmospheric pressure | वायुमंडलीय दबाव को सहन करे 13 / 25 Category: Electrician First Year CBT Paper (TT)13. Which law states that the applied voltage in a closed circuit, is equal to the sum of the voltage drops? | कौन सा नियम बताता है कि एक बंद सर्किट में लागू वोल्टेज, वोल्टेज ड्रॉप के योग के बराबर है? A. Laws of resistance | प्रतिरोध के नियम B. Kirchhoff’s second law | किरचोफ़ का दूसरा नियम C. Ohm’s law | ओह्म का नियम D. Kirchhoff’s first law | किरचोफ़ का पहला नियम 14 / 25 Category: Electrician First Year CBT Paper (TT)14. What is the name of the circuit as shown in the figure? | चित्र में दिखाए गए सर्किट का नाम क्या है? A. Electronic voltage stabilizer | इलेक्ट्रॉनिक वोल्टेज स्टेबलाइजर B. Electronic voltage multiplier | इलेक्ट्रॉनिक वोल्टेज गुणक C. Electronic fan regulator | इलेक्ट्रॉनिक पंखा नियामक D. Electronic triggering circuit of SCR | SCR का इलेक्ट्रॉनिक ट्रिगर सर्किट 15 / 25 Category: Electrician First Year CBT Paper (TT)15. What is the permissible leakage current in domestic wiring installation? | घरेलू वायरिंग स्थापना में अनुमत रिसाव वर्तमान क्या है? A. 1/5000 x Full load | 1/5000 x पूर्ण लोड करंट B. 1/500 x Full load current | 1/500 x पूर्ण लोड करंट C. 1/5 x Full load current | 1/5 x पूर्ण लोड करंट D. 1/50 x Full load current | | 1/50 x पूर्ण लोड करंट 16 / 25 Category: Electrician First Year CBT Paper (TT)16. Which type of conduit is used for gas tight explosive installation? | गैस टाइट विस्फोटक स्थापना के लिए किस प्रकार का कन्ड्यूट का उपयोग किया जाता है? A. Rigid steel conduits | कठोर इस्पात कन्ड्यूट B. Flexible conduits | लचीले कन्ड्यूट C. Flexible non-metallic conduits | लचीले अधात्विक कन्ड्यूट D. Rigid non-metallic conduits | कठोर अधात्विक कन्ड्यूट 17 / 25 Category: Electrician First Year CBT Paper (TT)17. What is the name of the scale as shown in the figure?| चित्र में दर्शाए गए पैमाने का नाम क्या है? A. Extended scale | विस्तारित पैमाना B. Non-linear scale | गैर-रेखीय पैमाने C. Linear scale | रैखिक पैमाने D. Fine scale | फाइन स्केल 18 / 25 Category: Electrician First Year CBT Paper (TT)18. Which electrolyte used in carbon zinc dry cells? | कार्बन जस्ता शुष्क सेल में कौन सा विद्युत अपघट्य उपयोग किया जाता है? A. Potassium hydroxide | पोटेशियम हाइड्रोक्साइड B. Concentrated hydrochloric acid | सान्द्र सल्फ्यूरिक अम्ल C. Ammonium chloride | अमोनियम क्लोराइड D. Dilute sulphuric acid | तनु सल्फ्यूरिक अम्ल 19 / 25 Category: Electrician First Year CBT Paper (TT)19. What is the effect of inductance if the distance between the turns increases? | यदि घुमावों के बीच की दूरी बढ़ जाती है तो प्रेरकत्व का क्या प्रभाव होगा? A. Increases | बढ़ेगा B. Becomes zero | शून्य हो जायेगा C. Remains same | समान रहेगा D. Decreases | घटेगा 20 / 25 Category: Electrician First Year CBT Paper (TT)20. What is the reason for supplying AC to the electrodes for measuring earth resistance? | पृथ्वी प्रतिरोध को मापने के लिए इलेक्ट्रोड को एसी की आपूर्ति करने का क्या कारण है? A. Protect the coils in the meter | मीटर में कुंडली को सुरक्षित रखें B. Avoid the effect of electrolytic emf interference | विद्युत अपघट्य विवा बल को हटाना C. Provide electrostatic shield | स्थिर विद्युत शील्ड प्रदान करें D. Reduce the value of current in the meter | मीटर में धारा का मान घटाना 21 / 25 Category: Electrician First Year CBT Paper (TT)21. What is the expansion of MCB? | MCB का विस्तार क्या है? A. Miniature Circuit Breaker | मिनिएचर सर्किट ब्रेकर B. Minimum Current Breaker | मिनिमम करंट ब्रेकर C. Minute Control Breaker | मिनट कंट्रोल ब्रेकर D. Maximum Current Breaker | मैक्सिमम करंट ब्रेकर 22 / 25 Category: Electrician First Year CBT Paper (TT)22. What is the term refers the luminous flux given by light source per unit solid angle? | प्रति इकाई ठोस कोण पर प्रकाश स्रोत द्वारा दिए गए चमकदार प्रवाह को क्या कहा जाता है? A. Luminous intensity | ल्यूमिनस इंटेंसिटी B. Illuminance | इल्लुमिनंस C. Lumen | लुमेन D. Luminous flux | ल्यूमिनस फ्लक्स 23 / 25 Category: Electrician First Year CBT Paper (TT)23. What will be the readings of two watt meters (W1 & W2) in 3 phase power measurement, if the power factor is zero? | 3 फेज शक्ति मापन में दो वाट मीटर (W1 & W2) की रीडिंग क्या होगी, यदि पावर फैक्टर शून्य है? A. W₁ & W₂ both are positive reading | W₁ और W₂ दोनों सकारात्मक रीडिंग हैं B. W₁ & W₂ both are negative reading | W₁ और W₂ दोनों नकारात्मक रीडिंग हैं C. W₁ is unequal to W₂ but with opposite signs | W₁ W₂ के बराबर नहीं है लेकिन विपरीत चिह्नों के साथ D. W₁ is equal to W₂ but with opposite signs | W₁ W₂ के बराबर है लेकिन विपरीत चिह्नों के साथ 24 / 25 Category: Electrician First Year CBT Paper (TT)24. Where the Iron Clad Double Pole (ICDP) main switch is used? | ICDP मुख्य स्विच का उपयोग कहाँ किया जाता है? A. Three phase power circuit installations | तीन फेज़ शक्ति परिपथ स्थापना B. Single phase domestic installations | एकल फेज़ घरेलू स्थापना C. Large commercial installations | बड़े व्यावसायिक प्रतिष्ठान D. Large industrial installations | बड़े औद्योगिक स्थापना 25 / 25 Category: Electrician First Year CBT Paper (TT)25. Where the flexible cords are used in the domestic installation? | घरेलू इंस्टालेशन में लचीली डोरियों का उपयोग कहाँ किया जाता है? A. In concealed wiring | छुपी हुई वायरिंग में B. In DB box wiring | DB बॉक्स वायरिंग में C. In portable appliances | पोर्टेबल उपकरणों में D. In switch box wiring | स्विच बॉक्स वायरिंग में Your score isThe average score is 45% 0% Restart quiz Exit WhatsApp और YouTube चैनल से जुड़े रहनाWhats App Electrician First Year Papers CBT Paper on DGT PatternEmployability Skill Papers Workshop Calculation Papers अत्यधिक चर्चा में ITI Supplementary Exam Eligibility December 2025: Attendance और FA से जुड़े महत्वपूर्ण नियम | DGT के नए आदेश की पूरी जानकारी NCVT सप्लीमेंट्री/लेफ्टओवर परीक्षा (दिसम्बर-2025): उत्तर प्रदेश के प्रशिक्षार्थियों के लिए SCVT पोर्टल पर पंजीकरण शुरू SIDH पोर्टल पर कब होंगे बाकी बचे Trainee Migrate? CTS एडमिशन और डेटा अपलोड की अंतिम तिथि क्या है? DGT API Schedule PRADAN Taluk Coordinator Recruitment 2025: कर्नाटक में 32-36 हजार वेतन के साथ नई भर्ती Bank of India Recruitment 2025: स्केल-II, III और IV ऑफिसर्स की बड़ी भर्ती – आवेदन शुरू PNB LBO भर्ती 2025: पंजाब नेशनल बैंक में 750 लोकल बैंक ऑफिसर पदों पर आवेदन शुरू – योग्यता, सिलेबस, चयन प्रक्रिया और ऑनलाइन फॉर्म