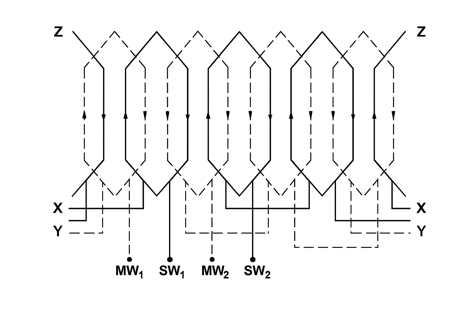
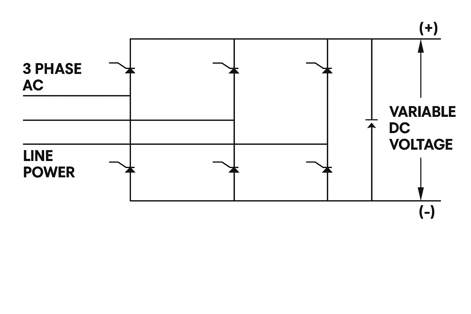
Electrician Second Year – Trade Theory Set – 02By itikegyani.com / April 1, 2025 /25 3 Electrician Second Year - Trade Theory Practice Set 02 यहाँ प्रत्येक पेपर में 25 महत्वपूर्ण प्रश्न होते हैं। यह क्विज ITI परीक्षा की तैयारी के लिए बेहद उपयोगी हैं, जिससे आप कहीं भी, कभी भी अध्ययन और अभ्यास कर सकते हैं। ITI के ज्ञानी द्वारा तैयार किए गए ये मॉक प्रैक्टिस पेपर परीक्षा के पैटर्न के अनुसार बनाए गए हैं, जिससे आपको वास्तविक परीक्षा का अनुभव मिलेगा और आत्मविश्वास बढ़ेगा। 1 / 25 Category: Electrician Second Year CBT Paper (TT) 1. What is the purpose of using thermal relay in addition to fuse in A.C motor circuit? | A.C मोटर सर्किट में फ़्यूज़ के अतिरिक्त थर्मल रिले का उपयोग करने का उद्देश्य क्या है? A. Protect against dead short circuit | मृत शॉर्ट सर्किट से बचाएं B. Protects against continuous over loading | लगातार ओवर लोडिंग से बचाता है C. Protect against high voltage | हाई वोल्टेज से बचाव करें D. Protect from heavy earth fault | भारी भू-भ्रंश से सुरक्षा 2 / 25 Category: Electrician Second Year CBT Paper (TT) 2. What is the name of the part marked as ‘X’ as shown in the figure? | चित्र में दिखाए गए अनुसार ‘X’ से चिह्नित भाग का नाम क्या है? A. Brushes | ब्रश B. Bearings | बियरिंग C. Slip rings | स्लिप रिंग D. Shaft | शाफ़्ट 3 / 25 Category: Electrician Second Year CBT Paper (TT) 3. Which type of D.C Generator works in absence of residual magnetism? | अवशिष्ट चुंबकत्व के अभाव में किस प्रकार का D.C जेनरेटर काम करता है? A. Shunt generator | शंट जनरेटर B. Compound generator | यौगिक जनरेटर C. Separately excited generator | अलग से उत्तेजित जनरेटर D. Series generator | श्रेणी जनरेटर 4 / 25 Category: Electrician Second Year CBT Paper (TT) 4. Which electric lines connect the substation to distributors in distribution system? | वितरण प्रणाली में वितरकों के लिए सबस्टेशन को कौन सी विधुत लाइन जोड़ती हैं? A. Service lines | सर्विस लाइन B. Feeders | फ़ीडर C. Service mains | सर्विस मेन D. Distributors | वितरक 5 / 25 Category: Electrician Second Year CBT Paper (TT) 5. Calculate the coil span for a full pitch winding having 36 stator slots with 4 poles. | 4 ध्रुवों के साथ 36 स्टेटर स्लॉट वाली पूर्ण पिच वाइंडिंग के लिए कॉइल स्पैन की गणना करें। A. 1-10 B. 1-11 C. 1-8 D. 1-9 6 / 25 Category: Electrician Second Year CBT Paper (TT) 6. What is the formula to calculate the back EMF in a DC motor? | DC मोटर में बैक EMF की गणना करने का फॉर्मूला क्या है? A. Eb = ZNP/Φ 60 A B. Eb = 60 AΦ/ ZNP C. Eb = ΦZNP/ 60 A D. Eb = NP/Z Φ60 A 7 / 25 Category: Electrician Second Year CBT Paper (TT) 7. Which instrument provides a visual representation of measured or tested quantities? | कौन सा उपकरण मापे हुए या परीक्षणित मात्रा का एक दृश्य प्रतिनिधित्व प्रदान करता है? A. Cathode ray oscilloscope | कैथोड रे ऑसिलोस्कोप B. Function generator | फलन जनक C. Radio frequency generator | रेडियो फ्रीक्वेंसी जनरेटर D. Voltage stabilizer | वोल्टेज स्टेबलाइजर 8 / 25 Category: Electrician Second Year CBT Paper (TT) 8. What is the name of the coil winding as shown in the figure? | जैसा कि चित्र में दिखाया गया है, कुंडल वाइंडिंग का क्या नाम है? A. Concentric coil winding | कंसेंट्रिक कॉइल वाइंडिंग B. Distributed coil winding | वितरित कुंडल वाइंडिंग C. Diamond mesh shaped coil winding | हीरे की जाली के आकार की कुंडल वाइंडिंग D. Mesh shaped coil winding | जाल आकार की कुंडल वाइंडिंग 9 / 25 Category: Electrician Second Year CBT Paper (TT) 9. Why the rewound armature must be preheated before varnishing? | वार्निशिंग से पहले नए रीवाउंड आर्मेचर को गरम क्यों किया जाना चाहिए? A. Make easy to penetrate varnish inside | अंदर वार्निश घुसना आसान बनाएं B. Help for quick drying of varnish | वार्निश के त्वरित सुखाने के लिए मदद C. Maintain uniform spreading of varnishing | वार्निशिंग के समान प्रसार को बनाए रखें D. Dry out the moisture | नमी को सुखाएँ 10 / 25 Category: Electrician Second Year CBT Paper (TT) 10. Which speed control method is applied to obtain both below normal and above normal speed in DC motor? | डीसी मोटर में सामान्य से ऊपर और नीचे दोनों गतियों को प्राप्त करने के लिए किस गति नियंत्रण विधि को लागू किया जाता है? A. Tapped field speed control method | टैप्ड फील्ड स्पीड कंट्रोल विधि B. Ward Leonard speed control method | वार्ड लियोनार्ड स्पीड कंट्रोल विधि C. Field control method | क्षेत्र नियंत्रण विधि D. Armature control method | आर्मेचर नियंत्रण विधि 11 / 25 Category: Electrician Second Year CBT Paper (TT) 11. What is the name of the device marked as ‘X’ in the circuit as shown in the figure? | चित्र में दिखाए गए सर्किट में ‘X’ से चिह्नित डिवाइस का नाम क्या है? A. Over load relay trip | ओवर लोड रिले ट्रिप B. Contactor | संयोजक C. No volt coil | नो वोल्ट कॉइल D. Stop button | स्टॉप बटन 12 / 25 Category: Electrician Second Year CBT Paper (TT) 12. What is the name of the part as shown in the figure? चित्र में दिखाए गए भाग का नाम क्या है? A. Back end cover | बैक एंड कवर B. Stator | स्टेटर C. Front end cover | फ्रंट एंड कवर D. Rotor | रोटार 13 / 25 Category: Electrician Second Year CBT Paper (TT) 13. What is the name of the test as shown in the circuit? | सर्किट में दिखाए गए परीक्षण का नाम क्या है? A. Open circuit test | ओपन सर्किट टेस्ट B. Polarity test | ध्रुवता जांच C. No load test | कोई लोड टेस्ट नहीं D. Blocked rotor test | ब्लॉक्ड रोटर टेस्ट 14 / 25 Category: Electrician Second Year CBT Paper (TT) 14. What is the function of the part marked as ‘X’ of the rotary converter as shown in the figure? | जैसा कि चित्र में दिखाया गया है, रोटरी कनवर्टर के 'X' के रूप में चिह्नित भाग का क्या कार्य है? A. Converts AC into DC | AC को DC में परिवर्तित करता है B. Collects the alternating current | प्रत्यावर्ती धारा एकत्रित करता है C. Collects the direct current | प्रत्यक्ष धारा एकत्रित करता है D. Reduces voltage drop | वोल्टेज ड्रॉप को कम करता है 15 / 25 Category: Electrician Second Year CBT Paper (TT) 15. Why sequential control of motors are required in an industrial application? | औद्योगिक अनुप्रयोग में मोटरों के अनुक्रमिक नियंत्रण की आवश्यकता क्यों होती है? A. To reduce power consumption | बिजली की खपत को कम करने के लिए B. To increase the accuracy of operation | ऑपरेशन की सटीकता बढ़ाने के लिए C. To share more loads | अधिक भार साझा करने के लिए D. To minimise the operating cost | परिचालन लागत को कम करने के लिए 16 / 25 Category: Electrician Second Year CBT Paper (TT) 16. What is the starting current of an A.C 3 phase squirrel cage induction motor? | A.C 3 फेज़ स्क्विरेल केज इंडक्शन मोटर का शुरुआती करंट क्या है? A. 4 to 5 times of full load current B. 2 to 3 times of full load current C. 1 to 2 times of full load current D. 5 to 6 times of full load current 17 / 25 Category: Electrician Second Year CBT Paper (TT) 17. Which single phase motor has squirrel cage rotor? | किस एकल चरण मोटर में स्क्विरेल केज रोटर होता है? A. Compensated repulsion motor | मुआवजा प्रतिकर्षण मोटर B. Universal motor | यूनिवर्सल मोटर C. Split phase motor | स्प्लिट फेज़ मोटर D. Repulsion motor | प्रतिकर्षण मोटर 18 / 25 Category: Electrician Second Year CBT Paper (TT) 18. What is the name of the converter as shown in the circuit? | सर्किट में दर्शाए गए कनवर्टर का नाम क्या है? A. Mercury arc rectifier | मरकरी आर्क दिष्टकारी B. Silicon controlled rectifier | सिलिकॉन नियंत्रित दिष्टकारी C. Rotary converter | रोटरी कनवर्टर D. Metal rectifier | धातु दिष्टकारी 19 / 25 Category: Electrician Second Year CBT Paper (TT) 19. Which logic gate refers the truth table as given below? | नीचे दी गई सत्यता तालिका को कौन सा लॉजिक गेट संदर्भित करता है? A. AND B. NOT C. NAND D. NOR 20 / 25 Category: Electrician Second Year CBT Paper (TT) 20. What is the main use of A.C drive? | A.C ड्राइव का मुख्य उपयोग क्या है? A. High starting torque | हाई स्टार्टिंग टॉर्क B. Group drive motors | समूह ड्राइव मोटर्स C. Interlocking system in industries | उद्योगों में इंटरलॉकिंग प्रणाली D. Control stepless speed in motors | मोटरों में नियंत्रण रहित गति 21 / 25 Category: Electrician Second Year CBT Paper (TT) 21. What is the total turn-on time (ton) while transistor makes a transition from V2 to V1? | ट्रांजिस्टर V2 से V1 में परिवर्तन करते समय कुल टर्न-ऑन टाइम (ton) क्या है? A. ton= tr - td B. ton= tr - ts C. ton= td + t D. ton= tr+ td+ ts 22 / 25 Category: Electrician Second Year CBT Paper (TT) 22. Which is the correct sequence operation of key button in BOP of AC drive to change the direction of rotation? | रोटेशन की दिशा बदलने के लिए AC ड्राइव के BOP में कुंजी बटन का सही अनुक्रम ऑपरेशन कौन सा है? A. Press OFF → ON → REV B. Press ON → REV → OFF → ON C. Press ON → OFF → REV → ON D. Press ON → REV → ON 23 / 25 Category: Electrician Second Year CBT Paper (TT) 23. Which electronic circuit produces signal waves or pulses without an input? | कौन सा इलेक्ट्रॉनिक सर्किट बिना इनपुट के सिग्नल तरंगों या पल्सेस का उत्पादन करता है? A. Amplifier | एम्पलीफायर B. Oscillator | ऑसिलेटर C. Detector | डिटेक्टर D. Modulator | मोड्यूलेटर 24 / 25 Category: Electrician Second Year CBT Paper (TT) 24. What is the formula to calculate the slip speed (Nslip) of 3 phase squirrel cage in induction motor? इंडक्शन मोटर में 3 फेज स्क्विरल केज की स्लिप गति (Nslip) की गणना करने का फॉर्मूला क्या है? A. Nslip = (Ns × Nr)/Ns B. Nslip = Ns − Nr C. Nslip = Nr − Ns D. Nslip = (Ns + Nr)/2 25 / 25 Category: Electrician Second Year CBT Paper (TT) 25. Which type of sensing unit employed in drive system? | ड्राइव सिस्टम में किस प्रकार की संवेदन इकाई कार्यरत है? A. Resistance temperature detector | प्रतिरोध तापमान डिटेक्टर B. Opto coupler | ऑप्टो कपलर C. Speed sensing | गति संवेदन D. Photo voltaic cell | फोटोवोल्टाइक सेल Your score isThe average score is 49% 0% Restart quiz Exit Workshop Calculation Engineering Drawing Employability Skill Electrician CBT Papers WhatsApp और YouTube चैनल से जुड़े रहना Whats App अत्यधिक चर्चा में Sample Paper ITI Supplementary Exam Eligibility December 2025: Attendance और FA से जुड़े महत्वपूर्ण नियम | DGT के नए आदेश की पूरी जानकारी NCVT सप्लीमेंट्री/लेफ्टओवर परीक्षा (दिसम्बर-2025): उत्तर प्रदेश के प्रशिक्षार्थियों के लिए SCVT पोर्टल पर पंजीकरण शुरू SIDH पोर्टल पर कब होंगे बाकी बचे Trainee Migrate? CTS एडमिशन और डेटा अपलोड की अंतिम तिथि क्या है? DGT API Schedule PRADAN Taluk Coordinator Recruitment 2025: कर्नाटक में 32-36 हजार वेतन के साथ नई भर्ती Bank of India Recruitment 2025: स्केल-II, III और IV ऑफिसर्स की बड़ी भर्ती – आवेदन शुरू