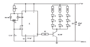
Electronic Mechanic Second Year CBT Paper – Free Practice Set -04By itikegyani.com / August 15, 2025 0 यह पेपर 2 घंटे का है 2 घंटे बाद पेपर अपने आप सबमिट हो जायेगा और आप चाहें तो 2 घंटे से पहले भी सबमिट कर सकते है|सॉरी समय समाप्त हो गया|Electronic Mechanic CBT Paper Second Year (Quiz -4)इस पेपर में 75 प्रशन है जिसमे Trade Tehory के 44 प्रशन, Workshop Calculation and Science के 06 प्रशन, Employability Skill के 25 प्रशन , प्रत्येक प्रशन 2 मार्क्स का है और किसी प्रकार की नेगेटिव मार्किंग नहीं है| 1 / 75 Category: Employability Skill CBT Paper (II)1. Which one is a social networking site?| कौन एक सोशल नेटवर्किंग साइट है? A. Lotus notes | लोटस नोट्स B. Mozilla | मोज़िला C. Face book | फेसबुक D. Outlook express | आउटलुक एक्सप्रेस 2 / 75 Category: Employability Skill CBT Paper (II)2. The conversion of computer data from one format to another is called ______ | कंप्यूटर डेटा को एक फॉर्मेट से दूसरे फॉर्मेट में बदलना ______ कहलाता है A. Data conversion | डेटा कन्वर्शन B. cutting | कटिंग C. pasting | पेस्टिंग D. copying | कॉपीइंग 3 / 75 Category: Employability Skill CBT Paper (II)3. Suggestion for green practices in the office canteen is ______ | ऑफिस कैंटीन में ग्रीन प्रैक्टिस का सुझाव ______ है A. Providing lunch to the staff in disposable plates. | स्टाफ को डिस्पोजेबल प्लेटों में दोपहर का भोजन उपलब्ध कराना B. Using steel plates and cups. | स्टील प्लेट और कप का उपयोग करना C. Serve green vegetables. | हरी सब्जियाँ परोसना D. Delivering food in plastic packaging. | प्लास्टिक पैकेजिंग में भोजन वितरित करना 4 / 75 Category: Employability Skill CBT Paper (II)4. Which of the following is a people skills required in a workplace? | कार्यस्थल में निम्नलिखित में से कौन सा कौशल लोगों के लिए आवश्यक है? A. Driving skills | ड्राइविंग स्किल B. Being kind & Listening | दयालु बनना और सुनना C. Work alone | अकेले काम करना D. Technical Skills | टेक्निकल स्किल 5 / 75 Category: Employability Skill CBT Paper (II)5. Which of the following is a regular, non-app-based gig economy job opportunity? | एक नियमित, गैर-APP आधारित गिग इकॉनमी जॉब का अवसर कौन सा है? A. Uber | उबर B. Dunzo | डुन्ज़ो C. Swiggy | स्विगी D. Home catering | होम कैटरिंग 6 / 75 Category: Employability Skill CBT Paper (II)6. Hi, how are you, whats up, these are examples of _______ | नमस्ते, आप कैसे हैं, क्या चल रहा है, ये _______ के उदाहरण हैं । A. formal communication | फॉर्मल कम्युनिकेशन B. polite communication | पोलाइट कम्युनिकेशन C. informal communication | इनफॉर्मल कम्युनिकेशन D. impolite communication | इम्पलाइट कम्युनिकेशन 7 / 75 Category: Employability Skill CBT Paper (II)7. When we find a faster way to pack products at the factory, what we should do? | जब हमें फ़ैक्टरी में उत्पादों को पैक करने का तेज़ तरीका मिल जाए, तो हमें क्या करना चाहिए? A. Keep the method as secret | मेथड को सीक्रेट रखना चाहिए B. Pack products faster than our coworkers | हमारे कोवर्कर की तुलना में उत्पादों को तेजी से पैक करना चाहिए C. Share the faster packing method with our team | अपनी टीम के साथ तीव्र पैकिंग विधि शेयर करना चाहिए D. Continue packing the way the team has been doing | टीम जिस तरह से पैकिंग कर रही है, उसी तरह से पैकिंग जारी रखना चाहिए 8 / 75 Category: Employability Skill CBT Paper (II)8. What are some advantages of informal communication at the workplace? | वर्कप्लेस पर इनफॉर्मल कम्युनिकेशन के क्या लाभ हैं? A. Helps people work together better | लोगों को एक साथ मिलकर बेहतर ढंग से काम करने में मदद मिलती है B. Creates a strict environment at work | कार्यस्थल पर सख्त वातावरण बनाता है C. Makes people talk less | लोगों को कम बात करने देता है D. Makes things more official at work | कार्यस्थल पर चीज़ों को और अधिक आधिकारिक बनाता है 9 / 75 Category: Employability Skill CBT Paper (II)9. We use Google maps to follow the _______ to reach a place. | किसी स्थान तक पहुंचने के लिए हम _______ का फॉलो करने के लिए गूगल मैप्स का उपयोग करते हैं। A. demark | डेमार्क B. direction | डायरेक्शन C. destination | डेस्टिनेशन D. distance | डिस्टेंस 10 / 75 Category: Employability Skill CBT Paper (II)10. Full form of GPS is _______ | GPS का फुल फॉर्म _______ है A. Global Planning System | वैश्विक योजना प्रणाली B. Global Positioning System | ग्लोबल पोजिशनिंग सिस्टम C. Globe Pointing System | ग्लोब पॉइंटिंग सिस्टम D. Great Polar System | महान ध्रुवीय प्रणाली 11 / 75 Category: Employability Skill CBT Paper (II)11. Which of the following actions in a official meeting show appropriate workplace etiquette? | किसी ऑफिशियल मीटिंग में निम्नलिखित में से कौन सा कार्य कार्यस्थल पर उचित शिष्टाचार दर्शाता है? A. Checking phone and respond to messages | फोन की जाँच करना और मैसेज का उत्तर देना B. Keeping the phone on silent mode and actively participate in the discussion | फोन को साइलेंट मोड पर रखना और डिस्कशन में सक्रिय रूप से भाग लेना C. Chatting with coworkers | को-वर्कर्स के साथ बातचीत करना D. Interrupt the speaker in meeting | मीटिंग में स्पीकर को बीच में रोकना 12 / 75 Category: Employability Skill CBT Paper (II)12. Which one is essentially required to receive communication by Email? | ईमेल द्वारा कम्युनिकेशन प्राप्त करने के लिए अनिवार्य रूप से क्या आवश्यक है? A. Email account | ईमेल अकाउंट B. Laptop | लैपटॉप C. Desktop | डेस्कटॉप D. Printer | प्रिंटर 13 / 75 Category: Employability Skill CBT Paper (II)13. While addressing your boss, you should be ______ | अपने बॉस को सम्बोधित करते समय आपको ______ होना चाहिए । A. Impolite | इम्पलाइट B. Informal | इनफॉर्मल C. Expressive | एक्सप्रेसिव D. Formal | फॉर्मल 14 / 75 Category: Employability Skill CBT Paper (II)14. _________ registration would help to access the schemes introduced by the Government. | _________ पंजीकरण से सरकार द्वारा शुरू की गई योजनाओं तक पहुंच बनाने में मदद मिलेगी। A. Pan card | पैन कार्ड B. GST | जीएसटी C. Udyog Aadhaar | ऊद्योग आधार D. TIN | टीन 15 / 75 Category: Employability Skill CBT Paper (II)15. Fill up the blanks with suitable words so as to become a meaningful sentence | रिक्त स्थानों में उपयुक्त शब्द भरकर एक सार्थक वाक्य बनाइए "Tell us about a difficult situation you have _______ and how you _______ to come out of it." | "हमें किसी कठिन स्थिति के बारे में बताइए जिसे आपने _______ और कैसे आप _______ उससे बाहर निकले।" A. managed, face | प्रबंधन किया, सामना किया B. faced, manage | सामना किया, प्रबंधन C. faced, managed | सामना किया, प्रबंधन किया D. face, manage | सामना किया, प्रबंधन किया 16 / 75 Category: Employability Skill CBT Paper (II)16. Which is a regular, non- APP based Gig economy job opportunity?| एक नियमित, गैर-APP आधारित गिग इकॉनमी जॉब का अवसर कौन सा है? A. Dunzo | डुन्ज़ो B. Swiggy | स्विगी C. Uber | उबर D. Home catering | होम कैटरिंग 17 / 75 Category: Employability Skill CBT Paper (II)17. Which of the following is self-management skills? | निम्नलिखित में से कौन सा सेल्फ-मैनेजमेंट स्किल है? A. Speaking skill | स्पीकिंग स्किल B. Writing skill | राइटिंग स्किल C. Listening skill | लिसनिंग स्किल D. Adaptability and Flexibility | अडाप्टेबिलिटी और फ्लेक्सिबिलिटी 18 / 75 Category: Employability Skill CBT Paper (II)18. What is required for your career growth and sustainability? | आपके करियर की वृद्धि और स्थिरता के लिए क्या आवश्यक है? A. Degree | डिग्री B. Opportunity | अवसर C. Good behaviour | अच्छा व्यवहार D. Build new skills | नए कौशल का निर्माण करें 19 / 75 Category: Employability Skill CBT Paper (II)19. Important skills required for the future of work is _______ | भविष्य के कार्य के लिए आवश्यक महत्वपूर्ण कौशल _______ हैं A. Avoid learning new skills. | नये कौशल सीखने से बचना B. Avoid building professional relationships. | व्यावसायिक संबंध बनाने से बचना C. Master internet skills. | इंटरनेट कौशल में निपुणता प्राप्त करना D. Learn making reels and TikTok videos | रील्स और टिकटॉक वीडियो बनाना सीखना 20 / 75 Category: Employability Skill CBT Paper (II)20. What is required to get the feed back of your customers? | आपके ग्राहकों का फीडबैक प्राप्त करने के लिए क्या आवश्यक है? A. Bill boards | बिल बोर्ड B. Advertisement on TV | TV पर एडवर्टाइजमेंट C. Brochure | ब्रोचर D. Market survey | मार्केट सर्वे 21 / 75 Category: Employability Skill CBT Paper (II)21. Which of the following behaviours is not a characteristic of a team player? | निम्नलिखित में से कौन सा व्यवहार टीम प्लेयर की विशेषता नहीं है? A. Taking credit for others' work | दूसरों के कार्य का श्रेय लेना चाहिए B. Respecting different viewpoints | विभिन्न दृष्टिकोणों(व्यूपॉइंट्स) का आदर करना चाहिए C. Listening to teammates' ideas | साथियों के विचारों को सुनना चाहिए D. Willingness to help others | दूसरों की सहायता करने की इच्छा रखनी चाहिए 22 / 75 Category: Employability Skill CBT Paper (II)22. Which of the following statements shows good teamwork? | निम्नलिखित में से कौन सा कथन अच्छी टीम वर्क को दर्शाता है? A. Keeping all ideas to yourself | सारे विचार अपने तक ही सीमित रखना B. Working together towards a common goal | एक समान लक्ष्य की दिशा में मिलकर काम करना C. Criticizing teammates' efforts | टीम के साथियों के प्रयासों की आलोचना करना D. Ignoring others' ideas and opinions | दूसरों के विचारों और राय को नजरअंदाज करना 23 / 75 Category: Employability Skill CBT Paper (II)23. If your coworkers don't agree with your project idea, what's a good way to handle it with an entrepreneurial mindset? | यदि आपके सहकर्मी आपके प्रोजेक्ट विचार से सहमत नहीं हैं, तो उद्यमशीलता की मानसिकता के साथ इसे संभालने का एक अच्छा तरीका क्या है? A. Stick to your idea without listening to others | दूसरों की बात सुने बिना अपने विचार पर कायम रहना चाहिए B. Give up on your idea | अपने आईडिया को छोड़ देना चाहिए C. Ask for feedback and make your idea better with their help | फीडबैक मांग कर और उनकी मदद से अपने विचार को बेहतर बनाना चाहिए D. Stop talking about it | इसके बारे में बात करना बंद करना चाहिए 24 / 75 Category: Employability Skill CBT Paper (II)24. Some one plans to move to a different city for work, should _______ | कोई व्यक्ति काम के लिए दूसरे शहर में जाने की योजना बना रहा है, उसे _______ । A. Find how much it will cost to travel and live there; earn and save. | जानें कि वहां यात्रा करने और रहने में कितना खर्च आएगा; अर्न और सेव करना चाहिए B. Move to new place and search for job. | नई जगह पर जाना और नौकरी की तलाश करना चाहिए C. Ask money from relatives and friends. | रिश्तेदारों और दोस्तों से पैसे मांगने चाहिए D. Apply for loan in bank. | बैंक में ऋण के लिए आवेदन करना चाहिए 25 / 75 Category: Employability Skill CBT Paper (II)25. While working in a team, one of the team members is on leave and not completed the tasks, our action should be ______ | किसी टीम में काम करते समय, टीम का एक सदस्य छुट्टी पर हो और कार्य पूरा न कर पाया हो, तो हमारी कार्रवाई होनी चाहिए A. Criticise your coworker for not completing his work | काम पूरा न करने पर अपने कोवर्कर की आलोचना करना चाहिए B. Complain your supervisor about the incomplete work | अधूरे काम के बारे में अपने सुपरवाइज़र से शिकायत करना चाहिए C. Keep working on your own tasks | अपने टास्क पर काम करते रहना चाहिए D. Ask other team members for help and complete your coworker's task | मदद के लिए टीम के अन्य सदस्यों से पूछना और अपने कोवर्कर का टास्क पूरा करना चाहिए 26 / 75 Category: Engineering Drawing CBT Paper (II)1. Identify the type of resistor. | रेसिस्टर के प्रकार को पहचानें। A. Metal film resistor | मेटेल फिल्म रेसिस्टर B. Wire wound resistor | वायर वाउंड रेसिस्टर C. Potentiometer | पोटेंशियोमीटर D. Carbon composition resistor | कार्बन कम्पोजिशन रेसिस्टर 27 / 75 Category: Engineering Drawing CBT Paper (II)2. What is represented by the following electrical symbol? | निम्नलिखित विद्युत प्रतीक द्वारा क्या दर्शाया जाता है? A. Operational amplifier | ऑपरेशनल एंप्लीफायर B. Inverter / NOT gate | इन्वर्टर / NOT गेट C. Buffer | बफर D. Three terminal network | तीन टर्मिनल नेटवर्क 28 / 75 Category: Engineering Drawing CBT Paper (II)3. Which switch symbol is this? | यह कौन सा स्विच सिंबल है? A. SPDT switch | SPDT स्विच B. DPDT switch | DPDT स्विच C. SPST switch | SPSTस्विच D. DPST switch | DPST स्विच 29 / 75 Category: Engineering Drawing CBT Paper (II)4. Name the symbol. | प्रतीक का नाम बताइए। A. DPDT B. DTDP C. ICDP D. ICTP 30 / 75 Category: Engineering Drawing CBT Paper (II)5. Which is the NOT gate in the following picture? | निम्न चित्र में NOT गेट कौन सा है? A. Option C B. Option B C. Option A D. Option D 31 / 75 Category: Engineering Drawing CBT Paper (II)6. Which type of switch is this? | यह किस प्रकार का स्विच है? A. Preset resistors | प्रीसेट रेसिस्टर्स B. Slide type | स्लाइड टाइप C. Coaxial connectors | समाक्षीय कनेक्टर D. Loudspeakers | लाउडस्पीकरों 32 / 75 Category: Electronics Mechanic Second Year CBT Paper (TT)1. What is the name of technology used to mount components on multilayer PCBs shown in the figure? | चित्र में दिखाए गए मल्टीलेयर पीसीबी पर घटकों को माउंट करने के लिए उपयोग की जाने वाली तकनीक का नाम क्या है? A. Plated through hole | प्लेटेड थ्रू होल B. Peeling technique | छीलने की तकनीक C. Joining technique | जोइनिंग तकनीक D. Microblasting | माइक्रोचिप फैब्रिकेशन 33 / 75 Category: Electronics Mechanic Second Year CBT Paper (TT)2. What is the name of the SPV system shown in the figure? | चित्र में दर्शाई गई एस.पी.वी. प्रणाली का नाम क्या है? A. Hybrid system | हाइब्रिड प्रणाली B. Interactive system | इंटरएक्टिव सिस्टम C. Grid connected system | ग्रिड से जुड़ा सिस्टम D. Standalone system | स्टैंडअलोन प्रणाली 34 / 75 Category: Electronics Mechanic Second Year CBT Paper (TT)3. What is the name of the block marked as ‘X’ in the grid tied system shown in the figure? | चित्र में दर्शाए गए ग्रिड-टाईड प्रणाली में ‘X’ से चिह्नित ब्लॉक का नाम क्या है? A. Utility supply | यूटिलिटी सप्लाई B. Geothermal | जियोथर्मल C. Amorphous | अमोर्फोस D. Silicon | सिलिकॉन 35 / 75 Category: Electronics Mechanic Second Year CBT Paper (TT)4. Which chip acts as a clock to keep the correct Date and Time? | कौन सी चिप सही दिनांक और समय रखने के लिए घड़ी की तरह काम करती है? A. DVRAM | डीवीरैम B. CMOS | सीएमओएस C. ROM | रोम D. RAM | रैम 36 / 75 Category: Electronics Mechanic Second Year CBT Paper (TT)5. Which component is Read Only Memory? | कौन सा घटक रीड ओनली मेमोरी है? A. DRAM | डीरेम B. Hard disk | हार्ड डिस्क C. ROM | रोम D. RAM | रैम 37 / 75 Category: Electronics Mechanic Second Year CBT Paper (TT)6. Which type of receiver offers a better selecting and sensitivity? | किस प्रकार का रिसीवर बेहतर चयन और संवेदनशीलता प्रदान करता है? A. Tuned radio frequency receiver | ट्यून्ड रेडियो फ्रीक्वेंसी रिसीवर B. Homodyne receiver | होमोडाइन रिसीवर C. Super heterodyne receiver | सुपर हेटेरोडाइन रिसीवर D. Heterodyne receiver | हेटेरोडाइन रिसीवर 38 / 75 Category: Electronics Mechanic Second Year CBT Paper (TT)7. What is the full form of CMOS? | CMOS का पूरा नाम क्या है? A. Carbon Metal Oxide Semiconductor | कार्बन मेटल ऑक्साइड सेमीकंडक्टर B. Complementary Metal Oxide Supply | कॉम्प्लीमेंट्री मेटल ऑक्साइड सप्लाई C. Complementary Metal Oxide Semiconductor | कॉम्प्लीमेंट्री मेटल ऑक्साइड सेमीकंडक्टर D. Common Metal Oxide Semiconductor | कॉमन मेटल ऑक्साइड सेमीकंडक्टर 39 / 75 Category: Electronics Mechanic Second Year CBT Paper (TT)8. What is the range of frequency for short wave (SW) band? | शॉर्ट वेव (SW) बैंड के लिए आवृत्ति की सीमा क्या है? A. 200 MHz to 300 MHz | 200 मेगाहर्ट्ज़ से 300 मेगाहर्ट्ज़ B. 3 MHz to 30 MHz | 3 मेगाहर्ट्ज़ से 30 मेगाहर्ट्ज़ C. 550 KHz to 1650 KHz | 550 मेगाहर्ट्ज़ से 1650 मेगाहर्ट्ज़ D. 30 MHz to 100 MHz | 30 मेगाहर्ट्ज़ से 100 मेगाहर्ट्ज़ 40 / 75 Category: Electronics Mechanic Second Year CBT Paper (TT)9. What is the name of the radio receiver shown in the figure? | चित्र में दिखाए गए रेडियो रिसीवर का नाम क्या है? A. Reflectional receiver | रेफ्लेक्शनल रिसीवर B. Superheterodyne receiver | सुपरहेट्रोडाइन रिसीवर C. TRF receiver | TRF रिसीवर D. FM receiver | एफएम रिसीवर 41 / 75 Category: Electronics Mechanic Second Year CBT Paper (TT)10. What is the acceptable resistance value limit for the ESD wrist strap? | ESD रिस्ट स्ट्रेप के लिए स्वीकार्य प्रतिरोध मूल्य सीमा क्या है? A. 10MΩ B. 1MΩ C. 1Ω D. 1 KΩ 42 / 75 Category: Electronics Mechanic Second Year CBT Paper (TT)11. What is the name of the block shown in the figure? | चित्र में दिखाए गए ब्लॉक का नाम क्या है? A. Satellite receiver | उपग्रह पकड़नेवाला B. Superheterodyne receiver | सुपरहेट्रोडाइन रिसीवर C. TRF receiver | TRF रिसीवर D. FM receiver | FM रिसीवर 43 / 75 Category: Electronics Mechanic Second Year CBT Paper (TT)12. How much data is provided by the sensors every second? | सेंसर द्वारा हर सेकंड कितना डेटा प्रदान किया जाता है? A. Tens of thousands of data | हजारों की संख्या में डेटा B. Hundreds of hundreds of data | सैकड़ों-सैकड़ों डेटा C. Tens of hundreds of data | सैकड़ों की संख्या में डेटा D. Hundreds of thousands of data | सैकड़ों हजारों डेटा 44 / 75 Category: Electronics Mechanic Second Year CBT Paper (TT)13. What is the full form of PAL? | PAL का पूर्ण रूप क्या है? A. Peak Alternating Line | पीक अल्टरनेटिंग लाइन B. Primary Alternating Line | प्राइमरी अल्टरनेटिंग लाइन C. Pulse Alternating Line | पल्स अल्टरनेटिंग लाइन D. Phase Alternate Line | फेज अल्टरनेट लाइन 45 / 75 Category: Electronics Mechanic Second Year CBT Paper (TT)14. Which technique is achieved by switching of the choppers in battery charging circuit? | बैटरी चार्जिंग सर्किट में चोप्पर्स को स्विच ऑफ करके कौन सी तकनीक हासिल की जाती है? A. Constant power | कांस्टेंट पावर B. Constant voltage | कांस्टेंट वोल्टेज C. Constant frequency | कांस्टेंट फ्रीक्वेंसी D. Constant current | कांस्टेंट करंट 46 / 75 Category: Electronics Mechanic Second Year CBT Paper (TT)15. What is the full form of SFR used in microcontroller? | माइक्रोकंट्रोलर में प्रयुक्त SFR का पूर्ण रूप क्या है? A. Special Function Register | स्पेशल फंक्शन रजिस्टर B. System Function Register | सिस्टम फंक्शन रजिस्टर C. Serial Function Register | सीरियल फंक्शन रजिस्टर D. Safety Function Relay | सेफ्टी फंक्शन रिले 47 / 75 Category: Electronics Mechanic Second Year CBT Paper (TT)16. Which signal format is used in Digital Panel Meter to display the input information? | इनपुट सूचना प्रदर्शित करने के लिए डिजिटल पैनल मीटर में कौन से सिग्नल फॉर्मेट का उपयोग किया जाता है? A. Alpha format | अल्फा प्रारूप B. Numeric format संख्यात्मक प्रारूप C. Alphanumeric format | अक्षरांकीय प्रारूप D. Analog format | एनालॉग प्रारूप 48 / 75 Category: Electronics Mechanic Second Year CBT Paper (TT)17. Which software allows the user to browse through the web pages? | कौन सा सॉफ़्टवेयर उपयोगकर्ता को वेब पेज ब्राउज़ करने की अनुमति देता है? A. Browser | ब्राउज़र B. FTP Client | FTP क्लाइंट C. Mail client | मेल क्लाइंट D. Messenger | मैसेंजर 49 / 75 Category: Electronics Mechanic Second Year CBT Paper (TT)18. Which IC is marked as ‘X’ in LED driver circuit shown in the figure? | चित्र में दिखाए गए LED ड्राइवर सर्किट में कौन सा IC ‘X’ से चिह्नित है? A. LM 723 B. IC 555 C. IC 741 D. LM 317 50 / 75 Category: Electronics Mechanic Second Year CBT Paper (TT)19. What is the power rating of soldering iron that is used in electrical and electronics work? | इलेक्ट्रिकल और इलेक्ट्रॉनिक्स कार्यों में उपयोग किए जाने वाले सोल्डरिंग आयरन की पावर रेटिंग क्या है? A. 15 to 35 watts | 15 से 35 वाट B. 75 to 100 watts | 75 से 100 वाट C. 85 to 135 watts | 85 से 135 वाट D. 40 to 65 watts | 40 से 65 वाट 51 / 75 Category: Electronics Mechanic Second Year CBT Paper (TT)20. Which type of energy generation produces air pollution? | किस प्रकार के ऊर्जा उत्पादन से वायु प्रदूषण पैदा होता है? A. Non- conventional energy | गैर-पारंपरिक ऊर्जा B. Wind energy | वायु ऊर्जा C. Conventional energy | पारंपरिक ऊर्जा D. Hydel power | हाइडल पावर 52 / 75 Category: Electronics Mechanic Second Year CBT Paper (TT)21. Which is a thermally sensitive resistor that exhibits a large change in resistance? | कौन सा थर्मली सेंसिटिव रेसिस्टर है जो प्रतिरोध में बड़ा बदलाव प्रदर्शित करता है? A. Semiconductor based sensor | अर्धचालक आधारित सेंसर B. Thermo-couple | थर्मो-युग्म C. Thermistor | थर्मिस्टर D. Resistance thermometer | प्रतिरोध थर्मामीटर 53 / 75 Category: Electronics Mechanic Second Year CBT Paper (TT)22. What is the full form of SOIC? | SOIC का पूर्ण रूप क्या है? A. Service Outline Internal Circuits | सर्विस आउटलाइन इंटरनल सर्किट्स B. Solder Oriented Integrated Circuits | सोल्डर ओरिएंटेड इंटीग्रेटेड सर्किट्स C. Surface Optimized Internal Circuits | सरफेस ऑप्टिमाइज़्ड इंटरनल सर्किट्स D. Small Outline Integrated Circuits | स्मॉल आउटलाइन इंटीग्रेटेड सर्किट्स 54 / 75 Category: Electronics Mechanic Second Year CBT Paper (TT)23. Which type of antenna is used for point-to-point communication of radio waves? | रेडियो तरंगों के पॉइंट-टू-पॉइंट संचार के लिए किस प्रकार के एंटीना का उपयोग किया जाता है? A. Omnidirectional | सर्वदिशात्मक B. Yagi antenna | याकि एंटीना C. Parabolic antenna | पैराबोलिक एंटीना D. Dipole antenna | द्विध्रुवीय एंटीना 55 / 75 Category: Electronics Mechanic Second Year CBT Paper (TT)24. Which speed of maximum data signal is carried by the CAT-6 twisted pair network cable? | CAT-6 ट्विस्टेड पेयर नेटवर्क केबल द्वारा अधिकतम डेटा सिग्नल की कौन सी गति होती है? A. 750 MHz | 750 मेगाहर्ट्ज़ B. 550 MHz | 550 मेगाहर्ट्ज़ C. 250 MHz | 250 मेगाहर्ट्ज़ D. 650 MHz | 650 मेगाहर्ट्ज़ 56 / 75 Category: Electronics Mechanic Second Year CBT Paper (TT)25. What is the output pin number of switching regulator IC LM 2576? | स्विचिंग रेगुलेटर IC LM 2576 का आउटपुट पिन नंबर क्या है? A. Pin No.2 | पिन. नंबर २ B. Pin No.5 | पिन. नंबर ५ C. Pin No.4 | पिन. नंबर ४ D. Pin No.3 | पिन. नंबर ३ 57 / 75 Category: Electronics Mechanic Second Year CBT Paper (TT)26. Which method of conformal coating is used for epoxy coated on PCBs? | कन्फर्मल कोटिंग की कौन सी विधि का उपयोग PCB पर लेपित एपॉक्सी के लिए किया जाता है? A. Peeling off | छीलना B. Solvent | विलायक C. Mechanical removal | यांत्रिक निष्कासन D. Microblasting | माइक्रो ब्लास्टिंग 58 / 75 Category: Electronics Mechanic Second Year CBT Paper (TT)27. What is the name of the signal used in the digital modulation shown in the figure? | चित्र में दिखाए गए डिजिटल मॉड्यूलेशन में प्रयुक्त सिग्नल का नाम क्या है? A. QAM signal | QAM सिगनल B. ASK signal | ASK सिगनल C. FSK signal | FSK सिगनलl D. PSK signal | PSK सिगनल 59 / 75 Category: Electronics Mechanic Second Year CBT Paper (TT)28. What is the current rating of rewirable fuse used for domestic wiring? | घरेलू वायरिंग के लिए उपयोग किए जाने वाले पुन: उपयोग योग्य फ्यूज की करंट रेटिंग क्या है? A. 500 A B. 200 A C. 300 A D. 400 A 60 / 75 Category: Electronics Mechanic Second Year CBT Paper (TT)29. Which formula is used to find the size of PV module in Watt-peak (WP)? | वाट-पीक (WP) में PV मॉड्यूल के आकार को खोजने के लिए किस सूत्र का उपयोग किया जाता है? A. Option A | विकल्प A B. Option D | विकल्प D C. Option B | विकल्प B D. Option C | विकल्प C 61 / 75 Category: Electronics Mechanic Second Year CBT Paper (TT)30. What is the full form of EMS? | EMS का पूर्ण रूप क्या है? A. Enhanced Message Service | एन्हांस्ड मैसेज सर्वि B. Enhanced Modular Service | एन्हांस्ड मॉड्यूलर सर्विस C. Enhanced Multimedia Service | एन्हांस्ड मल्टीमीडिया सर्विस D. Enhanced Mobile Service | एन्हांस्ड मोबाइल सर्विस 62 / 75 Category: Electronics Mechanic Second Year CBT Paper (TT)31. Which is the type of SMD IC package is shown in the figure? | चित्र में दिखाया गया SMD IC पैकेज किस प्रकार का है? A. TSOP B. LCC C. MLCC D. PLCC 63 / 75 Category: Electronics Mechanic Second Year CBT Paper (TT)32. What is the efficiency of linear power supply? | रैखिक विद्युत आपूर्ति की दक्षता क्या है? A. 60% - 75% B. 40% - 50% C. 50% - 60% D. 30% - 40% 64 / 75 Category: Electronics Mechanic Second Year CBT Paper (TT)33. Which an is active first in PC during booting process? | बूटिंग प्रक्रिया के दौरान पीसी में सबसे पहले कौन सा सक्रिय होता है? A. ROM BIOS | रोम BIOS B. RAM BIOS | रैम BIOS C. CMOS | सीएमओएस D. Hard Disk information | हार्ड डिस्क की जानकारी 65 / 75 Category: Electronics Mechanic Second Year CBT Paper (TT)34. What is the resultant output voltage of the circuit shown in the figure? | चित्र में दिखाए गए सर्किट का परिणामी आउटपुट वोल्टेज क्या है? A. Inverted output | उलटा आउटपुट B. Regulated output | विनियमित आउटपुट C. Unregulated output | अनियमित उत्पादन D. Adjustable output | समायोज्य आउटपुट 66 / 75 Category: Electronics Mechanic Second Year CBT Paper (TT)35. What is the full form of DVI? | DVI का पूर्ण रूप क्या है? A. Digital Video Interface | डिजिटल वीडियो इंटरफ़ेस B. Digital Vector Interface | डिजिटल वेक्टर इंटरफ़ेस C. Digital Versatile Interface | डिजिटल वर्साटाइल इंटरफ़ेस D. Digital Visual Interface | डिजिटल विज़ुअल इंटरफ़ेस 67 / 75 Category: Electronics Mechanic Second Year CBT Paper (TT)36. Which device is used to produce hard copy of a document in a computer? | कंप्यूटर में दस्तावेज़ की हार्ड कॉपी बनाने के लिए किस उपकरण का उपयोग किया जाता है? A. Monitor | मॉनिटर B. Speaker | स्पीकर C. Modem | मोडम D. Printer | प्रिंटर 68 / 75 Category: Electronics Mechanic Second Year CBT Paper (TT)37. Which electric component maintains a constant output voltage in the power supply section marked as ‘X’ shown in the figure? | कौन सा विद्युत घटक चित्र में दिखाए गए ‘X’ से चिह्नित विद्युत आपूर्ति अनुभाग में एक स्थिर आउटपुट वोल्टेज बनाए रखता है? A. Zener diode | ज़ेनर डायोड B. Potentiometer | पोटेंशियोमीटर C. Rheostat | रिओस्टेट D. Transistor | ट्रांजिस्टर 69 / 75 Category: Electronics Mechanic Second Year CBT Paper (TT)38. What is the name of the connector part marked as ‘X’ shown in the figure? | X' चिह्नित कनेक्टर के भाग का क्या नाम है? A. 15 pin VGA male connector | 15 पिन VGA मेल कनेक्टर B. DB9 connector | DB9 कनेक्टर C. HDMI connector | HDMI कनेक्टर D. DVI connector | DVI कनेक्टर 70 / 75 Category: Workshop Calculation and Science CBT Paper (II)1. What is the expanded form of (a+b)2?| (a+b)2 का विस्तारित रूप क्या है? A. -a² - 2ab + b² B. a² + 2ab + b² C. a² + 2ab - b² D. a² - 2ab + b² 71 / 75 Category: Workshop Calculation and Science CBT Paper (II)2. Which authority publishes schedule of rates? | कौन-सा प्राधिकरण दरों के अनुसूची को प्रकाशित करता है? A. Government department | सरकारी विभाग B. Corporate | निगम से संबंधित (कॉर्पोरेट) C. Partnership firm | पार्टनरशिप फर्म D. Individual | व्यक्तिगत 72 / 75 Category: Workshop Calculation and Science CBT Paper (II)3. What is the term used for the method of calculating various quantities and expenditure on a particular job or process? | किसी विशिष्ट कार्य या प्रक्रिया में विभिन्न मात्राओं और व्यय की गणना करने की विधि के लिए प्रयोग में ली जाने वाली शब्दावली क्या है? A. Specification | विवरण B. Estimation | आंकलन C. Plan | योजना D. Drawing | चित्रकला 73 / 75 Category: Workshop Calculation and Science CBT Paper (II)4. What is the multiplication value of 5a2b x 8a5b3? | 5a2b x 8a5b3 का गुणन मान क्या है? A. 40a³b² B. 40a⁴b⁷ C. 40a⁷b⁴ D. 40a²b³ 74 / 75 Category: Workshop Calculation and Science CBT Paper (II)5. What is the value of 14x+3y+25x+2y? | 14x +3y+25x+2y का मान क्या है? A. 16x + 28y B. 17x + 27y C. 44xy D. 39x + 5y 75 / 75 Category: Workshop Calculation and Science CBT Paper (II)6. What is the value of x if 13+x =20? | यदि 13+x = 20 है तो x का मान क्या है? A. 8 B. 9 C. 7 D. 13 Your score isThe average score is 0% 0% Restart quiz Exit WhatsApp और YouTube चैनल से जुड़े रहनाWhats App CBT Practice PaperElectricianCOPAFitterDraughtsman MechanicFashion Design & TechnologyElectronic MechanicArchitectural DraughtsmanAeronautical Structure and Equipment FitterDraughtsman Civil अत्यधिक चर्चा में ITI Supplementary Exam Eligibility December 2025: Attendance और FA से जुड़े महत्वपूर्ण नियम | DGT के नए आदेश की पूरी जानकारी NCVT सप्लीमेंट्री/लेफ्टओवर परीक्षा (दिसम्बर-2025): उत्तर प्रदेश के प्रशिक्षार्थियों के लिए SCVT पोर्टल पर पंजीकरण शुरू SIDH पोर्टल पर कब होंगे बाकी बचे Trainee Migrate? CTS एडमिशन और डेटा अपलोड की अंतिम तिथि क्या है? DGT API Schedule PRADAN Taluk Coordinator Recruitment 2025: कर्नाटक में 32-36 हजार वेतन के साथ नई भर्ती Bank of India Recruitment 2025: स्केल-II, III और IV ऑफिसर्स की बड़ी भर्ती – आवेदन शुरू PNB LBO भर्ती 2025: पंजाब नेशनल बैंक में 750 लोकल बैंक ऑफिसर पदों पर आवेदन शुरू – योग्यता, सिलेबस, चयन प्रक्रिया और ऑनलाइन फॉर्म