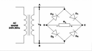
Electronics Mechanic First Year CBT Paper – Free Practice Set -4By itikegyani.com / January 14, 2025 0% 2 यह पेपर 2 घंटे का है 2 घंटे बाद पेपर अपने आप सबमिट हो जायेगा और आप चाहें तो 2 घंटे से पहले भी सबमिट कर सकते है| सॉरी समय समाप्त हो गया| Electronic Mechanic CBT Paper First Year (Quiz -4) इस पेपर में 75 प्रशन है जिसमे Trade Tehory के 38 प्रशन, Workshop Calculation and Science के 06 प्रशन, Engineering Drawing के 06 प्रशन, Employability Skill के 25 प्रशन , प्रत्येक प्रशन 2 मार्क्स का है और किसी प्रकार की नेगेटिव मार्किंग नहीं है| 1 / 75 Category: Engineering Drawing CBT Paper (I) 1. Identify the name of set square? | सेट स्क्वायर का नाम खोजें? A. 15° set square |15° सेट स्क्वायर B. 30° set square | 30° सेट स्क्वायर C. 60° set square | 60° सेट स्क्वायर D. 45° set square | 45° सेट स्क्वायर 2 / 75 Category: Engineering Drawing CBT Paper (I) 2. Identify the name of the circuit? | सर्किट का नाम क्या है? A. Oscillator circuit | थरथरानवाला सर्किट B. Multivibrator circuit | मल्टीवीब्रेटर सर्किट C. Amplifier circuit | एम्पलीफायर सर्किट D. Lamp dimmer circuit | लैंप डिमर सर्किट 3 / 75 Category: Engineering Drawing CBT Paper (I) 3. Identify the conventional symbol of material? | सामग्री के पारंपरिक प्रतीक को पहचानें? A. Porcelain | चीनी मिटटी B. Lead | लेड C. Steel | स्टील D. Glass | कांच 4 / 75 Category: Engineering Drawing CBT Paper (I) 4. Identify the name of tool?/ उपकरण का नाम पहचानें? A. Cross pein hammer / क्रॉस पीन हैमर B. Ball pein hammer / बॉल पीन हैमर C. Staright pein hammer / स्ट्रेट पीन हैमर D. Mallet / लकड़ी का हथौड़ा 5 / 75 Category: Engineering Drawing CBT Paper (I) 5. Identify the conventional symbol of material?/ सामग्री के पारंपरिक प्रतीक को पहचानें? A. Steel / इस्पात B. Glass / कांच C. Wood / लकड़ी D. Concrete / ठोस 6 / 75 Category: Engineering Drawing CBT Paper (I) 6. Identify the name of tool?/ उपकरण का नाम पहचानें? A. Cross pein hammer / क्रॉस पीन हैमर B. Sledge hammer / स्लेज हैमर C. Ball pein hammer / बॉल पीन हैमर D. Straight pein hammer / सीधे पीन हथौड़ा 7 / 75 Category: Employability Skill CBT Paper (I) 1. What is the default name of newly created folder in windows?| विंडोज़ में बनाए गए नए फ़ोल्डर का डिफ़ॉल्ट नाम क्या होता है? A. Folder | फ़ोल्डर B. New | न्यू C. Blank | ब्लैंक D. New folder | न्यू फोल्डर 8 / 75 Category: Employability Skill CBT Paper (I) 2. Choose the correct response for the given question. “How have you been”? | दिए गए प्रश्न के लिए सही उत्तर चुनिए। “How have you been”? A. Thank you_ And you? | धन्यवाद_ और आप? B. Same to you | आपको भी वही C. Very well, And you? | बहुत अच्छा, और आप? D. On vacation_ And you? | छुट्टी पर हूँ_ और आप? 9 / 75 Category: Employability Skill CBT Paper (I) 3. Dedication to a particular work is called_________ | किसी विशेष कार्य के लिए समर्पण को _________ कहा जाता है A. integrity | अखंडता B. commitment | कमिटमेंट C. Intelligence | बुद्धि D. confidence | आत्मविश्वास 10 / 75 Category: Employability Skill CBT Paper (I) 4. Which one is in active voice?/ सक्रिय आवाज में कौन सा है? A. Ram has passed the exam. / राम ने परीक्षा उत्तीर्ण कर ली है। B. We were driven home by dad. / हमें पिताजी द्वारा घर ले जाया गया। C. The book was being read by her. / पुस्तक को उसके द्वारा पढ़ा जा रहा था। D. The ball was caught by him. /गेंद को उसके द्वारा पकड़ा गया। 11 / 75 Category: Employability Skill CBT Paper (I) 5. When you greet higher official’s such as Teacher, Instructor or Supervisor, you should use ___________./ जब आप शिक्षक, प्रशिक्षक या पर्यवेक्षक जैसे उच्च अधिकारियों का अभिवादन करते हैं, तो आपको ___________ का उपयोग करना चाहिए A. Hello / हेल्लो B. Good morning / गुड मोर्निंग C. Hey / हे D. Hi / ही 12 / 75 Category: Employability Skill CBT Paper (I) 6. Which one is a “Do’s” for interview etiquette?| इंटरव्यू एटिकेट में “Do’s” क्या है? A. Calm approach | काल्म अप्रोच B. Excessive gesture | एक्सिसिव जेस्चर C. Nervousness | नर्वसनेस D. Informal dress | इनर्फोमल ड्रेस 13 / 75 Category: Employability Skill CBT Paper (I) 7. Which one is an output device of the computer? | कंप्यूटर का आउटपुट डिवाइस कौन सा है? A. Keyboard | कीबोर्ड B. Printer | प्रिंटर C. Mouse | माउस D. MIC | माइक 14 / 75 Category: Employability Skill CBT Paper (I) 8. To grow yourself you must ______| अपने आप को विकसित करने के लिए आपको चाहिए ……। A. know yourself | खुद को जानें B. know your institute | अपने संस्थान को जानें C. know your country | अपने देश को जानो D. know your office | अपने कार्यालय को जानें 15 / 75 Category: Employability Skill CBT Paper (I) 9. Gender stereotypes can be _______ | लिंग रूढ़िवादिता हो सकती है ………। A. playful | चंचल B. cheerful | खुश C. harmful and hurtful | हानिकारक और दुखदायी D. personality development | व्यक्तित्व विकास 16 / 75 Category: Employability Skill CBT Paper (I) 10. Choose suitable “wh” word for the given sentence. “___________ animal do you like?”| दिए गए वाक्य के लिए उपयुक्त “wh” शब्द चुनें। “___________ animal do you like?” A. Why | व्हाई B. Where | वेयर C. When | व्हेन D. Which | व्हिच 17 / 75 Category: Employability Skill CBT Paper (I) 11. The ability to do is ______ | ...... करने की क्षमता है। A. Experience | अनुभव B. Job | काम C. Skill | कौशल D. Knowledge | ज्ञान 18 / 75 Category: Employability Skill CBT Paper (I) 12. It is also important to pay attention to customer's _________ when probing. | जांच करते समय ग्राहक के _________ पर ध्यान देना भी महत्वपूर्ण है। A. Body language | शरीर की भाषा B. Friends | मित्र C. Dreams | सपने D. Personal needs | व्यक्तिगत जरूरतें 19 / 75 Category: Employability Skill CBT Paper (I) 13. The expansion of LAN is ___________ | "LAN" का विस्तार है - A. Logical Area Network | लॉजिकल एरिया नेटवर्क B. Local Area Name | लोकल एरिया नाम C. Legal Area Network | लीगल एरिया नेटवर्क D. Local Area Network | लोकल एरिया नेटवर्क 20 / 75 Category: Employability Skill CBT Paper (I) 14. The study of right and wrong in human endeavors is called __________ | मानव प्रयासों में सही और गलत के अध्ययन को __________ कहा जाता है A. self awareness | सेल्फ अवेयरनेस B. motivation | मोटिवेशन C. ethics | एथिक्स D. goal | गोल 21 / 75 Category: Employability Skill CBT Paper (I) 15. People from all religions or no religions are treated equally means…… | सभी धर्मों या किसी भी धर्म के लोगों के साथ समान व्यवहार नहीं किया जाता है ……सेक्युलर देश A. non secular | गैर धर्मनिरपेक्ष B. democratic | जनतांत्रिक C. religious | धार्मिक D. secular country | धर्मनिरपेक्ष देश 22 / 75 Category: Employability Skill CBT Paper (I) 16. Paid form of ideas, goods and services are called............. | विचारों, वस्तुओं और सेवाओं के पैड फॉर्म को ............ कहा जाता है। A. publicity | प्रचार B. public relation | जन संपर्क C. Advertisement | विज्ञापन D. goodwill | साख 23 / 75 Category: Employability Skill CBT Paper (I) 17. You withdraw Rs.500/- from an ATM. The ATM machine gives out Rs.5000/-. Which of the following would be ethically correct?/ आप एटीएम से रु 500 /- निकालते हैं । एटीएम मशीन रु 5000 /- देती है l निम्नलिखित में से कौन सा नैतिक रूप से सही होगा? A. Give the money to the poor / गरीबों को पैसा दे देना B. Take the money / रुपये ले लेना C. Drop the money near ATM / एटीएम के पास पैसे गिरा देना D. Make a complaint / शिकायत दर्ज़ करना 24 / 75 Category: Employability Skill CBT Paper (I) 18. The way money is saved, spent and invested……..| जिस तरह से पैसा बचाया जाता है, खर्च किया जाता है और निवेश किया जाता है…….. A. salary | वेतन B. financial literacy | वित्तीय साक्षरता C. banking | बैंकिंग D. income | आय 25 / 75 Category: Employability Skill CBT Paper (I) 19. Which of these should be considered while making decisions? | निर्णय लेते समय इनमें से किस पर विचार किया जाना चाहिए? A. Your mood | तुम्हारा मिज़ाज B. The rules of your community | आपके समुदाय के नियम C. The choices of your friends | आपके दोस्तों की पसंद D. Your personal priorities. | आपकी व्यक्तिगत प्राथमिकताएं 26 / 75 Category: Employability Skill CBT Paper (I) 20. What is the meaning of an entry level job? | एंट्री लेवल जॉब का क्या मतलब है? A. It helps to enter the office | यह कार्यालय में प्रवेश करने में मदद करता है B. Security guard | सुरक्षा प्रहरी C. Junior interior designer | जूनियर इंटीरियर डिजाइनर D. It is a starting or junior level job | यह एक शुरुआती या जूनियर स्तर की नौकरी है 27 / 75 Category: Employability Skill CBT Paper (I) 21. A __________ person is someone who works for a person/organization and gets paid for that work.| एक _________ व्यक्ति वह है जो किसी व्यक्ति/संगठन के लिए काम करता है और उस काम के लिए भुगतान करता है A. Self Employed | स्वनियोजित B. None of the above | इनमे से कोई भी नहीं C. Entrepreneur | उद्यमी D. Wage employed | नियोजित मजदूरी 28 / 75 Category: Employability Skill CBT Paper (I) 22. Which one is a good communication?| कौन सा एक अच्छा संचार है? A. Message is clear and direct | संदेश का साफ और स्पष्ट होना B. Receiver doesn’t listen to sender | प्राप्तकर्ता प्रेषक की नहीं सुनना C. Sender attacks receiver | प्रेषक का रिसीवर पर हमला करना D. Message is ambiguous | संदेश का अस्पष्ट होना 29 / 75 Category: Employability Skill CBT Paper (I) 23. Rise and fall of pitch of voice is called__________. | आवाज की पिच का उठना और गिरना __________ कहलाता है A. intonation | आवाज़ का उतार-चढ़ाव B. pronunciation | उच्चारण C. vowel | स्वर D. consonant | व्यंजन 30 / 75 Category: Electronics Mechanic First Year CBT Paper (TT) 1. Which electrical parameter is measured by megger? | मेगर द्वारा कौन सा विधुत पैरामीटर मापा जाता है? A. Insulation resistance | इन्सुलेशन प्रतिरोध B. Frequency | आवृत्ति C. Voltage | वोल्टेज D. Current | करंट 31 / 75 Category: Electronics Mechanic First Year CBT Paper (TT) 2. What is the purpose of photo transistor? | फोटो ट्रांजिस्टर का उद्देश्य क्या है? A. Used as light controlled switch | प्रकाश नियंत्रित स्विच के रूप में उपयोग किया जाता है B. Used in comparator circuit | काम्पेरेटर सर्किट में इस्तेमाल किया C. Used as demodulator | डिमोडुलेटर के रूप में उपयोग किया जाता है D. Used as oscillator | आसलेटर के रूप में इस्तेमाल किया 32 / 75 Category: Electronics Mechanic First Year CBT Paper (TT) 3. How much time is required to make a quality soldered joint using soldering iron? | टांका लगाने वाले लोहे का उपयोग करके एक गुणवत्ता वाले सोल्डर जॉइंट बनाने के लिए कितना समय आवश्यक है? A. 3 - 7 seconds B. 10 - 15 seconds C. 7 - 10 seconds D. 15 - 20 seconds 33 / 75 Category: Electronics Mechanic First Year CBT Paper (TT) 4. What is the IC combination for making of ±12V dual power supply? | ±12V ड्यूल पावर सप्लाई बनाने के लिए किस IC कॉम्बिनेशन का प्रयोग किया जाता है? A. 7805, 7905 B. 7912, 7912 C. 7812, 7812 D. 7812, 7912 34 / 75 Category: Electronics Mechanic First Year CBT Paper (TT) 5. Which circuit requires the flip - flops for their operation? | किस सर्किट को संचालन के लिए फ्लिप-फ्लॉप की आवश्यकता होती है? A. Memory circuits | मेमोरी सर्किट B. Modulator circuits | न्यूनाधिक सर्किट C. Oscillator circuits | दोलन सर्किट D. Amplifier circuits | एम्पलीफायर सर्किट 35 / 75 Category: Electronics Mechanic First Year CBT Paper (TT) 6. How the two series connected to channel regions of the depletion type dual gate MOSFET is controlled as shown in the figure? | चित्र में दिखाए अनुसार, अवक्षय प्रकार के दोहरे गेट MOSFET के चैनल क्षेत्रों से जुड़ी दो श्रृंखलाओं को कैसे नियंत्रित किया जाता है? A. Controlled one at a time | एक समय में एक को नियंत्रित किया B. Both are simultaneously controlled | दोनों एक साथ नियंत्रित होते हैं C. Alternately controlled | वैकल्पिक रूप से नियंत्रित किया जाता है D. Independently controlled | स्वतंत्र रूप से नियंत्रित 36 / 75 Category: Electronics Mechanic First Year CBT Paper (TT) 7. Which application the clamper circuit is used in electronics? | इलेक्ट्रॉनिक्स में क्लैपर सर्किट का उपयोग किस एप्लिकेशन में किया जाता है? A. Radio receivers | रेडियो रिसीवर B. Storage counters | स्टोरेज काउंटर C. Power supplies | पॉवर सप्लाई D. Radars | रडार 37 / 75 Category: Electronics Mechanic First Year CBT Paper (TT) 8. Which mode is used in differential amplifier? | दिफ्फ्रेनसिअल एम्पलीफायर में किस मोड का उपयोग किया जाता है? A. Common - mode operation | कॉम्मन मोड ऑपरेशन B. Common base | कॉम्मन बेस C. Common collector | कॉम्मन कलेक्टर D. Common emitter | कॉम्मन एमीटर 38 / 75 Category: Electronics Mechanic First Year CBT Paper (TT) 9. What is the unit of inductance? | इंडक्शन की इकाई क्या है? A. Henry | हेनरी B. Farad | फैरड C. Joule | जूल D. Watts | वाट 39 / 75 Category: Electronics Mechanic First Year CBT Paper (TT) 10. Which band is used for UHF in International Telecommunication System? | अंतर्राष्ट्रीय दूरसंचार प्रणाली में UHF के लिए किस बैंड का उपयोग किया जाता है? A. Band 9 B. Band 6 C. Band 11 D. Band 4 40 / 75 Category: Electronics Mechanic First Year CBT Paper (TT) 11. Which class of amplifier uses fixed bias due to the imperent advantage that the transistor will never go in to saturation? | एम्पलीफायर का कौन सा वर्ग इस अपरिहार्य लाभ के कारण निश्चित पूर्वाग्रह का उपयोग करता है कि ट्रांजिस्टर कभी भी संतृप्ति में नहीं जाएगा? A. Class – C B. Class - AB C. Class - A D. Class - B 41 / 75 Category: Electronics Mechanic First Year CBT Paper (TT) 12. What is the purpose of the electronic component used in radio receiver shown in the figure? | चित्र में दिखाए गए रेडियो रिसीवर में उपयोग किए जाने वाले इलेक्ट्रॉनिक घटक का उद्देश्य क्या है? A. Audio amplification | ऑडियो एम्पलीफिकेसन B. Tuning circuit | ट्यूनिंग सर्किट C. Automatic gain control | आटोमेटिक गेन कण्ट्रोल D. Demodulator | डिमॉड्युलेटर 42 / 75 Category: Electronics Mechanic First Year CBT Paper (TT) 13. What is the name of the voltage measured between any two lines in a three phase AC circuit? | तीन फेज AC सर्किट में किन्हीं दो लाइनों के बीच मापी गई वोल्टेज का नाम क्या है? A. Phase voltage | फेज़ वोल्टेज B. Line voltage | लाइन वोल्टेज C. Load voltage | लोड वोल्टेज D. Supply voltage | सप्लाई वोल्टेज 43 / 75 Category: Electronics Mechanic First Year CBT Paper (TT) 14. What is the Electrical conductivity of gold? | सोने की विधुत चालकता कितनी होती है? A. 67% B. 56% C. 94% D. 100% 44 / 75 Category: Electronics Mechanic First Year CBT Paper (TT) 15. Which parameter is maintained constant in zener diode? | जेनर डायोड में कौन सा पैरामीटर कंसिस्टेंट बना हुआ है? A. Resistance | प्रतिरोध B. Voltage | वोल्टेज C. Power | पॉवर D. Current | करंट 45 / 75 Category: Electronics Mechanic First Year CBT Paper (TT) 16. Which transistor characteristics gives the curve plotted against VBE versus IB as shown in the figure? | कौन सी ट्रांजिस्टर विशेषता VBE बनाम IB के विरुद्ध आरेखित वक्र देती है जैसा कि चित्र में दिखाया गया है? A. Input characteristics of germanium transistor | जर्मेनियम ट्रांजिस्टर की इनपुट विशेषताएँ B. Output characteristics of germanium transistor | जर्मेनियम ट्रांजिस्टर की आउटपुट विशेषताएं C. Input characteristics of silicon transistor | सिलिकॉन ट्रांजिस्टर की इनपुट विशेषताएँ D. Output characteristics of silicon transistor | सिलिकॉन ट्रांजिस्टर की उत्पादन विशेषताओं 46 / 75 Category: Electronics Mechanic First Year CBT Paper (TT) 17. What is the frequency range of VHF? | VHF की फ्रीक्वेंसी सीमा क्या है? A. 3x10⁹ to 3x10¹⁰ (30GHz) B. 3x10⁷ to 3x10⁸ (300MHz) C. 3x10⁸ to 3x10⁹ (3GHz) D. 3x10⁶ to 3x10⁷ (30MHz) 47 / 75 Category: Electronics Mechanic First Year CBT Paper (TT) 18. How much current flows through 2 Kilo ohm resistor (R2) shown in the figure? | चित्र में दर्शाए गए 2 किलो ओम प्रतिरोधक (R2) से कितनी धारा प्रवाहित होती है? A. 6 mA B. 7 mA C. 5 mA D. 8 mA 48 / 75 Category: Electronics Mechanic First Year CBT Paper (TT) 19. Which is a unity gain amplifier? | यूनिटी गेन एम्प्लीफायर कौन सा है? A. Voltage follower | वोल्टेज फॉलोवर B. Single ended amplifier | सिंगल एंडेड एम्पलीफायर C. Comparator | कॉम्परेटर D. Differential amplifier | डिफरेंशियल एम्पलीफायर 49 / 75 Category: Electronics Mechanic First Year CBT Paper (TT) 20. What is the value of binary addition of 1101 and 0010? | 1101 और 0010 के बाइनरी योग का मान क्या है? A. 1110 B. 1.1101 C. 1111 D. 111 50 / 75 Category: Electronics Mechanic First Year CBT Paper (TT) 21. What is the colour coding used for 10Ω resistor with 5 percentage tolerance value? | 5 प्रतिशत सहनशीलता मान वाले 10Ω रजिस्टर के लिए उपयोग की जाने वाली कलर कोडिंग क्या है? A. Brown, Brown, Black and Silver | भूरा, भूरा, काला और चांदी B. Brown, Black, Red and Gold | भूरा, काला, लाल और सोना C. Brown, Black, Black and Gold | भूरा, काला, काला और सोना D. Brown, Black, Gold and Gold | भूरा, काला, सोना और सोना 51 / 75 Category: Electronics Mechanic First Year CBT Paper (TT) 22. What is the maximum current ratings of solid state relays available in high power packages? | उच्च शक्ति पैकेज में उपलब्ध सॉलिड स्टेट रिले की अधिकतम वर्तमान रेटिंग क्या है? A. 40 Amp | 40 एएमपी B. 10 Amp | 10 एएमपी C. 100 Amp | 100 एएमपी D. 1 Amp | 1 एएमपी 52 / 75 Category: Electronics Mechanic First Year CBT Paper (TT) 23. What is the purpose of wood rasp file? | वुड रास्प फ़ाइल का क्या उपयोग है? A. For Cutting metals | धातुओं को काटने के लिए B. For 90o corners | 90o कोनों के लिए C. For Preliminary rough work | प्रारंभिक कच्चे काम के लिए D. For Finishing flat edges | सपाट किनारों को फिनिश करने के लिए 53 / 75 Category: Electronics Mechanic First Year CBT Paper (TT) 24. What is an electrical filter? | इलेक्ट्रिकल फिल्टर क्या है? A. Voltage selective circuit | वोल्टेज सेलेक्टिव सर्किट B. Frequency selective circuit | फ्रीक्वेंसी सेलेक्टिव सर्किट C. Phase selective circuit | फेज सेलेक्टिव सर्किट D. Current selective circuit | करंट सेलेक्टिव सर्किट 54 / 75 Category: Electronics Mechanic First Year CBT Paper (TT) 25. Which space is used to design circuit in schematic editor of the Tina software? | टीना सॉफ्टवेयर के योजनाबद्ध संपादक में सर्किट डिजाइन करने के लिए किस स्थान का उपयोग किया जाता है? A. Components groups space | कंपोनेंट्स ग्रुप्स स्पेस B. Circuit work space | सर्किट वर्क स्पेस C. File operation space | फ़ाइल ऑपरेशन स्पेस D. Components type space | कंपोनेंटस टाइप स्पेस 55 / 75 Category: Electronics Mechanic First Year CBT Paper (TT) 26. Which electrolyte is used in the maintenance of free lead acid batteries? | फ्री लेड एसिड बैटरियों के रखरखाव में किस इलेक्ट्रोलाइट का उपयोग किया जाता है? A. Potassium electrolyte | पोटासियम इलेक्ट्रोलाइट B. Ceramic electrolyte | सिरेमिक इलेक्ट्रोलाइट C. Gelled electrolyt | इलेक्ट्रोलाइट मिला हुआ D. Sodium electrolyte | सोडियम इलेक्ट्रोलाइट 56 / 75 Category: Electronics Mechanic First Year CBT Paper (TT) 27. What is the advantage of using bias in transistor circuits? | ट्रांजिस्टर सर्किट में बायस का उपयोग करने का क्या फायदा है? A. Never reaches saturation | कभी भी संतृप्ति तक नहीं पहुंचता B. Gives maximum distortion | अधिकतम विकृति देता है C. Easily sets saturated | आसानी से संतृप्त सेट D. Provides positive feed back | सकारात्मक फीड बैक प्रदान करता है 57 / 75 Category: Electronics Mechanic First Year CBT Paper (TT) 28. Which function is performed by the sample / Hold circuit along with the ADC in Digital Storage Oscilloscope? | डिजिटल स्टोरेज ऑसिलोस्कोप में ADC के साथ सैंपल/ होल्ड सर्किट द्वारा कौन सा कार्य किया जाता है? A. Upload to computer | कंप्यूटर पर अपलोड करें B. Data acquisition | आंकड़ा अधिग्रहण C. Data display | डाटा प्रदर्शन D. Storage | भंडारण 58 / 75 Category: Electronics Mechanic First Year CBT Paper (TT) 29. What does BCD stand for? | BCD का क्या अर्थ है? A. Binary Coded Decoder | बाइनरी कोडेड डिकोडर B. Binary Cum Digital | बाइनरी कम डिजिटल C. Binary Cum Decoder | बाइनरी कम डिकोडर D. Binary Coded Decimal | बाइनरी कोडेड डेसीमल 59 / 75 Category: Electronics Mechanic First Year CBT Paper (TT) 30. Which circuit is used to clip portion of both positive and negative half cycle of input signal voltage? | इनपुट सिग्नल वोल्टेज के सकारात्मक और नकारात्मक दोनों चक्र के भाग को क्लिप करने के लिए किस सर्किट का उपयोग किया जाता है? A. Unbiased clipper circuit | अनबायस्ड क्लिपर सर्किट B. Biased positive clipper circuit | बायस्ड पॉजिटिव क्लिपर सर्किट C. Biased negative clipper circuit | बायस्ड नेगेटिव क्लिपर सर्किट D. Combination clipper circuit | संयोजन क्लिपर सर्किट 60 / 75 Category: Electronics Mechanic First Year CBT Paper (TT) 31. What is the use of schmitt trigger circuit? | Schmitt ट्रिगर सर्किट का उपयोग क्या है? A. AC to DC converter | AC से DC कनवर्टर B. Voltage regulator | वोल्टेज रेगुलेटर C. Signal processor | सिग्नल प्रोसेसर D. Electronic thermostat | इलेक्ट्रॉनिक थर्मोस्टैट 61 / 75 Category: Electronics Mechanic First Year CBT Paper (TT) 32. Which type of wave is generated in Schmitt trigger circuit? | Schmitt ट्रिगर सर्किट में किस प्रकार की तरंग उत्पन्न होती है? A. Square wave | स्क्वेर वेव B. Saw tooth wave | सॉ टूथ वेव C. Sine wave | साइन तरंग D. Triangular wave | त्रिकोणीय वेव 62 / 75 Category: Electronics Mechanic First Year CBT Paper (TT) 33. What is the percentage of charge accumulated by the capacitor at the end of 2 time constant limit? | 2 बार स्थिर सीमा के अंत में कैपासिटर द्वारा संचित प्रभार का कितना प्रतिशत है? A. 40% B. 86.40% C. 50% D. 63.20% 63 / 75 Category: Electronics Mechanic First Year CBT Paper (TT) 34. What is the total resistance value of 10 Ohms and 20 Ohms connected in parallel. | समान्तर क्रम में जुड़े 10 ओम और 20 ओम का कुल प्रतिरोध मान क्या है? A. 666.6 Ohms B. 66.66 Ohms C. 6666 Ohms D. 6.666 Ohms 64 / 75 Category: Electronics Mechanic First Year CBT Paper (TT) 35. What is the name of the circuit shown in the figure? | चित्र में दिखाए गए सर्किट का नाम क्या है? A. Amplifier circuit | एम्पलीफायर सर्किट B. Bridge rectifier | ब्रिज रेक्टीफायर C. Modulator circuit | मोडूलेटर सर्किट D. Regulator circuit | रेगुलेटर सर्किट 65 / 75 Category: Electronics Mechanic First Year CBT Paper (TT) 36. Which types of amplifier configuration used in the circuit shown in the figure? | चित्र में दिखाए गए सर्किट में किस प्रकार के एम्पलीफायर कॉन्फ़िगरेशन का उपयोग किया जाता है? A. Common mode configuration | कॉमन ड्रेन कॉन्फ़िगरेशन B. Common collector configuration | सामान्य कलेक्टर कॉन्फ़िगरेशन C. Common emitter configuration | सामान्य एमिटर कॉन्फ़िगरेशन D. Common base configuration | सामान्य आधार कॉन्फ़िगरेशन 66 / 75 Category: Electronics Mechanic First Year CBT Paper (TT) 37. What is the formula of inductive reactance? | इंडक्टिव रिएक्टेंस का सूत्र क्या है? A. XL=√2πfl B. XL=(1/√2πfl) C. XL=(1/2πfl) D. XL=√2πfl 67 / 75 Category: Electronics Mechanic First Year CBT Paper (TT) 38. How gate is biased in JFET? | JFET में गेट टर्मिनल कैसे बायस्ड होते है? A. Forward biased | फॉरवर्ड बायस्ड B. Reverse biased | रिवर्स बायस्ड C. AC supply function | एसी सप्लाई फंक्शन D. Dual supply function | ड्यूल सप्लाई फंक्शन 68 / 75 Category: Workshop Calculation and Science CBT Paper (I) 1. What is called mass per unit volume of a substances?| किसी पदार्थ के द्रव्यमान प्रति इकाई आयतन को क्या कहते हैं? A. Volume | आयतन B. Weight | भार C. Mass | द्रव्यमान D. Density | घनत्व 69 / 75 Category: Workshop Calculation and Science CBT Paper (I) 2. Which is very good conductor? | कौन-सा बहुत अच्छा कंडक्टर है? A. Copper | तांबा B. Cast iron | कास्ट आयरन C. Steel | स्टील D. Wrought iron | रॉट आयरन 70 / 75 Category: Workshop Calculation and Science CBT Paper (I) 3. What is termed as the quantity of matter contained in a body? | वस्तु में निहित पदार्थ की मात्रा को क्या कहा जाता है? A. Specific gravity | विशिष्ट गुरुत्व B. Density | घनत्व C. Mass | द्रव्यमान D. Volume | आयतन 71 / 75 Category: Workshop Calculation and Science CBT Paper (I) 4. What is the name of furnace to obtain cast iron? | कच्चा लोहा प्राप्त करने के लिए भट्ठी का क्या नाम है? A. Steel - Rever battery | स्टील - रेवर बैटरी B. Cupola | कपोला C. Alloy metal - Electric furnace | एलॉय मेटल - इलेक्ट्रिक फर्नेस D. Mild steel - Blast furnace | माइल्ड स्टील - ब्लास्ट फर्नेस 72 / 75 Category: Workshop Calculation and Science CBT Paper (I) 5. Which one is non-metal? | इनमे से अधातु कौन सी है? A. Iron | लोहा B. Brass | पीतल C. Graphite | ग्रेफाइट D. Mercury | पारा 73 / 75 Category: Workshop Calculation and Science CBT Paper (I) 6. Which is equal to sinθ? sinθ किस के बराबर होता है? A. ( Hypotensure / Adjacent side ) / ( हाइपोटेन्यूज़ / अद्जसेंट साइड ) B. ( Hypotensure / Opposite side ) / ( हाइपोटेन्यूज़ / अपोजिट साइड ) C. ( Opposite side / Hypotensure ) / ( अपोजिट साइड / हाइपोटेन्यूज़ ) D. ( Adjacent side / Hypotensure ) / ( अद्जसेंट साइड / हाइपोटेन्यूज़ ) 74 / 75 Category: Employability Skill CBT Paper (II) 1. Which one is a social networking site?| कौन एक सोशल नेटवर्किंग साइट है? A. Mozilla | मोज़िला B. Lotus notes | लोटस नोट्स C. Face book | फेसबुक D. Outlook express | आउटलुक एक्सप्रेस 75 / 75 Category: Employability Skill CBT Paper (II) 2. A software application used to enable computer users to locate and access web page is called ___________ | कंप्यूटर उपयोगकर्ताओं को वेब पेज का पता लगाने और उस तक पहुंचने में सक्षम बनाने के लिए उपयोग किया जाने वाला सॉफ़्टवेयर एप्लिकेशन ___________ कहलाता है A. email | ईमेल B. web browser | वेब ब्राउज़र C. website | वेबसाइट D. web server | वेब सर्वर Your score isThe average score is 27% 0% Restart quiz Exit WhatsApp और YouTube चैनल से जुड़े रहना Whats App Electrician Free CBT Practice Set COPA Free Practice Set Draughtsman Civil Free CBT Practice Set Draughtsman Mechanic Free CBT Practice Set Fashion Design & Technology Electronic Mechanic Free CBT Practice Set अत्यधिक चर्चा में Sample NCVT CTS 6 Month Trade Exam 2026 Schedule Released – Practical, CBT Exam Date, Hall Ticket & Result | ITI Ke Gyani Bihar ITI Admission 2026: ITICAT 2026 आवेदन प्रक्रिया, पात्रता, परीक्षा तिथि, फीस और काउंसलिंग की पूरी जानकारी SIDH Portal पर Instructor Registration कैसे करें 2026 | NIMS System, ITSU Mapping, Timeline और DGT के नए नियम अंबेडकर नगर वृहद रोजगार मेला 2026: युवाओं के लिए सुनहरा अवसर | Direct Placement Drive झांसी वृहद रोजगार मेला 2026: युवाओं के लिए सुनहरा अवसर | Direct Placement Drive