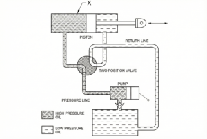
Fitter Second Year CBT Paper – Free Practice Set -05By itikegyani.com / March 6, 2025 /75 20 यह पेपर 2 घंटे का है 2 घंटे बाद पेपर अपने आप सबमिट हो जायेगा और आप चाहें तो 2 घंटे से पहले भी सबमिट कर सकते है| सॉरी समय समाप्त हो गया| Fitter CBT Paper Second Year (Quiz -5) इस पेपर में 75 प्रशन है जिसमे Trade Tehory के 38 प्रशन, Workshop Calculation and Science के 06 प्रशन, Engineering Drawing के 06 प्रशन, Employability Skill के 25 प्रशन , प्रत्येक प्रशन 2 मार्क्स का है और किसी प्रकार की नेगेटिव मार्किंग नहीं है| 1 / 75 Category: Employability Skill CBT Paper (II) 1. Which one is a search engine?| कौन एक सर्च इंजन है? A. Flicker | फ़्लिकर B. Hotmail | हॉटमेल C. Face book | फेसबुक D. Google | गूगल 2 / 75 Category: Employability Skill CBT Paper (II) 2. Migration of work means _______ | काम के स्थानान्तरण का अर्थ है _______ A. working in different shifts | अलग-अलग शिफ्ट में काम करना B. going to a different place to find a job | नौकरी ढूंढने के लिए किसी दूसरे स्थान पर जाना C. shifting the industry | उद्योग को स्थानांतरित करना D. shifting of profession | पेशे का स्थानांतरण 3 / 75 Category: Employability Skill CBT Paper (II) 3. What should you always remember when creating your profile on a job portal? | जॉब पोर्टल पर अपनी प्रोफ़ाइल बनाते समय आपको हमेशा क्या याद रखना चाहिए? A. To use a fake name | नकली नाम का उपयोग करना चाहिए B. To leave out important information | महत्वपूर्ण जानकारी छूट जाना चाहिए C. To always be truthful | हमेशा सच्चा रहना चाहिए D. To include skills required for the job, even if you don't have them | नौकरी के लिए आवश्यक कौशलों को शामिल करना चाहिए, भले ही वे आपके पास नहीं हों। 4 / 75 Category: Employability Skill CBT Paper (II) 4. What are three important elements to remember while conducting a survey? | सर्वे करते समय याद रखने योग्य तीन महत्वपूर्ण एलिमेंट कौन से हैं? A. Talk, learn, understand | बात करना, सीखना, समझना B. Observe, record, learn | निरीक्षण करना, रिकार्ड करना, सीखना C. Listen, observe, learn | सुनना, निरीक्षण करना, सीखना D. Listen, observe, tell | सुनना, निरीक्षण करना, बताना 5 / 75 Category: Employability Skill CBT Paper (II) 5. Which one is essentially required to receive communication by Email? | ईमेल द्वारा कम्युनिकेशन प्राप्त करने के लिए अनिवार्य रूप से क्या आवश्यक है? A. Email account | ईमेल अकाउंट B. Printer | प्रिंटर C. Desktop | डेस्कटॉप D. Laptop | लैपटॉप 6 / 75 Category: Employability Skill CBT Paper (II) 6. Which of the following is not a resource? | निम्नलिखित में से कौन सा संसाधन नहीं है? A. Profit earned | लाभ कमाया B. Loss in business | व्यापार में हानि C. Raw materials | कच्चा माल D. Customer database | ग्राहक डेटाबेस 7 / 75 Category: Employability Skill CBT Paper (II) 7. What are some advantages of informal communication at the workplace? | वर्कप्लेस पर इनफॉर्मल कम्युनिकेशन के क्या लाभ हैं? A. Makes people talk less | लोगों को कम बात करने देता है B. Helps people work together better | लोगों को एक साथ मिलकर बेहतर ढंग से काम करने में मदद मिलती है C. Creates a strict environment at work | कार्यस्थल पर सख्त वातावरण बनाता है D. Makes things more official at work | कार्यस्थल पर चीज़ों को और अधिक आधिकारिक बनाता है 8 / 75 Category: Employability Skill CBT Paper (II) 8. Some one plans to move to a different city for work, should _______ | कोई व्यक्ति काम के लिए दूसरे शहर में जाने की योजना बना रहा है, उसे _______ । A. Find how much it will cost to travel and live there; earn and save. | जानें कि वहां यात्रा करने और रहने में कितना खर्च आएगा; अर्न और सेव करना चाहिए B. Ask money from relatives and friends. | रिश्तेदारों और दोस्तों से पैसे मांगने चाहिए C. Apply for loan in bank. | बैंक में ऋण के लिए आवेदन करना चाहिए D. Move to new place and search for job. | नई जगह पर जाना और नौकरी की तलाश करना चाहिए 9 / 75 Category: Employability Skill CBT Paper (II) 9. What type of resources one can find in the Skill India Digital Platform? | स्किल इंडिया डिजिटल प्लेटफ़ॉर्म में किस प्रकार के संसाधन मिल सकते हैं? A. Courses, skill centers, job opportunities, and more | कोर्स, स्किल सेंटर, जॉब अपॉर्चुनिटी, और बहुत कुछ B. Financial services and government schemes | फाइनेंसियल सर्विस और गवर्नमेंट स्कीम C. Only eBooks and reading materials | केवल पुस्तकें और रीडिंग मटेरियल D. Only job listings | केवल नौकरी लिस्टिंग 10 / 75 Category: Employability Skill CBT Paper (II) 10. When you start a discussion on a topic, what do you say? | जब आप किसी विषय पर चर्चा आरंभ करते हैं तो आप क्या कहते हैं? A. Let me say | मुझे कहने दीजिये B. Let us discuss | आइए चर्चा करें C. Let you start | आइए शुरू करें D. Let us finish | आइये ख़त्म करें 11 / 75 Category: Employability Skill CBT Paper (II) 11. Skill India Digital is _________ | स्किल इंडिया डिजिटल _________ है A. a platform for learning and career resource | सीखने और करियर संसाधन के लिए एक मंच B. central govt. office | केंद्र सरकार कार्यालय C. a digital Movie | एक डिजिटल मूवी D. name of a trade | ट्रेड का नाम 12 / 75 Category: Employability Skill CBT Paper (II) 12. While addressing your boss, you should be ______ | अपने बॉस को सम्बोधित करते समय आपको ______ होना चाहिए । A. Informal | इनफॉर्मल B. Impolite | इम्पलाइट C. Formal | फॉर्मल D. Expressive | एक्सप्रेसिव 13 / 75 Category: Employability Skill CBT Paper (II) 13. Which of the following is a good work habit? | निम्नलिखित में से कौन सी गुड वर्क हैबिट है? A. Not following workplace rules | कार्यस्थल नियमों का पालन न करना B. Not giving up when something goes wrong | कुछ गलत होने पर हार नहीं मानना C. Choosing easy tasks | आसान कार्यों का चयन करना D. Getting tensed when work is challenging | काम चुनौतीपूर्ण होने पर तनावग्रस्त हो जाना 14 / 75 Category: Employability Skill CBT Paper (II) 14. "Gig" economy is ______ | "Gig" अर्थव्यवस्था है ______ A. Indian economy | इंडियन इकॉनमी B. Foreign economy | फॉरेन इकॉनमी C. Regular job | रेगुलर जॉब D. A system of work where people work in part-time | कार्य का एक सिस्टम जहां लोग पार्ट-टाइम रूप में काम करते हैं 15 / 75 Category: Employability Skill CBT Paper (II) 15. Alexa, Google, Siri are in the category of _______ | एलेक्सा, गूगल, सिरी _______ की केटेगरी में आते हैं A. Translation devices | ट्रांसलेशन डिवाइस B. Voice recorders | वॉइस रिकॉर्डर C. Musical instruments | म्यूजिकल इंस्ट्रूमेंट D. Voice recognition devices | वॉइस रिकग्निशन डिवाइस 16 / 75 Category: Employability Skill CBT Paper (II) 16. One important rule to network effectively is ______ | प्रभावी ढंग से नेटवर्क बनाने का एक महत्वपूर्ण नियम ______ है A. identify your competitors | अपने प्रतिद्वंद्वियों को पहचानें B. talk to the same people | उन्हीं लोगों से बात करें C. focus on selling your product | अपने उत्पाद को बेचने पर ध्यान दें D. keep in touch with your contacts | अपने संपर्कों के साथ संपर्क में रहें 17 / 75 Category: Employability Skill CBT Paper (II) 17. Which of these situations show people working well together as a team? | इनमें से कौन सी स्थिति लोगों को एक टीम के रूप में मिलकर अच्छा काम करते हुए दिखाती है? A. One person doing all the work without any help from team members | एक व्यक्ति टीम के सदस्यों की सहायता के बिना सभी कार्य कर रहा है B. Two people arguing and not agreeing | दो लोग बहस कर रहे हैं और सहमत नहीं हो रहे हैं C. A group sharing ideas and listening to each other | एक समूह जो विचार साझा करता है और एक दूसरे को सुनता है D. All are working without discussing each other | सभी एक-दूसरे से चर्चा किए बिना काम कर रहे हैं 18 / 75 Category: Employability Skill CBT Paper (II) 18. While purchasing an equipment for your trade, how will you make decision? | अपने व्यापार के लिए कोई उपकरण खरीदते समय आप कैसे निर्णय लेंगे? A. Pick the machine which you like | वह मशीन चुनना चाहिए जो आपको पसंद हो B. Look at all the details, think carefully about the needs & budget and then make the choice | सभी विवरणों को देखें, आवश्यकताओं और बजट के बारे में ध्यान से सोचना और फिर चुनाव करना चाहिए C. Choose the cheapest machine available | उपलब्ध सबसे सस्ती मशीन चुनना चाहिए D. Choose the first machine you see | आपको जो पहली मशीन दिखे उसे चुनना चाहिए 19 / 75 Category: Employability Skill CBT Paper (II) 19. Your community wants to reduce plastic waste. How can you use design thinking to find new ideas to solve this problem? | आपका समुदाय प्लास्टिक अपशिष्ट को कम करना चाहता है। इस समस्या को हल करने के लिए नए विचार खोजने के लिए आप डिज़ाइन थिंकिंग का उपयोग कैसे कर सकते हैं? A. Work together with shops or people nearby to find ways to use less plastic | प्लास्टिक का कम उपयोग करने के तरीके खोजने के लिए दुकानों या आस-पास के लोगों के साथ मिलकर काम करके B. Ignore the problem because it's too difficult to solve | समस्या पर ध्यान न देकर क्योंकि इसे हल करना बहुत कठिन है C. Make more things with plastic because they're easy to use | प्लास्टिक से अधिक चीज़ें बनाएं क्योंकि उनका उपयोग करना आसान होता है D. Blame others for the plastic waste issue | प्लास्टिक कचरे के मुद्दे के लिए दूसरों को दोष देकर 20 / 75 Category: Employability Skill CBT Paper (II) 20. Complete the sentence with suitable describing words. There are ________ apartments in my neighbourhood. उपयुक्त वर्णनात्मक शब्दों से वाक्य पूरा करें । There are ________ apartments in my neighbourhood. A. spacious | विशाल B. expensive | एक्सप्रेसिव C. beautiful | ब्यूटीफुल D. good | गुड 21 / 75 Category: Employability Skill CBT Paper (II) 21. What is an example of formal written communication? | फॉर्मल रिटेन कम्युनिकेशन का उदाहरण क्या है? A. Posting on social media platforms | सोशल मीडिया प्लेटफॉर्म पर पोस्ट करना B. Sending a WhatsApp message | व्हाट्सएप पर संदेश भेजना C. Writing an email to your manager | अपने प्रबंधक को एक ईमेल लिखना D. Texting a friend | किसी मित्र को संदेश भेजना 22 / 75 Category: Employability Skill CBT Paper (II) 22. Taking decisions on your own, after carefully thinking about them is the quality of _______ | ध्यानपूर्वक विचार करने के बाद स्वयं निर्णय लेना _______ का गुण है A. Self-belief | आत्म विश्वास B. Grit | ग्रिट C. Independent decision making | स्वतंत्र निर्णय लेना D. Self-awareness | आत्म जागरूकता 23 / 75 Category: Employability Skill CBT Paper (II) 23. How have workplaces changed after COVID? | कोविड के बाद कार्यस्थल कैसे बदल गए हैं? A. No focus on technology | टेक्नोलॉजी पर कोई फोकस नहीं है B. Less job opportunities | नौकरी के कम अवसर है C. Flexible in working hours is nil | काम के घंटों में लचीलापन शून्य है D. Mix of in-person and at-home work | व्यक्तिगत और घरेलू कार्य का मिश्रण है 24 / 75 Category: Employability Skill CBT Paper (II) 24. A secure Wi-Fi is one ______| एक सुरक्षित Wi-Fi ______ है A. has a password to login | लॉगिन करने के लिए एक पासवर्ड है B. open to the public | जनता के लिए खुला है C. open by landline | लैंडलाइन द्वारा खोलें जाते है D. that allows everyone to connect | जो हर किसी को कनेक्ट करने की अनुमति देता है 25 / 75 Category: Employability Skill CBT Paper (II) 25. Fill up the blanks with suitable words so as to become a meaningful sentence.| रिक्त स्थानों में उपयुक्त शब्द भरकर एक सार्थक वाक्य बनाइए। There are many dos and don’ts to be ______ while preparing for/attending an __________ | तैयारी करते समय या किसी __________ में भाग लेते समय कई करने और न करने योग्य बातें ______ होती हैं। A. identify, interview | आइडेन्टफाइ, इंटरव्यू B. identified, interviewed | आइडेन्टफाइड, इंटरव्यूड C. identified, interview | आइडेन्टफाइड, इंटरव्यू D. there, interview | देयर, इंटरव्यू 26 / 75 Category: Fitter Second Year CBT Paper (TT) 1. Which standard fitting is used for joining pipeline of different diameters? | विभिन्न व्यास की पाइपलाइन को जोड़ने के लिए किस मानक फिटिंग का उपयोग किया जाता है? A. Plug | प्लग B. Coupling | कपलिंग C. Reducer | रिडूसर D. Caps | कैप्स 27 / 75 Category: Fitter Second Year CBT Paper (TT) 2. Which file is used for finishing sharp corners? | नुकीले कोनों को फिनिश करने के लिए किस फाइल का उपयोग किया जाता है? A. Barrette file | बैरेट फ़ाइल B. Warding file | वार्डिंग फ़ाइल C. Pillar file | पिलर फाइल D. Riffler file | रिफ्लेर फाइल 28 / 75 Category: Fitter Second Year CBT Paper (TT) 3. What is the name of the structure if hot steel is rapidly cooled? | यदि गर्म स्टील को तेजी से ठंडा किया जाए तो संरचना का नाम क्या होगा? A. Ferrite | फेराइट B. Austenite | ऑस्टेनाईट C. Pearlite | पियरलाइट D. Martensite | मार्टेंसाईट 29 / 75 Category: Fitter Second Year CBT Paper (TT) 4. What is the name of the part marked as ‘x’ shown in the figure? | चित्र में दिखाए गए ‘x’ से चिह्नित भाग का नाम क्या है? A. Disc डिस्क B. Disc hinge nut | डिस्क हिंग नट C. Hinge pin हिंज पिन D. Stop plug | स्टाप प्लग 30 / 75 Category: Fitter Second Year CBT Paper (TT) 5. What is the use of grade '00' accuracy slip gauges? | ग्रेड '00' सटीकता स्लिप गेज का क्या उपयोग है? A. General workshop applications | सामान्य कार्यशाला अनुप्रयोग B. Inspection grade | निरीक्षण ग्रेड C. Calibration grade | कैलिब्रेशन ग्रेड D. Tool room applications | टूल रूम अनुप्रयोग 31 / 75 Category: Fitter Second Year CBT Paper (TT) 6. What is the name of the jig shown in the figure? | चित्र में दिखाए गए जिग का नाम क्या है? A. Sandwich jig | सैंडविच जिग B. Turn over jig | टर्न ओवर जिग C. Post jig | पोस्ट जिग D. Box jig | बॉक्स जिग 32 / 75 Category: Fitter Second Year CBT Paper (TT) 7. What is the use of air ratchet wrench? | एयर रैचेट रिंच का उपयोग क्या है? A. High speed and less torque | उच्च गति और कम टॉर्क B. Low speed | धीमी गति C. High speed and more torque | उच्च गति और अधिक टॉर्क D. More torque | अधिक टॉर्क 33 / 75 Category: Fitter Second Year CBT Paper (TT) 8. Which aligns the machine tools accurately? | कौन मशीन टूल्स को सटीक रूप से संरेखित करता है? A. Precision spirit level | परिशुद्धता स्पिरिट का स्तर B. Steel rule स्टील रूल C. Try square | ट्राई स्केवयर D. L' Square L' स्कवेयर 34 / 75 Category: Fitter Second Year CBT Paper (TT) 9. Which bearing material has poor thermal conductivity? | किस बियरिंग की ऊष्मीय चालकता(थर्मल कान्डक्टिवटी) कम होती है? A. Teflon | टेफ़लोन B. Sintered alloys | मिश्र धातुएँ C. Laminated phenolic | लैमिनेटेड फेनोलिक्स D. Nylon | नायलॉन 35 / 75 Category: Fitter Second Year CBT Paper (TT) 10. Which instrument is used in measuring the external diameter shown in the figure? | चित्र में दिखाए गए बाहरी व्यास को मापने में किस उपकरण का उपयोग किया जाता है? A. Vernier caliper | वर्नियर कैलीपर्स B. Outside caliper | आउटसाइड कैलिपर C. Parallel leg caliper | पैरेलल लेग कैलिपर D. Pair of special jaws by using slip gauge | स्लिप गेज का उपयोग करके विशेष जबड़े की जोड़ी 36 / 75 Category: Fitter Second Year CBT Paper (TT) 11. What is the name of the lubrication system shown in the figure? | चित्र में दर्शाई गई स्नेहन प्रणाली का नाम क्या है? A. Hand pressure feed | हैंड प्रेशर फीड B. Wick feed | विक फिड C. Ring oiling feed | रिंग ऑइलिंग फीड D. Splash feed | स्पलैश फ़ीड 37 / 75 Category: Fitter Second Year CBT Paper (TT) 12. What is the purpose of foundation bolts in machine errection? | मशीनों के लिए फाउंडेशन बोल्ट क्यों आवश्यक हैं? A. To hold the machine firmly | मशीन को मजबूती से पकड़ना B. To improve the machine life | मशीन की आयु बढ़ाना C. To increse the productivity | उत्पादकता बढ़ाना D. For better performance | बेहतर प्रदर्शन के लिए 38 / 75 Category: Fitter Second Year CBT Paper (TT) 13. What is the name of the gear shown in the figure? | चित्र में दिखाए गए गियर का नाम क्या है? A. Bevel gear | बेवल गियर B. Mitre gear | मिटरे गियर C. Hypoid gear | हाइपोइड गियर D. Spur gear | स्पर गियर 39 / 75 Category: Fitter Second Year CBT Paper (TT) 14. What is the height of slip gauge (q = 25o = 0.4226)? | इस स्लिप गेज की ऊंचाई कितनी है?(θ =25 o = 0.4226) A. 41.26 B. 43.26 C. 42.26 D. 44.26 40 / 75 Category: Fitter Second Year CBT Paper (TT) 15. Which bearing is used in the limited bearing space? | सीमित बियरिंग स्थान में किस बियरिंग का उपयोग किया जाता है? A. Thrust ball bearing | थ्रस्ट बॉल बियरिंग B. Angular contact ball bearing | एंगुलर कान्टैक्ट बॉल बियरिंग C. Needle bearing | नीडल बियरिंग D. Taper roller bearing | टेपर रोलर बियरिंग 41 / 75 Category: Fitter Second Year CBT Paper (TT) 16. What is the name of the part marked as 'X' is shown in double acting cylinder figure? | डबल एक्टिंग सिलेंडर चित्र में 'X' से चिह्नित भाग का नाम क्या है? A. Cylinder cap | सिलेंडर कैप B. Piston rod | पिस्टन रॉड C. Lock nut | लॉक नट D. Guide ring | गाइड रिंग 42 / 75 Category: Fitter Second Year CBT Paper (TT) 17. Why tenons are provided at the bottom of base plate of milling fixture? | मिलिंग फिक्स्चर के बेस प्लेट के निचले भाग में टेनन्स क्यों प्रदान किए जाते है? A. For proper location of fixture | फिक्स्चर को सही तरह से लोकेट करने के लिए B. For balancing the workpiece | कार्यवस्तु को संतुलित करने के लिए C. For guiding the tool | टूल को गाइड करने के लिए D. For clamping purpose | क्लैम्पिंग उद्देश्य के लिए 43 / 75 Category: Fitter Second Year CBT Paper (TT) 18. Which formula calculates the pressure? | कौन सा फॉर्मूला प्रेशर की गणना करता है? A. Force x Area B. Force - Area C. Force/Area D. Force + Area 44 / 75 Category: Fitter Second Year CBT Paper (TT) 19. What is the name of the nut shown in the figure? | चित्र में दिखाए गए नट का नाम क्या है? A. Slotted nut | स्लॉटेड नट B. Cap nut | कैप नट C. T - Nut | T - नट D. Castle nut | कैसल नट 45 / 75 Category: Fitter Second Year CBT Paper (TT) 20. What is the name of the part marked as ‘X’ shown in the figure? | चित्र में दिखाए गए ‘X’ से चिह्नित भाग का नाम क्या है? A. Ball separating gauge | बॉल सेपरैटिंग गेज B. Ball | बॉल केस C. Outer race | आउटर रेस D. Inner race | इनर रेस 46 / 75 Category: Fitter Second Year CBT Paper (TT) 21. What is the frequency of oiling symbol marked as ‘x’ shown in the figure? | चित्र में दर्शाए गए ‘x’ से चिह्नित तेल लगाने के प्रतीक की आवृत्ति क्या है? A. Daily | रोज B. Weekly | साप्ताहिक C. Monthly | महीने D. Yearly | वार्षिक 47 / 75 Category: Fitter Second Year CBT Paper (TT) 22. Which metallic coating is done by rolling the layers of metal on to base metal? | कौन सी धातु कोटिंग धातु की परतों को आधार धातु पर रोल करके की जाती है? A. Molten metal bath | मोल्टन मेटल बाथ B. Spraying | स्प्रैइंग C. Cladding | क्लैडिंग D. Enamelling | इनेमेलिंग 48 / 75 Category: Fitter Second Year CBT Paper (TT) 23. Which bearing material is used for connecting rods and electrical motors? | कनेक्टिंग रॉड्स और इलेक्ट्रिकल मोटरों के लिए किस बियरिंग सामग्री का उपयोग किया जाता है? A. White metal | वाइट मेटल B. Copper lead alloy | कॉपर लीड मिश्र धातु C. Sintered alloy | सिन्टर मिश्र धातु D. Aluminium alloy | एल्यूमिनियम मिश्र धातु 49 / 75 Category: Fitter Second Year CBT Paper (TT) 24. Which gear transmits power between intersecting shafts at right angles? | कौन सा गियर समकोण पर प्रतिच्छेद करने वाले शाफ्ट के बीच शक्ति संचारित करता है? A. Worm gear | वर्म गियर B. Spur gear | स्पर गियर्स C. Screw gear | स्क्रू गियर D. Bevel gear | बेवल गियर 50 / 75 Category: Fitter Second Year CBT Paper (TT) 25. Which term refers to the wear and tear of gear tooth having surface irregularities? | कौन सा शब्द सतह की अनियमितताओं वाले गियर टूथ के टूट-फूट को संदर्भित करता है? A. Rippling | रिप्पिलिंग B. Cold flow | शीत प्रवाह C. Fatigue breakage | थकान टूटना D. Crushing | क्रशिंग 51 / 75 Category: Fitter Second Year CBT Paper (TT) 26. What is the name of the part marked as 'X' shown in the figure? | चित्र में दिखाए गए 'X' से चिह्नित भाग का नाम क्या है? A. Pump | पंप B. Reservoir | रेज़र्व्वैर C. Double acting cylinder | डबल एक्टिंग सिलेंडर D. Two piston valve | टू पिस्टन वाल्व 52 / 75 Category: Fitter Second Year CBT Paper (TT) 27. Which cutting fluid dissolves in water giving a milky white solution? | कौन सा कटिंग द्रव पानी में घुलकर दूधिया सफेद घोल देता है? A. Fatty oil | वसायुक्त तेल B. Soluble oil | घुलनशील तेल C. Blended oil | मिश्रित तेल D. Straight mineral oil | सीधा खनिज तेल 53 / 75 Category: Fitter Second Year CBT Paper (TT) 28. Which type of lock washer uses flat or oval type head screw? | किस प्रकार के लॉक वॉशर में फ्लैट या अंडाकार प्रकार के हेड स्क्रू का उपयोग किया जाता है? A. Internal and external type | आंतरिक और बाहरी प्रकार B. Internal type | आंतरिक प्रकार C. Counter sunk type | काउंटर संक प्रकार D. External type | बाहरी प्रकार 54 / 75 Category: Fitter Second Year CBT Paper (TT) 29. What is used to achieve faster rate of cooling in the quenching process? | शमन प्रक्रिया में शीतलन की तेज दर प्राप्त करने के लिए किसका उपयोग किया जाता है? A. Water | पानी B. Oil | तेल C. Air | वायु D. Brine solution | ब्राइन सलूशन 55 / 75 Category: Fitter Second Year CBT Paper (TT) 30. What is the purpose of rollers placed under the equipment? | उपकरण के नीचे रोलर्स का उद्देश्य क्या है? A. To raise easily | आसानी से ऊपर उठाना B. To move easily | आसानी से स्थानांतरित करने के लिए C. To lower easily | आसानी से कम करने के लिए D. To lift easily | आसानी से उठाना 56 / 75 Category: Fitter Second Year CBT Paper (TT) 31. What is the name of the pneumatic valve symbol shown in the figure? | चित्र में दर्शाए गए वायवीय वाल्व प्रतीक का क्या नाम है? A. Pressure valve | प्रेशर वाल्व B. Roller valve | रोलर वाल्व C. Flow control valve | प्रवाह नियंत्रण वाल्व D. Directional control valve | दिशात्मक नियंत्रण वाल्व 57 / 75 Category: Fitter Second Year CBT Paper (TT) 32. Which process is adapted to add cutting ability and wear resistance on steel? | स्टील पर काटने की क्षमता और पहनने के प्रतिरोध को बढ़ाने के लिए कौन सी प्रक्रिया अपनाई जाती है? A. Normalising | नॉर्मलाइजिंग B. Hardening | हार्डनिंग C. Tempering | टेम्परिंग D. Annealing | एनीलिंग 58 / 75 Category: Fitter Second Year CBT Paper (TT) 33. Which type of drive is shown in the figure? | चित्र में किस प्रकार का ड्राइव दर्शाया गया है? A. Open belt drive | ओपन बेल्ट ड्राइव B. Right angled drive | समकोण ड्राइव C. Stepped drive स्टेप्पड ड्राइव D. Cross-belt drive | क्रॉस-बेल्ट ड्राइव 59 / 75 Category: Fitter Second Year CBT Paper (TT) 34. Why aluminium is used widely in aircraft industries? | विमान उद्योगों में व्यापक रूप से एल्यूमीनियम का उपयोग क्यों किया जाता है? A. Hard and Brittle | हार्ड और ब्रिटल B. Light weight | हल्का वजन C. Low thermal conductivity | कम तापीय चालकता D. More strength | अधिक ताकत 60 / 75 Category: Fitter Second Year CBT Paper (TT) 35. What is the name of the pipe line symbol shown in the figure? | चित्र में दर्शाए गए पाइप लाइन प्रतीक का नाम क्या है? A. Plug or cap | प्लग या टोपी B. Reducer concentric | रिडूसर कन्सेन्ट्रिक C. Union screwed | यूनियन स्क्रूड D. Socket | सॉकेट 61 / 75 Category: Fitter Second Year CBT Paper (TT) 36. Which bearing material is used for light load and low speed application? | हल्के भार और कम गति अनुप्रयोग के लिए कौन सी बेयरिंग सामग्री का उपयोग किया जाता है? A. Cadmium based alloy | कैडमियम आधारित मिश्र धातु B. Tin bronze | टिन कांस्य C. Copper and lead alloys | कॉपर और लीड मिश्र धातु D. Cast iron | कास्ट आयरन 62 / 75 Category: Fitter Second Year CBT Paper (TT) 37. Which gear runs more silently than a spur gear? | कौन सा गियर स्पर गियर की तुलना में अधिक शांत तरीके से चलता है? A. Worm and worm gear | वर्म और वर्म गियर B. Mitre gear | मिटरे गियर C. Helical gear | हेलिकल गियर D. Bevel gear | बेवल गियर 63 / 75 Category: Fitter Second Year CBT Paper (TT) 38. What is the name of the gauge shown in the figure? | चित्र में दर्शाए गए गेज का क्या नाम है? A. Threaded snap gauge | थ्रेडेड स्नैप गेज B. Plain snap gauge | सादा स्नैप गेज C. Adjustable snap gauge | एडजस्टेबल स्नैप गेज D. Caliper gauge | गो और नो-गो स्नैप गेज 64 / 75 Category: Engineering Drawing CBT Paper (II) 1. The thread angle of B.S.W screw threads are___. | BSW स्क्रू थ्रेड्स के थ्रेड ______ एंगल हैं। A. 45° B. 55° C. 60° D. 30° 65 / 75 Category: Engineering Drawing CBT Paper (II) 2. Pipe cutting die is generally_______ | पाइप काटने डाई ______ आम तौर पर है। A. divided in two parts | दो भागों में विभाजित B. divided in three parts | तीन भागों में विभाजित C. divided in four parts. | चार भागों में विभाजित D. undivided | अविभाज्य 66 / 75 Category: Engineering Drawing CBT Paper (II) 3. Is this symbol is used for lap joint? लैप जॉइंट के लिए क्या यह सिंबल का प्रयोग किया जाता है? A. No | नही B. Yes | हाँ 67 / 75 Category: Engineering Drawing CBT Paper (II) 4. Objects that are symmetric can be shown effectively using this type of section_____ | इस प्रकार के अनुभाग का उपयोग करके सममित वस्तुओं को प्रभावी ढंग से ______ में दिखाया जा सकता है। A. half section | आधा अनुभाग B. quarter section | चतुर्थ अनुभाग C. full section | पूर्ण अनुभाग D. symmetric section | सममित अनुभाग 68 / 75 Category: Engineering Drawing CBT Paper (II) 5. Riveted joints is a_______ रिवेटेड जॉइंट ______ है A. permanent joints | स्थायी जॉइंट B. none of these | इनमें से कोई नहीं C. semi permanent | अर्द्ध स्थायी D. temporary joints | अस्थायी जॉइंट 69 / 75 Category: Engineering Drawing CBT Paper (II) 6. Lock nut or check-nut is chamfered on____. | लॉक नट या चेक-नट को _____ पर चम्फर्ड किया जाता है। A. upper side | उपरी तरफ B. lower side | निली तरफ C. both side | दोनो तरफ D. none sides | कोई तरफ नहीं। 70 / 75 Category: Workshop Calculation and Science CBT Paper (II) 1. Which is used to reduce the friction in machine parts? | मशीन भागों में घर्षण को कम करने के लिए किसका उपयोग किया जाता है? A. Petrol | पेट्रोल B. Water | पानी C. Kerosene | मिट्टी का तेल D. Lubricants | स्नेहक 71 / 75 Category: Workshop Calculation and Science CBT Paper (II) 2. Which one of the following acts in between the wheels and roads, if vehicles are able to run on roads? | यदि वाहन सड़कों पर चलने में सक्षम हैं, तो पहियों और सड़कों के बीच में निम्न में से कौन सा कार्य करता है? A. Friction | घर्षण B. Erosion | कटाव C. Corrosion | जंग D. Motion | प्रस्ताव 72 / 75 Category: Workshop Calculation and Science CBT Paper (II) 3. Which authority publishes schedule of rates? | कौन-सा प्राधिकरण दरों के अनुसूची को प्रकाशित करता है? A. Partnership firm | पार्टनरशिप फर्म B. Corporate | निगम से संबंधित (कॉर्पोरेट) C. Individual | व्यक्तिगत D. Government department | सरकारी विभाग 73 / 75 Category: Workshop Calculation and Science CBT Paper (II) 4. What are the various stages of heat treatment? | ऊष्मा उपचार के विभिन्न चरण क्या हैं? A. Heating, Cooling and Quenching | हीटिंग, कूलिंग और क्वेंचिंग B. Soaking, Quenching and Cooling | सोकिंग, क्वेंचिंग और कूलिंग C. Heating, Soaking and Quenching | हीटिंग, सोकिंग और क्वेंचिंग D. Quenching, Cooling and Heating | क्वेंचिंग, कूलिंग और हीटिंग 74 / 75 Category: Workshop Calculation and Science CBT Paper (II) 5. What is the direction of frictional force against a motional object? | किसी गतिपरक वस्तु के विरुद्ध घर्षण बल की दिशा क्या है? A. Parallel to the object | वस्तु के समांतर B. Inclined to the object | वस्तु के लिए इच्छुक C. Perpendicular to the object | वस्तु के लम्बवत D. Opposite to the object | वस्तु के सामने 75 / 75 Category: Workshop Calculation and Science CBT Paper (II) 6. Which symbol is used to denote co-efficient of friction? | घर्षण के गुणांक को निरूपित करने के लिए किस प्रतीक का प्रयोग किया जाता है? A. α (Alpha) B. µ (Meu) C. γ (Gamma) D. β (Beta) Your score isThe average score is 57% 0% Restart quiz Exit WhatsApp और YouTube चैनल से जुड़े रहना Whats App Electrician Free CBT Practice Set COPA Free Practice Set Draughtsman Civil Free CBT Practice Set Draughtsman Mechanic Free CBT Practice Set Fashion Design & Technology Electronic Mechanic Free CBT Practice Set अत्यधिक चर्चा में Sample NCVT CTS 6 Month Trade Exam 2026 Schedule Released – Practical, CBT Exam Date, Hall Ticket & Result | ITI Ke Gyani Bihar ITI Admission 2026: ITICAT 2026 आवेदन प्रक्रिया, पात्रता, परीक्षा तिथि, फीस और काउंसलिंग की पूरी जानकारी SIDH Portal पर Instructor Registration कैसे करें 2026 | NIMS System, ITSU Mapping, Timeline और DGT के नए नियम अंबेडकर नगर वृहद रोजगार मेला 2026: युवाओं के लिए सुनहरा अवसर | Direct Placement Drive झांसी वृहद रोजगार मेला 2026: युवाओं के लिए सुनहरा अवसर | Direct Placement Drive