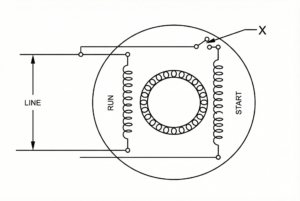
RAC First Year – Trade Theory Set – 03By itikegyani.com / March 30, 2025 /25 19 RAC First Year - Trade Theory Practice Set 03यहाँ प्रत्येक पेपर में 25 महत्वपूर्ण प्रश्न होते हैं। यह क्विज ITI परीक्षा की तैयारी के लिए बेहद उपयोगी हैं, जिससे आप कहीं भी, कभी भी अध्ययन और अभ्यास कर सकते हैं। ITI के ज्ञानी द्वारा तैयार किए गए ये मॉक प्रैक्टिस पेपर परीक्षा के पैटर्न के अनुसार बनाए गए हैं, जिससे आपको वास्तविक परीक्षा का अनुभव मिलेगा और आत्मविश्वास बढ़ेगा। 1 / 25 Category: Refrigeration and Air Conditioning Technician First Year CBT Paper (TT)1. Which operation is progressed on the job? | जॉब पर कौन सा ऑपरेशन किया जाता हैं? A. Reaming | रिमिंग B. Drilling | ड्रिलिंग C. Tapping | टेपिंग D. Marking | मार्किंग 2 / 25 Category: Refrigeration and Air Conditioning Technician First Year CBT Paper (TT)2. What is the least count of vernier calipers? | वर्नियर कैलिपर्स की अल्पतमांक क्या है? A. 0.20 B. 0.01 C. 0.02 D. 0.10 3 / 25 Category: Refrigeration and Air Conditioning Technician First Year CBT Paper (TT)3. What is the load resistance in an electrical circuit, if current, I = 2 amp and supply, V = 10 volt? | विद्युत सर्किट में लोड प्रतिरोध क्या है, यदि कोर्रेंट, I = 2 amp और सप्लाई, V = 10 Volt हो? A. 2 ohms | २ ओह्म्स B. 4 ohms | ४ ओह्म्स C. 3 ohms | ३ ओह्म्स D. 5 ohms | ५ ओह्म्स 4 / 25 Category: Refrigeration and Air Conditioning Technician First Year CBT Paper (TT)4. What is the name of heat carrying medium in vapour compression system? | वाष्प संपीड़न प्रणाली में मध्यम ले जाने वाली ऊष्मा का क्या नाम है? A. Refrigerant | रेफ्रिजरेंट B. Water | पानी C. Air | वायु D. Liquid | तरल 5 / 25 Category: Refrigeration and Air Conditioning Technician First Year CBT Paper (TT)5. Which property limits the flow of electrons in an electrical circuit? | विद्युत सर्किट में इलेक्ट्रॉनों के प्रवाह का कौन सी गुण सीमित रहता है? A. Current | करंट B. Resistance | प्रतिरोध C. Voltage | वोल्टेज D. Conductance | कंडक्टेन्स 6 / 25 Category: Refrigeration and Air Conditioning Technician First Year CBT Paper (TT)6. What is the function of refrigerant fluid in a refrigerator? | रेफ्रिजरेटर में रेफ्रिजरेंट द्रव का क्या कार्य है? A. Absorbs heat from bottom side cabinet | नीचे की तरफ कैबिनेट से ऊष्माअवशोषित करता है B. Absorbs heat from outside the cabinet | कैबिनेट के बाहर से ऊष्मा को अवशोषित करता है C. Absorbs heat from inside the cabinet | कैबिनेट के अंदर से ऊष्मा को अवशोषित करता है D. Releases heat inside the cabinet | कैबिनेट के अंदर ऊष्मा से राहत देता है 7 / 25 Category: Refrigeration and Air Conditioning Technician First Year CBT Paper (TT)7. Which lubricant oil is used in swash plate of R 134a compressor? | R 134a कंप्रेसर की स्वैश प्लेट में किस लुब्रिकेंट तेल का उपयोग किया जाता है? A. SAE - 40 | एसऐइ - ४० B. PAG | पीऐजी C. Servo 20 | सर्वो 20 D. Mineral oil | खनिज तेल 8 / 25 Category: Refrigeration and Air Conditioning Technician First Year CBT Paper (TT)8. What is the colour of acetylene hose pipe in oxy - acetylene welding set? | ऑक्सी - एसिटिलीन वेल्डिंग सेट में एसिटिलीन होस पाइप का रंग क्या होता है? A. Maroon | मैरून B. Black | काला C. Red | लाल D. Green | हरा 9 / 25 Category: Refrigeration and Air Conditioning Technician First Year CBT Paper (TT)9. Which application uses the capillary tube expansion device? | केशिका ट्यूब विस्तार उपकरण किस एप्लिकेशन का उपयोग करता है? A. Industrial ice plants | औद्योगिक बर्फ के पौधे B. Commercial AC plants | वाणिज्यिक एसी संयंत्र C. Domestic RAC units | घरेलू RAC इकाइयाँ D. Hospital IAQ systems | अस्पताल IAQ सिस्टम 10 / 25 Category: Refrigeration and Air Conditioning Technician First Year CBT Paper (TT)10. Which is the hydrocarbon refrigerant? | हाइड्रोकार्बन रेफ्रिजरेंट कौन सा है? A. R 600a B. R 500 C. R 123 D. R 12 11 / 25 Category: Refrigeration and Air Conditioning Technician First Year CBT Paper (TT)11. What is the diameter of liquid line used with 5 TR if the suction line is 7/8” OD by up flow? | 5 TR के साथ उपयोग की जाने वाली तरल लाइन का व्यास क्या है यदि सक्शन लाइन 7/8 ”तक का प्रवाह है? A. 1/2” OD B. 3/4” OD C. 5/16” OD D. 3/8” OD 12 / 25 Category: Refrigeration and Air Conditioning Technician First Year CBT Paper (TT)12. What is the atmospheric pressure at sea level? | समुद्र तल पर वायुमंडलीय दबाव कितना होता है? A. 1.6 Kg/cm² B. 1.5 Kg/cm² C. 1.3 Kg/² D. 1.033 Kg/cm² 13 / 25 Category: Refrigeration and Air Conditioning Technician First Year CBT Paper (TT)13. What is the name of part marked as X? | X के रूप में चिह्नित भाग का नाम क्या है? A. Main winding | मेन वाइंडिंग B. Stator | स्टेटर C. Centrifugal switch | सेन्ट्रीफ्यूगल स्विच D. Rotor | रोटार 14 / 25 Category: Refrigeration and Air Conditioning Technician First Year CBT Paper (TT)14. What is the name of active component used in electronic circuit? | इलेक्ट्रॉनिक सर्किट में उपयोग किए जाने वाले सक्रिय घटक का नाम क्या है? A. Transistor | ट्रांजिस्टर B. DIAC | डीआईऐसी C. SCR | एससीआर D. TRIAC | टीआरआईऐसी 15 / 25 Category: Refrigeration and Air Conditioning Technician First Year CBT Paper (TT)15. Which component is used in frost free refrigerator? | फ्रोस्ट फ्री रेफ्रिजरेटर में किस घटक का उपयोग किया जाता है? A. Plate coil evaporator | प्लेट क्वाईल एवापोरेटर B. Oil separator | ऑइल सेपेरेटर C. Timer switch | टाइमर स्विच D. Liquid receiver | लिक्विड रिसीवर 16 / 25 Category: Refrigeration and Air Conditioning Technician First Year CBT Paper (TT)16. Which insulating material is used in duct work? | डक्ट के काम में किस इंसुलेटिंग सामग्री का उपयोग किया जाता है? A. Plastic | प्लास्टिक B. Wood | लकड़ी C. Glass wool | ग्लास वूल D. Rubber | रबर 17 / 25 Category: Refrigeration and Air Conditioning Technician First Year CBT Paper (TT)17. Which is connected in series with start capacitor in motor circuit? | मोटर सर्किट में स्टार्ट कैपेसिटर के साथ श्रृंखला में क्या जुड़ा होता है? A. Running Terminal | रनिंग टर्मिनल B. Common terminal | कॉमन टर्मिनल C. Running winding रनिंग वाइंडिंग D. Starting winding | स्टार्टिंग वाइंडिंग 18 / 25 Category: Refrigeration and Air Conditioning Technician First Year CBT Paper (TT)18. Which process of copper tubing is in progress? | कॉपर टयूबिंग की कौन सी प्रक्रिया चल रही है? A. Swaging | स्वगिंग B. Flaring | फ्लेरिंग C. Pinching | पिन्चिंग D. Reaming | रीमिंग 19 / 25 Category: Refrigeration and Air Conditioning Technician First Year CBT Paper (TT)19. Which components are connected by metering device in vapour compression cycle? | वाष्प संपीड़न चक्र में मीटरिंग डिवाइस द्वारा कौन से घटक जुड़े हुए हैं? A. Compressor and evaporator | कंप्रेसर और एवापोरेटर B. Compressor and condenser | कंप्रेसर और कंडेनसर C. Condenser and evaporator | कंडेनसर और एवापोरेटर D. Evaporator and suction line | एवापोरेटर और सक्शन लाइन 20 / 25 Category: Refrigeration and Air Conditioning Technician First Year CBT Paper (TT)20. Which component secures the hose with regulator union in gas welding set? | कौन सा घटक गैस वेल्डिंग सेट में रेगुलेटर यूनियन के साथ होस को सुरक्षित करता है? A. Hose clamp | होस क्लैंप B. Fibre clip | फाइबर क्लिप C. Steel wire | स्टील वायर D. Iron chain | आयरन चैन 21 / 25 Category: Refrigeration and Air Conditioning Technician First Year CBT Paper (TT)21. What is the test pressure of condenser coils during manufacture? | निर्माण के दौरान कंडेनसर कॉइल का परीक्षण दबाव क्या है? A. 450 psig (pounds per square inch gauge) B. 350 psig (pounds per square inch gauge) C. 250 psig (pounds per square inch gauge) D. 150 psig (pounds per square inch gauge) 22 / 25 Category: Refrigeration and Air Conditioning Technician First Year CBT Paper (TT)22. What is the use of component? घटक का उपयोग क्या है? A. Regulates voltage | वोल्टेज को नियंत्रित करता है B. Matches impedance | प्रतिबाधा से मेल खाता है C. Limits current | करंट को सीमित करता है D. Increases reactance | प्रतिक्रिया को बढ़ाता है 23 / 25 Category: Refrigeration and Air Conditioning Technician First Year CBT Paper (TT)23. How to safe guard the hands while handling glass wool? | ग्लास ऊन को संभालते समय हाथों की सुरक्षा कैसे करें? A. Using mask | मास्क का उपयोग करना B. Using shoes | जूते का उपयोग करना C. Wearing gloves | दस्ताने पहने हुए D. Wearing goggles | काले चश्मे पहने हुए 24 / 25 Category: Refrigeration and Air Conditioning Technician First Year CBT Paper (TT)24. Which refrigerant is used in domestic refrigerator? | घरेलू रेफ्रिजरेटर में किस रेफ्रिजरेंट का उपयोग किया जाता है? A. R 32 B. R 134 a C. R 407 c D. R 22 25 / 25 Category: Refrigeration and Air Conditioning Technician First Year CBT Paper (TT)25. Which device meters the amount of refrigerant entering the evaporator in window AC? | विंडो एसी में बाष्पीकरण में प्रवेश करने वाले रेफ्रिजरेंट की मात्रा मीटर किस उपकरण से होती है? A. Finned tube condenser | फिनेड ट्यूब कंडेनसर B. Heat exchanger | हीट एक्सचेंजर C. Accumulator | एक्यूमुलेटर D. Capillary tube | केशिका नली Your score isThe average score is 46% 0% Restart quiz Exit Workshop CalculationEngineering DrawingEmployability SkillRAC CBT PapersWhatsApp और YouTube चैनल से जुड़े रहनाWhats App अत्यधिक चर्चा में ITI Supplementary Exam Eligibility December 2025: Attendance और FA से जुड़े महत्वपूर्ण नियम | DGT के नए आदेश की पूरी जानकारी NCVT सप्लीमेंट्री/लेफ्टओवर परीक्षा (दिसम्बर-2025): उत्तर प्रदेश के प्रशिक्षार्थियों के लिए SCVT पोर्टल पर पंजीकरण शुरू SIDH पोर्टल पर कब होंगे बाकी बचे Trainee Migrate? CTS एडमिशन और डेटा अपलोड की अंतिम तिथि क्या है? DGT API Schedule PRADAN Taluk Coordinator Recruitment 2025: कर्नाटक में 32-36 हजार वेतन के साथ नई भर्ती Bank of India Recruitment 2025: स्केल-II, III और IV ऑफिसर्स की बड़ी भर्ती – आवेदन शुरू PNB LBO भर्ती 2025: पंजाब नेशनल बैंक में 750 लोकल बैंक ऑफिसर पदों पर आवेदन शुरू – योग्यता, सिलेबस, चयन प्रक्रिया और ऑनलाइन फॉर्म