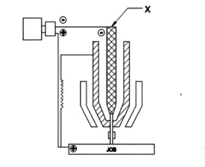
Welder CBT Paper – Free Practice Set -05By itikegyani.com / May 18, 2025 /75 3 यह पेपर 2 घंटे का है 2 घंटे बाद पेपर अपने आप सबमिट हो जायेगा और आप चाहें तो 2 घंटे से पहले भी सबमिट कर सकते है| पेपर देने के लिए आपको हमारी वेबसाइट पर login करना अनिवार्य है| सॉरी समय समाप्त हो गया| Welder CBT Paper (Quiz - 05) इस पेपर में 75 प्रशन है जिसमे Trade Tehory के 38 प्रशन, Workshop Calculation and Science के 06 प्रशन, Engineering Drawing के 06 प्रशन, Employability Skill के 25 प्रशन , प्रत्येक प्रशन 2 मार्क्स का है और किसी प्रकार की नेगेटिव मार्किंग नहीं है| 1 / 75 Category: Workshop Calculation and Science CBT Paper (I) 1. What is the value for specific heat of water?/ पानी की विशिष्ट ऊष्मा का मान क्या है? A. 4 B. 1 C. 2 D. 3 2 / 75 Category: Workshop Calculation and Science CBT Paper (I) 2. What is the area of a rectangle, whose length and breadth are 10cm and 8cm respectively? | एक आयत का क्षेत्रफल क्या होगा, जिसकी लम्बाई एवं चौड़ाई क्रमश: 10 से.मी. एवं 8 से.मी. हैं? A. 90 cm² B. 85 cm² C. 80 cm² D. 75 cm² 3 / 75 Category: Workshop Calculation and Science CBT Paper (I) 3. What is the boiling point of water? | पानी का क्वथनांक क्या होता है? A. 32°C | ३२° सेल्सियस B. 100°C | १००° सेल्सियस C. 0°C | 0° सेल्सियस D. 212°C | २१२ ° सेल्सियस 4 / 75 Category: Workshop Calculation and Science CBT Paper (I) 4. What are fundamental units?| इनमे से मूलभूत इकाइयाँ कोन-कोनसी हैं? A. Length, Mass, Area | लंबाई, द्रव्यमान, क्षेत्रफल B. Length, Mass, Volume | लंबाई, द्रव्यमान, आयतन C. Length, Pressure, Volume | लंबाई, दाब , आयतन D. Length, Mass, Time | लंबाई, द्रव्यमान, समय 5 / 75 Category: Workshop Calculation and Science CBT Paper (I) 5. Which property of metal has its power of returning to its original shape after the applied force is released?| धातु की कौन सा गुण बल लगाने पर विरूपित तथा बल हटाने पर वापस अपने पूर्वावस्था मे आने की झमता रखता है? A. Malleability | आघातवर्धनीयता B. Elasticity | प्रत्यास्तथा C. Tenacity | दृढ़ता D. Plasticity | सुघट्यता 6 / 75 Category: Workshop Calculation and Science CBT Paper (I) 6. What is the S.I unit of heat? | ऊष्मा की एस.आई. इकाई क्या है? A. Joule / जूल B. Calorie / केलोरी C. British thermal unit / ब्रिटिश थर्मल यूनिट D. Centigrade heat unit / सेंटीग्रेट हीट यूनिट 7 / 75 Category: Welder CBT Paper (TT) 1. What is name of the brazing shown in figure? | चित्र में दिखाए गए ब्रेजिंग का क्या नाम है? A. Induction | इंडक्शन B. Torch | मशाल C. Furnace | भट्ठी D. Dip brazing | डिप ब्रेज़िंग 8 / 75 Category: Welder CBT Paper (TT) 2. Which device is used to divide equal parts? | इक्वल पार्ट्स को विभाजित करने के लिए किस उपकरण का उपयोग किया जाता है? A. Compass | कम्पास B. Scriber | स्क्रिपर C. Scale | स्केल D. Try square | ट्राई स्क्वायर 9 / 75 Category: Welder CBT Paper (TT) 3. What type of preheating is done only at the portions to be welded? | किस प्रकार के प्रीहेटिंग को केवल वेल्ड किए जाने वाले भागों में किया जाता है? A. Direct preheating | प्रत्यक्ष प्रीहीटिंग B. Indirect preheating | अप्रत्यक्ष प्रीहीटिंग C. Full preheating | पूर्ण प्रीहीटिंग D. Local preheating | स्थानीय प्रीहीटिंग 10 / 75 Category: Welder CBT Paper (TT) 4. What action should be taken during cylinder leakage? | सिलेंडर लीकेज के दौरान क्या कार्रवाई की जानी चाहिए? A. Move to near working area | कार्य क्षेत्र के निकट चले जाएँ B. Move to near main bar | मुख्य बार के पास चले जाएँ C. Move to a safe area | सुरक्षित क्षेत्र में चले जाएं D. Move to near welding machine | वेल्डिंग मशीन के पास ले चले जाएँ 11 / 75 Category: Welder CBT Paper (TT) 5. What is the name of part marked as ‘X’shown in the figure? | चित्र में दिखाए गए ‘X’ से चिह्नित भाग का नाम क्या है? A. Auto torch | ऑटो टार्च B. Wire feeder | वायर फीडर C. Electrode lead | इलेक्ट्रोड लीड D. Flux hopper | फ्लक्स हॉपर 12 / 75 Category: Welder CBT Paper (TT) 6. What is the type of distortion shown in the figure? | चित्र में वेल्डिंग का प्रतीक क्या दर्शाया गया है? A. Wide distortion | चौड़ी विरूपण B. Transverse distortion | अनुप्रस्थ विरूपण C. Angular distortion | कोणीय विरूपण D. Longitudinal distortion | अनुदैर्ध्य विरूपण 13 / 75 Category: Welder CBT Paper (TT) 7. Which one is insulator? | कौन सा इन्सुलेटर है? A. Copper | कॉपर B. Aluminium | एल्यूमीनियम C. Rubber | रबर D. Carbon | कार्बन 14 / 75 Category: Welder CBT Paper (TT) 8. What is the percentage of carbon content in mild steel? | माइल्ड स्टील में कार्बन सामग्री का प्रतिशत कितना होता है? A. 0.15 to 0.4 B. 0.7 to 0.45 C. 0.12 to 0.35 D. 0.05 to 0.30 15 / 75 Category: Welder CBT Paper (TT) 9. What is the test is conducted without destroying the job? | जॉब को नष्ट किए बिना कौन सा परीक्षण आयोजित किया जाता है? A. Visual inspection test | विसुअल इंस्पेक्शन टेस्ट B. Destructive test | डिस्ट्रक्टिव टेस्ट C. Non-destructive test | नॉन डिस्ट्रक्टिव टेस्ट D. Semi-destructive test | सेमी -डिस्ट्रक्टिव टेस्ट 16 / 75 Category: Welder CBT Paper (TT) 10. Which gas is heavier than air? | कौन सी गैस हवा से भारी है? A. Argon | आर्गन B. Oxygen | ऑक्सीजन C. Helium | हीलियम D. Carbon dioxide | कार्बन डाईऑक्साइड 17 / 75 Category: Welder CBT Paper (TT) 11. What is the name of the arc length shown in the figure? | चित्र में दिखाए गए चाप की लंबाई का नाम क्या है? A. Long | लंबा B. Short | छोटा C. Too long | बहुत लंबा D. Normal | सामान्य 18 / 75 Category: Welder CBT Paper (TT) 12. What is percentage of oxygen in atmosphere? | वायुमंडल में ऑक्सीजन का प्रतिशत कितना है? A. 21% B. 33% C. 52% D. 45% 19 / 75 Category: Welder CBT Paper (TT) 13. What is the main function of the flux coating in electrodes? | इलेक्ट्रोड में फ्लक्स कोटिंग का मुख्य कार्य क्या है? A. To control arc temperature | आर्क के तापमान को नियंत्रित करने के लिए B. To increase welding current | वेल्डिंग करंट बढ़ाने के लिए C. To stabilize the arc | आर्क को स्थिर करने के लिए D. To prevent rusting | जंग लगने से रोकने के लिए 20 / 75 Category: Welder CBT Paper (TT) 14. What is the name of part marked as ‘X’ shown in the figure? | चित्र में दिखाए गए ‘X’ से चिह्नित भाग का नाम क्या है? A. Outer gasket | बाहरी गैसचप B. Nozzle | नोज़ल C. Electrode | रजिस्टर D. Resistor | रोकनेवाला 21 / 75 Category: Welder CBT Paper (TT) 15. How is the electrode size identified? | इलेक्ट्रोड आकार की पहचान कैसे की जाती है? A. Diameter (over all) of electrode इलेक्ट्रोड का व्यास (सभी) द्वारा B. Length of electrode | इलेक्ट्रोड की लंबाई द्वारा C. Diameter of inner core wire | आंतरिक कोर तार के व्यास द्वारा D. Thickness of flux coated | फ्लक्स की कोटिंग की मोटाई द्वारा 22 / 75 Category: Welder CBT Paper (TT) 16. Which welding is done by a small hand weld gun with a non-consumable electrode? | कौन सी वेल्डिंग एक छोटे हैंड वेल्ड गन द्वारा नॉन-कन्स्यूमेबल इलेक्ट्रोड के साथ की जाती है? A. Induction welding | इंडिक्शन वैल्डिंग B. SMAW | एसएमएडब्लू C. GMAW | जीएमएडब्लू D. GTAW | जीटीएवी 23 / 75 Category: Welder CBT Paper (TT) 17. Which polarity is used to weld aluminium by GTAW? | एल्यूमीनियम वेल्डिंग में किस प्रकार की ध्रुवता का उपयोग किया जाता है? A. Straight polarity | स्ट्रैट पोलेरिटी B. Reverse polarity | रिवर्स पोलरिटी C. AC Transformer | AC ट्रांसफ़ॉर्मर D. Rectifier set | रेक्टिफायर सेट 24 / 75 Category: Welder CBT Paper (TT) 18. What does the third digit of AWS codification in EB 5426HJX represent? | EB 5426HJX में AWS कोडीफीककेशन का तीसरा अंक क्या दर्शाता है? A. Type of covering | कवर करने का प्रकार B. Type of current | करंट का प्रकार C. Type of welding position | Type of welding position D. Type of tensile strength | तन्य शक्ति का प्रकार 25 / 75 Category: Welder CBT Paper (TT) 19. Which part of the hammer fits into the handle for it’s rigidity? | हथौड़ा का कौन सा हिस्सा इसकी कठोरता को संभालने के लिए इसके हैंडल मे फिट किया जाता है? A. Pein | पीन B. Wedge | वैज C. Cheek | चीक D. Face | फेस 26 / 75 Category: Welder CBT Paper (TT) 20. What is the expanded form of PQR? | PQR का विस्तारित रूप क्या है? A. Procedure Qualification Record | प्रक्रिया योग्यता रिकॉर्ड B. Procedure Quality Record | प्रक्रिया गुणवत्ता रिकार्ड C. Procedure Qualification Read | प्रक्रिया योग्यता पढ़ें D. Procedure Qualification Response | प्रक्रिया योग्यता प्रतिक्रिया 27 / 75 Category: Welder CBT Paper (TT) 21. What does the fourth digit indicate as per AWS electrode coding? | AWS इलेक्ट्रोड कोडिंग के अनुसार चौथा अंक क्या दर्शाता है? A. Tensile strength | तन्यता ताकत B. Welding current | वेल्डिंग करंट C. Welding position | वेल्डिंग की स्थिति D. Type of flux coating | फ्लक्स कोटिंग का प्रकार 28 / 75 Category: Welder CBT Paper (TT) 22. Which hand tool is used to remove excessive adhering slag after gas cutting? | गैस कटिंग के बाद अत्यधिक चिपकने वाले स्लैग को हटाने के लिए किस हाथ के उपकरण का उपयोग किया जाता है? A. Chisel | छेनी B. Chipping hammer | चिपिंग हैमर C. Flat file | फ्लैट फ़ाइल D. Ball peen hammer | बॉल पीन हैमर 29 / 75 Category: Welder CBT Paper (TT) 23. What is the effect of arc blow? | आर्क ब्लो का क्या प्रभाव होता है? A. Good penetration | गुड पेनेट्रेशन B. Good weld | गुड वेल्ड C. Poor fusion | पुअर फ्यूज़न D. Less spatters | लेस स्पैटर 30 / 75 Category: Welder CBT Paper (TT) 24. What is the name of the clamp shown in the figure? | चित्र में दिखाए गए क्लैंप का नाम क्या है? A. U - Clamp | U - क्लैंप B. C- Clamp | C- क्लैंप C. Screw clamp | स्क्रू क्लैंप D. Jig and fixture | जिग और फिक्स्चर 31 / 75 Category: Welder CBT Paper (TT) 25. Which disturbs the free flow of the shielding gas in GMAW? | GMAW में परिरक्षण गैस के मुक्त प्रवाह को कौन बाधित करता है? A. Coolant drifts | शीतलक ड्रिफ्ट B. Water drifts | वॉटर ड्रिफ्ट C. Air drifts | हवा बहती है D. Liquid drifts | तरल पदार्थ का बहावलिक्विड ड्रिफ्ट 32 / 75 Category: Welder CBT Paper (TT) 26. In which welding technique, the welding starts at the right hand edge and moves towards the left? | किस वेल्डिंग तकनीक में वेल्डिंग दाएं हाथ के किनारे से शुरू होकर बाएं की ओर बढ़ती है? A. Leftward | बाईं ओर B. Backward | पिछड़ा C. Up and Downward | ऊपर और नीचे की ओर D. Rightward | दाईं ओर 33 / 75 Category: Welder CBT Paper (TT) 27. What is the groove angle for single 'V' butt joint in GMAW? | GMAW में सिंगल 'V' बट जोड़ के लिए ग्रूव कोण क्या है? A. 25° to 30° B. 40° to 45° C. 10° to 20° D. 50° to 55° 34 / 75 Category: Welder CBT Paper (TT) 28. What is the name of the process shown in the figure? | चित्र में दिखाई गई प्रक्रिया का नाम क्या है? A. Metallization process | धातुकरण प्रक्रिया B. Hard facing process | हार्ड फेसिंग प्रक्रिया C. Cutting process | काटने की प्रक्रिया D. Welding process | वेल्डिंग की प्रक्रिया 35 / 75 Category: Welder CBT Paper (TT) 29. Which gas is lighter than air? | कौन सी गैस हवा से हल्की है? A. Hydrogen | हाइड्रोजन B. Carbon dioxide | कार्बन डाईऑक्साइड C. Argon | आर्गन D. Helium | हीलियम 36 / 75 Category: Welder CBT Paper (TT) 30. What happened if bench vice is over tightened? | बेंच वाइस को ज़्यादा कसने पर क्या होता है? A. Handle damaged | वर्क पीस डैमेज B. Work bench damaged | वर्क बेंच डैमेज C. Spindle damaged | स्पिंडल डैमेज D. Jaw damaged | जॉव डैमेज 37 / 75 Category: Welder CBT Paper (TT) 31. How many types of cast iron available? | कितने प्रकार के कास्ट आयरन उपलब्ध हैं? A. 4 B. 2 C. 5 D. 3 38 / 75 Category: Welder CBT Paper (TT) 32. What is the name of the part marked as ‘X’ shown in the figure? | चित्र में दिखाए गए ‘X’ से चिह्नित भाग का नाम क्या है? A. Centre guide | केंद्र गाइड B. Idler gear | आईडलर गियर C. Gear box | गियर बॉक्स D. Wire feed roller | वायर फीड रोलर 39 / 75 Category: Welder CBT Paper (TT) 33. Which cylinder is fitted with safety fuse plug? | किस सिलेंडर में सुरक्षा फ्यूज प्लग लगा होता है? A. Oxygen | ऑक्सीजन B. Argon | आर्गन C. Acetylene | एसिटिलीन D. Carbon-di-oxide | कार्बन-डाई-ऑक्साइड 40 / 75 Category: Welder CBT Paper (TT) 34. What is the effect shown in figure? | चित्र में दिखाए गए प्रभाव क्या है? A. Electro magnetic | इलेक्ट्रो मैग्नेटिक B. Gravity force | गुरुत्वाकर्षण बल C. Surface tension | सरफेस टेंशन D. Gas expansion | गैस एक्सपेंशन 41 / 75 Category: Welder CBT Paper (TT) 35. Which term refers to the width of parent metal affected by thermal cycle? | कौन सा शब्द थर्मल साइकिल से प्रभावित मूल धातु की चौड़ाई को संदर्भित करता है? A. Over lapping | ओवर लैपिंग B. Heat affected zone | गर्मी प्रभावित क्षेत्र C. Crater | क्रेटर D. Under cut | अंडर कट 42 / 75 Category: Welder CBT Paper (TT) 36. What is the name of part marked as ‘X’shown in the figure? | चित्र में दिखाए गए ‘X’ से चिह्नित भाग का नाम क्या है? A. Air cylinder | एयर सिलेंडर B. Electrode | इलेक्ट्रोड C. Pivot point | पाइवोट पॉइंट D. Rocker arm | रॉकर आर्म 43 / 75 Category: Welder CBT Paper (TT) 37. Which devices are provided to reflect the light coming to the ends of ruby rod in laser beam welding? | लेजर बीम वेल्डिंग में रूबी रॉड के सिरों पर आने वाले प्रकाश को परावर्तित करने के लिए कौन से उपकरण प्रदान किए जाते हैं? A. Laser tube | लेजर ट्यूब B. Reflecting mirrors | प्रतिबिंबित दर्पण C. Shutter | शटर D. Flash lamps | फ्लैश लैंप 44 / 75 Category: Welder CBT Paper (TT) 38. What is defect in welded job to change its size and shape permanently? | वेल्डेड जॉब में क्या दोष है जिससे उसका आकार और आकृति स्थायी रूप से बदल जाती है? A. Incomplete | अपूर्ण B. Arc blow | आर्क ब्लो C. Spatters | स्पैटर D. Distortion | विरूपण 45 / 75 Category: Engineering Drawing CBT Paper (I) 1. Identify the name of tool? | उपकरण का नाम पहचानें? A. Ring spanner | गोल पाना B. Adjustable spanner | समायोज्य औजार C. Combination spanner | संयोजन स्पैनर D. Open end spanner | ओपन एंड स्पैनर 46 / 75 Category: Engineering Drawing CBT Paper (I) 2. Is arrow head is correct as per standard?/ मानक के अनुसार तीर शीर्ष सही है या नहीं ? A. No / नहीं B. Yes / हाँ 47 / 75 Category: Engineering Drawing CBT Paper (I) 3. Is this single stroke inclined letter 'A' is correct as per IS standard? | IS मानक के अनुसार क्या यह सिंगल स्ट्रोक वर्टिकल लेटर 'A' सही है? A. Option A | विकल्प A B. Option C | विकल्प C C. Option D | विकल्प D D. Option B | विकल्प B 48 / 75 Category: Engineering Drawing CBT Paper (I) 4. Identify the name of the triangle? | त्रिभुज का नाम लिखिए? A. Equilateral triangle समभुज त्रिकोण B. Scalene triangle विषमबाहु त्रिकोण C. Right angle triangle | समकोण त्रिभुज D. Isosceles triangle समद्विबाहु त्रिकोण 49 / 75 Category: Engineering Drawing CBT Paper (I) 5. Which arrow head is correct as per standard? मानक के अनुसार कौन सा तीर शीर्ष सही है? A. Option A | विकल्प A B. Option B | विकल्प B C. Option D | विकल्प D D. Option C | विकल्प C 50 / 75 Category: Engineering Drawing CBT Paper (I) 6. Identify the conventional symbol of material? | सामग्री के पारंपरिक प्रतीक को पहचानें? A. Steel | स्टील B. Glass | कांच C. Porcelain | चीनी मिटटी D. Lead | लेड 51 / 75 Category: Employability Skill CBT Paper (I) 1. Which punctuation mark should be used in the following sentence? Is there any site engineer here निम्नलिखित वाक्य में किस विराम चिह्न का प्रयोग किया जाना चाहिए? Is there any site engineer here A. ! (exclamation) | ! (एक्स्क्लामेशन) B. . (full stop) | (फुल स्टॉप) C. ? (question mark) | ? (प्रशन चिंह) D. , (comma) | , (कोमा) 52 / 75 Category: Employability Skill CBT Paper (I) 2. Which among these are not good manners while travelling by public transport? | इनमें से कौन सा सार्वजनिक परिवहन से यात्रा करते समय अच्छे शिष्टाचार नहीं हैं? A. Be polite to fellow passengers and staff. | साथी यात्रियों और कर्मचारियों के प्रति विनम्र रहें। B. Push back our seat without checking with the person on the back seat | पिछली सीट पर बैठे व्यक्ति से जाँच किए बिना हमारी सीट को पीछे धकेलें C. Speak in a low voice. | धीमी आवाज में बोलें। D. Follow the instructions of the cabin manager. | केबिन मैनेजर के निर्देशों का पालन करें। 53 / 75 Category: Employability Skill CBT Paper (I) 3. Best way to identify customers needs is _____________ | ग्राहकों की जरूरतों की पहचान करने का सबसे अच्छा तरीका _________________ है A. Through 3rd person | तीसरे व्यक्ति के माध्यम से B. By observation and Message | अवलोकन और संदेश द्वारा C. By advertising on newspaper | अखबार पर विज्ञापन देकर D. By talking to them and survey | उनसे बात करके और सर्वे करके 54 / 75 Category: Employability Skill CBT Paper (I) 4. This intention to move out of one’s place to another for better jobs is called _________. | बेहतर नौकरियों के लिए एक स्थान से दूसरे स्थान पर जाने के इस इरादे को _________ कहा जाता है। A. Mitigation | शमन B. Migration | प्रवास C. Irrigation | सिंचाई D. Litigation | अभियोग 55 / 75 Category: Employability Skill CBT Paper (I) 5. Choose the correct punctuation mark after the word “Rohan” in the given sentence. “Rohan David and Ram are playing hide and seek” | दिए गए वाक्य में शब्द "रोहन" के बाद सही विराम चिह्न चुनें।“Rohan David and Ram are playing hide and seek” A. Slash (/) | स्लैश (/) B. Hyphen (-) | हाइफ़न (-) C. Period (_) | अवधि (_) D. Comma (,) | अल्पविराम (,) 56 / 75 Category: Employability Skill CBT Paper (I) 6. Computer network that spans a regional, national or global area is called __________ | कंप्यूटर नेटवर्क, जो एक क्षेत्रीय, राष्ट्रीय या वैश्विक क्षेत्र तक फैला होता है, उसे ............ कहा जाता है l A. CAN | कैन B. WAN | वैन C. MAN | मैन D. LAN | लैन 57 / 75 Category: Employability Skill CBT Paper (I) 7. Today's weather is going to be _________________. | आज का मौसम _________ होने जा रहा है। A. Warm | गरम B. Hopeful | आशापूर्ण C. Urgent | बहुत ज़रूरी D. Blue | नीला 58 / 75 Category: Employability Skill CBT Paper (I) 8. What is a shortcut key for “select all” command? | "सेलेक्ट ऑल" कमांड के लिए एक शॉर्टकट की (कुंजी) क्या है? A. Ctrl + X | कंट्रोल + X B. Ctrl + C | कंट्रोल + C C. Ctrl + A | कंट्रोल + A D. Ctrl + V | कंट्रोल + V 59 / 75 Category: Employability Skill CBT Paper (I) 9. Which one is a cybercrime? | कौन सा एक साइबर क्राइम है? A. Sending email | ईमेल भेजना B. Online gambling | ऑनलाइन जुआ खेलना C. Chatting with friends | दोस्तों से चैट करना D. Online purchasing | ऑनलाइन खरीदारी करना 60 / 75 Category: Employability Skill CBT Paper (I) 10. How the wide range of depth can be measured by depth micrometer? | डेप्थ माइक्रोमीटर द्वारा ज्यादा रेंज की गहराई को कैसे मापा जा सकता है? A. Lengthy spindle | लम्बी स्पिंडल के द्वारा B. Equipped with a set of extension rods | एक्सटेंशन रॉड्स के एक सेट के द्वारा C. Lengthy sleeve | लम्बी स्लीव के द्वारा D. Adjustable base | समायोज्य बेस के द्वारा 61 / 75 Category: Employability Skill CBT Paper (I) 11. What approach is used to gain access to foreign markets and quickly promote an organizations interest? | विदेशी बाजारों तक पहुंच प्राप्त करने और संगठनों के हित को जल्दी बढ़ावा देने के लिए किस दृष्टिकोण का उपयोग किया जाता है? A. Collaboration | सहयोग B. Joint venture | संयुक्त उद्यम C. Technology transfer | तकनीकी हस्तांतरण D. Licensing | लाइसेंसिंग 62 / 75 Category: Employability Skill CBT Paper (I) 12. Which one is 3P’s of public speaking? | पब्लिक स्पीकिंग की 3 P क्या है? A. Perfection, Performance, Painstaking | परफेक्शन, परफॉरमेंस, पैंसटेकिंग B. Prepare, Practice, Perform | प्रीपेयर, प्रैक्टिस, परफॉर्म C. Possess, Present, Practice | प्रोस्सेस, प्रेजेंट, प्रैक्टिस D. Publish, Pleasant, Perfect | पब्लिश, प्लीजेंट, परफेक्ट 63 / 75 Category: Employability Skill CBT Paper (I) 13. Choose the correct tense of the verb. “I __________music when I was child” | क्रिया का सही काल चुनें। “I __________music when I was child” A. am learning | सीख रहा हूँ B. learn | सीखता हूँ C. will learn | सीखूंगा D. had learnt | सीखा था 64 / 75 Category: Employability Skill CBT Paper (I) 14. CPU stands for ________ | "CPU" से तात्पर्य है A. Central Programming Unit | सेंट्रल प्रोग्रामिंग यूनिट B. Central Progress Unit | सेंट्रल प्रोग्रेस यूनिट C. Central Processing Unit | सेंट्रल प्रोसेसिंग यूनिट D. Central Planning Unit | सेंट्रल प्लानिंग यूनिट 65 / 75 Category: Employability Skill CBT Paper (I) 15. In face to face communication, body language accounts for ___________ | आमने-सामने के संचार में, ___________ बॉडी लैंग्वेज होती हैं A. 7% B. 100% C. 38% D. 55% 66 / 75 Category: Employability Skill CBT Paper (I) 16. When you speak to a person, you need to _______ | जब आप किसी व्यक्ति से बात करते हैं, तो आप ________ A. Stare at the person | व्यक्ति को घूरें B. Look at the floor | मंजिल को देखो C. Look away from the person | व्यक्ति से दूर देखो D. Look at the person in a friendly manner | व्यक्ति को मित्रतापूर्ण तरीके से देखें। 67 / 75 Category: Employability Skill CBT Paper (I) 17. Which one is an email etiquette? | एक ईमेल शिष्टाचार कौन सा है? A. Forward false messages | झूठे संदेशों को फॉरवर्ड करना B. Send virus infected mail | वायरस संक्रमित मेल भेजना C. Keep email short | ईमेल को छोटा रखना D. Use all caps or small letter in email | ईमेल में सभी कैप या छोटे अक्षर का उपयोग करें 68 / 75 Category: Employability Skill CBT Paper (I) 18. What actions should be taken after getting to know customer suggestions/problems? | ग्राहक के सुझावों/समस्याओं को जानने के बाद क्या कार्रवाई की जानी चाहिए? A. Ask, Categorize, Act, Followup | पूछें, वर्गीकृत करें, अधिनियम, अनुवर्ती कार्रवाई B. Ask, Solve | पूछो, हल करो C. Ask, Followup | पूछो, फॉलोअप D. Ask, Act, Categorize | पूछें, अधिनियम, वर्गीकृत करें 69 / 75 Category: Employability Skill CBT Paper (I) 19. It is also important to pay attention to customer's _________ when probing. | जांच करते समय ग्राहक के _________ पर ध्यान देना भी महत्वपूर्ण है। A. Dreams | सपने B. Body language | शरीर की भाषा C. Friends | मित्र D. Personal needs | व्यक्तिगत जरूरतें 70 / 75 Category: Employability Skill CBT Paper (I) 20. Probing questions helps you ______ | जांच करने वाले प्रश्न आपकी मदद करते हैं… A. To introduce yourself well to the customer. | ग्राहक को अपना परिचय अच्छे से देना। B. Building trust so you can receive honest feedback. | विश्वास का निर्माण करें ताकि आप ईमानदार प्रतिक्रिया प्राप्त कर सकें। C. To identify customer's specific needs | ग्राहक की विशिष्ट आवश्यकताओं की पहचान करने के लिए D. To learn customer's pain point | ग्राहक के दर्द बिंदु जानने के लिए 71 / 75 Category: Employability Skill CBT Paper (I) 21. Which of these should be considered while making decisions? | निर्णय लेते समय इनमें से किस पर विचार किया जाना चाहिए? A. The rules of your community | आपके समुदाय के नियम B. Your personal priorities. | आपकी व्यक्तिगत प्राथमिकताएं C. Your mood | तुम्हारा मिज़ाज D. The choices of your friends | आपके दोस्तों की पसंद 72 / 75 Category: Employability Skill CBT Paper (I) 22. Needs, wants, luxury correct examples are…. | जरूरतें, चाहतें, विलासिता सही उदाहरण हैं…। A. i) need- costly phone ii) want- eating out iii) luxury- house to live | i) जरूरत- महंगा फोन ii) जरूरत- बाहर खाना iii) लग्जरी- रहने के लिए घर B. i) need-eating out ii) want-house to live iii) luxury-costly phone | i) जरूरत-बाहर खाना ii) रहने के लिए घर iii) लग्जरी-महंगा फोन C. i) need-costly phone ii) want- house to live iii) luxury-eating out | i) जरूरत-महंगा फोन ii) चाहत- रहने के लिए घर iii) लग्जरी-बाहर खाना D. i) need-house to live ii) want-eating out iii) luxury-costly phone | i) रहने के लिए घर ii) जरूरत- बाहर खाना iii) लग्जरी-महंगा फोन 73 / 75 Category: Employability Skill CBT Paper (I) 23. Word that is pronounced the same as another word but differs in meaning is called __________ | वह शब्द जो किसी दूसरे शब्द के समान होता है, लेकिन अर्थ में भिन्न होता है, जिसे __________________ कहा जाता है A. syllable | शब्दांश B. diphthong | संयुक्त स्वर C. homograph | होमोग्रफ़ D. homophone | होमोफ़ोन 74 / 75 Category: Employability Skill CBT Paper (I) 24. 21st century workplace skills help you to get employed…… | 21वीं सदी के कार्यस्थल कौशल आपको रोजगार पाने में मदद करते हैं……। A. only when market is growing | केवल जब बाजार बढ़ रहा है B. only with higher qualification | केवल उच्च योग्यता के साथ C. even job market keep changing | यहां तक कि जॉब मार्केट भी बदलता रहता है D. very difficult | बहुत कठिन 75 / 75 Category: Employability Skill CBT Paper (I) 25. What is a comfort zone? | कम्फर्ट जोन क्या है? A. Our familiar lifestyle and behaviour is our comfort zone | हमारी परिचित जीवन शैली और व्यवहार ही हमारा आराम क्षेत्र है। B. It is a place where we go to sleep. | यह वह जगह है जहाँ हम सोने जाते हैं। C. It is a place where children live. | यह वह जगह है जहाँ बच्चे रहते हैं। D. A place designed in airport for resting. | आराम करने के लिए हवाई अड्डे में डिज़ाइन की गई जगह। Your score isThe average score is 10% 0% Restart quiz Exit Trade Theory Employability Skill Workshop Calculation & Science Engineering Drawing Welder CBT Paper WhatsApp और YouTube चैनल से जुड़े ↓ Facebook Instagram Youtube Whatsapp अत्यधिक चर्चा में No posts found. अत्यधिक चर्चा में Architectural Draughtsman Practice Set -5 Architectural Draughtsman Practice Set -4 Architectural Draughtsman Practice Set -3 Architectural Draughtsman Practice Set -2 Architectural Draughtsman Practice Set -1 Industrial Robotics Practice Set -5 Industrial Robotics Practice Set -4 Industrial Robotics Practice Set -3