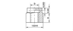
WWT CBT Paper – Free Practice Set -03By itikegyani.com / June 3, 2025 /75 0 यह पेपर 2 घंटे का है 2 घंटे बाद पेपर अपने आप सबमिट हो जायेगा और आप चाहें तो 2 घंटे से पहले भी सबमिट कर सकते है| पेपर देने के लिए आपको हमारी वेबसाइट पर login करना अनिवार्य है| सॉरी समय समाप्त हो गया| Wood Work Technician CBT Paper (Quiz - 03) इस पेपर में 75 प्रशन है जिसमे Trade Tehory के 38 प्रशन, Workshop Calculation and Science के 06 प्रशन, Engineering Drawing के 06 प्रशन, Employability Skill के 25 प्रशन , प्रत्येक प्रशन 2 मार्क्स का है और किसी प्रकार की नेगेटिव मार्किंग नहीं है| 1 / 75 Category: Engineering Drawing CBT Paper (I) 1. Identify the name of set square? | सेट स्क्वायर का नाम खोजें? A. 30° set square | 30° सेट स्क्वायर B. 45° set square | 45° सेट स्क्वायर C. 15° set square |15° सेट स्क्वायर D. 60° set square | 60° सेट स्क्वायर 2 / 75 Category: Engineering Drawing CBT Paper (I) 2. Identify the conventional symbol of material? | सामग्री के पारंपरिक प्रतीक को पहचानें? A. Glass | कांच B. Porcelain | चीनी मिटटी C. Lead | लेड D. Steel | स्टील 3 / 75 Category: Engineering Drawing CBT Paper (I) 3. Identify the name of the triangle? | त्रिभुज का नाम लिखिए? A. Right angle triangle | समकोण त्रिभुज B. Equilateral triangle समभुज त्रिकोण C. Isosceles triangle समद्विबाहु त्रिकोण D. Scalene triangle विषमबाहु त्रिकोण 4 / 75 Category: Engineering Drawing CBT Paper (I) 4. Identify the name of tool? | उपकरण का नाम पहचानें? A. Open end spanner | ओपन एंड स्पैनर B. Adjustable spanner | समायोज्य औजार C. Combination spanner | संयोजन स्पैनर D. Ring spanner | गोल पाना 5 / 75 Category: Engineering Drawing CBT Paper (I) 5. Identify the name of instrument?/ चित्र में दिखाए गए उपकरणों के नाम की पहचान करें? A. French curve / फ़्रांसीसी वक्र B. ' T ' square / टी स्क्वायर C. Set square / गुनिया D. Protractor / चांदा 6 / 75 Category: Engineering Drawing CBT Paper (I) 6. Isndimension correctly marked in the circle as per standard?/ मानक के अनुसार सर्कल में क्या आयाम सही ढंग से चिह्नित है? A. Yes / हाँ B. No / नहीं 7 / 75 Category: Workshop Calculation and Science CBT Paper (I) 1. What is the density of aluminium? | एल्यूमीनियम का घनत्व कितना होता है? A. 3.7 g/cmᶾ | 3.7 ग्राम/सेमीᶾ B. 2.7 g/cmᶾ | 2.7 ग्राम/सेमीᶾ C. 3.7 g/cmᶾ | 3.7 ग्राम/सेमीᶾ D. 4.7 g/cmᶾ | 4.7 ग्राम/सेमीᶾ 8 / 75 Category: Workshop Calculation and Science CBT Paper (I) 2. What is termed as the quantity of matter contained in a body? | वस्तु में निहित पदार्थ की मात्रा को क्या कहा जाता है? A. Mass | द्रव्यमान B. Density | घनत्व C. Volume | आयतन D. Specific gravity | विशिष्ट गुरुत्व 9 / 75 Category: Workshop Calculation and Science CBT Paper (I) 3. What is the primeter of scalene. Triangle having sides of 40mm, 20mm and 28mm? | उस विषमभुज त्रिकोण का परिमाप क्या होगा, जिसकी भुजाओं की माप 40 मिमी, 20 मिमी व 28 मिमी है? A. 88 mm | 80 मीमी B. 68 mm | 60 मीमी C. 98 mm | 98 मीमी D. 78 mm | 78 मीमी 10 / 75 Category: Workshop Calculation and Science CBT Paper (I) 4. What is the name of furnace to obtain cast iron? | कच्चा लोहा प्राप्त करने के लिए भट्ठी का क्या नाम है? A. Steel - Rever battery | स्टील - रेवर बैटरी B. Mild steel - Blast furnace | माइल्ड स्टील - ब्लास्ट फर्नेस C. Cupola | कपोला D. Alloy metal - Electric furnace | एलॉय मेटल - इलेक्ट्रिक फर्नेस 11 / 75 Category: Workshop Calculation and Science CBT Paper (I) 5. How many degrees is equal to one radian? | एक डिग्री कितने रेडियन के बराबर होता है? A. 360°/π B. π°/180 C. 180°/π D. π°/360 12 / 75 Category: Workshop Calculation and Science CBT Paper (I) 6. Which cast iron cannot be welded? | इनमेसे कोनसा ढलवां लोहा की वेल्डींग नहीं किया जा सकता है? A. Malleable cast iron | पिटवां ढलवां लोहा B. Nodular cast iron | गांठदार ढलवां लोहा C. White cast iron | सफेद ढलवां लोहा D. Grey cast iron | धूसर ढलवां लोहा 13 / 75 Category: Wood Work Technician CBT Paper (TT) 1. How much should a saw guide post be adjusted above the job for clearance? | बैंड सॉ मशीन में जॉब के ऊपर सॉ गाइड पोस्ट की ऊंचाई के लिए समायोजन कितने से किया जाता है? A. 40 mm | 40 मिमी B. 20 mm | २० मिमी C. 30 mm | 30 मिमी D. 10 mm | 10 मिमी 14 / 75 Category: Wood Work Technician CBT Paper (TT) 2. Which part is used to adjust tension of the chain in mortise machine? | मोर्टिस मशीन में चेन के तनाव को समायोजित करने के लिए किस भाग का उपयोग किया जाता है A. Hand wheel | हैंड व्हील B. Depth gauge | डेप्थ गेज C. Guide bar | गाइड बार D. Operating handle | ऑपरेटिंग हैंडल 15 / 75 Category: Wood Work Technician CBT Paper (TT) 3. Which chisel is used for different shoulder cuts according to the dimensions in the turning work? | टर्निंग वर्क में आयामों के अनुसार विभिन्न शोल्डर काटने के लिए किस चीजल का उपयोग किया जाता है? A. Spear point chisel | स्पीयर पॉइंट चीजल B. Round nose chisel | राउंड नोज़ चीजल C. Parting chisel | पार्टिंग चीजल D. Gouge chisel | गॉज चीजल 16 / 75 Category: Wood Work Technician CBT Paper (TT) 4. What is the name of the part marked as ‘X’ shown in the figure? | चित्र में दिखाए गए 'X' के रूप में चिह्नित भाग का नाम क्या है? A. Scale for table height | टेबल हाइट के लिए स्केल B. Table lock | टेबल लॉक C. Table elevating hand wheel | टेबल एलवैटिंग हैंड व्हील D. Table elevating screw | टेबल एलवैटिंग स्क्रू 17 / 75 Category: Wood Work Technician CBT Paper (TT) 5. What is the name of the part marked as ‘X’ shown in the figure? | चित्र में दिखाए गए 'X' के रूप में चिह्नित भाग का नाम क्या है? A. Wheel guard | व्हील गार्ड B. Grinding wheel | ग्राइंडिंग व्ही C. Eye shield | आई शील्ड D. Coolant container | कूलेंट कंटेनर 18 / 75 Category: Wood Work Technician CBT Paper (TT) 6. What is the use of portable power disc sander machine? | पोर्टेबल पावर डिस्क सैंडर मशीन का क्या उपयोग है? A. Smoothing for groove surface | ग्रूव की सतह के लिए चिकना करना B. Smoothing for curves surface | घुमावदार सतह के लिए चिकना करना C. Smoothing for rough surface quickly | खुरदरी सतह को जल्दी से चिकना करना D. Smoothing for convex surface | उत्तल सतह के लिए चिकना करना 19 / 75 Category: Wood Work Technician CBT Paper (TT) 7. Which determines the size of circular saw machine? | सर्कुलर सॉ मशीन का आकार किसके द्वारा निर्धारित होता है? A. Small diameter the circular blade | सर्कुलर ब्लेड के छोटा व्यास B. Maximum diameter the circular blade | सर्कुलर ब्लेड के अधिकतम व्यास C. Minimum diameter the circular blade | सर्कुलर ब्लेड के न्यूनतम व्यास D. Medium diameter the circular blade | सर्कुलर ब्लेड के मध्यम व्यास 20 / 75 Category: Wood Work Technician CBT Paper (TT) 8. Which timber is used in the manufacturing of boiling water proof plywood? | बॉइलिंग वाटर प्रूफ प्लाईवुड के निर्माण में किस लकड़ी का उपयोग किया जाता है? A. Bamboo, coconut and lingo stone | बांस, नारियल और लिंगो स्टोन B. Teak, maple and sissoo | टीक, मेपल और सिसो C. Sal, babul and kail | साल, बबूल और कैल D. Chir, deodar and palm | चीर, देवदार और ताड़ 21 / 75 Category: Wood Work Technician CBT Paper (TT) 9. What is the name of the part marked as ‘x’ shown in the figure? | चित्र में दिखाए गए 'x' के रूप में चिह्नित भाग का नाम क्या है? A. Tail stock | टेल स्टॉक B. Headstock | हेडस्टॉक C. Tool rest | टूल रेस्ट D. Tool rest clamp | टूल रेस्ट क्लैंप 22 / 75 Category: Wood Work Technician CBT Paper (TT) 10. Which screw has two slots at right angles? | किस स्क्रू में समकोण पर दो स्लॉट हैं? A. Coach screw | कोच स्क्रू B. Phillips head screw | फिलिप्स हेड स्क्रू C. Square head screw | स्क्वायर हेड स्क्रू D. Raised head screw | उठा हुआ हेड वाला स्क्रू 23 / 75 Category: Wood Work Technician CBT Paper (TT) 11. What is the name of the tool shown in the figure? | चित्र में दिखाए गए उपकरण का नाम क्या है? A. Drill set | ड्रिल सेट B. Wrench set | रिंच सेट C. Tap set | टैप सेट D. Punch set | पंच सेट 24 / 75 Category: Wood Work Technician CBT Paper (TT) 12. Which type of modular kitchen material is easier to work? | मॉड्यूलर किचन की किस प्रकार की सामग्री से काम करना आसान है? A. Solid wood | ठोस लकड़ी B. Plywood | प्लाईवुड C. Stainless steel | स्टेनलेस स्टील D. Medium density fibre board | मध्यम घनत्व फाइबर बोर्ड 25 / 75 Category: Wood Work Technician CBT Paper (TT) 13. What is the name of the part marked as ‘X’ shown in the figure? | चित्र में दिखाए गए ‘X’ के रूप में चिह्नित भाग का नाम क्या है? A. Head | हेड B. Brace | ब्रेस C. Middle ledge | मिडल लेज D. Top ledged | टॉप लेज्ड 26 / 75 Category: Wood Work Technician CBT Paper (TT) 14. What is the name of the joint shown in the figure? | जॉइंट का नाम क्या है? A. Mitre corner bridle joint | मेटर कॉर्नर ब्रीडल जॉइंट B. Tee - bridle joint | टी - ब्रिडल जॉइंट C. Housing joint | हाउसिंग जॉइंट D. Corner bridle joint | कॉर्नर ब्रिडल जॉइंट 27 / 75 Category: Wood Work Technician CBT Paper (TT) 15. What is the sequence of setting reference at 35o in planning machine? | प्लानिंग मशीन में 35o पर सेटिंग संदर्भ का क्रम क्या है? A. Setting the table | टेबल को सेट करना B. Setting the cutter | कटर सेट करना C. Setting the guard | गार्ड सेट करना D. Setting work for chamfering | चैम्फरिंग के लिए वर्क सेट करना 28 / 75 Category: Wood Work Technician CBT Paper (TT) 16. Which wood work makes the door frame and door shutters attractive? | कौन सी लकड़ी का काम दरवाजे के फ्रेम और दरवाजे के शटर को आकर्षक बनाता है? A. Screwing | स्क्रू लगाना B. Glueing | चिपकाना C. Carving | नक्काशी D. Nailing | कील लगाना 29 / 75 Category: Wood Work Technician CBT Paper (TT) 17. Where the screws are driven in a bevel scarf joints? | बेवल स्कार्फ़ जॉइन्ट में स्क्रू कहाँ लगाए जाते हैं? A. Centre surface | केंद्र की सतह B. Bottom surface | नीचे की सतह C. Top and bottom surfaces | ऊपर और नीचे की सतह D. Top surface | ऊपरी सतह 30 / 75 Category: Wood Work Technician CBT Paper (TT) 18. What is the width and thickness for stool legs? | स्टूल के पैरों की चौड़ाई और मोटाई क्या है? A. 80mm x 80mm | 80 मिमी x 80 मिमी B. 65mm x 65mm | 65 मिमी x 65 मिमी C. 50mm x 50mm | 50 मिमी x 50 मिमी D. 70mm x 70mm | 70 मिमी x 70 मिमी 31 / 75 Category: Wood Work Technician CBT Paper (TT) 19. Which tool is used for support of sawing in band saw machine? | बैंड सॉ मशीन में सॉइंग को सपोर्ट करने के लिए किस उपकरण का उपयोग किया जाता है? A. Iron bar | आयरन बार B. Wooden rule | वुडेन रूल C. Cork block | कॉर्क ब्लॉक D. Push stick | पुश स्टिक 32 / 75 Category: Wood Work Technician CBT Paper (TT) 20. What is the name of the nut shown in the figure? | चित्र में दिखाए गए नट का नाम क्या है? A. Cap nut | कैप नट B. Square nut | स्क्वायर नट C. Dome nut | डोम नट D. Hexagonal nut | हेक्सागोनल नट 33 / 75 Category: Wood Work Technician CBT Paper (TT) 21. What is the benefit of the stain? | स्टेन का क्या लाभ है? A. Cover screw head | स्क्रू हेड को कवर करना B. Cover the cracks | दरारें ढकना C. Avoid the cheek | चीक से बचें D. Uniform colour | समान रंग 34 / 75 Category: Wood Work Technician CBT Paper (TT) 22. What is the advantage of an aluminium window? | एल्युमीनियम की खिड़की का क्या फ़ायदा है? A. Light in weight | वजन में हल्का B. Weight | वजन C. High density | ज़्यादा घनत्व D. Minimum shrink | न्यूनतम सिकुड़न 35 / 75 Category: Wood Work Technician CBT Paper (TT) 23. What is the name of the spanner shown in the figure? | चित्र में दिखाए गए स्पैनर का नाम क्या है? A. Wrench spanner | रिंच स्पैनर B. Ring spanner | रिंग स्पेनर C. Double end spanner | डबल एंड स्पैनर D. Single end spanner | सिंगल एंड स्पैनर 36 / 75 Category: Wood Work Technician CBT Paper (TT) 24. What is the easy method to assemble P.V.C door? | PVC दरवाजे को असेंबल करने की आसान विधि क्या है? A. Uniform texture | समान बनावट B. Minimum warping | न्यूनतम विरूपण C. Cut and joining quickly | जल्दी से कट और जुड़ना D. Minimum shrinkage | न्यूनतम सिकुड़न 37 / 75 Category: Wood Work Technician CBT Paper (TT) 25. What is the name of the bolt shown in the figure? | चित्र में दिखाए गए बोल्ट का नाम क्या है? A. Counter sunk head bolt | काउंटर संक हेड बोल्ट B. Hook bolt | हुक बोल्ट C. Eye bolt | आई बोल्ट D. T- head bolt | टी-हेड बोल्ट 38 / 75 Category: Wood Work Technician CBT Paper (TT) 26. What is the name of drill bit? | ड्रिल बिट का क्या नाम है? A. Forstner bit | फोर्स्टनर बिट B. Centre bit | सेंटर बिट C. Expansion bit | एक्सपेंशन बिट D. Dowel bit | डॉवेल बिट 39 / 75 Category: Wood Work Technician CBT Paper (TT) 27. Which method of sawing is done very quickly? | सॉइंग की कौन सी विधि बहुत जल्दी की जाती है? A. Quarter sawing | क्वार्टर सॉइंग B. Tangential sawing | टैंजेन्शियल सॉइंग C. Box sawing | बॉक्स सॉइंग D. Radial sawing | रेडियल सॉइंग 40 / 75 Category: Wood Work Technician CBT Paper (TT) 28. What is the purpose of a window in the building? | बिल्डिंग में खिड़की का उद्देश्य क्या है? A. Temperature drop | तापमान में गिरावट के लिए B. Support the building | बिल्डिंग को सहारा देने के लिए C. To get light and air | प्रकाश और हवा प्राप्त करने के लिए D. Support the surface wall | सतह की दीवार को सहारा देने के लिए 41 / 75 Category: Wood Work Technician CBT Paper (TT) 29. Which part is used to adjust tension of the chain in mortise machine? | मोर्टिस मशीन में चेन के तनाव को समायोजित करने के लिए किस भाग का उपयोग किया जाता है A. Guide bar | गाइड बार B. Depth gauge | डेप्थ गेज C. Operating handle | ऑपरेटिंग हैंडल D. Hand wheel | हैंड व्हील 42 / 75 Category: Wood Work Technician CBT Paper (TT) 30. What is the percentage estimate of over head cost? | ओवरहेड लागत का प्रतिशत एस्टिमेट क्या है? A. 2% B. 1% C. 4% D. 3% 43 / 75 Category: Wood Work Technician CBT Paper (TT) 31. Which one involves general discipline of institute? | इनमें से कौन संस्थान के सामान्य अनुशासन को शामिल करता है? A. Keep the tools at their proper place | टूल्स को उनके उचित स्थान पर रखें B. Keep the floor and gangway clean | फर्श और गैंगवे को साफ रखना C. Use correct tools for the job | जॉब के लिए सही टूल्स का इस्तेमाल करना D. Avoid polluting environment | पर्यावरण को प्रदूषित होने से बचाना 44 / 75 Category: Wood Work Technician CBT Paper (TT) 32. What is the selection for lengthening joint? | लेंग्थेनिंग जॉइन्ट के लिए क्या चयन किया जाता है? A. Support the loads | भार को सहारा देना B. Size of wood | लकड़ी का आकार C. Types of timber | टिम्बर के प्रकार D. Fine texture timber | महीन बनावट वाली लकड़ी 45 / 75 Category: Wood Work Technician CBT Paper (TT) 33. Which is a property of timber is used for sports goods and wooden floors? | टिम्बर का कौन सा गुण खेल के सामान और लकड़ी के फर्श के लिए उपयोग किया जाता है? A. Weather resistance | मौसम प्रतिरोध B. Toughness | चीमड़पन C. Elasticity | प्रत्यास्तथा D. Fire resistance | अग्नि प्रतिरोध 46 / 75 Category: Wood Work Technician CBT Paper (TT) 34. Which tool is used to check the squareness of edge? | किनारे की सतह और खुरदरापन की जांच करने के लिए किस उपकरण का उपयोग किया जाता है? A. Plumb bob | प्लंब बॉब B. Bevel square | बेवल स्क्वायर C. Try square | ट्राई स्क्वायर D. Straight edge | स्टैण्डर्ड वायर गेज 47 / 75 Category: Wood Work Technician CBT Paper (TT) 35. What is used for sawing across the grains of timber? | टिम्बर के रेशों के आर-पार काटने के लिए क्या उपयोग किया जाता है? A. Rip saw | रिप सॉ B. Dovetail saw | डवटेल सॉ C. Tenon saw | टेनन सॉ D. Cross cut saw | क्रॉस कट सॉ 48 / 75 Category: Wood Work Technician CBT Paper (TT) 36. What is the name of the part marked as ‘X’ shown in the figure? | चित्र में दिखाए गए ‘X’ से चिह्नित भाग का नाम क्या है? A. Wall plate | वॉल प्लेट B. Airspace | एयरस्पेस C. Herring bone strutting | हेरिंग बोन स्ट्रटिंग D. Wedges | वेज 49 / 75 Category: Wood Work Technician CBT Paper (TT) 37. What is the name of PPE is used to protect from noise while grinding? | ग्राइंडिंग करते समय शोर से बचाने के लिए किस PPE का इस्तेमाल किया जाता है? A. Nose Mask | नोज मास्क B. Helmet | हेलमेट C. Goggle | गॉगल D. Ear plug | ईयर प्लग 50 / 75 Category: Wood Work Technician CBT Paper (TT) 38. Which building construction material is very light in weight? | कौन सी बिल्डिंग निर्माण सामग्री वजन में बहुत हल्की होती है? A. Aluminium | एल्यूमीनियम B. Iron | लोहा C. Concrete | कंक्रीट D. PVC | पीवीसी 51 / 75 Category: Employability Skill CBT Paper (II) 1. Which one is a web browser? | कौन एक वेब ब्राउज़र है? A. Face book | फेसबुक B. Hot mail | हॉटमेल C. Internet explorer | इंटरनेट एक्स्प्लोरर D. Outlook express | आउटलुक एक्सप्रेस 52 / 75 Category: Employability Skill CBT Paper (I) 1. Which punctuation mark should be used in the following sentence? Is there any site engineer here | निम्नलिखित वाक्य में किस विराम चिह्न का प्रयोग किया जाना चाहिए? Is there any site engineer here A. ? (question mark) | ? (प्रशन चिंह) B. ! (exclamation) | ! (एक्स्क्लामेशन) C. , (comma) | , (अल्पविराम) D. . (full stop) | . (पूर्ण विराम) 53 / 75 Category: Employability Skill CBT Paper (I) 2. Debit card will have how many digit numbers ______| डेबिट कार्ड में कितने अंकों की संख्या होगी…….। A. 12 | १२ B. 16 | १६ C. 18 | १८ D. 14 | १४ 54 / 75 Category: Employability Skill CBT Paper (I) 3. NAPS Stands for _______| NAPS का मतलब ________ A. National Apprenticeship Promotion Scheme | नेशन अप्प्रेंतिसशिप प्रमोशन स्कीम B. National Advertising Promotion Scheme | नेशनल एडवरटाइजिंग प्रमोशन स्कीम C. Non Apprenticeship Promotion Scheme | नॉन अप्प्रेंतिसशिप प्रमोशन स्कीम D. National Appointment Promoting Scheme | नेशनल अपॉइंटमेंट प्रोमोटिंग स्कीम 55 / 75 Category: Employability Skill CBT Paper (I) 4. People from all religions or no religions are treated equally means…… | सभी धर्मों या किसी भी धर्म के लोगों के साथ समान व्यवहार नहीं किया जाता है ……सेक्युलर देश A. non secular | गैर धर्मनिरपेक्ष B. secular country | धर्मनिरपेक्ष देश C. religious | धार्मिक D. democratic | जनतांत्रिक 56 / 75 Category: Employability Skill CBT Paper (I) 5. After receiving interview call, what is the next step? | साक्षात्कार कॉल प्राप्त करने के बाद, अगला कदम क्या है? A. Prepare the resume | रिज्यूम तैयार करें B. Send resume | रिज्यूम भेजे C. Send application letter | आवेदन पत्र भेजें D. Appear at interview | साक्षात्कार में में जाये 57 / 75 Category: Employability Skill CBT Paper (I) 6. What approach is used to gain access to foreign markets and quickly promote an organizations interest? | विदेशी बाजारों तक पहुंच प्राप्त करने और संगठनों के हित को जल्दी बढ़ावा देने के लिए किस दृष्टिकोण का उपयोग किया जाता है? A. Joint venture | संयुक्त उद्यम B. Collaboration | सहयोग C. Technology transfer | तकनीकी हस्तांतरण D. Licensing | लाइसेंसिंग 58 / 75 Category: Employability Skill CBT Paper (I) 7. The 4 stages of getting customers are __________ | ग्राहक प्राप्त करने के 4 चरण हैं_________ A. Acquisition, Retention, Satisfaction, Loyalty | अर्जन, प्रतिधारण, संतोष, वफादारी B. Acquisition, Remember, Satisfaction, Loyalty | अर्जन, याद, संतोष, वफादारी C. Attention, Retention, Sales, loyalty | ध्यान, प्रतिधारण, बिक्री, वफादारी D. Attention, Retention, Satisfaction, Loyalty | ध्यान, प्रतिधारण, संतोष, वफादारी 59 / 75 Category: Employability Skill CBT Paper (I) 8. Which of these should be considered while making decisions? | निर्णय लेते समय इनमें से किस पर विचार किया जाना चाहिए? A. Your mood | तुम्हारा मिज़ाज B. The choices of your friends | आपके दोस्तों की पसंद C. Your personal priorities. | आपकी व्यक्तिगत प्राथमिकताएं D. The rules of your community | आपके समुदाय के नियम 60 / 75 Category: Employability Skill CBT Paper (I) 9. Noise, physical discomfort of hotness or coldness comes under _________| शोर, गर्मी या ठंडी वाली शारीरिक असहजता_________ के अंतर्गत आती है A. environment barrier | पर्यावरण बाधा B. culture barrier | कल्चर बाधा C. perception barrier | पर्सिप्शन बाधा D. language barrier | भाषा की बाधा 61 / 75 Category: Employability Skill CBT Paper (I) 10. What is a shortcut key for “cut’’ command? | "कट" कमांड के लिए एक शॉर्टकट की (कुंजी) क्या है? A. Ctrl + C | कंट्रोल + C B. Ctrl + V | कंट्रोल + V C. Ctrl + A | कंट्रोल + A D. Ctrl + X | कंट्रोल + X 62 / 75 Category: Employability Skill CBT Paper (I) 11. When you speak to a person, you need to _______ | जब आप किसी व्यक्ति से बात करते हैं, तो आप ________ A. Look at the person in a friendly manner | व्यक्ति को मित्रतापूर्ण तरीके से देखें। B. Stare at the person | व्यक्ति को घूरें C. Look away from the person | व्यक्ति से दूर देखो D. Look at the floor | मंजिल को देखो 63 / 75 Category: Employability Skill CBT Paper (I) 12. The expansion of SIDO is………… | SIDO का विस्तार ……… A. Standard Industry Development Organization | मानक उद्योग विकास संगठन B. Small Industries Development Organization | लघु उद्योग विकास संगठन C. Small Income Development Organization | लघु आय विकास संगठन D. Small Investment Development Organization | लघु निवेश विकास संगठन 64 / 75 Category: Employability Skill CBT Paper (I) 13. In MS Excel, to insert a formula in cell, we must begin the entry with an operator ___________ | एमएस एक्सेल में, सेल में एक सूत्र इन्सर्ट (सम्मिलित) करने के लिए, हमें प्रविष्टि को एक ऑपरेटर के साथ शुरू करनी चाहिए - A. # B. $ C. @ D. = 65 / 75 Category: Employability Skill CBT Paper (I) 14. Women are soft-spoken and forgiving ______ | महिलाएं मृदुभाषी और क्षमाशील होती हैं……..। A. sometimes | कभी-कभी B. gender stereotype | लिंग रूढ़िवादिता C. always false | हमेशा झूठा D. always true | हमेशा सत्य 66 / 75 Category: Employability Skill CBT Paper (I) 15. Which one is NOT a vowel?/ कौन सा स्वर नहीं है? A. i / आई B. f / एफ C. a / ए D. e / इ 67 / 75 Category: Employability Skill CBT Paper (I) 16. For short distance, which network type should be used? | छोटी दूरी के लिए, किस नेटवर्क प्रकार का उपयोग किया जाना चाहिए? A. CAN | केन B. WAN | वेन C. MAN | मेन D. LAN | लेन 68 / 75 Category: Employability Skill CBT Paper (I) 17. In which orientation, the text is printed length wise? | किस ओरिएंटेशन (अभिविन्यास) में, टेक्स्ट (पाठ) लंबाई वार प्रिंट (मुद्रित) होता है? A. Landscape | लैंडस्केप B. Width | चौड़ाई C. Portrait | पोट्रेट D. Margin | मार्जिन 69 / 75 Category: Employability Skill CBT Paper (I) 18. Which one is in passive voice? | निष्क्रिय आवाज में कौन सा है? A. Her birthday was celebrated by us. | उसका जन्मदिन हमने मनाया B. I have seen that movie. | मैंने वह फिल्म देखी है C. Mohan is painting a house. | मोहन एक घर पेंट कर रहा है D. She was reading a book. | वह एक किताब पढ़ रही थी 70 / 75 Category: Employability Skill CBT Paper (I) 19. Time management………| समय प्रबंधन………। A. managing time | प्रबंधन समय B. problem solving | समस्या को सुलझाना C. complete your task on time | अपना कार्य समय पर पूरा करें D. hard skill | कठिन कौशल 71 / 75 Category: Employability Skill CBT Paper (I) 20. Which one is a good communication?| कौन सा एक अच्छा संचार है? A. Message is ambiguous | संदेश का अस्पष्ट होना B. Receiver doesn’t listen to sender | प्राप्तकर्ता प्रेषक की नहीं सुनना C. Sender attacks receiver | प्रेषक का रिसीवर पर हमला करना D. Message is clear and direct | संदेश का साफ और स्पष्ट होना 72 / 75 Category: Employability Skill CBT Paper (I) 21. Pronunciation refers to___________.| उच्चारण ___________ को संदर्भित करता है A. punctuation | विराम चिह्न B. diphthong | संयुक्त स्वर C. consonant | व्यंजन D. production of sound | ध्वनि का उत्पादन 73 / 75 Category: Employability Skill CBT Paper (I) 22. Jobs that have become outdated in the past 5 years _____/ ......... नौकरियां जो पिछले 5 वर्षों में पुरानी हो गई हैं। A. uber / उबेर B. ola / ओला C. STD booth / STD बूथ D. Swiggy / स्विग्गी 74 / 75 Category: Employability Skill CBT Paper (I) 23. What is the expansion of “FYI” SMS?| "FYI" एसएमएस का विस्तार क्या है? A. For Your Information | आपकी जानकारी के लिए B. For Your Identification | आपकी पहचान के लिए C. For Your Internet | आपके इंटरनेट के लिए D. For Your Innocence | आपकी मासूमियत के लिए 75 / 75 Category: Employability Skill CBT Paper (I) 24. For “SMART” Goal, S stands for _________| “SMART” गोल के लिए, S का मतलब................... है A. Specific | स्पेसिफिक B. Strengths | स्ट्रेंथ C. Social | सोशल D. Scientific | साइंटिफिक Your score isThe average score is 0% 0% Restart quiz Exit Trade Theory Employability Skill Workshop Calculation & Science Engineering Drawing Wood Work Technician CBT Paper WhatsApp और YouTube चैनल से जुड़े ↓ Facebook Instagram Youtube Whatsapp