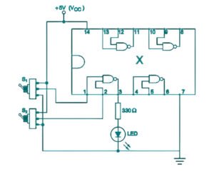
Electronic Mechanic First Year CBT Paper – Free Practice Set -10By itikegyani.com / August 8, 2025 0% 8 यह पेपर 2 घंटे का है 2 घंटे बाद पेपर अपने आप सबमिट हो जायेगा और आप चाहें तो 2 घंटे से पहले भी सबमिट कर सकते है| सॉरी समय समाप्त हो गया| Electronic Mechanic CBT Paper First Year (Quiz -10) इस पेपर में 75 प्रशन है जिसमे Trade Tehory के 38 प्रशन, Workshop Calculation and Science के 06 प्रशन, Engineering Drawing के 06 प्रशन, Employability Skill के 25 प्रशन , प्रत्येक प्रशन 2 मार्क्स का है और किसी प्रकार की नेगेटिव मार्किंग नहीं है| 1 / 75 Category: Workshop Calculation and Science CBT Paper (I) 1. What is the S.I unit of heat? | ऊष्मा की एस.आई. इकाई क्या है? A. Centigrade heat unit / सेंटीग्रेट हीट यूनिट B. Calorie / केलोरी C. Joule / जूल D. British thermal unit / ब्रिटिश थर्मल यूनिट 2 / 75 Category: Workshop Calculation and Science CBT Paper (I) 2. How many millimetres are there in 1 inch? | 1 इंच में कितने मिलीमीटर होते हैं? A. 2.54 mm | २.५४ मी मी B. 24.5 mm | २४.५ मी मी C. 2.45 mm | २.४५ मी मी D. 25.4 mm | २५.४ मी मी 3 / 75 Category: Workshop Calculation and Science CBT Paper (I) 3. Convert 0.456 decimal fraction into percentage? | 0.456 दशमलव भिन्न को प्रतिशत में बदलिये? A. 0.0456% B. 0.456% C. 4.56% D. 45.6% 4 / 75 Category: Workshop Calculation and Science CBT Paper (I) 4. Which is mineral insulator? | कौन-सा खनिज इन्सुलेटर है? A. Glass | कॉंच B. Mica | माईका C. Quartz | क्वार्ट्ज D. Porcelain | पोर्सलीन 5 / 75 Category: Workshop Calculation and Science CBT Paper (I) 5. Which is equal to sinθ? | sinθ किस के बराबर होता है? A. Opposite Side/Hypotenuse | विपरीत पक्ष/कर्ण B. Adjacent Side/Hypotenuse | बगल की ओर/कर्ण C. Hypotenuse/Opposite Side | कर्ण /विपरीत पक्ष D. Hypotenuse/Adjacent side | कर्ण/बगल की ओर 6 / 75 Category: Workshop Calculation and Science CBT Paper (I) 6. What is the value of tan 45o if sin 45o = 1/√ 2? | tan 45o कितना होगा, यदि sin 45o = 1/√2 है। A. √3/2 B. 1 C. 1/√2 D. 1/√3 7 / 75 Category: Engineering Drawing CBT Paper (I) 1. What is the purpose of using the IC 7912? | IC 7912 का उपयोग करने का उद्देश्य क्या है? A. Regulation | विनियमन B. Rectification | परिहार C. Amplification | विस्तारण D. Oscillation | कंपन 8 / 75 Category: Engineering Drawing CBT Paper (I) 2. Identify the conventional symbol of material? | सामग्री के पारंपरिक प्रतीक को पहचानें? A. Porcelain | चीनी मिटटी B. Lead | लेड C. Steel | स्टील D. Glass | कांच 9 / 75 Category: Engineering Drawing CBT Paper (I) 3. Which drawing dimension is correct as per standard drawing practice? | ड्राइंग अभ्यास के अनुसार कौन सा ड्राइंग आयाम सही है? A. Option B | विकल्प B B. Option A | विकल्प A C. Option C | विकल्प C D. Option D | विकल्प D 10 / 75 Category: Engineering Drawing CBT Paper (I) 4. Identify the conventional symbol of material?/ चित्र में दिखाए गए सामग्री के पारंपरिक प्रतीक का पता लगाएं? A. Water / पानी B. Glass / कांच C. Concrete / ठोस D. Asbestos / ऐस्बेटस 11 / 75 Category: Engineering Drawing CBT Paper (I) 5. Which is NPN transistor? | NPN ट्रांजिस्टर कौन सा है? A. Option D | विकल्प D B. Option C | विकल्प C C. Option A | विकल्प A D. Option B | विकल्प B 12 / 75 Category: Engineering Drawing CBT Paper (I) 6. Identify the conventional symbol of material?/ सामग्री के पारंपरिक प्रतीक को पहचानें? A. Wood / लकड़ी B. Steel / इस्पात C. Concrete / ठोस D. Glass / कांच 13 / 75 Category: Employability Skill CBT Paper (I) 1. It is best to ask __________ questions when asking questions. | प्रश्न पूछते समय __________ प्रश्न पूछना सबसे अच्छा है। A. Sensitive | संवेदनशील B. Rude | असभ्य C. Open and close ended | ओपन एंड क्लोज एंडेड D. Personal |वैयक्तिक 14 / 75 Category: Employability Skill CBT Paper (I) 2. Fill in the blank with suitable adjective for the given sentence “The little girl’s…… eyes revealed her mischief” | दिए गए वाक्य के लिए उपयुक्त विशेषण के साथ रिक्त स्थान भरें “The little girl’s…… eyes revealed her mischief” A. twinkling | ट्विंकलिंग B. short sighted | शोर्ट साईंटेड C. weak | वीक D. Chubby | चुब्बय 15 / 75 Category: Employability Skill CBT Paper (I) 3. Which one is NOT an article?| निम्न मे से कौन एक आर्टिक्ल नहीं है? A. a | ऐ B. in | इन C. the | था D. an | एन 16 / 75 Category: Employability Skill CBT Paper (I) 4. Which of these expenses are incurred when we move to a new city?| जब हम किसी नए शहर में जाते हैं तो इनमें से कौन सा खर्च होता है? A. Buying new clothes | नए कपड़े ख़रीदना B. Buying books | किताबें ख़रीदना C. Buying shoes | जूते खरीदना D. Rent of an accommodation | एक आवास का किराया 17 / 75 Category: Employability Skill CBT Paper (I) 5. Which one is NOT the outcome of positive attitude? | कौन सा सकारात्मक दृष्टिकोण का परिणाम नहीं है? A. Boredom | उदासी B. Enthusiasm | उत्साह C. Problem solving attitude | समस्या को सुलझाने का रवैया D. Creativity | रचनात्मकता 18 / 75 Category: Employability Skill CBT Paper (I) 6. Gesture “Brisk and erect walking” shows ________| "तेज और सीधा चलना" वाला हाव-भाव..................... दर्शाता है - A. defensiveness | डिफेंसिवनेस B. insecurity | इनसिक्योरिटी C. confidence | आत्मविश्वास D. boredom | बोरडम 19 / 75 Category: Employability Skill CBT Paper (I) 7. People from all religions or no religions are treated equally means…… | सभी धर्मों या किसी भी धर्म के लोगों के साथ समान व्यवहार नहीं किया जाता है ……सेक्युलर देश A. religious | धार्मिक B. democratic | जनतांत्रिक C. non secular | गैर धर्मनिरपेक्ष D. secular country | धर्मनिरपेक्ष देश 20 / 75 Category: Employability Skill CBT Paper (I) 8. Something is made of different types of units…….| कुछ न कुछ विभिन्न प्रकार की इकाइयों से बनता है…….। A. unity | एकता B. society | समाज C. equality | समानता D. diversity | विविधता 21 / 75 Category: Employability Skill CBT Paper (I) 9. Choose suitable “wh” word for the given sentence. “___________ animal do you like?”| दिए गए वाक्य के लिए उपयुक्त “wh” शब्द चुनें। “___________ animal do you like?” A. Where | वेयर B. Which | व्हिच C. Why | व्हाई D. When | व्हेन 22 / 75 Category: Employability Skill CBT Paper (I) 10. This intention to move out of one’s place to another for better jobs is called _________. | बेहतर नौकरियों के लिए एक स्थान से दूसरे स्थान पर जाने के इस इरादे को _________ कहा जाता है। A. Migration | प्रवास B. Litigation | अभियोग C. Mitigation | शमन D. Irrigation | सिंचाई 23 / 75 Category: Employability Skill CBT Paper (I) 11. The way money is saved, spent and invested……..| जिस तरह से पैसा बचाया जाता है, खर्च किया जाता है और निवेश किया जाता है…….. A. banking | बैंकिंग B. salary | वेतन C. income | आय D. financial literacy | वित्तीय साक्षरता 24 / 75 Category: Employability Skill CBT Paper (I) 12. Which one is in passive voice? | निष्क्रिय आवाज में कौन सा है? A. She was reading a book. | वह एक किताब पढ़ रही थी B. Mohan is painting a house. | मोहन एक घर पेंट कर रहा है C. I have seen that movie. | मैंने वह फिल्म देखी है D. Her birthday was celebrated by us. | उसका जन्मदिन हमने मनाया 25 / 75 Category: Employability Skill CBT Paper (I) 13. What is a shortcut key for “Copy” command?| "कॉपी" कमांड के लिए शॉर्टकट की (कुंजी) क्या है? A. Ctrl + A | कंट्रोल +A B. Ctrl + V | कंट्रोल +V C. Ctrl + X | कंट्रोल + X D. Ctrl + C | कंट्रोल + C 26 / 75 Category: Employability Skill CBT Paper (I) 14. Which one is a “Do’s” for interview etiquette?| इंटरव्यू एटिकेट में “Do’s” क्या है? A. Nervousness | नर्वसनेस B. Informal dress | इनर्फोमल ड्रेस C. Calm approach | काल्म अप्रोच D. Excessive gesture | एक्सिसिव जेस्चर 27 / 75 Category: Employability Skill CBT Paper (I) 15. Today's weather is going to be ____________. | आज का मौसम _________ होने जा रहा है। A. Urgent | बहुत ज़रूरी B. Hopeful | आशापूर्ण C. Warm | गरम D. Blue | नीला 28 / 75 Category: Employability Skill CBT Paper (I) 16. Expansions of SMS is___________ | SMS का विस्तार ___________ है A. Short Message Service | शॉर्ट मैसेज सेवा B. Simple Message Service | सरल संदेश सेवा C. Short Mail Service | शॉर्ट मेल सेवा D. Simple Memo Service | सरल मेमो सेवा 29 / 75 Category: Employability Skill CBT Paper (I) 17. What should come next after “selecting the solution” in problem solving process? | समस्या समाधान प्रक्रिया में "समाधान का चयन" करने के बाद आगे क्या आना चाहिए? A. Look for alternate | विकल्प के लिए देखो B. Root cause analysis | मूल कारण का विश्लेषण C. Identify the problem | समस्या को पहचानो D. Implement the solution | समाधान को लागू करें 30 / 75 Category: Employability Skill CBT Paper (I) 18. Which of the following is true about stress? | तनाव के बारे में सही निम्नलिखित में से कौन सी है? A. Stress cannot be controlled | तनाव को नियंत्रित नहीं किया जा सकता B. Stress can not be decreased | तनाव कम नहीं हो सकता C. Stress can be managed | तनाव को प्रबंधित किया जा सकता है D. All of the above | ऊपर के सभी 31 / 75 Category: Employability Skill CBT Paper (I) 19. To grow yourself you must ______| अपने आप को विकसित करने के लिए आपको चाहिए ……। A. know your office | अपने कार्यालय को जानें B. know your country | अपने देश को जानो C. know yourself | खुद को जानें D. know your institute | अपने संस्थान को जानें 32 / 75 Category: Employability Skill CBT Paper (I) 20. Goals are categorized as ___________ | लक्ष्यों को ______________ के रूप में वर्गीकृत किया गया है A. short-term and long-term | अल्पकालिक और दीर्घकालिक B. intrinsic and extrinsic | आंतरिक और बाह्य C. good and bad | अच्छा और बुरा D. inner and outer | इनर और आउटर 33 / 75 Category: Employability Skill CBT Paper (I) 21. In an email, where will you add the recipient email address whom you want to send the copy of an email? | एक ईमेल में, आप प्राप्तकर्ता का ई-मेल एड्रेस (ईमेल का पता) कहां जोड़ेंगे, जिसे आप ईमेल की कॉपी भेजना चाहते हैं? A. CC | सीसी B. Subject | सब्जेक्ट C. To | टू D. Bcc | बीसीसी 34 / 75 Category: Employability Skill CBT Paper (I) 22. _______ is major changes takes place in manufacturing.| ……….. मैन्युफैक्चरिंग में प्रमुख परिवर्तन होते हैं। A. Green revolution | हरित क्रांति B. Water revolution | जल क्रांति C. Food revolution | खाद्य क्रांति D. Industry revolution | उद्योग क्रांति 35 / 75 Category: Employability Skill CBT Paper (I) 23. MSME stands for _______ | MSME का अर्थ है ………….. A. Micro, Small and Medium Enterprises | सूक्ष्म, छोटे और मध्यम उद्यम B. Macro, Small and Medium Enterprises | मैक्रो, छोटे और मध्यम उद्यम C. Minor, Small and Medium Enterprises | लघु, छोटे और मध्यम उद्यम D. Micro, Scale and Medium Enterprises | सूक्ष्म, स्केल और मध्यम उद्यम 36 / 75 Category: Employability Skill CBT Paper (I) 24. ________ contains one or more worksheets. ________ में एक या अधिक कार्यपत्रक होते हैं। A. Document / डाक्यूमेंट B. Workbook / वर्कबुक C. Workfile / वर्कफाइल D. Address bar / पता पट्टी 37 / 75 Category: Employability Skill CBT Paper (I) 25. Which one is considered to be a good communication? | कौन सा एक अच्छा संचार माना जाता है? A. Receiver doesn’t listen to sender | प्राप्तकर्ता प्रेषक की नहीं सुनना B. Sender attacks receiver | प्रेषक का रिसीवर पर हमला करना C. Sender is positive towards receiver | रिसीवर के प्रति प्रेषक सकारात्मक है D. Message is ambiguous | संदेश अस्पष्ट है| 38 / 75 Category: Electronics Mechanic First Year CBT Paper (TT) 1. What is the percentage of conductivity of electric current in aluminium? | एल्यूमीनियम में विद्युत प्रवाह की चालकता का प्रतिशत कितना है? A. 56% B. 22% C. 47% D. 76% 39 / 75 Category: Electronics Mechanic First Year CBT Paper (TT) 2. What is the name of the bevelled graduated sleeve in the outside micrometer? | बाहरी माइक्रोमीटर में बेवेल्ड ग्रेजुएटेड स्लीव का क्या नाम है? A. Thimble | थिम्बल B. Anvil | एन्विल C. Barrel | बैरल D. Spindle | स्पिंडल 40 / 75 Category: Electronics Mechanic First Year CBT Paper (TT) 3. What is the important feature of instrumentation amplifier? | इंस्ट्रूमेंटेशन एम्पलीफायर की महत्वपूर्ण विशेषता क्या है? A. Low gain accuracy | कम लाभ सटीकता B. Reduce the output off set voltage | सेट वोल्टेज को आउटपुट कम करें C. High gain accuracy | उच्च लाभ सटीकता D. Increase the output voltage | आउटपुट वोल्टेज बढ़ाएं 41 / 75 Category: Electronics Mechanic First Year CBT Paper (TT) 4. In which measuring instrument this movement is used? | किस मापक यंत्र में इस गति का उपयोग किया जाता है? A. Repulsion type MI meter | प्रतिकर्षण प्रकार MI मीटर B. Moving coil instrument | क्वाइल इंस्ट्रूमेंट हिलाना C. Attraction type MI meter | आकर्षण प्रकार MI मीटर D. Centre zero galvanometer | केंद्र शून्य गैल्वेनोमीटर 42 / 75 Category: Electronics Mechanic First Year CBT Paper (TT) 5. Which electrical parameter is measured by the megger? | किस विद्युत पैरामीटर को मेगर द्वारा मापा जाता है? A. Insulation resistance | इन्सुलेशन प्रतिरोध B. Current | वर्तमान C. Voltage | वोल्टेज D. Frequency | आवृत्ति 43 / 75 Category: Electronics Mechanic First Year CBT Paper (TT) 6. How the frequency of oscillations varied in the parallel-fed hartley oscillator? | पैरलेल फेड हार्लेट ऑसिलेटर्स में ऑस्कीलेसन की आवृत्ति कैसे भिन्न होती है? A. By changing capacitor C₁ | कैपासिटर C₁ बदलकर B. By varying capacitor C | कैपासिटर C को वेरी करके C. By changing capacitor C₂ | कैपासिटर C₂ बदलकर D. By changing bias resistor R₁ | बायस रजिस्टर R₁ बदलकर 44 / 75 Category: Electronics Mechanic First Year CBT Paper (TT) 7. What is the function of the circuit diagram? | सर्किट आरेख का कार्य क्या है? A. Negative shunt clipper | नकारात्मक शंट क्लिपर B. Series diode clipper | श्रृंखला डायोड क्लिपर C. Positive shunt clipper | सकारात्मक शंट क्लिपर D. Combination clipper | संयोजन क्लिपर 45 / 75 Category: Electronics Mechanic First Year CBT Paper (TT) 8. Which logic gate IC is marked as ‘X’ in the circuit? | सर्किट में किस लॉजिक गेट IC को 'X' के रूप में चिह्नित किया गया है? A. IC7432 B. IC7408 C. IC7486 D. IC7404 46 / 75 Category: Electronics Mechanic First Year CBT Paper (TT) 9. What is the use of screw driver? | स्क्रू ड्राइवर का उपयोग क्या है? A. Tighten or loosen bolts | तंग या ढीला बोल्ट B. Hold the screws | स्क्रू पकड़ना C. Tighten or loosen screws | स्क्रू को कसने या ढीला करना D. Tighten or loosen rivets | रिपट को कसें या ढीला करें 47 / 75 Category: Electronics Mechanic First Year CBT Paper (TT) 10. Which method is followed to troubleshoot the problem causing section by the symptom? | लक्षण द्वारा अनुभाग के कारण समस्या का निवारण करने के लिए कौन सी विधि का पालन किया जाता है? A. Sensory test method | संवेदी परीक्षण विधि B. Step by step method | स्टेप बाई स्टेप विधि C. Logical approach method | तार्किक दृष्टिकोण विधि D. Trial and error method | परीक्षण और त्रुटि विधि 48 / 75 Category: Electronics Mechanic First Year CBT Paper (TT) 11. Which type of toe caps are used to avoid crushing of feet at the time of shifting equipments? | शिफ्टिंग उपकरणों के समय पैरों को कुचलने से बचने के लिए किस प्रकार के पैर के अंगूठे का उपयोग किया जाता है? A. Rubber toe caps | रबड़ की टोपियां B. Steel toe caps | स्टील की टोपियां C. Leather toe caps | चमड़े के पैर की टोपी D. Plastic toe caps | प्लास्टिक की टोपियां 49 / 75 Category: Electronics Mechanic First Year CBT Paper (TT) 12. What is the use of the test circuit? | परीक्षण सर्किट का उपयोग क्या है? A. To test the working condition of FET | FET की कामकाजी स्थिति का परीक्षण करने के लिए B. To test the working condition of IGBT | IGBT की कार्य स्थिति का परीक्षण करने के लिए C. To test the working condition of UJT UJT | की कामकाजी स्थिति का परीक्षण करने के लिए D. To test the working condition of LDR | LDR कार्य स्थिति का परीक्षण करने के लिए 50 / 75 Category: Electronics Mechanic First Year CBT Paper (TT) 13. What is the percentage of conductivity of electric current in copper? | तांबे में विद्युत प्रवाह की चालकता का प्रतिशत कितना है? A. 67% B. 94% C. 56% D. 100% 51 / 75 Category: Electronics Mechanic First Year CBT Paper (TT) 14. Which method is used for blanketing with foam to extinguish the fire? | आग बुझाने के लिए फोम के साथ कंबलिंग के लिए किस विधि का उपयोग किया जाता है? A. Starving | भूखमरी B. Heating | गरम करना C. Smothering | स्मूथरिंग D. Cooling | शीतलक 52 / 75 Category: Electronics Mechanic First Year CBT Paper (TT) 15. Which part of the DSO stores the processed data of input signal voltage? | DSO का कौन सा हिस्सा इनपुट सिग्नल वोल्टेज के संसाधित डेटा को संग्रहीत करता है? A. Memory | मेमोरी B. Screen display | स्क्रीन डिस्प्ले C. Digital to analog converter | डिजिटल टू एनालॉग कनवर्ट D. Analog to digital converter | एनालॉग टू डिजिटल कनवर्टर 53 / 75 Category: Electronics Mechanic First Year CBT Paper (TT) 16. How the drive circuits for the power MOSFETs are coupled? | पावर MOSFETs के लिए ड्राइव सर्किट को कैसे युग्मित किया जाता है? A. Using logic circuitry | तर्क सर्किटरी का उपयोग करना B. Direct coupling method | प्रत्यक्ष युग्मन विधि C. Using pulse transformer | पल्स ट्रांसफार्मर का उपयोग करना D. Using transistors | ट्रांजिस्टर का उपयोग करना 54 / 75 Category: Electronics Mechanic First Year CBT Paper (TT) 17. Which logic gate has the following truth table? | निम्नलिखित सत्य तालिका किस लॉजिक गेट की है? A. OR | और B. NAND | नेन्ड C. AND | एंड D. NOR | नौर 55 / 75 Category: Electronics Mechanic First Year CBT Paper (TT) 18. What is the full form of D.S.O? | D.S.O का पूर्ण रूप क्या है? A. Dual System Oscillator | ड्यूल सिस्टम ऑस्सीलेटर B. Dual Storage Oscillator | ड्यूल स्टोरेज ऑस्सीलेटर C. Digital System Oscilloscope | डिजिटल सिस्टम ऑस्सिलोस्कोप D. Digital Storage Oscilloscope | डिजिटल स्टोरेज ऑस्सिलोस्कोप 56 / 75 Category: Electronics Mechanic First Year CBT Paper (TT) 19. What is the range of current rating of lead acid batteries used in automobiles? | ऑटोमोबाइल में प्रयुक्त सीसा एसिड बैटरी की वर्तमान रेटिंग की सीमा क्या है? A. 5 to 10 Amp | 5 to 10 एम्प B. 2.5 to 4.5 Amp | 2.5 to 4.5 एम्प C. 10 to 25 Amp | 100 to 400 एम्प D. 100 to 400 Amp | 100 to 400 एम्प 57 / 75 Category: Electronics Mechanic First Year CBT Paper (TT) 20. What is the colour code for 100Ω resistor? | 100Ω रजिस्टर के लिए रंग कोड क्या है? A. Black, brown, black | काला, भूरा, काला B. Brown, black, brown | भूरा, काला, भूरा C. Brown, brown, brown | भूरा, भूरा, भूरा D. Brown, black, red | भूरा, काला, लाल 58 / 75 Category: Electronics Mechanic First Year CBT Paper (TT) 21. How many electrons are contained in coulomb of electric charge? | विद्युत आवेश के युग्म में कितने इलेक्ट्रॉन होते हैं? A. 6.25 x 10⁸ electrons | 6.25 x 10⁸ इलेक्ट्रॉन्स B. 6.25 x 10¹⁸ electrons | 6.25 x 10¹⁸ इलेक्ट्रॉन्स C. 6.25 x 10¹² electrons | 6.25 x 10¹² इलेक्ट्रॉन्स D. 6.25 x 10¹⁶ electrons | 6.25 x 10¹⁶ इलेक्ट्रॉन्स 59 / 75 Category: Electronics Mechanic First Year CBT Paper (TT) 22. What is the unit of electric charge? | विद्युत आवेश की इकाई क्या है? A. Hertz | हेटर्स B. Ampere | एम्पियर C. Volts | वोल्ट D. Coulomb | कूलम्ब 60 / 75 Category: Electronics Mechanic First Year CBT Paper (TT) 23. What type of ripple filter circuit is used for large load current requirements? | बड़े लोड करंट आवश्यकताओं के लिए किस प्रकार के रिपल फिल्टर सर्किट का उपयोग किया जाता है? A. Inductor Input filter | इंडक्टर इनपुट फ़िल्टर B. RC filter | RC फ़िल्टर C. Capacitor Input filter | कैपासिटर इनपुट फ़िल्टर D. LC filter | LC फ़िल्टर 61 / 75 Category: Electronics Mechanic First Year CBT Paper (TT) 24. Which parameter is used in the working of moving coil meter? | चलती क्वाइल मीटर के काम में किस पैरामीटर का उपयोग किया जाता है? A. Permanent magnetic fields | परमानेंट मैग्नेटिक फ़ील्ड्स B. Stray magnetic fields | स्ट्रे मैग्नेटिक फ़ील्ड्स C. Eddy current damping | एड्डी करंट डंपिंग D. Spring control | स्प्रिंग कण्ट्रोल 62 / 75 Category: Electronics Mechanic First Year CBT Paper (TT) 25. Where the electromagnets are used? | विद्युत चुम्बकों का प्रयोग कहाँ किया जाता है? A. ELCB | इएलसीबी B. Relay | रिले C. MCB | एमसीबी D. Fuses | फ़्यूज़ 63 / 75 Category: Electronics Mechanic First Year CBT Paper (TT) 26. What is the name of the region marked ’X’ on the UJT characteristics curve? | UJT विशेषताओं वक्र पर 'X' के रूप में चिह्नित क्षेत्र का नाम क्या है? A. Saturation region | संतृप्ति क्षेत्र B. Valley current region | वेली वर्तमान क्षेत्र C. Negative resistance region | नकारात्मक प्रतिरोध क्षेत्र D. Peak current region | पीक वर्तमान क्षेत्र 64 / 75 Category: Electronics Mechanic First Year CBT Paper (TT) 27. Which type of amplifier has the frequency response curve as? | किस प्रकार के एम्पलीफायर में आवृत्ति प्रतिक्रिया वक्र है? A. RC coupled amplifier | आरसी कपल एम्पलीफायर B. Direct coupled amplifier | प्रत्यक्ष कपल एम्पलीफायर C. Transformer coupled amplifier | ट्रांसफार्मर कपल एम्पलीफायर D. LC coupled amplifier | नियंत्रण रेखा कपल एम्पलीफायर 65 / 75 Category: Electronics Mechanic First Year CBT Paper (TT) 28. What is the electrode marked ‘X’ in the TO-12 transistor pack diagram shown? | दिखाए गए TO-12 ट्रांजिस्टर पैक आरेख में ’X’ का इलेक्ट्रोड क्या है? A. Collector | कलेक्टर B. Screen | स्क्रीन C. Base | बेस D. Emitter | एमिटर 66 / 75 Category: Electronics Mechanic First Year CBT Paper (TT) 29. What is the name of the type of resistor? | रजिस्टर के प्रकार का नाम क्या है? A. Wire wound type variable | वायर घाव प्रकार चर B. Carbon type variable | कार्बन प्रकार चर C. High wattage fixed type | उच्च वाट क्षमता निश्चित प्रकार D. Fixed low wattage type | फिक्स्ड लो वॉटेज टाइप 67 / 75 Category: Electronics Mechanic First Year CBT Paper (TT) 30. What is the name of the circuit that shifts the waveform upward or downward without disturbing its shape? | उस सर्किट का क्या नाम है जो तरंग को ऊपर या नीचे की ओर मोड़ता है, बिना उसकी आकृति को विचलित किए? A. Biased clipper circuit | बायस्ड क्लिपर सर्किट B. Clipper circuit | क्लिपर सर्किट C. Combination clipper circuit | संयोजन क्लिपर सर्किट D. Clamper circuit | क्लैपर सर्किट 68 / 75 Category: Electronics Mechanic First Year CBT Paper (TT) 31. Electrical conductivity of gold is … | सोने की विद्युत चालकता ……. है। A. 100% B. 94% C. 67% D. 56% 69 / 75 Category: Electronics Mechanic First Year CBT Paper (TT) 32. What is the digital signal value for the analog signal value 6V? | एनालॉग सिग्नल मान 6V के लिए डिजिटल सिग्नल मूल्य क्या है? A. 0101 B. 0100 C. 0111 D. 0110 70 / 75 Category: Electronics Mechanic First Year CBT Paper (TT) 33. What is the name of the ratio of ON-time pulse to the OFF-time pulse of multivibrator? | मल्टीविब्रेटर के OFF-टाइम पल्स पर ON-टाइम पल्स के अनुपात का नाम क्या है? A. Duty cycle | ड्यूटी साईकल B. Control voltage | कण्ट्रोल वोल्टेज C. Pulse repetition | पल्स रिपीटेसन D. Threshold comparator | थ्रेशोल्ड कोम्पराटर 71 / 75 Category: Electronics Mechanic First Year CBT Paper (TT) 34. What is the name of electronic component symbol? | इलेक्ट्रॉनिक कॉम्पोनेन्ट प्रतीक का नाम क्या है? A. P channel MOSFET depletion type | पी चैनल MOSFET डिप्लीशन टाइप B. IGBT | आईजीबीटी C. JFET | जेएफईटी D. N channel MOSFET depletion type | N- चैनल MOSFET डिप्लीशन टाइप 72 / 75 Category: Electronics Mechanic First Year CBT Paper (TT) 35. What is the difference of colpitts oscillator compare to hartley oscillator? | कोलेटिट्स ऑसिलेटर का अंतर हर्टली ऑसिलेटर की तुलना में क्या है? A. Uses split inductor | स्प्लिट इंडक्टर उपयोग करता है B. Uses split capacitor | स्प्लिट कैपेसिटर का उपयोग करता है C. Uses crystal oscillator | क्रिस्टल ऑसिलेटर का उपयोग करता है D. Uses SCR combination | SCR संयोजन का उपयोग करता है 73 / 75 Category: Electronics Mechanic First Year CBT Paper (TT) 36. Find the value of shunt resistance required for 1 mA meter to extend the range and measure 10 mA (RM = 27 Ohm). | सीमा का विस्तार करने और 10 mA (RM = 27 Ohm) को मापने के लिए 1 mA मीटर के लिए आवश्यक शंट प्रतिरोध का मान ज्ञात कीजिए। A. 3 Ohms | 3 ओम B. 4 Ohms | 4 ओम C. 2 Ohms | 2 ओम D. 1 Ohm | 1 ओम 74 / 75 Category: Mechanic Motor Vehicle First Year CBT Paper (TT) 1. What is the name of the Electronic Symbol shown in the figure? | आकृति में दर्शाए गए इलेक्ट्रॉनिक चिन्ह का नाम क्या है? A. Battery | बैटरी B. Transistor | ट्रांज़िस्टर C. Diode | डायोड D. Switch | स्विच 75 / 75 Category: Mechanic Motor Vehicle First Year CBT Paper (TT) 2. Which electronic device controls the engine system? | कौन सा इलेक्ट्रॉनिक उपकरण इंजन प्रणाली को नियंत्रित करता है? A. Regulator | रेगुलेटर B. ECM | ECM C. Fuse | फ्यूज D. Switch | स्विच Your score isThe average score is 14% 0% Restart quiz Exit WhatsApp और YouTube चैनल से जुड़े रहना Whats App CBT Practice Paper Electrician COPA Fitter Draughtsman Mechanic Fashion Design & Technology Electronic Mechanic Architectural Draughtsman Aeronautical Structure and Equipment Fitter Draughtsman Civil अत्यधिक चर्चा में Sample Paper ITI Supplementary Exam Eligibility December 2025: Attendance और FA से जुड़े महत्वपूर्ण नियम | DGT के नए आदेश की पूरी जानकारी NCVT सप्लीमेंट्री/लेफ्टओवर परीक्षा (दिसम्बर-2025): उत्तर प्रदेश के प्रशिक्षार्थियों के लिए SCVT पोर्टल पर पंजीकरण शुरू SIDH पोर्टल पर कब होंगे बाकी बचे Trainee Migrate? CTS एडमिशन और डेटा अपलोड की अंतिम तिथि क्या है? DGT API Schedule PRADAN Taluk Coordinator Recruitment 2025: कर्नाटक में 32-36 हजार वेतन के साथ नई भर्ती Bank of India Recruitment 2025: स्केल-II, III और IV ऑफिसर्स की बड़ी भर्ती – आवेदन शुरू