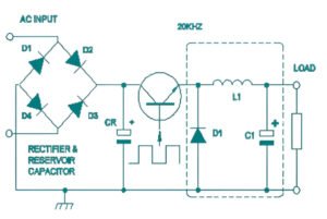
Electronic Mechanic Second Year CBT Paper – Free Practice Set -01By itikegyani.com / August 8, 2025 1 यह पेपर 2 घंटे का है 2 घंटे बाद पेपर अपने आप सबमिट हो जायेगा और आप चाहें तो 2 घंटे से पहले भी सबमिट कर सकते है|सॉरी समय समाप्त हो गया|Electronic Mechanic CBT Paper Second Year (Quiz -1)इस पेपर में 75 प्रशन है जिसमे Trade Tehory के 44 प्रशन, Workshop Calculation and Science के 06 प्रशन, Employability Skill के 25 प्रशन , प्रत्येक प्रशन 2 मार्क्स का है और किसी प्रकार की नेगेटिव मार्किंग नहीं है| 1 / 75 Category: Workshop Calculation and Science CBT Paper (II)1. What is the term used for the method of calculating various quantities and expenditure on a particular job or process? | किसी विशिष्ट कार्य या प्रक्रिया में विभिन्न मात्राओं और व्यय की गणना करने की विधि के लिए प्रयोग में ली जाने वाली शब्दावली क्या है? A. Estimation | आंकलन B. Drawing | चित्रकला C. Specification | विवरण D. Plan | योजना 2 / 75 Category: Workshop Calculation and Science CBT Paper (II)2. What is the value of x if 13+x =20? | यदि 13+x = 20 है तो x का मान क्या है? A. 7 B. 8 C. 9 D. 13 3 / 75 Category: Workshop Calculation and Science CBT Paper (II)3. What is the name of a booklet, the rates of various terms are indicated? | कौन-सा प्राधिकरण दरों के अनुसूची को प्रकाशित करता है? A. Price bunch | निगम से संबंधित (कॉर्पोरेट) B. Price bank | व्यक्तिगत C. Price catalogue | सरकारी विभाग D. Price tag | पार्टनरशिप फर्म 4 / 75 Category: Workshop Calculation and Science CBT Paper (II)4. What is the value of any number raised to the power of 0? | 0 की घात में उठाए गए किसी भी संख्या का मूल्य क्या है? A. 0 B. α C. 1 D. -1 5 / 75 Category: Workshop Calculation and Science CBT Paper (II)5. Which is the formula for कौन सा सूत्र है A. (aᵐ)ⁿ B. aᵐ⁻ⁿ C. aᵐ*ⁿ D. aᵐ⁺ⁿ 6 / 75 Category: Workshop Calculation and Science CBT Paper (II)6. What is the use of engineering drawing? | इंजीनियरिंग ड्रॉइंग का क्या उपयोग है? A. For increasing the cost | लागत में वृद्धि के लिए B. For colourful appearance | रंगीन उपस्थिति के लिए C. For estimation of material and execution of work | सामग्री और कार्य के निष्पादन का आंकलन करने के लिए D. For reducing the cost | लागत को कम करने के लिए 7 / 75 Category: Engineering Drawing CBT Paper (II)1. Which one is not a resistor? | कौन सा रेसिस्टार नहीं है? A. Option C | विकल्प C B. Option A | विकल्प A C. Option D | विकल्प D D. Option B | विकल्प B 8 / 75 Category: Engineering Drawing CBT Paper (II)2. What is represented by the following electrical symbol? | निम्नलिखित विद्युत प्रतीक द्वारा क्या दर्शाया जाता है? A. Three terminal network | तीन टर्मिनल नेटवर्क B. Inverter / NOT gate | इन्वर्टर / NOT गेट C. Buffer | बफर D. Operational amplifier | ऑपरेशनल एंप्लीफायर 9 / 75 Category: Engineering Drawing CBT Paper (II)3. Name the symbol. | प्रतीक का नाम बताइए। A. ICDP B. DPDT C. ICTP D. DTDP 10 / 75 Category: Engineering Drawing CBT Paper (II)4. Which is the NOT gate in the following picture? | निम्न चित्र में NOT गेट कौन सा है? A. Option D B. Option A C. Option B D. Option C 11 / 75 Category: Engineering Drawing CBT Paper (II)5. Which one is the transistor? | ट्रांजिस्टर कौन सा है? A. Option A | विकल्प A B. Option D | विकल्प D C. Option C | विकल्प C D. Option B | विकल्प B 12 / 75 Category: Engineering Drawing CBT Paper (II)6. Which is the short circuit? | शॉर्ट सर्किट कौन सा है? A. When current flows through low resistance path | जब धारा निम्न प्रतिरोध पथ से प्रवाहित होती है B. When circuit is open | जब परिपथ खुला होता है C. When current flows through high resistance path | जब धारा उच्च प्रतिरोध पथ से प्रवाहित होती है D. When no current flows in the circuit | जब परिपथ में कोई धारा प्रवाहित नहीं होती 13 / 75 Category: Electronics Mechanic Second Year CBT Paper (TT)1. Which device should not be plugged into a standard UPS? | कौन सा डिवाइस मानक UPS में प्लग नहीं किया जाना चाहिए? A. Monitor | मानीटर B. Inkjet printer | इंकजेट प्रिंटर C. External Modem | एक्सटर्नल मॉडेम D. Laser Printer | लेजर प्रिंटर 14 / 75 Category: Electronics Mechanic Second Year CBT Paper (TT)2. What is the wavelength of Infrared light rays produced by the IR LED? | IR LED द्वारा निर्मित इंफ़्रा रेड लाइट रेज़ की वेव लेंथ क्या है? A. 585 to 595 nanometer | 585 to 595 नेनोमीटर B. 450 to 500 nanometer | 450 to 500 नेनोमीटर C. 850 to 940 nanometer | 850 to 940 नेनोमीटर D. 550 to 570 nanometer | 550 to 570 नेनोमीटरनेनोमीटर 15 / 75 Category: Electronics Mechanic Second Year CBT Paper (TT)3. Which colour is produced by the semiconductor material Aluminium Gallium Phosphide (AlGaP) in LED? | एल्युमिनियम गैलियम फास्फाइड (AlGaP) LED में कौन सा रंग अर्धचालक पदार्थ द्वारा निर्मित होता है? A. Green | हरा B. Red | लाल C. Yellow | पीला D. Blue | नीला 16 / 75 Category: Electronics Mechanic Second Year CBT Paper (TT)4. What principle of operation is used in servo voltage stabilizer working? | सर्वो वोल्टेज स्टेबलाइजर के काम करने में संचालन के किस सिद्धांत का उपयोग किया जाता है? A. Boost the primary voltage | प्राथमिक वोल्टेज बढ़ाएँ B. Automatic input A/C voltage stabilization | स्वचालित इनपुट ए/सी वोल्टेज स्थिरीकरण C. Buck - Boost the primary voltage | बक - प्राथमिक वोल्टेज को बढ़ावा दें D. Feedback of a sample Voltage | एक नमूना वोल्टेज की प्रतिक्रिया 17 / 75 Category: Electronics Mechanic Second Year CBT Paper (TT)5. What is the valid address for configuring a new network interface card for installation? | इंस्टॉलेशन के लिए नया नेटवर्क इंटरफ़ेस कार्ड कॉन्फ़िगर करने के लिए वैध पता क्या है? A. 360 B. 378 C. 2F8 D. 3F8 18 / 75 Category: Electronics Mechanic Second Year CBT Paper (TT)6. How reed relay switch is operated? | रीड रिले स्विच कैसे संचालित होता है? A. By DC voltage | डीसी वोल्टेज द्वारा B. By current flow | वर्तमान प्रवाह द्वारा C. By mechanical pressure | मैकेनिकल प्रेशर द्वारा D. By magnetic field | चुंबकीय क्षेत्र द्वारा 19 / 75 Category: Electronics Mechanic Second Year CBT Paper (TT)7. Which type of battery mounting method is used for battery installation as shown in the figure? | जैसा कि चित्र में दिखाया गया है, बैटरी स्थापना के लिए किस प्रकार की बैटरी माउंटिंग विधि का उपयोग किया जाता है? A. Shelf mounting | शेल्फ मॉउंटिंग B. Tier mounting | टायर मॉउंटिंग C. Cabinet mounting | कैबिनेट मॉउंटिंग D. Table mounting | टेबल मॉउंटिंग 20 / 75 Category: Electronics Mechanic Second Year CBT Paper (TT)8. Which solder paste was specifically developed for the electronic bench top and also for rework? | इलेक्ट्रॉनिक बेंच टॉप और रीवर्क के लिए विशेष रूप से कौन सा सोल्डर पेस्ट विकसित किया गया था? A. Lead free solder paste | सीसा रहित सोल्डर पेस्ट B. Rosin cored solder paste | रोसिन कोर्ड सोल्डर पेस्ट C. Flux cored solder paste | फ्लक्स कोर्ड सोल्डर पेस्ट D. Zero lead solder paste | शून्य लीड सोल्डर पेस्ट 21 / 75 Category: Electronics Mechanic Second Year CBT Paper (TT)9. Which parameter is related to the power loss in electronic circuit? | इलेक्ट्रॉनिक सर्किट में बिजली की हानि का संबंध किस पैरामीटर से है? A. Amplification | विस्तारण B. Decoupling | डीकॉपलिंग C. Modulation | मॉड्यूलेशन D. Attenuation | क्षीणन 22 / 75 Category: Electronics Mechanic Second Year CBT Paper (TT)10. Where contactor acts as a main part? | संपर्ककर्ता मुख्य भाग के रूप में कहाँ कार्य करता है? A. Starter | स्टार्टर B. Generator | जेनरेटर C. Motor | मोटर D. Transformer | ट्रांसफॉर्मर 23 / 75 Category: Electronics Mechanic Second Year CBT Paper (TT)11. Which type of operation is performed by the circuit shown in the figure? | Which type of operation is performed by the circuit shown in the figure? A. Boost operation | बूस्ट ऑपरेशन B. Linear regulation | लीनियर रेगुलेशन C. Buck boost operation | बक बूस्ट ऑपरेशन D. Fly wheel operation | फ्लाई व्हील ऑपरेशन 24 / 75 Category: Electronics Mechanic Second Year CBT Paper (TT)12. What is the efficiency of practically used solar cell? | व्यावहारिक रूप से उपयोग किए जाने वाले सौर सेल की दक्षता क्या है? A. 15 | १५ B. 40 | ४० C. 60 | ६० D. 25 | २५ 25 / 75 Category: Electronics Mechanic Second Year CBT Paper (TT)13. Which device limits the voltage and charging of battery in solar electric system? | सौर विद्युत प्रणाली में कौन सा उपकरण वोल्टेज और बैटरी की चार्जिंग को सीमित करता है? A. Charge controller | चार्ज कंट्रोलर B. Inverter | इन्वर्टर C. Multiplexer | मल्टीप्लेक्स D. Regulator | रेगुलेटर 26 / 75 Category: Electronics Mechanic Second Year CBT Paper (TT)14. Which type of mounting method is used in battery installation as shown in the figure? | जैसा कि चित्र में दिखाया गया है, बैटरी स्थापना में किस प्रकार की माउंटिंग विधि का उपयोग किया जाता है? A. Rack mounting | रैक मॉउंटिंग B. Tier mounting | टायर मॉउंटिंग C. Cabinet mounting | कैबिनेट मॉउंटिंग D. Shaft mounting | शाफ़्ट मॉउंटिंग 27 / 75 Category: Electronics Mechanic Second Year CBT Paper (TT)15. What is the application of LVDT? | LVDT के उपयोग क्या है? A. To measure residual stress | अवशिष्ट तनाव को मापने के लिए B. To measure speed | गति को मापने के लिए C. To reduce temperature | तापमान कम करने के लिए D. To measure displacement | विस्थापन को मापने के लिए 28 / 75 Category: Electronics Mechanic Second Year CBT Paper (TT)16. Which is an effective method that controls ESD during the manufacturing of devices? | उपकरणों के निर्माण के दौरान ESD को नियंत्रित करने वाली प्रभावी विधि कौन सी है? A. Using helmet | हेलमेट का उपयोग करें B. Using metal chain | धातु चेन का उपयोग करें C. Using tables | टेबल्स का उपयोग करें D. Using ESD wrist strap | ESD कलाई का पट्टा का उपयोग करें 29 / 75 Category: Electronics Mechanic Second Year CBT Paper (TT)17. Which is the input device in a computer? | कंप्यूटर में इनपुट डिवाइस कौन सी है? A. Projector | प्रोजेक्टर B. Speaker | स्पीकर C. Mouse | माउस D. Printer | प्रिंटर 30 / 75 Category: Electronics Mechanic Second Year CBT Paper (TT)18. How much is the value of output voltage compared to input voltage in a step-up chopper circuit? | स्टेप-अप चॉपर सर्किट में इनपुट वोल्टेज की तुलना में आउटपुट वोल्टेज का मान कितना होता है? A. Low | कम B. Equal | बराबर C. High | हाई D. Approximately Equal | लगभग बराबर 31 / 75 Category: Electronics Mechanic Second Year CBT Paper (TT)19. What is the advantage of SMPS in a computer? | कंप्यूटर में SMPS का क्या फायदा है? A. High frequency noise low | उच्च आवृत्ति शोर कम B. High efficiency | उच्च दक्षता C. Servicing of SMPS is easy | SMPS की सर्विसिंग आसान है D. Bulky | बल्की 32 / 75 Category: Electronics Mechanic Second Year CBT Paper (TT)20. What is the address given to a Computer connected to a network? | नेटवर्क से जुड़े कंप्यूटर को दिया जाने वाला एड्रेस क्या है? A. Process ID | प्रक्रिया आईडी B. System Address | सिस्टम एड्रेस C. SYSID | एस.वाई.एस.आई.डी D. IP Address | IP एड्रेस 33 / 75 Category: Electronics Mechanic Second Year CBT Paper (TT)21. What is fidelity of receiver circuits? | रिसीवर सर्किट की निष्ठा क्या है? A. Mixing complicated signals | जटिल संकेतों मिश्रण B. Accuracy of reproduction | प्रजनन की यथार्थता C. Generated automatic gain | जनरेट किया गया स्वत: लाभ D. Generated automatic gain | जनरेट किया गया स्वत: लाभ 34 / 75 Category: Electronics Mechanic Second Year CBT Paper (TT)22. What is the full form of ALU? | ALU का पूरा नाम क्या है? A. Arithmetic Logic Unit | अरिथमेटिक लॉजिक यूनिट B. Allowed Logic Unit | अलाउड लॉजिक यूनिट C. Arithmetic Level Unit | अरिथमेटिक लेवल यूनिट D. ASCII Logic Unit | एस्की लॉजिक यूनिट 35 / 75 Category: Electronics Mechanic Second Year CBT Paper (TT)23. What is the function of analog multiplier IC AD 633? | एनालॉग गुणक IC AD 633 का कार्य क्या है? A. Generates FM signal | FM संकेत उत्पन्न B. Generates AM signal | AM संकेत उत्पन्न C. Demodulates AM signal | डेमॉडुलैट AM संकेत D. Demodulates FM signal | डेमॉडुलैट FM संकेत 36 / 75 Category: Electronics Mechanic Second Year CBT Paper (TT)24. Which modulation method is used in binary phase shift keying applications? | कौन सा मॉडुलन विधि द्विआधारी चरण शिफ्ट कींग अनुप्रयोगों में प्रयोग किया जाता है? A. Phase Modulation | फेज मॉड्युलेशन B. Pulse Amplitude Modulation | पल्स एम्प्लिट्यूड मॉड्यूलेशन C. Amplitude Modulation | एम्प्लिट्यूड मॉड्यूलेशन D. Pulse Position Modulation | पल्स पोजिशन मॉड्यूलेशन 37 / 75 Category: Electronics Mechanic Second Year CBT Paper (TT)25. How the longer delays in basic program using timer in 8051 microcontroller is implemented? | 8051 माइक्रोकंट्रोलर में टाइमर का उपयोग बुनियादी कार्यक्रम में लंबा अंतराल कैसे कार्यान्वित किया जाता है? A. Rewrite the program | कार्यक्रम पुनर्लेखन B. Change microcontroller | माइक्रो बदलें C. Looping number of times | कई बार पाशन संख्या D. Modify component values | घटक मूल्यों को संशोधित 38 / 75 Category: Electronics Mechanic Second Year CBT Paper (TT)26. When the microcontroller executes arithmetic operations, then the flag bits of which register is affected? | जब माइक्रोकंट्रोलर अंकगणितीय ऑपरेशन निष्पादित करता है, तो किस रजिस्टर के फ्लैग बिट्स प्रभावित होते हैं? A. PC register | PC रजिस्टर B. SP register | SP रजिस्टर C. PSW register | PSW रजिस्टर D. DPTR register | DPTR रजिस्टर 39 / 75 Category: Electronics Mechanic Second Year CBT Paper (TT)27. How the fine grain structure of soldered joint is achieved by using reflow soldering process? | टांका लगाने की प्रक्रिया का उपयोग करके टांका लगाने वाले जोड़ की फाइन ग्रेन संरचना कैसे प्राप्त की जाती है A. Slow cooling rate | मंद शीतलन दर B. Fast cooling rate | तेजी से ठंडा करने की दर C. Higher thermal soak time | उच्च ताप सोक समय D. Oven temperature change | ओवन का तापमान बदल जाता है 40 / 75 Category: Electronics Mechanic Second Year CBT Paper (TT)28. Which functions as an active type transducer? | कौन सा सक्रिय प्रकार के ट्रांसड्यूसर के रूप में कार्य करता है? A. Potentiometer | तनाव नापने का यंत्र B. Thermocouple | थर्मोकपल C. Variable capacitance pressure gauge | वेरिएबल कपसिटंस प्रेशर गेज D. Dielectric gauge | डिएलेक्ट्रिक गेज 41 / 75 Category: Electronics Mechanic Second Year CBT Paper (TT)29. What is the use of microcontroller? | माइक्रोकंट्रोलर के उपयोग क्या है? A. Large and complex systems | बड़े और जटिल प्रणाली B. Automatically controlled devices | स्वचालित रूप से नियंत्रित उपकरणों C. Small systems | छोटे प्रणालियों D. General purpose systems | सामान्य प्रयोजन प्रणालियों 42 / 75 Category: Electronics Mechanic Second Year CBT Paper (TT)30. What is the use of resistance hygrometer? | प्रतिरोध आर्द्रतामापी का उपयोग क्या है? A. To measure pressure | दबाव को मापने के लिए B. To measure temperature | तापमान को मापने के लिए C. To measure light intensity | प्रकाश की तीव्रता को मापने के लिए D. To measure humidity | नमी को मापने के लिए 43 / 75 Category: Electronics Mechanic Second Year CBT Paper (TT)31. Which lock prevents the operation of mobile phone by the user? | कौन सा लॉक उपयोगकर्ता द्वारा मोबाइल फोन का संचालन रोकता है? A. SIM lock | SIM लॉक B. Software lock | सॉफ्टवेयर लॉक C. IMEI lock | IMEI लॉक D. Keypad lock | कीपैड लॉक 44 / 75 Category: Electronics Mechanic Second Year CBT Paper (TT)32. What is the purpose of Bench top Ionisers? | बेंच टॉप आयनाइजर्स का उद्देश्य क्या है? A. To control voltage | वोल्टेज को नियंत्रित करने के लिए B. To control ESD in work environment | काम के माहौल में ESD को नियंत्रित करने के लिए C. To eliminate molecules | अणुओं को कम करने के लिए D. To control atmosphere moisture | वातावरण में नमी को नियंत्रित करने के लिए 45 / 75 Category: Electronics Mechanic Second Year CBT Paper (TT)33. Which instrument is used for measuring total solar radiation? | कुल सौर विकिरण को मापने के लिए किस उपकरण का उपयोग किया जाता है? A. Pyranometer | पाइरानोमीटर B. Hygrometer | हाइग्रोमीटर C. Anemometer | एनीमोमीटर D. Pyrheliometer | पाइरेलियोमीटर 46 / 75 Category: Electronics Mechanic Second Year CBT Paper (TT)34. Which conformal coating material is used as a two-part-thermosetting mixture? | कौन सी अनुरूप कोटिंग सामग्री का उपयोग दो-भाग-थर्मोसेटिंग मिश्रण के रूप में किया जाता है? A. Silicone resin | सिलिकॉन राल B. Polyurethane resin | पोलीयूरीथेन राल C. Epoxy resin | एपॉक्सी रेजि़न D. Acrylic resin | ऐक्रेलिक रेसिन 47 / 75 Category: Electronics Mechanic Second Year CBT Paper (TT)35. What is the purpose of screen wire used in audio cables? | ऑडियो केबल में उपयोग किए जाने वाले स्क्रीन वायर का उद्देश्य क्या है? A. To provide mechanical strength | यांत्रिक शक्ति प्रदान करने के लिए B. To increase the flexibility | लचीलापन बढ़ाने के लिए C. To reject unwanted signal | अवांछित सिग्नल को अस्वीकार करने के लिए D. To increase the quality | गुणवत्ता को बढ़ाने के लिए 48 / 75 Category: Electronics Mechanic Second Year CBT Paper (TT)36. What is the function of the block marked as ‘X’ in data selector circuit shown in the figure? | चित्र में दिखाए गए डेटा चयनकर्ता सर्किट में ‘X’ से चिह्नित ब्लॉक का कार्य क्या है? A. Modulator | मोडलेटर B. Demultiplexer | डेमल्टीप्लेक्सेर C. Multiplexer | मल्टीप्लेक्सर D. Amplifier | एम्पलीफायर 49 / 75 Category: Electronics Mechanic Second Year CBT Paper (TT)37. What is the input frequency range of the set-top box used for cable TV application? | केबल TV एप्लिकेशन के लिए उपयोग किए जाने वाले सेट-टॉप बॉक्स की इनपुट आवृत्ति रेंज क्या है? A. 880 MHz to 2150 MHz | 880 MHz to 2150 मेगाहर्टज B. 47 MHz to 86 MHz | 47 MHz to 86 मेगाहर्टज C. 110 MHz to 862 MHz | 110 MHz to 862 मेगाहर्टज D. 88 MHz to108 MHz | 88 MHz to108 मेगाहर्टज 50 / 75 Category: Electronics Mechanic Second Year CBT Paper (TT)38. What is the core diameter size of single mode optical fiber? | एकल मोड ऑप्टिकल फाइबर का मुख्य व्यास आकार क्या है? A. 3.5 X 10⁻⁴ inches | 3.5 X 10⁻⁴ इंच B. 3.5 X 10⁻⁶ inches | 3.5 X 10⁻⁶ इंच C. 3.25 X 10³ inches | 3.25 X 10³ इंच D. 3.8 X 10⁻³ inches | 3.8 X 10⁻³ इंच 51 / 75 Category: Employability Skill CBT Paper (II)1. When a manufacturer trying to make a better school bag using design thinking. What would be the next step after understanding the students need in a bag? | जब कोई निर्माता डिज़ाइन थिंकिंग का उपयोग करके एक बेहतर स्कूल बैग बनाने की कोशिश कर रहा है तब विद्यार्थियों को एक बैग की आवश्यकता समझाने के बाद नेक्स्ट स्टेप क्या होगा? A. Choose the material for the bag | बैग के लिए मटेरियल चुनना B. Ask students to test the bags | विद्यार्थियों से बैग का टेस्ट करने को कहना C. Plan different bag designs | विभिन्न बैग डिजाइनों की प्लान बनाना D. Choose the colour of the bag | बैग का रंग चुनना 52 / 75 Category: Employability Skill CBT Paper (II)2. ______________is a file storage and synchronization service of cloud computing developed by Google. | ______________गूगल द्वारा विकसित क्लाउड कंप्यूटिंग की एक फ़ाइल स्टोरेज और सिंक्रनाइज़ेशन सेवा है। A. Internet Explorer | इंटरनेट एक्स्प्लोरर B. Netflix | नेटफ्लिक्स C. Google Drive | गूगल ड्राइव D. Hard disc | हार्ड डिस्क 53 / 75 Category: Employability Skill CBT Paper (II)3. If a teammate is struggling to complete their assigned task, what should you do? | यदि टीम का कोई साथी अपना निर्धारित कार्य पूरा करने में संघर्ष कर रहा है, तो आपको क्या करना चाहिए? A. Criticize them for not being efficient | कार्यकुशल न होने के कारण उनकी आलोचना करनी चाहि B. Ignore their struggle and focus on your own tasks | उनके संघर्ष को नजरअंदाज करके और अपने कार्यों पर ध्यान केंद्रित करना चाहिए C. Offer to help and support them to complete their task | उनके टास्क को पूरा करने के लिए उन्हें हेल्प और सपोर्ट ऑफर करना चाहिए D. Complain to the superior about their lack of contribution | उनके योगदान की कमी के बारे में सुपीरियर से कम्प्लेन करना चाहिए 54 / 75 Category: Employability Skill CBT Paper (II)4. What is required to get the feed back of your customers? | आपके ग्राहकों का फीडबैक प्राप्त करने के लिए क्या आवश्यक है? A. Brochure | ब्रोचर B. Market survey | मार्केट सर्वे C. Bill boards | बिल बोर्ड D. Advertisement on TV | TV पर एडवर्टाइजमेंट 55 / 75 Category: Employability Skill CBT Paper (II)5. One important rule to network effectively is ______ | प्रभावी ढंग से नेटवर्क बनाने का एक महत्वपूर्ण नियम ______ है A. focus on selling your product | अपने उत्पाद को बेचने पर ध्यान दें B. keep in touch with your contacts | अपने संपर्कों के साथ संपर्क में रहें C. talk to the same people | उन्हीं लोगों से बात करें D. identify your competitors | अपने प्रतिद्वंद्वियों को पहचानें 56 / 75 Category: Employability Skill CBT Paper (II)6. ________ is a time when you, your family, and your teacher meet and interact to understand and support each other better. | ________ वह समय होता है जब आप, आपका परिवार और आपके शिक्षक एक दूसरे को बेहतर ढंग से समझने और समर्थन करने के लिए मिलते हैं और बातचीत करते हैं। A. Family income | फैमिली इनकम B. Family engagement | फैमिली इंगेजमेंट C. Family meeting | फैमिली मीटिंग D. Family tour | फैमिली टूर 57 / 75 Category: Employability Skill CBT Paper (II)7. Which is a regular, non- APP based Gig economy job opportunity?| एक नियमित, गैर-APP आधारित गिग इकॉनमी जॉब का अवसर कौन सा है? A. Home catering | होम कैटरिंग B. Dunzo | डुन्ज़ो C. Uber | उबर D. Swiggy | स्विगी 58 / 75 Category: Employability Skill CBT Paper (II)8. During a job interview, which of the following responses shows good formal communication? | नौकरी के लिए साक्षात्कार के दौरान, निम्नलिखित में से कौन सी प्रतिक्रिया अच्छा फॉर्मल कम्युनिकेशन दर्शाती है? A. "I don't know, I never really thought about it." | "मैं नहीं जानता, मैंने वास्तव में इसके बारे में कभी नहीं सोचा था।" B. "I'm pretty good at a lot of things." | "मैं बहुत सी चीज़ों में बहुत अच्छा हूँ।" C. "Uh, I guess I can do a little bit of everything." | "उह, मुझे लगता है कि मैं थोड़ा-थोड़ा सब कुछ कर सकता हूं।" D. "My top three skills are problem-solving, teamwork, and attention to detail." | "मेरे टॉप तीन कौशल हैं प्रॉब्लम-सॉल्विंग, टीम वर्क, और डिटेल पर ध्यान देना।" 59 / 75 Category: Employability Skill CBT Paper (II)9. What does self-employment mean? | स्व-रोज़गार का क्या अर्थ है? A. Working independently and earning directly from your work | स्वतंत्र रूप से कार्य करना और सीधे अपने काम से कमाई करना B. Receiving a fixed monthly salary | एक निश्चित मासिक वेतन प्राप्त करना C. Working part-time from home | घर से पार्ट टाइम काम करना D. Working for a single employer | एकल एम्प्लायर के लिए कार्य करना 60 / 75 Category: Employability Skill CBT Paper (II)10. Which of the following statements shows good teamwork? | निम्नलिखित में से कौन सा कथन अच्छी टीम वर्क को दर्शाता है? A. Ignoring others' ideas and opinions | दूसरों के विचारों और राय को नजरअंदाज करना B. Criticizing teammates' efforts | टीम के साथियों के प्रयासों की आलोचना करना C. Keeping all ideas to yourself | सारे विचार अपने तक ही सीमित रखना D. Working together towards a common goal | एक समान लक्ष्य की दिशा में मिलकर काम करना 61 / 75 Category: Employability Skill CBT Paper (II)11. A _______ helps gig workers find customers and provide services at a fixed charge. | एक _______ गिग श्रमिकों को ग्राहक ढूंढने और एक निश्चित शुल्क पर सेवाएं प्रदान करने में सहायता करता है। A. netflix | नेटफ्लिक्स B. school | स्कूल C. bank | बैंक D. platform/app | प्लेटफ़ॉर्म/ऐ 62 / 75 Category: Employability Skill CBT Paper (II)12. What are some people related problems in a workplace? | कार्यस्थल पर लोगों से संबंधित कुछ समस्याएँ क्या हैं? A. Workers do not communicate while facing the problem | प्रॉब्लम को फेस करते समय कर्मचारी कम्यूनिकेट नहीं करते है B. More qualified workers | अधिक योग्य कर्मचारी C. More staff in the workplace | कार्यस्थल पर अधिक स्टाफ D. More experienced works | अधिक अनुभवी कार्य 63 / 75 Category: Employability Skill CBT Paper (II)13. Taking decisions on your own, after carefully thinking about them is the quality of _______ | ध्यानपूर्वक विचार करने के बाद स्वयं निर्णय लेना _______ का गुण है A. Self-belief | आत्म विश्वास B. Independent decision making | स्वतंत्र निर्णय लेना C. Grit | ग्रिट D. Self-awareness | आत्म जागरूकता 64 / 75 Category: Employability Skill CBT Paper (II)14. What should you always remember when creating your profile on a job portal? | जॉब पोर्टल पर अपनी प्रोफ़ाइल बनाते समय आपको हमेशा क्या याद रखना चाहिए? A. To leave out important information | महत्वपूर्ण जानकारी छूट जाना चाहिए B. To always be truthful | हमेशा सच्चा रहना चाहिए C. To use a fake name | नकली नाम का उपयोग करना चाहिए D. To include skills required for the job, even if you don't have them | नौकरी के लिए आवश्यक कौशलों को शामिल करना चाहिए, भले ही वे आपके पास नहीं हों। 65 / 75 Category: Employability Skill CBT Paper (II)15. Which app is a widely used for screen casting from your mobile phone? | आपके मोबाइल फोन से स्क्रीन कास्टिंग के लिए कौन सा ऐप सबसे अधिक उपयोग किया जाता है? A. WhatsApp | व्हाट्सएप B. Webcast | वेबकास्ट C. Mobizen | मोबिज़न D. Facebook | फेसबुक 66 / 75 Category: Employability Skill CBT Paper (II)16. Complete the sentence with suitable describing words | उचित वर्णनात्मक शब्दों से वाक्य पूरा करें There is a _________ garden with lovely flowers. A. good | गूड B. beautiful | ब्यूटीफुल C. big | बिग D. spacious | स्पसीअस 67 / 75 Category: Employability Skill CBT Paper (II)17. __________ are a great way for gig workers to find jobs. | __________ गिग श्रमिकों के लिए नौकरी खोजने का एक शानदार तरीका है। A. Online platforms and Apps | ऑनलाइन प्लेटफ़ॉर्म और ऐप्स B. Employment exchange | रोजगार कार्यालय C. Placement cell | प्लेसमेंट सेल D. Employment news paper | रोजगार समाचार पत्र 68 / 75 Category: Employability Skill CBT Paper (II)18. Which of the following is self-management skills? | निम्नलिखित में से कौन सा सेल्फ-मैनेजमेंट स्किल है? A. Speaking skill | स्पीकिंग स्किल B. Adaptability and Flexibility | अडाप्टेबिलिटी और फ्लेक्सिबिलिटी C. Writing skill | राइटिंग स्किल D. Listening skill | लिसनिंग स्किल 69 / 75 Category: Employability Skill CBT Paper (II)19. After preparing the resume, the next important step to do is _____ | बायोडाटा तैयार करने के बाद अगला महत्वपूर्ण कदम है _____ A. preparing for interview. | साक्षात्कार की तैयारी करना B. sending the resume to the employer. | एम्प्लायर को बायोडाटा भेजना C. applying for the job. | नौकरी के लिए आवेदन करना D. writing an impressive cover letter. | एक प्रभावशाली कवर लेटर लिखना 70 / 75 Category: Employability Skill CBT Paper (II)20. One of the good workplace skills is ________ | अच्छे कार्यस्थल कौशलों में से एक है ________ A. Maintain a clean workspace | कार्यस्थल को साफ़-सुथरा रखना B. Tap repeatedly on the desk. | डेस्क पर बार-बार टैप करना C. Not reaching office on time. | समय पर ऑफिस नहीं पहुंचना D. Speak lauder in phone. | फोन पर ऊंची आवाज में बात करना 71 / 75 Category: Employability Skill CBT Paper (II)21. Which kind of persons are with very good behaviour, achievements and lead as an example? | किस तरह के व्यक्ति बहुत अच्छे व्यवहार, उपलब्धियों और नेतृत्व के उदाहरण होते हैं? A. Sales supervisors | सेल्स सुपरवाइजर B. ITI instructors | ITI इंस्ट्रक्टर C. Customer service executives | कस्टमर सर्विस एग्जीक्यूटिव D. Role models | रोल मॉडल 72 / 75 Category: Employability Skill CBT Paper (II)22. Shortcut keys Ctrl+C, Ctrl+V, Ctrl+S mean _______ | शॉर्टकट कुंजी Ctrl+C, Ctrl+V, Ctrl+S का अर्थ है _______ A. cut, copy, save | कट, कॉपी, सेव B. save, cut, copy | सेव, कट, कॉपी C. cut, save, copy | कट, सेव, कॉपी D. copy, paste, save | कॉपी, पेस्ट, सेव 73 / 75 Category: Employability Skill CBT Paper (II)23. In a manufacturing unit, the packaging process is taking longer than usual time, causing delays in shipments. What should the workers do? | एक विनिर्माण इकाई में, पैकेजिंग प्रक्रिया में सामान्य से अधिक समय लग रहा है, जिससे शिपमेंट में देरी हो रही है। मजदूरों को क्या करना चाहिए? A. Continue packaging the same way | इसी प्रकार पैकेजिंग जारी रखना चाहिए B. Ignore the problem | समस्या पर ध्यान नहीं देना चाहिए C. Discuss and think about different ways to pack faster | तेजी से पैकिंग करने के विभिन्न तरीकों पर चर्चा करना और सोचना चाहिए D. Complain to the management | मैनेजमेंट से शिकायत करना चाहिए 74 / 75 Category: Employability Skill CBT Paper (II)24. When we find a faster way to pack products at the factory, what we should do? | जब हमें फ़ैक्टरी में उत्पादों को पैक करने का तेज़ तरीका मिल जाए, तो हमें क्या करना चाहिए? A. Share the faster packing method with our team | अपनी टीम के साथ तीव्र पैकिंग विधि शेयर करना चाहिए B. Continue packing the way the team has been doing | टीम जिस तरह से पैकिंग कर रही है, उसी तरह से पैकिंग जारी रखना चाहिए C. Pack products faster than our coworkers | हमारे कोवर्कर की तुलना में उत्पादों को तेजी से पैक करना चाहिए D. Keep the method as secret | मेथड को सीक्रेट रखना चाहिए 75 / 75 Category: Employability Skill CBT Paper (II)25. What is called a media presentation shared over the Internet? | इंटरनेट पर साझा की जाने वाली मीडिया प्रेजेंटेशन को क्या कहा जाता है? A. Live media | लाइव मीडिया B. Webcast | वेबकास्ट C. Live telecast | लाइव टेलीकास्ट D. Seminar | सेमिनार Your score isThe average score is 6% 0% Restart quiz Exit WhatsApp और YouTube चैनल से जुड़े रहनाWhats App CBT Practice PaperElectricianCOPAFitterDraughtsman MechanicFashion Design & TechnologyElectronic MechanicArchitectural DraughtsmanAeronautical Structure and Equipment FitterDraughtsman Civil अत्यधिक चर्चा में ITI Supplementary Exam Eligibility December 2025: Attendance और FA से जुड़े महत्वपूर्ण नियम | DGT के नए आदेश की पूरी जानकारी NCVT सप्लीमेंट्री/लेफ्टओवर परीक्षा (दिसम्बर-2025): उत्तर प्रदेश के प्रशिक्षार्थियों के लिए SCVT पोर्टल पर पंजीकरण शुरू SIDH पोर्टल पर कब होंगे बाकी बचे Trainee Migrate? CTS एडमिशन और डेटा अपलोड की अंतिम तिथि क्या है? DGT API Schedule PRADAN Taluk Coordinator Recruitment 2025: कर्नाटक में 32-36 हजार वेतन के साथ नई भर्ती Bank of India Recruitment 2025: स्केल-II, III और IV ऑफिसर्स की बड़ी भर्ती – आवेदन शुरू PNB LBO भर्ती 2025: पंजाब नेशनल बैंक में 750 लोकल बैंक ऑफिसर पदों पर आवेदन शुरू – योग्यता, सिलेबस, चयन प्रक्रिया और ऑनलाइन फॉर्म