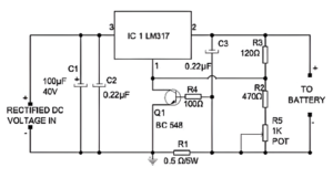
Electronic Mechanic Second Year CBT Paper – Free Practice Set -02By itikegyani.com / August 8, 2025 2 यह पेपर 2 घंटे का है 2 घंटे बाद पेपर अपने आप सबमिट हो जायेगा और आप चाहें तो 2 घंटे से पहले भी सबमिट कर सकते है|सॉरी समय समाप्त हो गया|Electronic Mechanic CBT Paper Second Year (Quiz -2)इस पेपर में 75 प्रशन है जिसमे Trade Tehory के 44 प्रशन, Workshop Calculation and Science के 06 प्रशन, Employability Skill के 25 प्रशन , प्रत्येक प्रशन 2 मार्क्स का है और किसी प्रकार की नेगेटिव मार्किंग नहीं है| 1 / 75 Category: Engineering Drawing CBT Paper (II)1. What is the name of the gate? | गेट का नाम क्या है? A. AND Gate | AND गेट B. NAND Gate | NAND गेट C. OR Gate | OR गेट D. Ex-Nor Gate | Ex-Nor गेट 2 / 75 Category: Engineering Drawing CBT Paper (II)2. Name the symbol. | प्रतीक का नाम बताइए। A. Electric bell | बिजली की घंटी B. Magnetic head | चुंबकीय हेड C. Magnetic relay | चुंबकीय रिले D. Buzzer | बजर 3 / 75 Category: Engineering Drawing CBT Paper (II)3. Which type of switch is this? | यह किस प्रकार का स्विच है? A. Preset resistors | प्रीसेट रेसिस्टर्स B. Loudspeakers | लाउडस्पीकरों C. Slide type | स्लाइड टाइप D. Coaxial connectors | समाक्षीय कनेक्टर 4 / 75 Category: Engineering Drawing CBT Paper (II)4. Which is the short circuit? | शॉर्ट सर्किट कौन सा है? A. When circuit is open | जब परिपथ खुला होता है B. When current flows through low resistance path | जब धारा निम्न प्रतिरोध पथ से प्रवाहित होती है C. When no current flows in the circuit | जब परिपथ में कोई धारा प्रवाहित नहीं होती D. When current flows through high resistance path | जब धारा उच्च प्रतिरोध पथ से प्रवाहित होती है 5 / 75 Category: Engineering Drawing CBT Paper (II)5. Find the symbol. | यह कौन सा स्विच सिंबल है? A. Loudspeaker | लउडस्पीकर B. Meter | मीटर C. Microphone | माइक्रोफ़ोन D. AC supply | AC आपूर्ति 6 / 75 Category: Engineering Drawing CBT Paper (II)6. Identify the given picture. | दिए गए चित्र को पहचानिए. A. Capacitor | कैपासिटर B. Resistor | रेसिस्टर C. Diode | डायोड D. Inductor | इन्डक्टर 7 / 75 Category: Electronics Mechanic Second Year CBT Paper (TT)1. What is the name of the IC package shown in the figure? | चित्र में दर्शाए गए IC पैकेज का नाम क्या है? A. LQFP | एलक्यूएफपी B. PQFP | पीक्यूएफपी C. CQFP | सीक्यूएफपी D. BQFP | बीक्यूएफपी 8 / 75 Category: Electronics Mechanic Second Year CBT Paper (TT)2. Which type of leads are constructed in SOIC package? | SOIC पैकेज में किस प्रकार के लीड का निर्माण किया गया है? A. Flat leads | फ्लैट लीड्स B. Gull wing leads | गूल विंग लीड्स C. Padsin leads | पेडसीन लीड्स D. Pitch ball leads | पिच बॉल लीड्स 9 / 75 Category: Electronics Mechanic Second Year CBT Paper (TT)3. What is the use of F-connector? | F- कनेक्टर का उपयोग क्या है? A. Cable TV circuits | केबल टीवी सर्किट B. Audio circuits only | केवल ऑडियो सर्किट C. Power supply circuits | विद्युत आपूर्ति सर्किट D. Telephone circuits | टेलीफोन सर्किट 10 / 75 Category: Electronics Mechanic Second Year CBT Paper (TT)4. What is the application of strain gauge? | स्ट्रेन गेज के क्या उपयोग है? A. Pressure and displacement | दबाव और विस्थापन B. Temperature measurement | तापमान माप C. Radiation measurement | विकिरण माप D. Compression and tension measurement | संपीड़न और तनाव माप 11 / 75 Category: Electronics Mechanic Second Year CBT Paper (TT)5. Which device is used to correct the corrupted software in a cell phone? | सेल फ़ोन में करप्टेड सॉफ़्टवेयर को ठीक करने के लिए किस उपकरण का उपयोग किया जाता है? A. Universal flash storage | यूनिवर्सल फ्लैश स्टोरेज B. Universal file storage | यूनिवर्सल फाइल स्टोरेज C. Utility function storage | यूटिलिटी फंक्शन स्टोरेज D. Unlocking flash storage | फ्लैश स्टोरेज अनलॉक करना 12 / 75 Category: Electronics Mechanic Second Year CBT Paper (TT)6. How batteries are rated? | बैटरी कैसे रेट की जाती हैं? A. Ampere hour | अम्पीयर आवर B. Volt | वोल्ट C. Wattage hour | वॉटेज आवर D. Efficiency | दक्षता 13 / 75 Category: Electronics Mechanic Second Year CBT Paper (TT)7. How much is the value of output voltage compared to input voltage in a step-up chopper circuit? | स्टेप-अप चॉपर सर्किट में इनपुट वोल्टेज की तुलना में आउटपुट वोल्टेज का मान कितना होता है? A. Equal | बराबर B. High | हाई C. Approximately Equal | लगभग बराबर D. Low | कम 14 / 75 Category: Electronics Mechanic Second Year CBT Paper (TT)8. What is the modulation index of the Amplitude modulated waveform as shown in the figure? | जैसा कि चित्र में दिखाया गया है, आयाम संग्राहक तरंगरूप का मॉडुलन सूचकांक क्या है? A. 0.5 B. 10 C. 5 D. 50 15 / 75 Category: Electronics Mechanic Second Year CBT Paper (TT)9. What is the full form of UPS? | UPS का फुल फॉर्म क्या है? A. Utility Power Supply | यूटिलिटी पावर सप्लाई B. Uninterrupted Power Supply | अनइंटरप्टेड पावर सप्लाई C. Uprooted Power Supply | अपरूटेड पावर सप्लाई D. Unlimited Power Supply | अनलिमिटेड पावर सप्लाई 16 / 75 Category: Electronics Mechanic Second Year CBT Paper (TT)10. What is the purpose of photovoltaic cell? | फोटोवोल्टिक सेल का उद्देश्य क्या है? A. Generates voltage from dynamo | डायनेमो से वोल्टेज उत्पन्न करना B. Generates voltage from sunlight | सूर्य के प्रकाश से वोल्टेज उत्पन्न करना C. Generates voltage from tidal power | ज्वारीय शक्ति से वोल्टेज उत्पन्न करना D. Generates voltage from wind power | पवन ऊर्जा से वोल्टेज उत्पन्न करना 17 / 75 Category: Electronics Mechanic Second Year CBT Paper (TT)11. How many DMA channels are there in an AT-machine? | AT-मशीन में कितने DMA चैनल होते हैं? A. 7 B. 4 C. 8 D. 3 18 / 75 Category: Electronics Mechanic Second Year CBT Paper (TT)12. Which device limits the voltage and charging of battery in solar electric system? | सौर विद्युत प्रणाली में कौन सा उपकरण वोल्टेज और बैटरी की चार्जिंग को सीमित करता है? A. Multiplexer | मल्टीप्लेक्स B. Inverter | इन्वर्टर C. Regulator | रेगुलेटर D. Charge controller | चार्ज कंट्रोलर 19 / 75 Category: Electronics Mechanic Second Year CBT Paper (TT)13. Which software interfaces the major hardware components of the computer with OS? | कौन सा सॉफ़्टवेयर कंप्यूटर के प्रमुख हार्डवेयर घटकों को OS से जोड़ता है? A. Application Software | एप्लीकेशन सॉफ्टवेयर B. BIOS | बायोस C. Utility Software | उपयोगिता सॉफ्टवेयर D. CMOS | सीएमओएस 20 / 75 Category: Electronics Mechanic Second Year CBT Paper (TT)14. What is the name of the section marked as ‘X’ in the digital communication system shown in the figure? | चित्र में दिखाए गए डिजिटल संचार प्रणाली में 'X' के रूप में चिह्नित अनुभाग का नाम क्या है? A. Modulator | न्यूनाधिक/मोडलेटर B. Multiplexer | बहुसंकेतक/मल्टीप्लेक्सर C. Rectifier | रेक्टिफिएर D. Amplifier | एम्पलीफायर 21 / 75 Category: Electronics Mechanic Second Year CBT Paper (TT)15. Which type of transducer is used in the LVDT? | LVDT में किस प्रकार के ट्रांसड्यूसर का उपयोग किया जाता है? A. Resistive | प्रतिरोधक B. Inductive | प्रेरक C. Optical | ऑप्टिकल D. Capacitive | कैपेसिटिव 22 / 75 Category: Electronics Mechanic Second Year CBT Paper (TT)16. Which type of converter is shown in the figure? | चित्र में किस प्रकार का कनवर्टर दिखाया गया है? A. Fly back converter | फ्लाई बैक कनवर्टर B. AC to DC converter | AC टु DC कनवर्टर C. DC to AC converter | DC टु AC कनवर्टर D. Forward type converter | फॉरवर्ड टाइप कनवर्टर 23 / 75 Category: Electronics Mechanic Second Year CBT Paper (TT)17. What is the full form of ISA? | ISA का फुल फॉर्म क्या है? A. Industry Software Architecture | इंडस्ट्री सॉफ़्टवेयर आर्किटेक्चर B. Industry System Architecture | इंडस्ट्री सिस्टम आर्किटेक्चर C. Industry Standard Architecture | इंडस्ट्री स्टैंडर्ड आर्किटेक्चर D. Institution Standard Architecture | इंस्टिट्यूशन स्टैंडर्ड आर्किटेक्चर 24 / 75 Category: Electronics Mechanic Second Year CBT Paper (TT)18. How much information can be stored in a CD (Compact Disk)? | CD (कॉम्पैक्ट डिस्क) में कितनी जानकारी संग्रहीत की जा सकती है? A. 100 Mb | 100 एमबी B. 150 Mb | 150 एमबी C. 650 Mb | 650 एमबी D. 1.4 Gb | 1.4 जीबी 25 / 75 Category: Electronics Mechanic Second Year CBT Paper (TT)19. What is the purpose of using divide by 12 network in 8051 microcontroller oscillator output to feed the timer? | टाइमर को फीड करने के लिए 8051 माइक्रोकंट्रोलर oscillator उत्पादन में 12 नेटवर्क द्वारा डिवाइड का उपयोग करने का उद्देश्य क्या है? A. Clock signal | घड़ी संकेत B. Special function register | स्पेशल फंक्शन रजिस्टर C. Amplifier input signal | एम्पलीफायर इनपुट संकेत D. Loading initial value | प्रारंभिक मूल्य लोड हो रहा है 26 / 75 Category: Electronics Mechanic Second Year CBT Paper (TT)20. What is the abbreviation of CISC used in microcontroller? | माइक्रोकंट्रोलर में प्रयुक्त CISC का संक्षिप्त नाम क्या है? A. Complex Integer Set Computer | कॉम्प्लेक्स इंटीजर सेट कंप्यूटर B. Complete Instruction Set Computer | कम्प्लीट इंस्ट्रक्शन सेट कंप्यूटर C. Complex Instruction Set Computer | कॉम्प्लेक्स इंस्ट्रक्शन सेट कंप्यूटर D. Compact Instruction Set Computer | कॉम्पैक्ट इंस्ट्रक्शन सेट कंप्यूटर 27 / 75 Category: Electronics Mechanic Second Year CBT Paper (TT)21. How the logic operations performed by the MCS 51 family microcontroller? | MCS 51 परिवार माइक्रोकंट्रोलर द्वारा तर्क संचालन कैसे किया जाता है? A. Opcode format | Opcode प्रारूप B. Function mnemonic | फंक्शन स्मरक C. Bits and Byte operands | बिट्स और बाइट ऑपरेंड D. Bit operand | बिट संकार्य 28 / 75 Category: Electronics Mechanic Second Year CBT Paper (TT)22. Which type of coating process is used to applying para-xylylene as conformal coating on PCB? | PCB पर कंफर्मल लेप कोटिंग के रूप में पैरा-जाइलीन को लगाने के लिए किस प्रकार की कोटिंग प्रक्रिया का उपयोग किया जाता है? A. Brushing | ब्रश करना B. Chemical vapour deposition | रासायनिक वाष्प जमाव C. Spraying | छिड़काव D. Dipping | डूबना 29 / 75 Category: Electronics Mechanic Second Year CBT Paper (TT)23. Which is the second stage in the reflow soldering process? | रिफ्लो सोल्डरिंग प्रक्रिया में दूसरा चरण कौन सा है? A. Preheat zone | पहले से गरम ज़ोन B. Reflow zone | रीफ़्लो ज़ोन C. Cooling zone | शीतलक ज़ोन D. Thermal soak zone | थर्मल सोख ज़ोन 30 / 75 Category: Electronics Mechanic Second Year CBT Paper (TT)24. What is the name of the radio receiver shown in the figure? | चित्र में दिखाए गए रेडियो रिसीवर का नाम क्या है? A. Reflectional receiver | रेफ्लेक्शनल रिसीवर B. FM receiver | एफएम रिसीवर C. Superheterodyne receiver | सुपरहेट्रोडाइन रिसीवर D. TRF receiver | TRF रिसीवर 31 / 75 Category: Electronics Mechanic Second Year CBT Paper (TT)25. Which chip acts as a clock to keep the correct Date and Time? | कौन सी चिप सही दिनांक और समय रखने के लिए घड़ी की तरह काम करती है? A. CMOS | सीएमओएस B. DVRAM | डीवीरैम C. RAM | रैम D. ROM | रोम 32 / 75 Category: Electronics Mechanic Second Year CBT Paper (TT)26. What is the name of the optical fiber cable part marked as ‘X’ shown in the figure? | चित्र में दिखाए गए ‘X’ से चिह्नित ऑप्टिकल फाइबर केबल भाग का नाम क्या है? A. Buffer jacket | बफर जैकेट B. Cladding | क्लैडिंग C. Core | कोर D. Strength member | शक्ति सदस्य 33 / 75 Category: Electronics Mechanic Second Year CBT Paper (TT)27. What is the standard test conditions for the sizing of PV module? | PV मॉड्यूल के आकार के लिए मानक परीक्षण की स्थिति क्या है? A. 4000 watts per square meter | 4000 वॉट प्रति वर्ग मीटर B. 2000 watts per square meter | 2000 वॉट प्रति वर्ग मीटर C. 1000 watts per square meter | 1000 वॉट प्रति वर्ग मीटर D. 500 watts per square meter | 500 वॉट प्रति वर्ग मीटर 34 / 75 Category: Electronics Mechanic Second Year CBT Paper (TT)28. Which term is related to the information about hue and saturation of a colour? | कौन सा अवधि रंग और एक रंग की संतृप्ति के बारे में जानकारी से संबंधित है? A. Chrominance | क्रोमिनेंस B. Resonance | रेजोनेंस C. Luminance | लुमिनस D. Ferroresonance | फेर्रोरेसोनन्स 35 / 75 Category: Electronics Mechanic Second Year CBT Paper (TT)29. Which mode is selected for operation to enable the read or write pin of LCD module kept at high level? | उच्च स्तर पर रखे गए एलसीडी मॉड्यूल के रीड या राइट पिन को सक्षम करने के लिए ऑपरेशन के लिए कौन सा मोड चुना गया है? A. Read mode | रीड मोड B. Display mode | डिस्प्ले मोड C. Write mode | राइट मोड D. Store mode | स्टोर मोड 36 / 75 Category: Electronics Mechanic Second Year CBT Paper (TT)30. What is the name of the part marked as ‘X’ in the MCB shown in the figure? | चित्र में दिखाए गए MCB में ‘X’ से चिह्नित भाग का नाम क्या है? A. Solenoid | सोलेनोइड B. Latch | लैच C. Contact | कांटेक्ट D. Plunger | प्लंजर 37 / 75 Category: Electronics Mechanic Second Year CBT Paper (TT)31. What is the advantage of LED? | LED का फायदा क्या है? A. Short life spans | लघु जीवन काल B. High voltage operation | हाई वोल्टेज आपरेशन C. Low power consumption | कम बिजली की खपत D. Flickering effect | फ़्लिकेरिंग इफ़ेक्ट 38 / 75 Category: Electronics Mechanic Second Year CBT Paper (TT)32. Which is an alternative to ceramic SMD IC packages? | सिरेमिक SMD IC पैकेज का विकल्प क्या है? A. Metal packages | धातु पैकेज B. Fiber packages | फाइबर पैकेज C. Plastic packages | प्लास्टिक के पैकेज D. Glass packages | ग्लास पैकेज 39 / 75 Category: Electronics Mechanic Second Year CBT Paper (TT)33. What is the range of frequencies covered under S-Band used for TV signal transmission? | TV सिग्नल ट्रांसमिशन के लिए उपयोग किए जाने वाले S-बैंड के तहत आने वाली आवृत्तियों की सीमा क्या है? A. 41 MHz to 68 MHz | 41 मेगाहर्टज से 68 मेगाहर्टज B. 174 MHz to 230 MHz | 174 मेगाहर्टज से 230 मेगाहर्टज C. 88 MHz to 104 MHz | 88 मेगाहर्टज से 104 मेगाहर्टज D. 104 MHz to 174 MHz | 104 मेगाहर्टज से 174 मेगाहर्टज 40 / 75 Category: Electronics Mechanic Second Year CBT Paper (TT)34. Which type of operation is done by the battery charger circuit shown in the figure? | चित्र में दर्शाए गए बैटरी चार्जर सर्किट द्वारा किस प्रकार का ऑपरेशन किया जाता है? A. Fast charging | फास्ट चार्जिंग B. Flash charging | फ्लैश चार्जिंग C. WiFi charging | वाईफाई चार्जिंग D. Trickle charging | ट्रिकल चार्जिंग 41 / 75 Category: Electronics Mechanic Second Year CBT Paper (TT)35. What is the function of the block marked as ‘X’ in data selector circuit shown in the figure? | चित्र में दिखाए गए डेटा चयनकर्ता सर्किट में ‘X’ से चिह्नित ब्लॉक का कार्य क्या है? A. Modulator | मोडलेटर B. Amplifier | एम्पलीफायर C. Demultiplexer | डेमल्टीप्लेक्सेर D. Multiplexer | मल्टीप्लेक्सर 42 / 75 Category: Electronics Mechanic Second Year CBT Paper (TT)36. Which colour is produced by the semiconductor material Aluminium Gallium Phosphide (AlGaP) in LED? | एल्युमिनियम गैलियम फास्फाइड (AlGaP) LED में कौन सा रंग अर्धचालक पदार्थ द्वारा निर्मित होता है? A. Blue | नीला B. Yellow | पीला C. Green | हरा D. Red | लाल 43 / 75 Category: Electronics Mechanic Second Year CBT Paper (TT)37. Which cable is used to connect LED TV and media device as shown in the figure? | LED TV और मीडिया डिवाइस को जोड़ने के लिए किस केबल का उपयोग किया जाता है? A. USB Cable | यूएसबी केबल B. Optical Cable | ऑप्टिकल केबल C. RCA Cable | आरसीए केबल D. HDMI Cable | एचडीऍमआई केबल 44 / 75 Category: Electronics Mechanic Second Year CBT Paper (TT)38. Which an is active first in PC during booting process? | बूटिंग प्रक्रिया के दौरान पीसी में सबसे पहले कौन सा सक्रिय होता है? A. RAM BIOS | रैम BIOS B. ROM BIOS | रोम BIOS C. CMOS | सीएमओएस D. Hard Disk information | हार्ड डिस्क की जानकारी 45 / 75 Category: Workshop Calculation and Science CBT Paper (II)1. What is the value of 14x+3y+25x+2y? | 14x +3y+25x+2y का मान क्या है? A. 16x + 28y B. 39x + 5y C. 17x + 27y D. 44xy 46 / 75 Category: Workshop Calculation and Science CBT Paper (II)2. What is the formula for (a-b)2? | (a-b)2 का सूत्र क्या है? A. a² - 2ab - b² B. -a² - 2ab - b² C. a² - 2ab + b² D. a² + 2ab + b² 47 / 75 Category: Workshop Calculation and Science CBT Paper (II)3. What is the value of (a5)7? | (a5)7 का मान क्या है? A. a²¹ B. a³⁵ C. a²² D. a¹² 48 / 75 Category: Workshop Calculation and Science CBT Paper (II)4. What is the use of engineering drawing? | इंजीनियरिंग ड्रॉइंग का क्या उपयोग है? A. For colourful appearance | रंगीन उपस्थिति के लिए B. For reducing the cost | लागत को कम करने के लिए C. For estimation of material and execution of work | सामग्री और कार्य के निष्पादन का आंकलन करने के लिए D. For increasing the cost | लागत में वृद्धि के लिए 49 / 75 Category: Workshop Calculation and Science CBT Paper (II)5. What is the value of a x a2 x a3 x a4 ? | a x a2 x a3 x a4 का मान क्या है? A. a⁹ B. a¹⁰ C. a⁸ D. a⁷ 50 / 75 Category: Workshop Calculation and Science CBT Paper (II)6. Who prepares the cost of estimation? | आंकलन की लागत कौन तैयार करता है? A. Estimator | अनुमानक B. Operator | ऑपरेटर C. Quality Inspector | गुणवत्ता निरीक्षक D. Draughts man | ड्राफ्ट्समैन 51 / 75 Category: Employability Skill CBT Paper (II)1. The conditions in a place that affect the behaviour and development of somebody or something is called __________ | किसी स्थान की परिस्थितियाँ जो किसी व्यक्ति या वस्तु के व्यवहार और विकास को प्रभावित करती हैं, __________ कहलाती हैं A. environment | पर्यावरण B. facilities | सुविधाएं C. neighbourhood | नेबरहुड D. locality | स्थानीयता 52 / 75 Category: Employability Skill CBT Paper (II)2. Gestures, facial expressions, eye contact are examples of _______ | जेस्चर, फेसिअल एक्सप्रेशन, आइ कांटेक्ट _______ के उदाहरण हैं । A. verbal communication | वर्बल कम्युनिकेशन B. oral communication | ओरल कम्युनिकेशन C. written communication | रिटेन कम्युनिकेशन D. non-verbal communication | नॉन-वर्बल कम्युनिकेशन 53 / 75 Category: Employability Skill CBT Paper (II)3. One of the informations in an informal conversation with a co-worker is _________ | किसी को-वर्कर के साथ इनफॉर्मल कन्वर्सेशन में दी गई जानकारी में से एक है _________ A. asking about their house. | उनके घर के बारे में पूछना B. asking about the office timing. | ऑफिस टाइमिंग के बारे में पूछना C. asking about their roles in the company. | कंपनी में उनकी भूमिकाओं के बारे में पूछना D. asking about their experience | उनके अनुभव के बारे में पूछना 54 / 75 Category: Employability Skill CBT Paper (II)4. Which one is a cyber crime? | साइबर क्राइम कौन सा है? A. Online gambling | ऑनलाइन गैम्बलिंग B. Online purchasing | ऑनलाइन खरीददारी करना C. Chatting with friends | दोस्तों के साथ चैट करना D. Sending email | ईमेल भेजना 55 / 75 Category: Employability Skill CBT Paper (II)5. For a project work you have collected some information from internet and sorted it. What is the best way to share it with your team? | किसी प्रोजेक्ट कार्य के लिए आपने इंटरनेट से कुछ इनफार्मेशन कलेक्ट की है और उसे क्रमबद्ध किया है। इसे अपनी टीम के साथ शेयर करने का सबसे अच्छा तरीका क्या है? A. Share only the main points clearly, use simple words and pictures, if possible | केवल मेन पॉइंट्स को स्पष्ट रूप से शेयर करना चाहिए, यदि संभव हो तो सरल वर्ड्स और पिक्चर्स का उपयोग करना चाहिए B. Print all the information and give it to the team members. | सारी इनफार्मेशन प्रिंट करके टीम मेंबर्स को देना चाहिए C. Talk about information which are not available | उन इनफार्मेशन के बारे में बात करना चाहिए जो उपलब्ध नहीं हैं D. Tell everything in detail | सब कुछ डिटेल से बताना चाहिए 56 / 75 Category: Employability Skill CBT Paper (II)6. You are a talented carpenter. In what way it will help your work on YouTube video? | आप एक प्रतिभाशाली कारपेंटर हैं, यह किस तरह से YouTube वीडियो पर आपके काम में मदद करेगा? A. It allows people to see your carpentry skills and appreciate your expertis | यह लोगों को आपके कारपेन्टरी कौशल को देखने और आपकी विशेषज्ञता की सराहना करने की अनुमति देता है B. Just a time pass | बस एक टाइम पास है C. Its a hobby | यह एक शौक है D. Many related videos are available | इससे संबंधित कई वीडियो उपलब्ध हैं 57 / 75 Category: Employability Skill CBT Paper (II)7. Which one is the input device among the options? | विकल्पों में से कौन सा इनपुट डिवाइस है? A. Monitor | मॉनिटर B. Keyboard | कीबोर्ड C. Printer | प्रिंटर D. Speaker | स्पीकर 58 / 75 Category: Employability Skill CBT Paper (II)8. If a co-worker asks for a support with a task, proper way of responding is _________ | यदि कोई सहकर्मी किसी कार्य के लिए सहायता मांगता है, तो प्रतिक्रिया देने का उचित तरीका _________ है A. ask, you don't even know this much? | पूछो, तुम्हें इतना भी नहीं पता? B. i am too busy right now | मैं इस समय बहुत व्यस्त हूं। C. sure, I can help. What do you need? | ज़रूर, मैं मदद कर सकता हूँ। आपको किस चीज़ की जरूरत है? D. send a formal request via email | ईमेल के माध्यम से एक औपचारिक अनुरोध रिक्वेस्ट भेजना 59 / 75 Category: Employability Skill CBT Paper (II)9. Which among the following is self-employment idea? | निम्नलिखित में से कौन सा एक स्व-रोजगार विचार है? A. Boutique owner | बुटीक ओनर B. Home catering service | होम कैटरिंग सर्विस C. Freelance tailoring Service | फ्रीलान्स टेलरिंग सर्विस D. All the options | सभी विकल्प 60 / 75 Category: Employability Skill CBT Paper (II)10. If a factory manager get big order to deliver but there are shortage of workers. In that situation, the manager will _______ | यदि किसी फ़ैक्टरी मैनेजर को डिलीवरी के लिए बड़ा ऑर्डर मिलता है लेकिन श्रमिकों की कमी है। उस स्थिति में, मैनेजर _______ A. Request workers to work extra hours | कर्मचारियों से अतिरिक्त घंटे काम करने का अनुरोध करेगा B. Cancel the orders | ऑर्डर रद्द करेगा C. Stop working | काम करना बंद करेगा D. Ignore the problem | समस्या पर ध्यान नहीं देगा 61 / 75 Category: Employability Skill CBT Paper (II)11. Which of the following is not a resource? | निम्नलिखित में से कौन सा संसाधन नहीं है? A. Raw materials | कच्चा माल B. Customer database | ग्राहक डेटाबेस C. Profit earned | लाभ कमाया D. Loss in business | व्यापार में हानि 62 / 75 Category: Employability Skill CBT Paper (II)12. Which of these situations show people working well together as a team? | इनमें से कौन सी स्थिति लोगों को एक टीम के रूप में मिलकर अच्छा काम करते हुए दिखाती है? A. One person doing all the work without any help from team members | एक व्यक्ति टीम के सदस्यों की सहायता के बिना सभी कार्य कर रहा है B. A group sharing ideas and listening to each other | एक समूह जो विचार साझा करता है और एक दूसरे को सुनता है C. All are working without discussing each other | सभी एक-दूसरे से चर्चा किए बिना काम कर रहे हैं D. Two people arguing and not agreeing | दो लोग बहस कर रहे हैं और सहमत नहीं हो रहे हैं 63 / 75 Category: Employability Skill CBT Paper (II)13. A person always trying out new ways to reuse the waste materials called as _______ | एक व्यक्ति अपशिष्ट पदार्थों को पुन: उपयोग करने के लिए हमेशा नए तरीके आज़माता रहता है जिसे _______ कहा जाता है A. Idea Person | आइडिया पर्सन B. Planner | प्लानर (योजनाकर्ता) C. Peacekeeper | पीसकीपर (शांतिरक्षक) D. Doer | डॉयर (कर्ता) 64 / 75 Category: Employability Skill CBT Paper (II)14. Full form of GPS is _______ | GPS का फुल फॉर्म _______ है A. Globe Pointing System | ग्लोब पॉइंटिंग सिस्टम B. Great Polar System | महान ध्रुवीय प्रणाली C. Global Planning System | वैश्विक योजना प्रणाली D. Global Positioning System | ग्लोबल पोजिशनिंग सिस्टम 65 / 75 Category: Employability Skill CBT Paper (II)15. Punctuality means _______ | समय की पाबंदी का अर्थ _______ है । A. politeness | पलाइट्नेस B. being on time | समय पर होना C. done by punching machine | पंचिंग मशीन द्वारा किया गया है D. informal | इनफॉर्मल 66 / 75 Category: Employability Skill CBT Paper (II)16. To learn digital marketing in the Skill India Digital Platform, we have to ________ | स्किल इंडिया डिजिटल प्लेटफॉर्म में डिजिटल मार्केटिंग सीखने के लिए हमें ________ होगा। A. find a physical training center | एक फिजिकल ट्रेनिंग सेंटर खोजना B. explore the skill courses section | स्किल कोर्स सेक्शन देखना C. enroll in any course available | किसी भी उपलब्ध पाठ्यक्रम में दाखिला लेना D. search for job opportunities | नौकरी के अवसरों की तलाश करना 67 / 75 Category: Employability Skill CBT Paper (II)17. While working on a project with other teammates, which of these make as a good team player? | टीम के अन्य साथियों के साथ किसी प्रोजेक्ट पर काम करते समय, इनमें से कौन एक अच्छा टीम प्लेयर बनता है? A. Not listening to teammates ideas and opinions | टीम के साथियों के आइडियाज और ओपिनियन को न सुनना B. Thinking we never make a mistake | यह सोचना कि हम कभी गलती नहीं करते C. Getting angry when others don't listen | जब दूसरे लोग आपकी बात नहीं सुनते तो गुस्सा आना D. Sharing ideas to help the team work faster | टीम को तेजी से काम करने में मदद करने के लिए आइडियाज शेयर करना 68 / 75 Category: Employability Skill CBT Paper (II)18. While working in a project, you understand that you did a mistake. What should you do? | किसी प्रोजेक्ट में काम करते समय आपको समझ आता है कि आपसे गलती हो गई। आपको क्या करना चाहिये? A. Tell your boss about the mistake | गलती के बारे में अपने बॉस को बताना चाहिए B. Wait for someone else to find out your mistake | अपनी गलती जानने के लिए किसी और का इंतजार करना चाहिए C. Blame team members for the mistake | गलती के लिए टीम के सदस्यों को दोष देना चाहिए D. Ignore the mistake and continue working | गलती को नजरअंदाज करना और काम जारी रखना चाहिए 69 / 75 Category: Employability Skill CBT Paper (II)19. Complete the sentence with suitable describing words There is a ________ playground near our house. | उपयुक्त वर्णनात्मक शब्दों से वाक्य पूरा करें । There is a ________ playground near our house. A. good | गुड B. Big | बिग C. beautiful | ब्यूटीफुल D. spacious | विशाल 70 / 75 Category: Employability Skill CBT Paper (II)20. Skill India Digital is _________ | स्किल इंडिया डिजिटल _________ है A. central govt. office | केंद्र सरकार कार्यालय B. a digital Movie | एक डिजिटल मूवी C. a platform for learning and career resource | सीखने और करियर संसाधन के लिए एक मंच D. name of a trade | ट्रेड का नाम 71 / 75 Category: Employability Skill CBT Paper (II)21. One important rule to network effectively is ______ | प्रभावी ढंग से नेटवर्क बनाने का एक महत्वपूर्ण नियम ______ है A. talk to the same people | उन्हीं लोगों से बात करें B. focus on selling your product | अपने उत्पाद को बेचने पर ध्यान दें C. identify your competitors | अपने प्रतिद्वंद्वियों को पहचानें D. keep in touch with your contacts | अपने संपर्कों के साथ संपर्क में रहें 72 / 75 Category: Employability Skill CBT Paper (II)22. For applying a job your first preparation is ______ | नौकरी के लिए आवेदन करने के लिए आपकी पहली तैयारी ______ है । A. book a ticket to interview place | साक्षात्कार स्थल के लिए एक टिकट बुक करें B. preparing resume | बायोडाटा तैयार करें C. save money for expenses | खर्चों के लिए पैसे बचाएं D. prepare for interview | इंटरव्यू के लिए तैयारी करें 73 / 75 Category: Employability Skill CBT Paper (II)23. What type of resources one can find in the Skill India Digital Platform? | स्किल इंडिया डिजिटल प्लेटफ़ॉर्म में किस प्रकार के संसाधन मिल सकते हैं? A. Only job listings | केवल नौकरी लिस्टिंग B. Courses, skill centers, job opportunities, and more | कोर्स, स्किल सेंटर, जॉब अपॉर्चुनिटी, और बहुत कुछ C. Financial services and government schemes | फाइनेंसियल सर्विस और गवर्नमेंट स्कीम D. Only eBooks and reading materials | केवल पुस्तकें और रीडिंग मटेरियल 74 / 75 Category: Employability Skill CBT Paper (II)24. What is a benefit of self-improvement? | सेल्फ-इम्प्रूवमेंट का क्या लाभ है? A. Stagnation | स्थिरता B. Increased workload | बढ़ा हुआ कार्यभार C. Lower confidence | कम आत्मविश्वास D. Better relationships | बेहतर रिश्ते 75 / 75 Category: Employability Skill CBT Paper (II)25. When your team's project is unsuccessful, what will you do as a leader? | जब आपकी टीम का प्रोजेक्ट असफल हो जाता है, तो एक लीडर के रूप में आप क्या करेंगे? A. Encourage learning from mistakes | गलतियों से सीखने के लिए प्रोत्साहित करना चाहिए B. Ignore the team members | टीम के सदस्यों की उपेक्षा करना चाहिए C. Blame the team for the failure | असफलता के लिए टीम को दोषी ठहराना चाहिए D. Scold them | उन्हें डाटना चाहिए Your score isThe average score is 4% 0% Restart quiz Exit WhatsApp और YouTube चैनल से जुड़े रहनाWhats App CBT Practice PaperElectricianCOPAFitterDraughtsman MechanicFashion Design & TechnologyElectronic MechanicArchitectural DraughtsmanAeronautical Structure and Equipment FitterDraughtsman Civil अत्यधिक चर्चा में ITI Supplementary Exam Eligibility December 2025: Attendance और FA से जुड़े महत्वपूर्ण नियम | DGT के नए आदेश की पूरी जानकारी NCVT सप्लीमेंट्री/लेफ्टओवर परीक्षा (दिसम्बर-2025): उत्तर प्रदेश के प्रशिक्षार्थियों के लिए SCVT पोर्टल पर पंजीकरण शुरू SIDH पोर्टल पर कब होंगे बाकी बचे Trainee Migrate? CTS एडमिशन और डेटा अपलोड की अंतिम तिथि क्या है? DGT API Schedule PRADAN Taluk Coordinator Recruitment 2025: कर्नाटक में 32-36 हजार वेतन के साथ नई भर्ती Bank of India Recruitment 2025: स्केल-II, III और IV ऑफिसर्स की बड़ी भर्ती – आवेदन शुरू PNB LBO भर्ती 2025: पंजाब नेशनल बैंक में 750 लोकल बैंक ऑफिसर पदों पर आवेदन शुरू – योग्यता, सिलेबस, चयन प्रक्रिया और ऑनलाइन फॉर्म