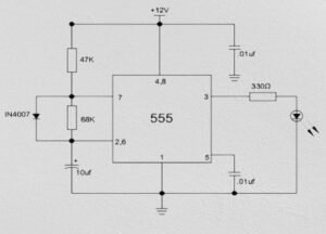
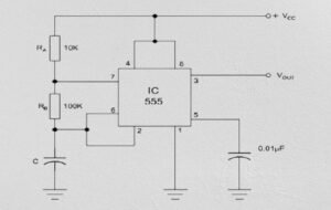
Electronics Mechanic First Year CBT Paper – Free Practice Set -5By itikegyani.com / February 6, 2025 0% 5 यह पेपर 2 घंटे का है 2 घंटे बाद पेपर अपने आप सबमिट हो जायेगा और आप चाहें तो 2 घंटे से पहले भी सबमिट कर सकते है| सॉरी समय समाप्त हो गया| Electronic Mechanic CBT Paper First Year (Quiz -5) इस पेपर में 75 प्रशन है जिसमे Trade Tehory के 38 प्रशन, Workshop Calculation and Science के 06 प्रशन, Engineering Drawing के 06 प्रशन, Employability Skill के 25 प्रशन , प्रत्येक प्रशन 2 मार्क्स का है और किसी प्रकार की नेगेटिव मार्किंग नहीं है| 1 / 75 Category: Employability Skill CBT Paper (II) 1. Which one is a web browser? | कौन एक वेब ब्राउज़र है? A. Face book | फेसबुक B. Hot mail | हॉटमेल C. Internet explorer | इंटरनेट एक्स्प्लोरर D. Outlook express | आउटलुक एक्सप्रेस 2 / 75 Category: Employability Skill CBT Paper (II) 2. A software application used to enable computer users to locate and access web page is called ___________ | कंप्यूटर उपयोगकर्ताओं को वेब पेज का पता लगाने और उस तक पहुंचने में सक्षम बनाने के लिए उपयोग किया जाने वाला सॉफ़्टवेयर एप्लिकेशन ___________ कहलाता है A. web server | वेब सर्वर B. website | वेबसाइट C. web browser | वेब ब्राउज़र D. email | ईमेल 3 / 75 Category: Architectural Draughtsman First Year CBT Paper (TT) 1. Which capacitor has polarity? | किस कैपसिटर में ध्रुवता होती है? A. Ceramic capacitor | सिरेमिक कपैसिटर B. Paper capacitor | पेपर कपैसिटर C. Electrolyte capacitor | इलेक्ट्रोलाइट कैपेसिटर D. Mica capacitor | Mica capacitor 4 / 75 Category: Workshop Calculation and Science CBT Paper (I) 1. Which metal contains iron as a major content?| इनमे से किस धातु में प्रमुख सामग्री के रूप में लोहा होता है? A. Brass metal | पीतल धातु B. Ferrous metal | लोह धातु C. Bronze metal | ब्रोंज धातु D. Zinc | जिंक 5 / 75 Category: Workshop Calculation and Science CBT Paper (I) 2. Which is equal to sinθ? sinθ किस के बराबर होता है? A. ( Hypotensure / Adjacent side ) / ( हाइपोटेन्यूज़ / अद्जसेंट साइड ) B. ( Hypotensure / Opposite side ) / ( हाइपोटेन्यूज़ / अपोजिट साइड ) C. ( Adjacent side / Hypotensure ) / ( अद्जसेंट साइड / हाइपोटेन्यूज़ ) D. ( Opposite side / Hypotensure ) / ( अपोजिट साइड / हाइपोटेन्यूज़ ) 6 / 75 Category: Workshop Calculation and Science CBT Paper (I) 3. What is the value for specific heat of water?/ पानी की विशिष्ट ऊष्मा का मान क्या है? A. 3 B. 4 C. 1 D. 2 7 / 75 Category: Workshop Calculation and Science CBT Paper (I) 4. Which is the unit electrical power? | इलेक्ट्रिक पावर की यूनिट क्या है? A. Volts | वोल्टस B. Ohms | ओह्म्स C. Watts | वात्ट्स D. Ampere | एम्पियर 8 / 75 Category: Workshop Calculation and Science CBT Paper (I) 5. Which is the unit of current? | धारा की इकाई क्या है? A. Ampere | एम्पियर B. Watt | वाट C. Ohm | ओम D. Volt | वोल्ट 9 / 75 Category: Workshop Calculation and Science CBT Paper (I) 6. How many millimetres are there in 1 inch? | 1 इंच में कितने मिलीमीटर होते हैं? A. 24.5 mm | २४.५ मी मी B. 25.4 mm | २५.४ मी मी C. 2.54 mm | २.५४ मी मी D. 2.45 mm | २.४५ मी मी 10 / 75 Category: Employability Skill CBT Paper (I) 1. How do successful people handle failure? | सफल लोग असफलता को कैसे संभालते हैं? A. They get demotivated | वे डिमोटिवेट हो जाते हैं। B. They learn from their mistakes | वे अपनी गलतियों से सीखते हैं। C. They blame others | वे दूसरों को दोष देते हैं। D. They give up their ambitions | वे अपनी महत्वाकांक्षाओं को त्याग देते हैं। 11 / 75 Category: Employability Skill CBT Paper (I) 2. What is Narrow AI? | नैरो ए.आई. क्या है? A. Does one task well | एक काम को अच्छी तरह करता है B. Talks like human | इंसान की तरह बात करता है C. Can do anything | कुछ भी कर सकता है D. Can sleep | सो सकता है 12 / 75 Category: Employability Skill CBT Paper (I) 3. 1st industrial revolution started in…..| पहली औद्योगिक क्रांति की शुरुआत …….। A. 19th century | 19 वीं सदी B. 20th century | 20 वीं सदी C. 21st century | 21 वीं सदी D. 18th century | 18 वीं सदी 13 / 75 Category: Employability Skill CBT Paper (I) 4. Pronunciation refers to___________.| उच्चारण ___________ को संदर्भित करता है A. production of sound | ध्वनि का उत्पादन B. diphthong | संयुक्त स्वर C. consonant | व्यंजन D. punctuation | विराम चिह्न 14 / 75 Category: Employability Skill CBT Paper (I) 5. Someone is treated differently on their skin colour, income _______| किसी की त्वचा के रंग, आय को लेकर अलग तरह से व्यवहार किया जाता है….। A. discrimination | विभेद B. correct | सही C. unity | एकता D. nature | प्रकृति 15 / 75 Category: Employability Skill CBT Paper (I) 6. When someone says 'Thank you' we should reply and say ______./ जब कोई 'Thank you (धन्यवाद)' कहता है तो हमें जवाब देना चाहिए और ______ कहना चाहिए। A. How are you? / आप कैसे हैं? B. Thank you. / शुक्रिया C. You're welcome. / आपका स्वागत है D. Bye-bye / बाई-बाई 16 / 75 Category: Employability Skill CBT Paper (I) 7. When you send your resume through email, you are sending it in the form of ______.| जब आप अपना बायोडाटा ईमेल के माध्यम से भेजते हैं, तो आप उसे ______ के रूप में भेज रहे होते हैं। A. drive | ड्राइव B. marked text | चिह्नित टेक्सट C. attachment | अटैचमेंट D. cookie advertisement | कुकी विज्ञापन 17 / 75 Category: Employability Skill CBT Paper (I) 8. What actions should be taken after getting to know customer suggestions/problems? | ग्राहक के सुझावों/समस्याओं को जानने के बाद क्या कार्रवाई की जानी चाहिए? A. Ask, Categorize, Act, Followup | पूछें, वर्गीकृत करें, अधिनियम, अनुवर्ती कार्रवाई B. Ask, Followup | पूछो, फॉलोअप C. Ask, Solve | पूछो, हल करो D. Ask, Act, Categorize | पूछें, अधिनियम, वर्गीकृत करें 18 / 75 Category: Employability Skill CBT Paper (I) 9. Which device is used to connect telephone line to a PC?| पीसी से टेलीफोन लाइन को जोड़ने के लिए किस युक्ति का उपयोग किया जाता है? A. Hard disk / हार्ड डिस्क B. Modem | मॉडेम C. Monitor | मॉनिटर D. Printer | प्रिंटर 19 / 75 Category: Employability Skill CBT Paper (I) 10. In an economic growth, role of entrepreneur is to.............. | आर्थिक विकास में, उद्यमी की भूमिका …………। A. generate unemployment | बेरोजगारी उत्पन्न करते हैं B. stagnate standard of living | जीवन स्तर स्थिर C. unbalance the regional development | क्षेत्रीय विकास को असंतुलित करना D. improve per capita income | प्रति व्यक्ति आय में सुधार 20 / 75 Category: Employability Skill CBT Paper (I) 11. An angry person’s body language will be ? | क्रोधी व्यक्ति की बॉडी लैंग्वेज होगी ? A. Aggressive | आक्रामक B. Relaxed and soothing | आराम से और सुखदायक C. Calm | शांत D. Friendly | दोस्ताना 21 / 75 Category: Employability Skill CBT Paper (I) 12. The word 'when' denotes ____________ | शब्द 'when (जब)' _________ को दर्शाता है A. time | समय B. person | व्यक्ति C. thing | चीज़ D. place | स्थान 22 / 75 Category: Employability Skill CBT Paper (I) 13. Which one of the following is a describing word?| निम्नलिखित में से कौन-सा एक वर्णनात्मक शब्द है? A. eat | खाना खा लो B. repair | मरम्मत C. soup | शोरबा D. hot | गरम 23 / 75 Category: Employability Skill CBT Paper (I) 14. In which orientation, the text is printed length wise? | किस ओरिएंटेशन (अभिविन्यास) में, टेक्स्ट (पाठ) लंबाई वार प्रिंट (मुद्रित) होता है? A. Width | चौड़ाई B. Portrait | पोट्रेट C. Margin | मार्जिन D. Landscape | लैंडस्केप 24 / 75 Category: Employability Skill CBT Paper (I) 15. The expansion of ROM is ____________ | "ROM" का विस्तार है - A. Rewrite Octet Machine| रिराइट ओकटेट मशीन B. Random Only Memory | रैंडम ओनली मेमोरी C. Read Only Memory | रीड ओनली मेमोरी D. Read Octet Machine | रीड ओकटेट मशीन 25 / 75 Category: Employability Skill CBT Paper (I) 16. RTI is _____/ RTI है….। A. Read To Information / रेडी टू इनफार्मेशन B. Right To Information / राइट टू इनफार्मेशन C. Ready To Information / रेडी टू इनफार्मेशन D. Right Tern Information / राइट टर्म इनफार्मेशन 26 / 75 Category: Employability Skill CBT Paper (I) 17. A computer system consists of __________| कंप्यूटर प्रणाली में ............ होते हैं l A. hardware and software | हार्डवेयर तथा सॉफ्टवेयर B. Mouse and keyboard | माउस तथा कीबोर्ड C. circuit diagram | सर्किट डायग्राम (आरेख) D. software and program | सॉफ्टवेयर तथा प्रोग्राम 27 / 75 Category: Employability Skill CBT Paper (I) 18. Jobs that have become outdated in the past 5 years _____/ ......... नौकरियां जो पिछले 5 वर्षों में पुरानी हो गई हैं। A. STD booth / STD बूथ B. uber / उबेर C. Swiggy / स्विग्गी D. ola / ओला 28 / 75 Category: Employability Skill CBT Paper (I) 19. What should come next after “selecting the solution” in problem solving process? | समस्या समाधान प्रक्रिया में "समाधान का चयन" करने के बाद आगे क्या आना चाहिए? A. Look for alternate | विकल्प के लिए देखो B. Implement the solution | समाधान को लागू करें C. Root cause analysis | मूल कारण का विश्लेषण D. Identify the problem | समस्या को पहचानो 29 / 75 Category: Employability Skill CBT Paper (I) 20. How can AI suggest jobs? | एआई नौकरियां कैसे सुझाव दे सकता है? A. By using the details you share | आपके द्वारा साझा की गई जानकारी का उपयोग करके B. By printing bills | बिल प्रिंट करके C. By scanning faces | चेहरों को स्कैन करके D. From shopping list | खरीदारी सूची से 30 / 75 Category: Employability Skill CBT Paper (I) 21. What is a comfort zone? | कम्फर्ट जोन क्या है? A. A place designed in airport for resting. | आराम करने के लिए हवाई अड्डे में डिज़ाइन की गई जगह। B. It is a place where we go to sleep. | यह वह जगह है जहाँ हम सोने जाते हैं। C. Our familiar lifestyle and behaviour is our comfort zone | हमारी परिचित जीवन शैली और व्यवहार ही हमारा आराम क्षेत्र है। D. It is a place where children live. | यह वह जगह है जहाँ बच्चे रहते हैं। 31 / 75 Category: Employability Skill CBT Paper (I) 22. What is the meaning of an entry level job? | एंट्री लेवल जॉब का क्या मतलब है? A. Junior interior designer | जूनियर इंटीरियर डिजाइनर B. It helps to enter the office | यह कार्यालय में प्रवेश करने में मदद करता है C. Security guard | सुरक्षा प्रहरी D. It is a starting or junior level job | यह एक शुरुआती या जूनियर स्तर की नौकरी है 32 / 75 Category: Employability Skill CBT Paper (I) 23. What approach is used to gain access to foreign markets and quickly promote an organizations interest? | विदेशी बाजारों तक पहुंच प्राप्त करने और संगठनों के हित को जल्दी बढ़ावा देने के लिए किस दृष्टिकोण का उपयोग किया जाता है? A. Joint venture | संयुक्त उद्यम B. Collaboration | सहयोग C. Licensing | लाइसेंसिंग D. Technology transfer | तकनीकी हस्तांतरण 33 / 75 Category: Electronics Mechanic First Year CBT Paper (TT) 1. What is the purpose of simulation softwares? | सिमुलेशन सॉफ्टवेयर का उद्देश्य क्या है? A. To Design and test a circuit | सर्किट डिजाइन करना और उसका परीक्षण करना B. To Replace defective components | दोषपूर्ण घटकों को बदलना C. To Design a circuit | सर्किट डिजाइन करना D. To Solder and desolder components | घटकों को सोल्डर करना और डिसोल्डर करना 34 / 75 Category: Electronics Mechanic First Year CBT Paper (TT) 2. Which protective equipment stands for PPE 1 as per the BIS? | BIS के अनुसार कौन सा सुरक्षात्मक उपकरण PPE 1 के लिए है? A. Safety footwear | सुरक्षा जूते B. Arm hand protection | आर्म हैंड प्रोटेक्शन C. Helmet | हेलमेट D. Ear protection | इयर प्रोटेक्शन 35 / 75 Category: Electronics Mechanic First Year CBT Paper (TT) 3. Which type of transformer is shown in the figure? | चित्र में किस प्रकार का ट्रांसफार्मर दर्शाया गया है? A. Isolation transformer | आइसोलेशन ट्रांसफॉर्मर B. Intermediate Frequency Transformer (IFT) | हाई फ्रीक्वेंसी ट्रांसफार्मर C. Low frequency transformer | लो फ्रीक्वेंसी ट्रांसफार्मर D. Single phase transformer | सिंगल फेज ट्रांसफार्मर 36 / 75 Category: Electronics Mechanic First Year CBT Paper (TT) 4. Which unit is used to measure capacitance value? | कैपेसिटेंस मान को मापने के लिए किस इकाई का उपयोग किया जाता है? A. Ampere | एम्पियर B. Henry | हेनरी C. Ohm | ओम D. Farad | फैराड 37 / 75 Category: Electronics Mechanic First Year CBT Paper (TT) 5. How many pins are there in a simple electromagnetic relay? | एक सिंपल विधुत चुम्बकीय रिले में कितने पिन होते हैं? A. 2 B. 5 C. 6 D. 3 38 / 75 Category: Electronics Mechanic First Year CBT Paper (TT) 6. How batteries are classified? | बैटरी को कैसे वर्गीकृत किया जाता है? A. Cylindrical cells and rectangular cells | बेलनाकार कोशिकाएँ और आयताकार कोशिकाएँ B. Button cells and lithium cells | बटन सेल और लिथियम सेल C. Primary cells and secondary cells | प्राथमिक कोशिकाएँ और द्वितीयक कोशिकाएँ D. Dry cells and alkaline cells | सूखी कोशिकाएँ और क्षारीय कोशिकाएँ 39 / 75 Category: Electronics Mechanic First Year CBT Paper (TT) 7. What is the purpose of photo transistor? | फोटो ट्रांजिस्टर का उद्देश्य क्या है? A. Used in comparator circuit | काम्पेरेटर सर्किट में इस्तेमाल किया B. Used as demodulator | डिमोडुलेटर के रूप में उपयोग किया जाता है C. Used as oscillator | आसलेटर के रूप में इस्तेमाल किया D. Used as light controlled switch | प्रकाश नियंत्रित स्विच के रूप में उपयोग किया जाता है 40 / 75 Category: Electronics Mechanic First Year CBT Paper (TT) 8. What is the use of flip - flop? | फ्लिप - फ्लॉप का उपयोग क्या है? A. It stores binary information | यह बाइनरी जानकारी संग्रहीत करता है B. It stores current | यह करंट स्टोर करता है C. It stores voltage | यह वोल्टेज को स्टोर करता है D. It stores energy | यह ऊर्जा को संग्रहीत करता है 41 / 75 Category: Electronics Mechanic First Year CBT Paper (TT) 9. How lamp failures are caused by the high inrush currents in lamp dimmer circuits using TRIAC is eliminated? | TRIAC का उपयोग करके लैंप डिमर सर्किट में उच्च अंतर्वाह धारा के कारण होने वाली लैंप विफलताओं को कैसे समाप्त किया जाता है? A. By Using Safety resistor | सुरक्षा अवरोधक का उपयोग करना B. By soft start circuit | सॉफ्ट स्टार्ट सर्किट द्वारा C. By Using MCB | MCB का उपयोग करना D. By the fuse | फ्यूज द्वारा 42 / 75 Category: Electronics Mechanic First Year CBT Paper (TT) 10. What is the input stage of Op-Amp? | Op-Amp की इनपुट स्टेज क्या है? A. CE amplifier | CE एम्पलीफायर B. Common collector amplifier | कॉमन कलेक्टर एम्पलीफायर C. Class B amplifier | क्लास B एम्पलीफायर D. Differential amplifier | डिफरेंशियल एम्पलीफायर 43 / 75 Category: Electronics Mechanic First Year CBT Paper (TT) 11. What is the current gain of common collector amplifier? | आम कलेक्टर एम्पलीफायर का वर्तमान लाभ क्या है? A. Medium | मध्यम B. Very high | बहुत ऊँचा C. Low | कम D. High | उच्च 44 / 75 Category: Electronics Mechanic First Year CBT Paper (TT) 12. What is the name of electronic symbol shown in the figure? | चित्र में दर्शाए गए इलेक्ट्रॉनिक प्रतीक का नाम क्या है? A. FET P-channel | FET P- चैनल B. UNI junction transistor | युनिजंक्शन ट्रांजिस्टर C. FET N-channel | FET N - चैनल D. Silicon controlled rectifier | सिलिकॉन कण्ट्रोलड रेक्टिफ़ायर 45 / 75 Category: Electronics Mechanic First Year CBT Paper (TT) 13. How the maximum permissible voltage that can be applied across the collector – Emitter junction of a transistor is indicated? | अधिकतम पारगम्य वोल्टेज जिसे कलेक्टर में लागू किया जा सकता है - एक ट्रांजिस्टर के एमिटर जंक्शन को कैसे इंगित किया जाता है? A. VBE (max) in volts B. VCE (max) in volts C. VCB (max) in volts D. VCC in volts 46 / 75 Category: Electronics Mechanic First Year CBT Paper (TT) 14. What is the frequency range of VHF? | VHF की फ्रीक्वेंसी सीमा क्या है? A. 3x10⁶ to 3x10⁷ (30MHz) B. 3x10⁹ to 3x10¹⁰ (30GHz) C. 3x10⁷ to 3x10⁸ (300MHz) D. 3x10⁸ to 3x10⁹ (3GHz) 47 / 75 Category: Electronics Mechanic First Year CBT Paper (TT) 15. What is the name of the switch shown in the figure? | चित्र में दिखाए गए स्विच का नाम क्या है? A. SPST B. DPDT C. SPDT D. DPST 48 / 75 Category: Electronics Mechanic First Year CBT Paper (TT) 16. What is the duty cycle of the astable multivibrator shown in the figure? | चित्र में दिखाए गए एस्टेबल मल्टीवाइब्रेटर का कर्तव्य चक्र क्या है? A. 50% B. 60% C. 52% D. 55% 49 / 75 Category: Electronics Mechanic First Year CBT Paper (TT) 17. What is used to measure the values of resistance, inductance and capacitance? | प्रतिरोध, प्रेरकत्व और धारिता के मूल्यों को मापने के लिए किसका उपयोग किया जाता है? A. LCR meter | LCR मीटर B. Potentiometer | पोटेंशियोमीटर C. Ohm meter | ओम मीटर D. Multimeter | मल्टीमीटर 50 / 75 Category: Electronics Mechanic First Year CBT Paper (TT) 18. What is the total capacitance if two capacitor of 100µf are connected in parallel? | यदि 100µf के दो कैपसिटर समांतर क्रम में जोड़े जाएं तो कुल धारिता क्या होगी? A. 100µf B. 150µf C. 50µf D. 200µf 51 / 75 Category: Electronics Mechanic First Year CBT Paper (TT) 19. What is the name of the circuit shown in the figure? | चित्र में दिखाए गए सर्किट का नाम क्या है? A. Bistable multivibrator | बिस्ताबल मल्टीवाईब्रेटर B. RC coupled amplifier | RC कपल्ड एम्पलीफायर C. Astable multivibrator | अस्तबल मल्टीवाईब्रेटर D. Monostable multivibrator | मोनोस्टेबल मल्टीवाईब्रेटर 52 / 75 Category: Electronics Mechanic First Year CBT Paper (TT) 20. What is the function of the transistor 2N 3055 in the circuit shown in the figure? | चित्र में दर्शाए गए सर्किट में ट्रांजिस्टर 2N 3055 का कार्य क्या है? A. To reduce load current | लोड करंट को कम करने के लिए B. To function as error amplifier | त्रुटि एम्पलीफायर के रूप में कार्य करने के लिए C. As short circuit current sensor | शॉर्ट सर्किट करंट सेंसर के रूप में D. To handle higher load current | उच्च भार करंट को संभालने के लिए 53 / 75 Category: Electronics Mechanic First Year CBT Paper (TT) 21. How much current is produced by a voltage of 24KV across a 15kΩ resistance? | 15kΩ प्रतिरोध पर 24KV के वोल्टेज से कितनी धारा उत्पन्न होती है? A. 16A B. 160mA C. 1.6A D. 16mA 54 / 75 Category: Electronics Mechanic First Year CBT Paper (TT) 22. What is the full form of TTL? | TTL का फुल फॉर्म क्या है? A. Transistor Transistor Logic | ट्रांजिस्टर ट्रांजिस्टर लॉजिक B. Transistor Thyristor Logic | ट्रांजिस्टर थाइरिस्टर लॉजिक C. Transistor Transformer Logic | ट्रांजिस्टर ट्रांसफार्मर लॉजिक D. Thyristor Thyristor Logic | थाइरिस्टर थाइरिस्टर लॉजिक 55 / 75 Category: Electronics Mechanic First Year CBT Paper (TT) 23. is this symbol for moving iron type measuring instrument? | क्या यह मूविंग आयरन मापक यंत्र का प्रतीक है? A. No | नहीं B. Yes | हाँ 56 / 75 Category: Electronics Mechanic First Year CBT Paper (TT) 24. Which impurity is added to pure semi-conductor to form ‘N-type’ material? | शुद्ध अर्धचालक में कौन सी अशुद्धता मिलाकर ‘N-प्रकार’ पदार्थ बनाया जाता है? A. Boron | बोरान B. Gallium | गैलियम C. Indium | ईण्डीयुम D. Arsenic | आर्सेनिक 57 / 75 Category: Electronics Mechanic First Year CBT Paper (TT) 25. Do the above symbol on the meter indicates the measurement of voltage for both AC and DC? | क्या उपरोक्त प्रतीक मीटर पर AC और DC दोनों के लिए वोल्टेज की माप को दर्शाता है? A. No | नहीं B. Yes | हाँ 58 / 75 Category: Electronics Mechanic First Year CBT Paper (TT) 26. Which terminal of the meter is connected for measuring electrical quantity? | विधुत मात्रा को मापने के लिए मीटर का कौन सा टर्मिनल जुड़ा हुआ है? A. Output terminal | आउटपुट टर्मिनल B. Input terminal | इनपुट टर्मिनल C. Pointer mechanism | सूचक तंत्र D. Meter movement | मीटर की आवाजाही 59 / 75 Category: Electronics Mechanic First Year CBT Paper (TT) 27. What is the pulse width in monostable multivibrator if R=10KΩ and C=0.01µF? | यदि मोनोस्टेबल मल्टीवाइब्रेटर में पल्स विड्थ तो R=10KΩ और C=0.01µF क्या है ? A. 0.011m sec B. 0.11m sec C. 1.1m sec D. 11m sec 60 / 75 Category: Electronics Mechanic First Year CBT Paper (TT) 28. How much is the impedance of the circuit shown in the figure? | चित्र में दर्शाए गए कार्बन संरचना प्रतिरोधक का मान क्या है? A. 20 Ω B. 30 Ω C. 50 Ω D. 40 Ω 61 / 75 Category: Electronics Mechanic First Year CBT Paper (TT) 29. How many inputs are available in the 7447 BCD-to-seven segment decoder used to drive the LED display? | LED डिस्प्ले को चलाने के लिए उपयोग किए जाने वाले 7447 BCD-से-सात सेगमेंट डिकोडर में कितने इनपुट उपलब्ध हैं? A. Eight | आठ B. One | एक C. Four | चार D. Seven | सात 62 / 75 Category: Electronics Mechanic First Year CBT Paper (TT) 30. What is the output voltage pin for voltage regulator IC 723? | वोल्टेज रेगुलेटर IC 723 के लिए आउटपुट वोल्टेज पिन क्या है? A. 12 B. 10 C. 11 D. 7 63 / 75 Category: Electronics Mechanic First Year CBT Paper (TT) 31. Which torque is used in PMMC meter movement? | PMMC मीटर मूवमेंट में किस टार्क का उपयोग किया जाता है? A. Low torque | कम टॉर्क B. Insufficient torque | अपर्याप्त टॉर्क C. Moderate torque | मध्यम टॉर्क D. High torque | उच्च टॉर्क 64 / 75 Category: Electronics Mechanic First Year CBT Paper (TT) 32. What is the name of the electronic component symbol shown in the figure? चित्र में दर्शाए गए इलेक्ट्रॉनिक घटक प्रतीक का नाम क्या है? A. N- channel depletion type MOSFET | N- चैनल डिप्लीशन टाइप MOSFET B. N- channel enhancement type MOSFET | N- चैनल एन्हांसमेंट प्रकार MOSFET C. P- channel enhancement type MOSFET | P- channel एन्हांसमेंट प्रकार MOSFET D. P- channel depletion type MOSFET | P- चैनल डिप्लीशन टाइप MOSFET 65 / 75 Category: Electronics Mechanic First Year CBT Paper (TT) 33. What is the natural shape of a quartz crystal? | एक क्वार्ट्ज क्रिस्टल का प्राकृतिक आकार क्या है? A. Pentagonal prism with pyramid at ends | अंत में पिरामिड के साथ पेंटागोनल प्रिज़्म B. Cylindrical shape with pyramid at ends | सिरों पर पिरामिड के साथ बेलनाकार आकृति C. Cube shape with pyramid at ends | अंत में पिरामिड के साथ घन आकार D. Hexagonal prism with pyramid at ends | सिरों पर पिरामिड के साथ हेक्सागोनल प्रिज़्म 66 / 75 Category: Electronics Mechanic First Year CBT Paper (TT) 34. What is the name of multi-stage amplifiers? | सिमिलर कॉन्फ़िगरेशन के मल्टी-स्टेज एम्पलीफायर का नाम क्या है? A. Darlington pair amplifier | डार्लिंगटन पेअर एम्पलीफायर B. Cascaded amplifier | कैस्केड एम्पलीफायर C. Cascoded amplifier | कैस्कोडेड म्पलीफायर D. Complementary symmetry amplifier | काम्प्लीमेंटरी एम्पलीफायर 67 / 75 Category: Electronics Mechanic First Year CBT Paper (TT) 35. Why NPN type of transistors are preferred over the PNP type transistors? | PNP प्रकार के ट्रांजिस्टर पर NPN प्रकार के ट्रांजिस्टर को क्यों पसंद किया जाता है? A. NPN has lower switching speed | NPN में स्विचिंग की गति कम होती है B. NPN has good bias stability | NPN में अच्छा बायस स्थिरता है C. Low operating voltage | कम ऑपरेटिंग वोल्टेज D. NPN has higher switching speed | NPN में उच्च स्विचिंग गति है 68 / 75 Category: Electronics Mechanic First Year CBT Paper (TT) 36. What is the maximum power dissipation for a 555 IC? टाइमर IC555 की मैक्सिमम पावर डिसिपैशन क्या है? A. Exactly 300 mW | बिल्कुल 300 mW B. Below 500 mW | 500 mW से नीचे C. Around 600 mW | लगभग 600 mW D. Above 800 mW | 800 mW से ऊपर 69 / 75 Category: Electronics Mechanic First Year CBT Paper (TT) 37. What is the frequency of operation of the amplifier circuit using inductance and capacitance (L-C) coupling shown in the figure? | चित्र में दिखाए गए इंडक्शन और कैपेसिटेंस (L-C) कपलिंग का उपयोग करके एम्पलीफायर सर्किट के संचालन की आवृत्ति क्या है? A. Video signals | वीडियो संकेत B. High frequency signals | उच्च आवृत्ति संकेत C. Audio frequency signals | ऑडियो आवृत्ति संकेत D. Intermediate frequency signals | मध्यवर्ती आवृत्ति संकेत 70 / 75 Category: Engineering Drawing CBT Paper (I) 1. Is this photovoltaic cell? | क्या यह फोटोवोल्टिक सेल है। A. Yes | हाँ B. No | नहीं 71 / 75 Category: Engineering Drawing CBT Paper (I) 2. Is drawing dimension is correct as per standard drawing practice? / ड्राइंग अभ्यास के अनुसार क्या ड्राइंग आयाम सही है? A. Yes / हाँ B. No / नहीं 72 / 75 Category: Engineering Drawing CBT Paper (I) 3. Identify the name of prism?/ चित्र में दिखाए गए प्रिज्म का नाम क्या है? A. Hexagonal prism / हेक्सागोनल प्रिज्म B. Pentagonal prism / पंचकोणीय प्रिज्म C. Triangular prism / त्रिकोणीय प्रिज्म D. Square prism / स्क्वायर प्रिज्म 73 / 75 Category: Engineering Drawing CBT Paper (I) 4. Identify the conventional symbol of material?/ चित्र में दिखाए गए सामग्री के पारंपरिक प्रतीक का पता लगाएं? A. Glass / कांच B. Concrete / ठोस C. Water / पानी D. Asbestos / ऐस्बेटस 74 / 75 Category: Engineering Drawing CBT Paper (I) 5. Identify the conventional symbol of material? | सामग्री के पारंपरिक प्रतीक को पहचानें? A. Porcelain | चीनी मिटटी B. Glass | कांच C. Lead | लेड D. Steel | स्टील 75 / 75 Category: Engineering Drawing CBT Paper (I) 6. Identify the name of tool?/ उपकरण का नाम पहचानें? A. Feeler gauge / फ़ीलर गौज़ B. Try square / बढ़ई की गुनिया C. Steel rule / स्टील रूल D. Surface gauge / सतह नापने का यंत्र Your score isThe average score is 39% 0% Restart quiz Exit WhatsApp और YouTube चैनल से जुड़े रहना Whats App CBT Practice Paper Electrician COPA Fitter Draughtsman Mechanic Fashion Design & Technology Electronic Mechanic Architectural Draughtsman Aeronautical Structure and Equipment Fitter Draughtsman Civil अत्यधिक चर्चा में Sample NCVT CTS 6 Month Trade Exam 2026 Schedule Released – Practical, CBT Exam Date, Hall Ticket & Result | ITI Ke Gyani Bihar ITI Admission 2026: ITICAT 2026 आवेदन प्रक्रिया, पात्रता, परीक्षा तिथि, फीस और काउंसलिंग की पूरी जानकारी SIDH Portal पर Instructor Registration कैसे करें 2026 | NIMS System, ITSU Mapping, Timeline और DGT के नए नियम अंबेडकर नगर वृहद रोजगार मेला 2026: युवाओं के लिए सुनहरा अवसर | Direct Placement Drive झांसी वृहद रोजगार मेला 2026: युवाओं के लिए सुनहरा अवसर | Direct Placement Drive