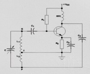
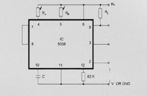
Electronics Mechanic First Year CBT Paper – Free Practice Set -6By itikegyani.com / February 6, 2025 0% 9 यह पेपर 2 घंटे का है 2 घंटे बाद पेपर अपने आप सबमिट हो जायेगा और आप चाहें तो 2 घंटे से पहले भी सबमिट कर सकते है| सॉरी समय समाप्त हो गया| Electronic Mechanic CBT Paper First Year (Quiz -6) इस पेपर में 75 प्रशन है जिसमे Trade Tehory के 38 प्रशन, Workshop Calculation and Science के 06 प्रशन, Engineering Drawing के 06 प्रशन, Employability Skill के 25 प्रशन , प्रत्येक प्रशन 2 मार्क्स का है और किसी प्रकार की नेगेटिव मार्किंग नहीं है| 1 / 75 Category: Electronics Mechanic First Year CBT Paper (TT) 1. What is the disadvantage of the two diode full wave rectifier compared to a bridge rectifier? | ब्रिज रेक्टिफायर की तुलना में दो डायोड फुल वेव रेक्टिफायर का क्या नुकसान है? A. Ripple frequency is higher | तरंग आवृत्ति अधिक है B. Need for bulky transformer | भारी ट्रांसफार्मर की आवश्यकता C. DC output level is higher | डीसी उत्पादन स्तर अधिक है D. Each diode carries half the load current | प्रत्येक डायोड करंट लोड का आधा वहन करता है 2 / 75 Category: Electronics Mechanic First Year CBT Paper (TT) 2. What is the behaviour of inductor in a circuit with changing current? | किसी परिपथ में बदलती धारा के साथ प्रारंभ करनेवाला का व्यवहार क्या होता है? A. Opposes voltage | वोल्टेज का विरोध करता है B. Increases current | करंट बढ़ाता है C. No change in current | करंट में कोई बदलाव नहीं होता है D. Opposes current | करंट का विरोध करता है 3 / 75 Category: Electronics Mechanic First Year CBT Paper (TT) 3. Which meter is used to find the exact resistance value of resistors? | प्रतिरोधों का सटीक प्रतिरोध मान ज्ञात करने के लिए किस मीटर का उपयोग किया जाता है? A. Ammeter | एम्मिटर B. Watt meter | वाट मीटर C. Ohm meter | ओम मीटर D. Volt meter | वोल्ट मीटर 4 / 75 Category: Electronics Mechanic First Year CBT Paper (TT) 4. What is the process of adding impurities to a pure semi- conductor material? | शुद्ध अर्धचालक पदार्थ में अशुद्धियाँ मिलाने की प्रक्रिया क्या है? A. Etching | एचिंग B. Doping | डोपिंग C. Forming | फोर्मिंग D. Diffusion | डीफ्यूजन 5 / 75 Category: Electronics Mechanic First Year CBT Paper (TT) 5. Which instrument is used to measure resistance, capacitance and inductance? | प्रतिरोध, धारिता और प्रेरकत्व मापने के लिए किस उपकरण का उपयोग किया जाता है? A. Kelvin bridge | केल्विन ब्रिज B. Wein bridge | वेन ब्रिज C. Wheatstone bridge | व्हीटस्टोन ब्रिज D. LCR bridge | LCR ब्रिज 6 / 75 Category: Electronics Mechanic First Year CBT Paper (TT) 6. What is the effect on a secondary cell supplying current to the load? | लोड करने के लिए वर्तमान में आपूर्ति करने वाले माध्यमिक सेल पर क्या प्रभाव पड़ता है? A. Discharging | निर्वहन B. Leaking | लीक C. Unloading | उतराई D. Charging | चार्ज 7 / 75 Category: Electronics Mechanic First Year CBT Paper (TT) 7. What type of packaging is generally used in transistors utilized for low power amplification? | कम शक्ति प्रवर्धन के लिए उपयोग किए जाने वाले ट्रांजिस्टर में आम तौर पर किस प्रकार की पैकेजिंग का उपयोग किया जाता है? A. Plastic packaging with metal heatsinks | धातु हीट के साथ प्लास्टिक पैकेजिंग B. Metal packaging | धातु पैकेजिंग C. Plastic packaging | प्लास्टिक पैकेजिंग D. Ceramic packaging | सिरेमिक पैकेजिंग 8 / 75 Category: Electronics Mechanic First Year CBT Paper (TT) 8. What is the value of each division marked by numbers on the voltmeter shown in the figure? | चित्र में दिखाए गए वोल्टमीटर पर संख्याओं द्वारा अंकित प्रत्येक भाग का मान क्या है? A. 5 V B. 1 V C. 4 V D. 2 V 9 / 75 Category: Electronics Mechanic First Year CBT Paper (TT) 9. Which bonding material is used for soldering a joint? | किसी जॉइंट को टांका लगाने के लिए किस संबंध सामग्री का उपयोग किया जाता है? A. Oil | तेल B. Flux | फ्लक्स C. Acid | अम्ल D. Grease | ग्रीज़ 10 / 75 Category: Electronics Mechanic First Year CBT Paper (TT) 10. Which component is used for feedback in integrator circuit? | इंटीग्रेटर सर्किट में फीडबैक के लिए किस घटक का उपयोग किया जाता है? A. Resistor | रेसिस्टर B. Diode | डायोड C. Capacitor | कपैसिटर D. Inductor | इंडक्टर 11 / 75 Category: Electronics Mechanic First Year CBT Paper (TT) 11. What is the name of the motion of charged particles in any medium? | किसी भी माध्यम में आवेशित कणों की गति का क्या नाम है? A. Frequency | आवृत्ति B. Resistance | प्रतिरोध C. Voltage | वोल्टेज D. Current | करंट 12 / 75 Category: Electronics Mechanic First Year CBT Paper (TT) 12. Which tool is used for seaming the funnel like taper? | टेंपर जैसी फ़नल जोड़ने के लिए किस उपकरण का उपयोग किया जाता है? A. Blow horn stake | ब्लो हॉर्न स्टेक B. Hatchet stake | हैचिट स्टेक C. Angle steel | एंगल स्टील D. Vices | विसेस 13 / 75 Category: Electronics Mechanic First Year CBT Paper (TT) 13. What is the power dissipated if 10mA current flows through a 10Kilo ohm resistor? | यदि 10 Kilo ohm अवरोधक के माध्यम से 10 mA करंट प्रवाहित होता है, तो किस शक्ति का प्रसार होता है? A. 3000 milli watts B. 4000 milli watts C. 1000 milli watts D. 2000 milli watts 14 / 75 Category: Electronics Mechanic First Year CBT Paper (TT) 14. Which button is used to change the shape of waveform in signal generator? | सिग्नल जनरेटर में वेवफॉर्म के आकार को बदलने के लिए किस बटन का उपयोग किया जाता है? A. Function | फंक्शन B. Attenuator | एटेन्यूएटर C. Frequency | फ़्रिक्वेंसी D. Amplitude | एम्पलीट्यूड 15 / 75 Category: Electronics Mechanic First Year CBT Paper (TT) 15. How much current passes through the zener diode with a full load condition shown in the figure? | चित्र में दिखाए गए पूर्ण लोड स्थिति के साथ जेनर डायोड से कितना करंट प्रवाहित होता है? A. Maximum | ज्यादा से ज्यादा B. Zero | शून्य C. Remains constant | स्थिर रहता है D. Minimum | न्यूनतम 16 / 75 Category: Electronics Mechanic First Year CBT Paper (TT) 16. What is the conductivity percentage of electric current in Aluminium? | एल्युमिनियम में विधुत धारा की चालकता प्रतिशत कितना होता है? A. 56% B. 47% C. 76% D. 22% 17 / 75 Category: Electronics Mechanic First Year CBT Paper (TT) 17. What is the maximum emitter to base voltage VEB (max) for the transistor BC 147? | ट्रांजिस्टर BC 147 के लिए बेस वोल्टेज VEB (max) का अधिकतम उत्सर्जक क्या है? A. 5V B. 4V C. 6V D. 8V 18 / 75 Category: Electronics Mechanic First Year CBT Paper (TT) 18. What is the full form of CRT? | CRT का पूर्ण रूप क्या है? A. Current Ray Tube | कर्रेंट रे टयूब B. Carbon Ray Tube | कार्बन रे टयूब C. Cathode Ray Tube | कैथोड रे टयूब D. Clear Ray Tube | क्लियर रे टयूब 19 / 75 Category: Electronics Mechanic First Year CBT Paper (TT) 19. What is the full form of ERC in a simulation software? | सिमुलेशन सॉफ्टवेयर में ERC का पूर्ण रूप क्या है? A. Error Report Check | एरर रिपोर्ट चेक B. Error Rule Check | एरर रूल चेक C. Error Route Check | एरर रूट चेक D. Error Rotation Check | एरर रोटेशन चेक 20 / 75 Category: Electronics Mechanic First Year CBT Paper (TT) 20. Which method is adopted to charge a car battery with voltage rating of 2.3 V per cell? | 2.3 V प्रति सेल की वोल्टेज रेटिंग के साथ कार बैटरी चार्ज करने के लिए कौन सी विधि अपनाई जाती है? A. Constant voltage charging method | लगातार वोल्टेज चार्ज करने की विधि B. Trickle charging method | ट्रिकल चार्जिंग विधि C. Constant current charging method | लगातार चालू चार्जिंग विधि D. Float charging method | फ्लोट चार्जिंग विधि 21 / 75 Category: Electronics Mechanic First Year CBT Paper (TT) 21. What is the output Q in JK flip flop if PR-1, CIR-1, CLK-1, J-0, K-0? | यदि PR-1, CIR-1, CLK-1, J-0, K-0 है तो JK फ्लिप फ्लॉप में आउटपुट Q क्या है? A. No change B. 0 C. Toggle D. 1 22 / 75 Category: Electronics Mechanic First Year CBT Paper (TT) 22. What is the purpose of trimmer capacitor? | ट्रिमर कैपासिटर का उद्देश्य क्या है? A. Decoupling | दीकाप्लिंग B. Filtering | फ़िल्टरिंग C. Coupling | कपलिंग D. Fine tuning | फ़ाइन ट्यूनिंग 23 / 75 Category: Electronics Mechanic First Year CBT Paper (TT) 23. What is the maximum drain current, ID for BF 245B? | BF245B के लिए अधिकतम ड्रेन करंट ID क्या है? A. 25mA B. 15mA C. 45mA D. 35mA 24 / 75 Category: Electronics Mechanic First Year CBT Paper (TT) 24. Which control knob changes the horizontal shape of the waveform. | कौन सा नियंत्रण घुंडी तरंग के क्षैतिज आकार को बदलता है। A. Trigger | ट्रिगर B. Time/Div | समय/डिव C. Volt/Div | वोल्ट/डिव D. Hold | होल्ड 25 / 75 Category: Electronics Mechanic First Year CBT Paper (TT) 25. How many operational amplifiers are fabricated in the LM741 IC? | LM741 IC में कितने ऑपरेशनल एम्पलीफायरों का निर्माण किया जाता है? A. Four Op-Amps | फोर ऑप-एम्प B. Three Op-Amps | थ्री ऑप-एम्प C. Two Op-Amps | टू ऑप-एम्प D. One Op-Amp | वन ऑप-एम्प 26 / 75 Category: Electronics Mechanic First Year CBT Paper (TT) 26. Which fire extinguisher is used for Class ‘C’ fire? | वर्ग 'C' की आग के लिए किस अग्निशामक यंत्र का उपयोग किया जाता है? A. Dry powdered | सूखा चूर्ण B. Carbon-di-oxide | कार्बन डाइऑक्साइड C. Jet of water | पानी की जेट D. Foam type | फोम प्रकार 27 / 75 Category: Electronics Mechanic First Year CBT Paper (TT) 27. What is the efficiency of a class A amplifier coupled with a transformer? | एक ट्रांसफार्मर के साथ युग्मित क्लास A एम्पलीफायर की दक्षता क्या है? A. About 50% | लगभग 50% B. More than 60% | 60% से अधिक C. Unity | एकता D. Less than 20% | 20% से कम 28 / 75 Category: Electronics Mechanic First Year CBT Paper (TT) 28. What is the phase relationship between the applied voltage and current in the primary of a transformer with open secondary winding? खुले माध्यमिक घुमावदार के साथ ट्रांसफार्मर के प्राथमिक में लागू वोल्टेज और करंट के बीच चरण संबंध क्या है? A. Current lags voltage by 90° | 90° से करंट वोल्टेज B. Voltage lags current by 45° |वोल्टेज 45° से चालू होता है C. Voltage leads current by 45° | वोल्टेज 45° से करंट ले जाता है D. Current leads voltage by 90° | करंट में 90° से वोल्टेज आता है 29 / 75 Category: Electronics Mechanic First Year CBT Paper (TT) 29. What is the IC number of 3 to 8 line decoder? | 3 से 8 लाइन डिकोडर का IC नंबर क्या है? A. 7480 B. 74138 C. 74154 D. 74155 30 / 75 Category: Electronics Mechanic First Year CBT Paper (TT) 30. What is the name of the circuit built with IC 8038 shown in the figure? | चित्र में दिखाए गए IC 8038 से निर्मित सर्किट का नाम क्या है? A. Pulse generator | पल्स उत्पन्न करने वाला B. Function generator | फलन जनक C. Square wave generator | वर्ग तरंग जनरेटर D. Sine wave generator | साइन तरंग जनरेटर 31 / 75 Category: Electronics Mechanic First Year CBT Paper (TT) 31. How many time constants are required to change a capacitor to 63.2% of its full charge voltage? | एक संधारित्र को उसके पूर्ण आवेश वोल्टेज के 63.2% तक परिवर्तित करने के लिए कितने समय स्थिरांक की आवश्यकता होती है? A. One time constant | एक समय स्थिर B. Four time constant | चार बार स्थिर C. Three time constant | तीन बार स्थिर D. Two time constant | दो समय लगातार 32 / 75 Category: Electronics Mechanic First Year CBT Paper (TT) 32. What is the application of Schmitt trigger? | श्मिट ट्रिगर का उपयोग क्या है? A. Comparator | कॉम्परेटर B. Amplifier | एम्पलीफायर C. Oscillator | ऑसिलेटर D. Counter | काउंटर 33 / 75 Category: Electronics Mechanic First Year CBT Paper (TT) 33. What is the advantage of MOSFET? | MOSFET का क्या फायदा है? A. Low thermal ionisation of electron-holes | इलेक्ट्रॉन-छिद्रों का निम्न तापीय आयनीकरण B. Fast switching speed | तेज गति से स्विचिंग C. Higher power gate signal | उच्च शक्ति गेट संकेत D. Slow switching speed | धीमी गति से स्विचिंग 34 / 75 Category: Electronics Mechanic First Year CBT Paper (TT) 34. Which circuit uses photo-darlington devices? | कौन सा सर्किट फोटो-डार्लिंगटन उपकरणों का उपयोग करता है? A. Amplifier circuits | एम्पलीफायर सर्किट B. AC powered circuits | AC संचालित सर्किट C. DC circuits | DC सर्किट D. Counter circuits | काउंटर सर्किट 35 / 75 Category: Electronics Mechanic First Year CBT Paper (TT) 35. How the frequency of oscillations varied in the parallel-fed hartley oscillator shown in the figure? | चित्र में दिखाए गए समानांतर-फेड हार्टले ऑसिलेटर में दोलनों की आवृत्ति कैसे भिन्न होती है? A. By changing bias resistor R₁ | बायस रजिस्टर R₁ बदलकर B. By varying capacitor C | कैपासिटर C को वेरी करके C. By changing capacitor C₂ | कैपासिटर C₂ बदलकर D. By changing capacitor C₁ | कैपासिटर C₁ बदलकर 36 / 75 Category: Electronics Mechanic First Year CBT Paper (TT) 36. How many pin in OP-AMP voltage regulator IC 723? | OP-AMP वोल्टेज रेगुलेटर IC 723 में कितने पिन होते हैं? A. 16 B. 8 C. 14 D. 24 37 / 75 Category: Electronics Mechanic First Year CBT Paper (TT) 37. Which methods of coupling is used in the transistor amplifier circuit shown in the figure? | चित्र में दिखाए गए ट्रांजिस्टर एम्पलीफायर सर्किट में युग्मन की कौन सी विधि का उपयोग किया जाता है? A. Transformer coupled amplifier | ट्रांसफ़र कपल एम्पलीफायर B. RC and LC coupled amplifier | RC और LC रेखा कपल एम्पलीफायर C. RC coupled and transformer coupled | RC कपल और ट्रांसफार कपल D. Direct and RC coupled amplifier | प्रत्यक्ष और RC कपल एम्पलीफायर 38 / 75 Category: Electronics Mechanic First Year CBT Paper (TT) 38. Which factor determines the inductance value? | कौन सा कारक इन्डकटेन्स निर्धारित करता है? A. Current flow through the coil | कॉइल के माध्यम से करंट प्रवाह B. Diameter of the coil | क्वाइल का व्यास C. Frequency of the current | करंट की आवृत्ति D. Material of the coil | क्वाइल की सामग्री 39 / 75 Category: Workshop Calculation and Science CBT Paper (I) 1. Which is the unit electrical power? | इलेक्ट्रिक पावर की यूनिट क्या है? A. Ohms | ओह्म्स B. Watts | वात्ट्स C. Volts | वोल्टस D. Ampere | एम्पियर 40 / 75 Category: Workshop Calculation and Science CBT Paper (I) 2. What are the two classifications of system of units?/ इकाइयों की प्रणाली के दो प्रकार कोनसे हैं? A. Fundamental and derived / मौलिक और व्युत्पन्न B. Metric and International / मैट्रिक और इंटरनेशनल C. Gravitational and non-gravitational / गुरुत्वाकर्षण और गैर-गुरुत्वाकर्षण D. British and Metric / ब्रिटिश और मीट्रिक 41 / 75 Category: Workshop Calculation and Science CBT Paper (I) 3. What is termed as the quantity of matter contained in a body? | वस्तु में निहित पदार्थ की मात्रा को क्या कहा जाता है? A. Density | घनत्व B. Specific gravity | विशिष्ट गुरुत्व C. Volume | आयतन D. Mass | द्रव्यमान 42 / 75 Category: Workshop Calculation and Science CBT Paper (I) 4. Which is mineral insulator? | कौन-सा खनिज इन्सुलेटर है? A. Glass | कॉंच B. Porcelain | पोर्सलीन C. Mica | माईका D. Quartz | क्वार्ट्ज 43 / 75 Category: Workshop Calculation and Science CBT Paper (I) 5. Convert 0.456 decimal fraction into percentage? | 0.456 दशमलव भिन्न को प्रतिशत में बदलिये? A. 4.56% B. 0.456% C. 45.6% D. 0.0456% 44 / 75 Category: Workshop Calculation and Science CBT Paper (I) 6. Which is equal to sinθ? sinθ किस के बराबर होता है? A. ( Adjacent side / Hypotensure ) / ( अद्जसेंट साइड / हाइपोटेन्यूज़ ) B. ( Hypotensure / Adjacent side ) / ( हाइपोटेन्यूज़ / अद्जसेंट साइड ) C. ( Opposite side / Hypotensure ) / ( अपोजिट साइड / हाइपोटेन्यूज़ ) D. ( Hypotensure / Opposite side ) / ( हाइपोटेन्यूज़ / अपोजिट साइड ) 45 / 75 Category: Engineering Drawing CBT Paper (I) 1. Identify the name of tool?/ उपकरण का नाम पहचानें? A. Ball pein hammer / बॉल पीन हैमर B. Straight pein hammer / सीधे पीन हथौड़ा C. Sledge hammer / स्लेज हैमर D. Cross pein hammer / क्रॉस पीन हैमर 46 / 75 Category: Engineering Drawing CBT Paper (I) 2. Identify the name of prism?/ चित्र में दिखाए गए प्रिज्म का नाम क्या है? A. Hexagonal prism / हेक्सागोनल प्रिज्म B. Pentagonal prism / पंचकोणीय प्रिज्म C. Triangular prism / त्रिकोणीय प्रिज्म D. Square prism / स्क्वायर प्रिज्म 47 / 75 Category: Engineering Drawing CBT Paper (I) 3. Identify the conventional symbol of material?/ सामग्री के पारंपरिक प्रतीक को पहचानें? A. Wood / लकड़ी B. Steel / इस्पात C. Concrete / ठोस D. Glass / कांच 48 / 75 Category: Engineering Drawing CBT Paper (I) 4. Compass used to draw for___./ कम्पास का उपयोग ___ को ड्रा करने के लिए किया जाता है. A. square / वर्ग B. triangle / त्रिकोण C. rectangle / आयत D. circle / वृत्त 49 / 75 Category: Engineering Drawing CBT Paper (I) 5. Identify the name of tool?/ उपकरण का नाम पहचानें? A. Ball pein hammer / बॉल पीन हैमर B. Mallet / लकड़ी का हथौड़ा C. Staright pein hammer / स्ट्रेट पीन हैमर D. Cross pein hammer / क्रॉस पीन हैमर 50 / 75 Category: Engineering Drawing CBT Paper (I) 6. Identify the conventional symbol of material?/ चित्र में दिखाए गए सामग्री के पारंपरिक प्रतीक का पता लगाएं? A. Asbestos / ऐस्बेटस B. Concrete / ठोस C. Water / पानी D. Glass / कांच 51 / 75 Category: Employability Skill CBT Paper (II) 1. Which one is a web browser? | कौन एक वेब ब्राउज़र है? A. Hot mail | हॉटमेल B. Face book | फेसबुक C. Outlook express | आउटलुक एक्सप्रेस D. Internet explorer | इंटरनेट एक्स्प्लोरर 52 / 75 Category: Employability Skill CBT Paper (I) 1. The expansion of WAN is ___________/ "WAN" का विस्तार है A. Web Assigned Name / वेब असाइन्ड नाम B. Wide Area Name / वाइड एरिया नाम C. Web Aided Network / वेब एडेड नेटवर्क D. Wide Area Network / वाइड एरिया नेटवर्क 53 / 75 Category: Employability Skill CBT Paper (I) 2. How can AI suggest jobs? | एआई नौकरियां कैसे सुझाव दे सकता है? A. By scanning faces | चेहरों को स्कैन करके B. By using the details you share | आपके द्वारा साझा की गई जानकारी का उपयोग करके C. From shopping list | खरीदारी सूची से D. By printing bills | बिल प्रिंट करके 54 / 75 Category: Employability Skill CBT Paper (I) 3. Where all deleted files will be stored? | सभी डिलीट की गयी फ़ाइलें कहाँ स्टोर (संग्रहीत) की जाएंगी? A. Official folder | ऑफिसियल (आधिकारिक) फ़ोल्डर B. Personal folder | पर्सनल (व्यक्तिगत) फ़ोल्डर C. CD | सीडी D. Recycle bin | रीसायकल बिन 55 / 75 Category: Employability Skill CBT Paper (I) 4. Which one is NOT an essential characteristic to achieve success? | सफलता प्राप्त करने के लिए कौन सा आवश्यक लक्षण नहीं है? A. Commitment | कमिटमेंट B. Confidence | आत्मविश्वास C. Integrity | इंटीग्रिटी D. Unethical work | अनऐथिकल वर्क 56 / 75 Category: Employability Skill CBT Paper (I) 5. The word that expresses a sudden and strong feeling is called _________. | वह शब्द जो अचानक और मजबूत भावना व्यक्त करता है उसे _________ कहा जाता है A. apostrophe | एपोसट्राफी B. punctuation | विराम चिह्न C. conjunction | संयोजन के रूप D. interjection | विस्मयादिबोधक 57 / 75 Category: Employability Skill CBT Paper (I) 6. Women are soft-spoken and forgiving ______ | महिलाएं मृदुभाषी और क्षमाशील होती हैं……..। A. sometimes | कभी-कभी B. always true | हमेशा सत्य C. gender stereotype | लिंग रूढ़िवादिता D. always false | हमेशा झूठा 58 / 75 Category: Employability Skill CBT Paper (I) 7. The expansion of GDP is……………. | GDP का विस्तार …………… है। A. Gross Domestic Product | सकल घरेलू उत्पाद B. Godown Demand Product | गोदाम मांग उत्पाद C. Giant Domestic Product | विशाल घरेलू उत्पाद. D. Grand Demand Product | विशाल मांग उत्पाद 59 / 75 Category: Employability Skill CBT Paper (I) 8. RTI is _____/ RTI है….। A. Right To Information / राइट टू इनफार्मेशन B. Ready To Information / रेडी टू इनफार्मेशन C. Read To Information / रेडी टू इनफार्मेशन D. Right Tern Information / राइट टर्म इनफार्मेशन 60 / 75 Category: Employability Skill CBT Paper (I) 9. 1st industrial revolution started in…..| पहली औद्योगिक क्रांति की शुरुआत …….। A. 21st century | 21 वीं सदी B. 19th century | 19 वीं सदी C. 18th century | 18 वीं सदी D. 20th century | 20 वीं सदी 61 / 75 Category: Employability Skill CBT Paper (I) 10. How does Gemini help users? | जेमिनी उपयोगकर्ताओं की कैसे मदद करता है? A. By generating content | सामग्री बनाकर B. By boiling water | पानी उबालकर C. By storing food | खाना संग्रहित करके D. By building shelves | शेल्फ बनाकर 62 / 75 Category: Employability Skill CBT Paper (I) 11. Which of the following is not true? | इनमें से कौन सा सही नहीं है? A. Ask each customer the same set of questions. | प्रत्येक ग्राहक से समान प्रश्न पूछें। B. Ask the questions with a genuine focus on understanding your customer in order to meet their needs | अपने ग्राहकों की जरूरतों को पूरा करने के लिए उन्हें समझने पर वास्तविक ध्यान के साथ प्रश्न पूछें C. Establish trust by focusing on customer needs and not on your product. | ग्राहकों की जरूरतों पर ध्यान केंद्रित करके विश्वास स्थापित करें न कि अपने उत्पाद पर। D. Only ask relevant questions | केवल प्रासंगिक प्रश्न पूछें 63 / 75 Category: Employability Skill CBT Paper (I) 12. Which of the following websites are not popular for finding jobs?| निम्नलिखित में से कौन सी वेबसाइट नौकरी खोजने के लिए लोकप्रिय नहीं है? A. Sheroes.com | शेरोएस डॉट कॉम B. Naukri.com | नौकरी डॉट कॉम C. Twitter.com | ट्विटर डॉट कॉम D. LinkedIn.com | लिंक्डिन डॉट कॉम 64 / 75 Category: Employability Skill CBT Paper (I) 13. Which of these is not an online job search platform? | इनमें से कौन एक ऑनलाइन जॉब सर्च प्लेटफॉर्म नहीं है? A. LinkedIn | लिंक्डइन B. Indeed | इनडीड C. Snapchat | स्नैपचैट D. Glassdoor | ग्लासडोर 65 / 75 Category: Employability Skill CBT Paper (I) 14. Which one is a brain of computer? | कंप्यूटर का मस्तिष्क कौन सा है? A. CPU | सीपीयू B. Monitor | मॉनिटर C. Keyboard | कीबोर्ड D. Hard disk | हार्ड डिस्क 66 / 75 Category: Employability Skill CBT Paper (I) 15. Which one is NOT a storage device? | कौन एक स्टोरेज डिवाइस नहीं है? A. Printer | प्रिंटर B. USB flash drive | यूएसबी फ्लैश ड्राइव C. Video tape | वीडियो टेप D. Memory card | मैमोरी कार्ड 67 / 75 Category: Employability Skill CBT Paper (I) 16. What is stress? | तनाव क्या है? A. Feeling of joy | आनंद की अनुभूति B. Feeling of frustration / disappointment | निराशा / निराशा की भावना C. Feeling of delight | आनंद की अनुभूति D. Feeling of surprise | आश्चर्य की अनुभूति 68 / 75 Category: Employability Skill CBT Paper (I) 17. In “SWOT” analysis, “S” stands for ______ | स्वॉट विश्लेषण में, "S" का अर्थ .............. है। A. Survey | सर्वे B. Strength | स्ट्रेंथ C. Success | सक्सेस D. Service | सर्विस 69 / 75 Category: Employability Skill CBT Paper (I) 18. Choose the correct tense of the verb. “I __________music when I was child” | क्रिया का सही काल चुनें। “I __________music when I was child” A. am learning | सीख रहा हूँ B. will learn | सीखूंगा C. had learnt | सीखा था D. learn | सीखता हूँ 70 / 75 Category: Employability Skill CBT Paper (I) 19. Which one is a good communication?| कौन सा एक अच्छा संचार है? A. Sender attacks receiver | प्रेषक का रिसीवर पर हमला करना B. Message is clear and direct | संदेश का साफ और स्पष्ट होना C. Receiver doesn’t listen to sender | प्राप्तकर्ता प्रेषक की नहीं सुनना D. Message is ambiguous | संदेश का अस्पष्ट होना 71 / 75 Category: Employability Skill CBT Paper (I) 20. Which one is a “Do’s” of discussion etiquettes?| चर्चा के शिष्टाचारों में से कौन सा “Do’s” है? A. Listen to others | दूसरों की सुनें B. Use impolite or rude language | अभद्र या अशिष्ट भाषा का उपयोग करें C. Loose your temper | अपना आपा खोएं D. Talk about irrelevant details | अप्रासंगिक विवरण के बारे में बात करें 72 / 75 Category: Employability Skill CBT Paper (I) 21. Choose suitable “wh” word for the given sentence. “___________ animal do you like?”| दिए गए वाक्य के लिए उपयुक्त “wh” शब्द चुनें। “___________ animal do you like?” A. Where | वेयर B. When | व्हेन C. Why | व्हाई D. Which | व्हिच 73 / 75 Category: Employability Skill CBT Paper (I) 22. When you speak to a person, you need to _______ | जब आप किसी व्यक्ति से बात करते हैं, तो आप ________ A. Look at the floor | मंजिल को देखो B. Look at the person in a friendly manner | व्यक्ति को मित्रतापूर्ण तरीके से देखें। C. Stare at the person | व्यक्ति को घूरें D. Look away from the person | व्यक्ति से दूर देखो 74 / 75 Category: Employability Skill CBT Paper (I) 23. Which one is a file management tool that comes with windows? | कौन एक फाइल मैनेजमेंट टूल (फ़ाइल प्रबंधन उपकरण) है, जो विंडोज़ के साथ आता है? A. Notepad | नोटपैड B. Window explorer | विंडो एक्सप्लोरर C. Desktop | डेस्कटॉप D. Control panel | कंट्रोल पैनल 75 / 75 Category: Employability Skill CBT Paper (I) 24. In an email, where will you add the recipient email address whom you want to send the copy of an email? | एक ईमेल में, आप प्राप्तकर्ता का ई-मेल एड्रेस (ईमेल का पता) कहां जोड़ेंगे, जिसे आप ईमेल की कॉपी भेजना चाहते हैं? A. To | टू B. Bcc | बीसीसी C. CC | सीसी D. Subject | सब्जेक्ट Your score isThe average score is 16% 0% Restart quiz Exit WhatsApp और YouTube चैनल से जुड़े रहना Whats App CBT Practice Paper Electrician COPA Fitter Draughtsman Mechanic Fashion Design & Technology Electronic Mechanic Architectural Draughtsman Aeronautical Structure and Equipment Fitter Draughtsman Civil अत्यधिक चर्चा में SCVT CBT परीक्षा 2026 – उम्मीदवारों के लिए महत्वपूर्ण सूचना About ITI Industrial Robotics & Digital Manufacturing Technician Trade | Scope, Jobs & Admission Guide ITI COPA Trade Course | Syllabus, Job, Salary, Business & Admission ITI Fitter Trade Course | Syllabus, Job, Salary, Business & Admission ITI Electrician Trade Course | Syllabus, Job, Salary, Business & Admission Digital India BHASHINI Recruitment 2026: Ecosystem Engagement Manager Vacancy in NER – Apply Online