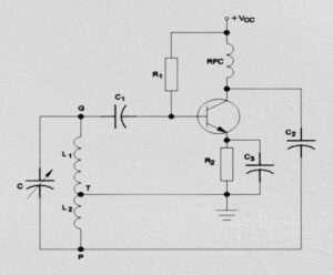
Electronics Mechanic First Year CBT Paper – Free Practice Set -7By itikegyani.com / February 7, 2025 0% 3 यह पेपर 2 घंटे का है 2 घंटे बाद पेपर अपने आप सबमिट हो जायेगा और आप चाहें तो 2 घंटे से पहले भी सबमिट कर सकते है| सॉरी समय समाप्त हो गया| Electronic Mechanic CBT Paper First Year (Quiz -7) इस पेपर में 75 प्रशन है जिसमे Trade Tehory के 38 प्रशन, Workshop Calculation and Science के 06 प्रशन, Engineering Drawing के 06 प्रशन, Employability Skill के 25 प्रशन , प्रत्येक प्रशन 2 मार्क्स का है और किसी प्रकार की नेगेटिव मार्किंग नहीं है| 1 / 75 Category: Electronics Mechanic First Year CBT Paper (TT) 1. Which gate is used as inverter? | इनवर्टर के रूप में किस गेट का प्रयोग किया जाता है? A. AND B. NOR C. OR D. NOT 2 / 75 Category: Electronics Mechanic First Year CBT Paper (TT) 2. What is the construction of electronic component shown in the figure? | चित्र में दर्शाए गए इलेक्ट्रॉनिक घटक की संरचना क्या है? A. DIAC B. TRIAC C. IGBT D. SCR 3 / 75 Category: Electronics Mechanic First Year CBT Paper (TT) 3. Which type of resistor is rheostat? | रहोस्टेट किस प्रकार का प्रतिरोधक है? A. Variable wire wound resistor | वेरिएबल वायर वाउन्ड रजिस्टर B. Metal film resistor | मेटल फिल्म रजिस्टर C. Carbon composition | कार्बन कम्पोजीशन D. Wire wound resistor | वायर वाउन्ड रजिस्टर 4 / 75 Category: Electronics Mechanic First Year CBT Paper (TT) 4. What is the value of binary addition of 1101 and 0010? | 1101 और 0010 के बाइनरी योग का मान क्या है? A. 111 B. 1110 C. 1.1101 D. 1111 5 / 75 Category: Electronics Mechanic First Year CBT Paper (TT) 5. What control is used in repulsion type moving iron instruments to maintain the pointer at the zero position? | प्रतिकर्षण प्रकार के गतिमान लौह उपकरणों में पॉइंटर को शून्य स्थिति पर बनाए रखने के लिए किस नियंत्रण का उपयोग किया जाता है? A. Magnetic repulsion control | चुंबकीय प्रतिकर्षण नियंत्रण B. Air damping control | एयर डंपिंग कंट्रोल C. Magnetic attraction control | चुंबकीय आकर्षण नियंत्रण D. Spring control | स्प्रिंग कण्ट्रोल 6 / 75 Category: Electronics Mechanic First Year CBT Paper (TT) 6. Which type of circuit is used in the oscillator shown in the figure? | चित्र में दिखाए गए ऑसिलेटर में किस प्रकार के सर्किट का उपयोग किया जाता है? A. Series fed colpitts oscillator | सीरीज फेड कोलिपिट ऑसिलेटर B. Hartley oscillator | हार्टले ऑसिलेटर C. Crystal oscillator | क्रिस्टल ऑसिलेटर D. SHUNT fed colpitts oscillator | शंट फेड कोलिपिट ऑसिलेटर 7 / 75 Category: Electronics Mechanic First Year CBT Paper (TT) 7. What type of waveform is produced by the series fed hartley oscillator shown in the figure? | चित्र में दिखाए गए सीरीज फेड हार्टले ऑसिलेटर द्वारा किस प्रकार की तरंग उत्पन्न की जाती है? A. Sinusoidal wave | साइनसोइडल वेव B. Square wave | स्क्वेर वेव C. Pulse wave | पल्स वेव D. Triangular wave | ट्राइऐंगग्यलर वेव 8 / 75 Category: Electronics Mechanic First Year CBT Paper (TT) 8. Which electrical measuring instrument is used to measure current? | करंट मापने के लिए किस विधुत मापक यंत्र का उपयोग किया जाता है? A. Watt meter | वॉटमीटर B. Volt meter | वोल्ट मीटर C. Ammeter | एम्मिटर D. Ohm meter | ओह्ममीटर 9 / 75 Category: Electronics Mechanic First Year CBT Paper (TT) 9. What is the tolerance value for gold colour code in resistor? | रज़िस्टर में सोने के कलर कोड के लिए सहनशीलता मान क्या है? A. ±1% B. ±20% C. ±10% D. ±5% 10 / 75 Category: Electronics Mechanic First Year CBT Paper (TT) 10. What is the value of each division marked by numbers on the voltmeter shown in the figure? | चित्र में दिखाए गए वोल्टमीटर पर संख्याओं द्वारा अंकित प्रत्येक भाग का मान क्या है? A. 2 V B. 5 V C. 4 V D. 1 V 11 / 75 Category: Electronics Mechanic First Year CBT Paper (TT) 11. Which method is adopted to charge a car battery with voltage rating of 2.3 V per cell? | 2.3 V प्रति सेल की वोल्टेज रेटिंग के साथ कार बैटरी चार्ज करने के लिए कौन सी विधि अपनाई जाती है? A. Constant current charging method | लगातार चालू चार्जिंग विधि B. Trickle charging method | ट्रिकल चार्जिंग विधि C. Float charging method | फ्लोट चार्जिंग विधि D. Constant voltage charging method | लगातार वोल्टेज चार्ज करने की विधि 12 / 75 Category: Electronics Mechanic First Year CBT Paper (TT) 12. What is the drain current (Id) in JFET? | JFET में ड्रेन करंट (Id) कौन सा है? A. Electron from drain to gate | ड्रेन से गेट तक इलेक्ट्रॉन B. Electron from gate to source | गेट से स्रोत तक इलेक्ट्रॉन C. Electron from source to drain | स्रोत से ड्रेन तक इलेक्ट्रॉन D. Electron from drain to source | ड्रेन से स्रोत तक इलेक्ट्रॉन 13 / 75 Category: Electronics Mechanic First Year CBT Paper (TT) 13. What is the type of flip-flop circuit shown in the figure? | चित्र में दर्शाया गया फ्लिप-फ्लॉप सर्किट किस प्रकार का है? A. JK flip-flop B. R-S flip-flop C. T flip-flop D. D flip-flop 14 / 75 Category: Electronics Mechanic First Year CBT Paper (TT) 14. What is the limitation of integrated circuits? | एकीकृत सर्किट की सीमा क्या है? A. Large value capacitors, resistors cannot be fabricated | बड़े मूल्य के कैपेसिटर, प्रतिरोधों को गढ़ा नहीं जा सकता B. Drains more current | ज्यादा करंट का प्रवाह C. Increased reliability | बढ़ी हुई विश्वसनीयता D. Greater flexibility | बेहतर लचीलापन 15 / 75 Category: Electronics Mechanic First Year CBT Paper (TT) 15. Which process is used to make ICS? | ICS बनाने के लिए किस प्रक्रिया का उपयोग किया जाता है? A. Grown junction process | ग्रोन जंक्शन प्रोसेस B. Micro photo - lithographic process | माइक्रो फोटो - लिथोग्राफिक प्रक्रिया C. By adding extrinsic materials | बाह्य पदार्थों को जोड़कर D. Point contact junction process | पॉइंट कांटेक्ट जंक्शन प्रोसेस 16 / 75 Category: Electronics Mechanic First Year CBT Paper (TT) 16. Which logical operation carry is generated? | कौन सा लॉजिकल ऑपरेशन कैरी उत्पन्न होता है? A. Subtraction | घटाव B. Addition | जोड़ना C. Multiplication | गुणा D. Division | विभाजन 17 / 75 Category: Electronics Mechanic First Year CBT Paper (TT) 17. What is the another name of band stop filter? | बैंड स्टॉप फिल्टर का दूसरा नाम क्या है ? A. Phase shifter | फेज शिफ्टर B. Snubber | स्नबर C. Notch filter | नोच फिल्टर D. Time delay circuit | समय विलंब सर्किट 18 / 75 Category: Electronics Mechanic First Year CBT Paper (TT) 18. What type of feedback is used by the wein-bridge oscillator to oscillate the signal? | वेन-ब्रिज ऑसिलेटर द्वारा सिग्नल को दोलन करने के लिए किस प्रकार के फीडबैक का उपयोग किया जाता है? A. Positive feedback | सकारात्मक प्रतिक्रिया B. Both positive and negative feedback | दोनों सकारात्मक और नकारात्मक प्रतिक्रिया C. Negative feedback | नकारात्मक प्रतिक्रिया D. No feedback | कोई प्रतिक्रिया नहीं 19 / 75 Category: Electronics Mechanic First Year CBT Paper (TT) 19. What is the total resistance if 3.3KΩ and 4.7KΩ resistor connected in a series? | यदि 3.3KΩ और 4.7KΩ प्रतिरोधक को श्रेणीक्रम में जोड़ा जाए तो कुल प्रतिरोध क्या होगा? A. 800 Ω B. 8 KΩ C. 80 KΩ D. 8 Ω 20 / 75 Category: Electronics Mechanic First Year CBT Paper (TT) 20. Which type of amplifier has the frequency response curve as shown in the figure? | चित्र में दिखाए अनुसार किस प्रकार के एम्पलीफायर में आवृत्ति प्रतिक्रिया वक्र होता है? A. RC coupled amplifier | आरसी कपल एम्पलीफायर B. Direct coupled amplifier | प्रत्यक्ष कपल एम्पलीफायर C. Transformer coupled amplifier | ट्रांसफार्मर कपल एम्पलीफायर D. LC coupled amplifier | नियंत्रण रेखा कपल एम्पलीफायर 21 / 75 Category: Electronics Mechanic First Year CBT Paper (TT) 21. What is the input impedance of IGBT? | IGBT के इनपुट इम्पिदेंस क्या है? A. High input impedance | उच्च इनपुट इम्पिदेंस B. Infinity input impedance | इनफिनिटी इनपुट इम्पिदेंस C. Medium input impedance | मध्यम इनपुट इम्पिदेंस D. Low input impedance | कम इनपुट इम्पिदेंस 22 / 75 Category: Electronics Mechanic First Year CBT Paper (TT) 22. What is the name of the motion of charged particles in any medium? | किसी भी माध्यम में आवेशित कणों की गति का क्या नाम है? A. Current | करंट B. Voltage | वोल्टेज C. Resistance | प्रतिरोध D. Frequency | आवृत्ति 23 / 75 Category: Electronics Mechanic First Year CBT Paper (TT) 23. Which angle can be checked using try square? | ट्राई स्क्वायर का उपयोग करके कौन सा कोण जांचा जा सकता है? A. 45° B. 60° C. 75° D. 90° 24 / 75 Category: Electronics Mechanic First Year CBT Paper (TT) 24. What type of wave form is available at pin number 2 of function generator IC 8038? | फ़ंक्शन जनरेटर IC 8038 के पिन नंबर 2 पर किस प्रकार का तरंग रूप उपलब्ध है? A. Modulated wave | संग्राहक तरंग B. Triangular wave | त्रिकोणीय तरंग C. Sine wave | साइन तरंग D. Square wave | स्क्वेर तरंग 25 / 75 Category: Electronics Mechanic First Year CBT Paper (TT) 25. Which transistor is used to operate the colpitts oscillator? | कोलपिट्स ऑसिलेटर को संचालित करने के लिए किस ट्रांजिस्टर का उपयोग किया जाता है? A. AC 188 B. BC 148B C. BF 194B D. AC 127 26 / 75 Category: Electronics Mechanic First Year CBT Paper (TT) 26. What power supply is required to operate the most standard TTL ICs properly? | अधिकांश मानक TTL IC को ठीक से संचालित करने के लिए कितनी विधुत आपूर्ति की आवश्यकता होती है? A. - 1.5V to - 2.5V B. + 7.5V to + 12V C. + 1.5V to +2.5V D. + 4.75V to + 5.25V 27 / 75 Category: Electronics Mechanic First Year CBT Paper (TT) 27. Which circuit uses the F to V converter section? | F से V कनवर्टर सेक्शन किस सर्किट का उपयोग करता है? A. Schmitt trigger circuit | शमित ट्रिगर सर्किट B. Up/down counter circuit | अप/डाउन काउंटर सर्किट C. Wein bridge oscillator circuit | वेन ब्रिज ऑसिलेटर सर्किट D. Digital frequency meter circuit | डिजिटल आवृत्ति मीटर सर्किट 28 / 75 Category: Electronics Mechanic First Year CBT Paper (TT) 28. Which diode is used in low power communication circuits? | कम बिजली संचार सर्किट में किस डायोड का उपयोग किया जाता है? A. Signal diodes | सिग्नल डायोड B. High power diodes | हाई पावर डायोड C. Rectifier diodes | रेक्टिफायर डायोड D. Switching diodes | स्विचिंग डायोड 29 / 75 Category: Electronics Mechanic First Year CBT Paper (TT) 29. How many select input pins are there in 8 line multiplexer? | 8 लाइन मल्टीप्लेक्सर में कितने सेलेक्ट इनपुट पिन होते हैं? A. 4 B. 8 C. 2 D. 3 30 / 75 Category: Electronics Mechanic First Year CBT Paper (TT) 30. What is the resonant frequency range of a crystal? | एक क्रिस्टल की गुंजयमान आवृत्ति रेंज क्या है? A. Between 0.1 and 10 MHz B. Between 0.5 and 25 MHz C. Between 0.5 and 30 MHz D. Between 0.1 and 1MHz 31 / 75 Category: Electronics Mechanic First Year CBT Paper (TT) 31. What is the function of astable multivibrator in timer IC 555? | टाइमर IC 555 में एस्ट्रोबल मल्टीविब्रेटर का क्या कार्य है? A. Serving as voltage divider | वोल्टेज डिवाइडर के रूप में कार्य करना B. Acting as transducers | ट्रांसड्यूसर के रूप में C. Serving as an oscillator | ओस्सिलाटर के रूप में कार्य करना D. Serving as comparator | काम्परेटर के रूप में कार्य करना 32 / 75 Category: Electronics Mechanic First Year CBT Paper (TT) 32. What is the ideal AC voltage in domestic electricity? | घरेलू बिजली में आईडियल AC वोल्टेज क्या होती है? A. 240V B. 150V C. 110V D. 440V 33 / 75 Category: Electronics Mechanic First Year CBT Paper (TT) 33. Which control knob changes the vertical shape of the waveform? | कौन सी नियंत्रण घुंडी तरंग के लम्बवत आकार को बदलती है? A. Hold | होल्ड B. Volt/Div | वोल्ट/डिव C. Trigger | ट्रिगर D. Time/Div | समय/डिव 34 / 75 Category: Electronics Mechanic First Year CBT Paper (TT) 34. Which analog meter has a battery is provided? | कौन से एनालॉग मीटर में बैटरी उपलब्ध करायी गयी है? A. Volt meter | वाल्ट मीटर B. Ammeter | एम्मिटर C. Watt meter | वाट मीटर D. Ohm meter | ओम मीटर 35 / 75 Category: Electronics Mechanic First Year CBT Paper (TT) 35. Which terminal is used as an input terminal in Op-Amp for an integrator circuit? | इंटीग्रेटर सर्किट के लिए Op-Amp में इनपुट टर्मिनल के रूप में किस टर्मिनल का उपयोग किया जाता है? A. Inverting terminal | इन्वेर्टिंग टर्मिनल B. Non-inverting terminal | नॉन इन्वेर्टिंग टर्मिनल C. -Vᴇᴇ D. +Vᴄᴄ 36 / 75 Category: Electronics Mechanic First Year CBT Paper (TT) 36. What is the purpose of scriber in metal sheet? | मेटल शीट में स्क्राइबर का क्या उद्देश्य है? A. For bending | बेन्डिंग के लिए B. For joining | जुड़ने के लिए C. For cutting | कटिंग के लिए D. For marking | मार्किंग के लिए 37 / 75 Category: Electronics Mechanic First Year CBT Paper (TT) 37. Which instrument is used to measure resistance, capacitance and inductance? | प्रतिरोध, धारिता और प्रेरकत्व मापने के लिए किस उपकरण का उपयोग किया जाता है? A. Kelvin bridge | केल्विन ब्रिज B. Wheatstone bridge | व्हीटस्टोन ब्रिज C. Wein bridge | वेन ब्रिज D. LCR bridge | LCR ब्रिज 38 / 75 Category: Employability Skill CBT Paper (I) 1. The 4Ps of a good sales pitch are: promise, picture, pitch and ______| एक अच्छी बिक्री पिच के 4P हैं: promise, picture, pitch और ______ A. Proof | प्रूफ़ B. Public | पब्लिक C. Price | प्राइस D. Product | प्रोडक्ट 39 / 75 Category: Employability Skill CBT Paper (I) 2. Motivation is categories into __________ | मोटिवेशन को वर्गीकृत किया गया है A. inner and outer | इनर और आउटर B. good and bad | अच्छा और बुरा C. high and low | हाई और लो D. intrinsic and extrinsic | आंतरिक और बाह्य 40 / 75 Category: Employability Skill CBT Paper (I) 3. MSME stands for _______ | MSME का अर्थ है ………….. A. Minor, Small and Medium Enterprises | लघु, छोटे और मध्यम उद्यम B. Micro, Small and Medium Enterprises | सूक्ष्म, छोटे और मध्यम उद्यम C. Macro, Small and Medium Enterprises | मैक्रो, छोटे और मध्यम उद्यम D. Micro, Scale and Medium Enterprises | सूक्ष्म, स्केल और मध्यम उद्यम 41 / 75 Category: Employability Skill CBT Paper (I) 4. _______ is major changes takes place in manufacturing.| ……….. मैन्युफैक्चरिंग में प्रमुख परिवर्तन होते हैं। A. Green revolution | हरित क्रांति B. Industry revolution | उद्योग क्रांति C. Water revolution | जल क्रांति D. Food revolution | खाद्य क्रांति 42 / 75 Category: Employability Skill CBT Paper (I) 5. Which of the following is not true? | इनमें से कौन सा सही नहीं है? A. Only ask relevant questions | केवल प्रासंगिक प्रश्न पूछें B. Ask each customer the same set of questions. | प्रत्येक ग्राहक से समान प्रश्न पूछें। C. Ask the questions with a genuine focus on understanding your customer in order to meet their needs | अपने ग्राहकों की जरूरतों को पूरा करने के लिए उन्हें समझने पर वास्तविक ध्यान के साथ प्रश्न पूछें D. Establish trust by focusing on customer needs and not on your product. | ग्राहकों की जरूरतों पर ध्यान केंद्रित करके विश्वास स्थापित करें न कि अपने उत्पाद पर। 43 / 75 Category: Employability Skill CBT Paper (I) 6. Which one is NOT a storage device? | कौन एक स्टोरेज डिवाइस नहीं है? A. Video tape | वीडियो टेप B. Printer | प्रिंटर C. Memory card | मैमोरी कार्ड D. USB flash drive | यूएसबी फ्लैश ड्राइव 44 / 75 Category: Employability Skill CBT Paper (I) 7. Listening to Railway or Flight announcement, teacher’s lecture comes under ___________| रेलवे या उड़ान की घोषणा को सुनना, शिक्षक का लैक्चर ........ के अंतर्गत आता है A. therapeutic listening | चिकित्सकीय लिसनिंग B. comprehensive listening | काम्प्रिहेन्सिव लिसनिंग C. critical listening | क्रिटिकल लिसनिंग D. appreciative listening | प्रशंसात्मक लिसनिंग 45 / 75 Category: Employability Skill CBT Paper (I) 8. In which orientation, the text is printed length wise? | किस ओरिएंटेशन (अभिविन्यास) में, टेक्स्ट (पाठ) लंबाई वार प्रिंट (मुद्रित) होता है? A. Portrait | पोट्रेट B. Width | चौड़ाई C. Margin | मार्जिन D. Landscape | लैंडस्केप 46 / 75 Category: Employability Skill CBT Paper (I) 9. Which one is a cyber crime?/ कौन एक साइबर अपराध है? A. Chatting with friends / मित्रों से चैटिंग (गपशप) B. Sending email / ईमेल भेजना C. Online purchasing / ऑनलाइन पर्चेज़िंग (खरीद) D. Online gambling / ऑनलाइन गैम्बलिंग (जुआ) 47 / 75 Category: Employability Skill CBT Paper (I) 10. Word that is pronounced the same as another word but differs in meaning is called __________ | वह शब्द जो किसी दूसरे शब्द के समान होता है, लेकिन अर्थ में भिन्न होता है, जिसे __________________ कहा जाता है A. homograph | होमोग्रफ़ B. homophone | होमोफ़ोन C. diphthong | संयुक्त स्वर D. syllable | शब्दांश 48 / 75 Category: Employability Skill CBT Paper (I) 11. An angry person’s body language will be ? | क्रोधी व्यक्ति की बॉडी लैंग्वेज होगी ? A. Calm | शांत B. Aggressive | आक्रामक C. Friendly | दोस्ताना D. Relaxed and soothing | आराम से और सुखदायक 49 / 75 Category: Employability Skill CBT Paper (I) 12. Which of the following websites are not popular for finding jobs?| निम्नलिखित में से कौन सी वेबसाइट नौकरी खोजने के लिए लोकप्रिय नहीं है? A. Twitter.com | ट्विटर डॉट कॉम B. LinkedIn.com | लिंक्डिन डॉट कॉम C. Naukri.com | नौकरी डॉट कॉम D. Sheroes.com | शेरोएस डॉट कॉम 50 / 75 Category: Employability Skill CBT Paper (I) 13. Choose the odd word. | odd (विषम) शब्द चुनें। A. sorry | सॉरी B. please | प्लीज C. thanks | थैंक्स D. Paper | पेपर 51 / 75 Category: Employability Skill CBT Paper (I) 14. Where all deleted files will be stored? | सभी डिलीट की गयी फ़ाइलें कहाँ स्टोर (संग्रहीत) की जाएंगी? A. Recycle bin | रीसायकल बिन B. CD | सीडी C. Personal folder | पर्सनल (व्यक्तिगत) फ़ोल्डर D. Official folder | ऑफिसियल (आधिकारिक) फ़ोल्डर 52 / 75 Category: Employability Skill CBT Paper (I) 15. Which of these expenses are incurred when we move to a new city?| जब हम किसी नए शहर में जाते हैं तो इनमें से कौन सा खर्च होता है? A. Rent of an accommodation | एक आवास का किराया B. Buying shoes | जूते खरीदना C. Buying new clothes | नए कपड़े ख़रीदना D. Buying books | किताबें ख़रीदना 53 / 75 Category: Employability Skill CBT Paper (I) 16. In MS Excel, to insert a formula in cell, we must begin the entry with an operator ___________ | एमएस एक्सेल में, सेल में एक सूत्र इन्सर्ट (सम्मिलित) करने के लिए, हमें प्रविष्टि को एक ऑपरेटर के साथ शुरू करनी चाहिए - A. = B. # C. $ D. @ 54 / 75 Category: Employability Skill CBT Paper (I) 17. Which one is 3P’s of public speaking? | पब्लिक स्पीकिंग की 3 P क्या है? A. Possess, Present, Practice | प्रोस्सेस, प्रेजेंट, प्रैक्टिस B. Prepare, Practice, Perform | प्रीपेयर, प्रैक्टिस, परफॉर्म C. Publish, Pleasant, Perfect | पब्लिश, प्लीजेंट, परफेक्ट D. Perfection, Performance, Painstaking | परफेक्शन, परफॉरमेंस, पैंसटेकिंग 55 / 75 Category: Employability Skill CBT Paper (I) 18. Choose the correct tense of the verb. “I __________music when I was child” | क्रिया का सही काल चुनें। “I __________music when I was child” A. am learning | सीख रहा हूँ B. learn | सीखता हूँ C. had learnt | सीखा था D. will learn | सीखूंगा 56 / 75 Category: Employability Skill CBT Paper (I) 19. Fill in the blank with comparative adjective. “Your pencil is__________ than mine” | तुलनात्मक विशेषण के साथ रिक्त स्थान भरें। “Your pencil is__________ than mine” A. sharp | शार्प B. sharper | शार्पेर C. blunt | ब्लंट D. thick | थिक 57 / 75 Category: Employability Skill CBT Paper (I) 20. People from all religions or no religions are treated equally means…… | सभी धर्मों या किसी भी धर्म के लोगों के साथ समान व्यवहार नहीं किया जाता है ……सेक्युलर देश A. non secular | गैर धर्मनिरपेक्ष B. democratic | जनतांत्रिक C. secular country | धर्मनिरपेक्ष देश D. religious | धार्मिक 58 / 75 Category: Employability Skill CBT Paper (I) 21. Gender stereotypes can be _______ | लिंग रूढ़िवादिता हो सकती है ………। A. cheerful | खुश B. personality development | व्यक्तित्व विकास C. harmful and hurtful | हानिकारक और दुखदायी D. playful | चंचल 59 / 75 Category: Employability Skill CBT Paper (I) 22. What is shortcut key for “Paste” command?| "पेस्ट" कमांड के लिए शॉर्टकट की (कुंजी) क्या है? A. Ctrl + A | कंट्रोल + A B. Ctrl + C | कंट्रोल + C C. Ctrl + X | कंट्रोल + X D. Ctrl + V | कंट्रोल + V 60 / 75 Category: Employability Skill CBT Paper (I) 23. Which is not the online payment App? | कौन सा ऑनलाइन भुगतान App नहीं है? A. Google Pay | गूगल पे B. Paytm | पेटीएम C. India Pay | इंडियन पे D. PhonePe | फ़ोन पे 61 / 75 Category: Employability Skill CBT Paper (I) 24. Choose suitable “wh” word for the given sentence. “___________ animal do you like?”| दिए गए वाक्य के लिए उपयुक्त “wh” शब्द चुनें। “___________ animal do you like?” A. Why | व्हाई B. Where | वेयर C. Which | व्हिच D. When | व्हेन 62 / 75 Category: Employability Skill CBT Paper (I) 25. The ability to do is ______ | ...... करने की क्षमता है। A. Skill | कौशल B. Job | काम C. Knowledge | ज्ञान D. Experience | अनुभव 63 / 75 Category: Engineering Drawing CBT Paper (I) 1. Which title block position is correct as standard practice? | एक मानक अभ्यास के रूप में कौन सी शीर्षक ब्लॉक स्थिति सही है? A. Option A | विकल्प A B. Option C | विकल्प C C. Option B | विकल्प B D. Option D | विकल्प D 64 / 75 Category: Engineering Drawing CBT Paper (I) 2. Identify the conventional symbol of material?/ सामग्री के पारंपरिक प्रतीक को पहचानें? A. Wood / लकड़ी B. Glass / कांच C. Concrete / ठोस D. Steel / इस्पात 65 / 75 Category: Engineering Drawing CBT Paper (I) 3. Identify the conventional symbol of material? | चित्र में दिखाए गए सामग्री के पारंपरिक प्रतीक का पता लगाएं? A. Wood | लकड़ी B. Glass | कांच C. Paper | कागज़ D. Lead | लेड 66 / 75 Category: Engineering Drawing CBT Paper (I) 4. What is the trimmed size of A4 sheet? | A4 शीट का ट्रिम किया हुआ आकार क्या है? A. 594 x 841 B. 148 x 210 C. 841 x 1189 D. 210 x 297 67 / 75 Category: Engineering Drawing CBT Paper (I) 5. Compass used to draw for___./ कम्पास का उपयोग ___ को ड्रा करने के लिए किया जाता है. A. square / वर्ग B. circle / वृत्त C. rectangle / आयत D. triangle / त्रिकोण 68 / 75 Category: Engineering Drawing CBT Paper (I) 6. Identify the name of tool?/ उपकरण का नाम पहचानें? A. Ball pein hammer / बॉल पीन हैमर B. Straight pein hammer / सीधे पीन हथौड़ा C. Cross pein hammer / क्रॉस पीन हैमर D. Sledge hammer / स्लेज हैमर 69 / 75 Category: Architectural Draughtsman First Year CBT Paper (TT) 1. Which capacitor has polarity? | किस कैपसिटर में ध्रुवता होती है? A. Ceramic capacitor | सिरेमिक कपैसिटर B. Mica capacitor | Mica capacitor C. Electrolyte capacitor | इलेक्ट्रोलाइट कैपेसिटर D. Paper capacitor | पेपर कपैसिटर 70 / 75 Category: Workshop Calculation and Science CBT Paper (I) 1. Which one is non-metal? | इनमे से अधातु कौन सी है? A. Graphite | ग्रेफाइट B. Iron | लोहा C. Brass | पीतल D. Mercury | पारा 71 / 75 Category: Workshop Calculation and Science CBT Paper (I) 2. What is the S.I unit of heat? | ऊष्मा की एस.आई. इकाई क्या है? A. Joule / जूल B. Centigrade heat unit / सेंटीग्रेट हीट यूनिट C. Calorie / केलोरी D. British thermal unit / ब्रिटिश थर्मल यूनिट 72 / 75 Category: Workshop Calculation and Science CBT Paper (I) 3. Which is the unit of current? | धारा की इकाई क्या है? A. Volt | वोल्ट B. Watt | वाट C. Ohm | ओम D. Ampere | एम्पियर 73 / 75 Category: Workshop Calculation and Science CBT Paper (I) 4. What is the value of tan 45o if sin 45o = 1/√ 2? | tan 45o कितना होगा, यदि sin 45o = 1/√2 है। A. √3/2 B. 1/√3 C. 1 D. 1/√2 74 / 75 Category: Workshop Calculation and Science CBT Paper (I) 5. How many millimetres are there in 1 inch? | 1 इंच में कितने मिलीमीटर होते हैं? A. 24.5 mm | २४.५ मी मी B. 2.45 mm | २.४५ मी मी C. 25.4 mm | २५.४ मी मी D. 2.54 mm | २.५४ मी मी 75 / 75 Category: Workshop Calculation and Science CBT Paper (I) 6. What is the value for specific heat of water?/ पानी की विशिष्ट ऊष्मा का मान क्या है? A. 3 B. 2 C. 1 D. 4 Your score isThe average score is 27% 0% Restart quiz Exit WhatsApp और YouTube चैनल से जुड़े रहना Whats App CBT Practice Paper Electrician COPA Fitter Draughtsman Mechanic Fashion Design & Technology Electronic Mechanic Architectural Draughtsman Aeronautical Structure and Equipment Fitter Draughtsman Civil अत्यधिक चर्चा में Sample NCVT CTS 6 Month Trade Exam 2026 Schedule Released – Practical, CBT Exam Date, Hall Ticket & Result | ITI Ke Gyani Bihar ITI Admission 2026: ITICAT 2026 आवेदन प्रक्रिया, पात्रता, परीक्षा तिथि, फीस और काउंसलिंग की पूरी जानकारी SIDH Portal पर Instructor Registration कैसे करें 2026 | NIMS System, ITSU Mapping, Timeline और DGT के नए नियम अंबेडकर नगर वृहद रोजगार मेला 2026: युवाओं के लिए सुनहरा अवसर | Direct Placement Drive झांसी वृहद रोजगार मेला 2026: युवाओं के लिए सुनहरा अवसर | Direct Placement Drive